青岛垚鑫智能科技有限公司
宣传

位置:北方有色 >

有色技术频道 >

分类:
全部
矿山技术
冶金技术
材料制备及加工技术
环境保护技术
分析检测技术
 
全部
废水处理技术
大气治理技术
固/危废处置技术
土壤修复技术
地区:
全部
北京
天津
上海
重庆
河北
山西
辽宁
吉林
黑龙江
江苏
浙江
安徽
福建
江西
山东
河南
湖北
湖南
广东
海南
四川
贵州
云南
陕西
甘肃
青海
内蒙
广西
西藏
宁夏
新疆
其他
其他
展开
 
全部
济南
青岛
淄博
枣庄
东营
烟台
潍坊
济宁
泰安
威海
日照
滨州
德州
聊城
临沂
菏泽

山东淄博有色金属环境保护技术理论与应用

免费发布技术信息>>
可磁分离的复合光催化剂BiOBr/CoFe<Sub>2</Sub>O<Sub>4</Sub>及其制备方法和应用

本发明公开了一种可磁分离的复合光催化剂,所述复合光催化剂的结构包括BiOBr纳米片,以及负载于所述BiOBr纳米片上粒径大小均一的CoFe2O4纳米粒子,二者之间的紧密结合增强了对可见光的响应,加快了光生电子的传输速率,抑制了电子‑空穴对的复合,从而赋予了光催化剂很高的催化活性和很好的稳定性,短时间内几乎可以使罗丹明B染料完全降解。本发明还公开了该复合光催化剂的制备方法,其反应条件温和,制备过程简单,生产成本低廉且以水为溶剂对环境友好,符合当代社会发展对生态环境的需求,有利于环境和能源的可持续发展。本发明所述的复合光催化剂在工业印染废水的处理方面具有很强的实用性和广阔的应用前景,可实现工业化大规模应用。

标签:
废水处理
山东 - 淄博 来源:北方有色网 2023-03-19
含盐污水的处理方法
含盐污水的处理方法 977     
 0

本发明涉及一种工业污水的处理方法,具体的说,涉及一种含盐污水的处理方法。本发明的技术方案是:一种含盐污水的处理方法,包括以下步骤:(1)预曝处理;(2)混凝沉淀处理;(3)生物脱氮处理;(4)沉淀分离处理;(5)絮凝过滤处理;(6)综合调节处理。本发明的有益效果在于:投资小,运行费用低,运行效果稳定可靠,可以满足日益严格的环保需求,并且可以较为广泛地应用于石化(尤其是烯烃、氯碱等)工业废水处理,同时也可以适合市政、化纤、制革等行业污水的处理。

标签:
废水处理
山东 - 淄博 来源:北方有色网 2023-03-19
高分子复合絮凝剂及其制备方法和应用

本发明是一种高分子复合絮凝剂及其制备方法和应用。属于水处理技术领域,特别涉及一种由聚合硫酸铝和聚二甲基二烯丙基氯化铵复合而成的高分子复合絮凝剂及其制备方法和应用。包括如下配比的原料组分:聚合硫酸铝水溶液85-95%,聚二甲基二烯丙基氯化铵水溶液5-15%。本发明提供了一种制备方法简单,生产成本低、原料来源广;对高色度、含高腐殖酸的原水脱色效果好;用量少,处理后的水质清澈透明,饮用水质安全可靠;对含油污水的处理,脱油效果良好的理想的高分子复合絮凝剂及其制备方法和应用。广泛用于饮用水、工业用循环水、工业废水、生活污水的絮凝澄清处理,脱色、去油处理。

标签:
废水处理
山东 - 淄博 来源:北方有色网 2023-03-19
赤泥、粉煤灰、钢渣、煤矸石固废资源化综合利用工艺

本发明属于工业固废回收利用技术领域,具体涉及一种赤泥、粉煤灰、钢渣、煤矸石固废资源化综合利用工艺。所述资源化综合利用工艺,将工业固废加入Na2CO3、O2和还原剂进行反应,分离出铁水和液态渣水;液态渣水加入钠盐反应,得到反应液和沉渣;将反应液依次通入钙盐沉淀槽、铝盐沉淀槽、硅酸槽,分别通入CO2进行酸化反应,过滤后依次得到钙盐、铝盐、硅酸和碱液;将碱液进行浓缩结晶,得到钾盐和钠盐;把沉渣烘干通入Cl2反应,得到气态TiCl4和残渣;残渣加入氢氧化钠反应得到氢氧化镁。本发明的固废资源化综合利用方法,处理流程短,能耗低,产品附加值高,且处理过程中无废水废渣排放,绿色环保。

标签:
废水处理
山东 - 淄博 来源:北方有色网 2023-03-19
固定深度水质现场采样与监测设备

本实用新型涉及水质采样监测技术领域,具体公开一种固定深度水质现场采样与监测设备,包括金属框架和采样瓶,采样瓶瓶口上方设有不锈钢盖帽,不锈钢盖帽上设置进样口和刻度伸缩杆,进样口上方设置电磁阀,采样瓶瓶体内壁一侧设置液位传感器,通过液位控制器与电磁阀连接,采样瓶上部设置M型虹吸管;金属框架的上框上方设置余氯测定仪、水质多参数测定仪和高清摄像机。本实用新型便于控制固定深度采样,采样量可控,可实现水质参数原位监测,能够满足不同水质指标测定时采样量的需求,同时满足现场采样后从采样瓶中取水的需求。不仅适用于环境水质取样检测,还可用于工业废水和医疗废水样品采集以及石油、化工等样液取样分析。

标签:
废水处理
山东 - 淄博 来源:北方有色网 2023-03-19
环氧氯丙烷层析罐及环氧氯丙烷层析系统

本实用新型涉及工业装置技术领域,具体涉及一种环氧氯丙烷层析罐及环氧氯丙烷层析系统。所述的环氧氯丙烷层析罐,包括层析罐体,层析罐体开设环氧氯丙烷水溶液进料管,层析罐体内部倾斜设置导流板,导流板上设有挡板,导流板下部设有挡板,挡板为垂直方向设置;环氧氯丙烷层析系统包括环氧氯丙烷层析罐、废水储存罐、环氧氯丙烷粗品储存罐,其中,环氧氯丙烷层析罐与废水储存罐、环氧氯丙烷粗品储存罐分别相连。本实用新型提高了分离效果,减少了环氧氯丙烷粗品的损耗,降低了操作难度,减小了控制误差。本实用新型操作简单,节省了资源,提高了工作效率,省时省力。

标签:
废水处理
山东 - 淄博 来源:北方有色网 2023-03-19
新型除油装置
新型除油装置 988     
 0

本实用新型属于工业油水分离技术领域,具体涉及一种新型除油装置,其包括罐体和封头,罐体内设有过滤模块,过滤模块将罐体内的空间分隔为下部的油水混合腔和上部的油水分离腔,所述的油水混合腔连接进液口,油水分离腔中部设有出水口,油水分离腔顶部设有出油口。本实用新型所述的新型除油装置,结构设计合理,可以连续从下部的进液口进含油废水,顶部出油口出油、中上部出水口出水,除油效果和废水处理能力强。

标签:
废水处理
山东 - 淄博 来源:北方有色网 2023-03-19
氨噻肟酸的合成新工艺
氨噻肟酸的合成新工艺 1018     
 0

本发明属于医药中间体合成技术领域,具体的涉及一种氨噻肟酸的合成新工艺。将亚硝酸钠和乙酰乙酸乙酯按比例加入到水中,在酸性条件下进行肟化反应,用氯仿萃取,收集有机相;得到的有机相与硫酸二甲酯发生烃化反应,得甲基化产物;对得到的甲基化产物进行氯化,得氯化物;氯化物与硫脲发生环合反应,得氨噻肟酸甲酯;经水解,酸化,得氨噻肟酸粗品;将粗品加入到甲醇中回流精制,得氨噻肟酸纯品。所述的合成方法操作简单、易于实现,总反应质量收率达到93%上;反应过程产生废水量少,后期废水处理的负担较小,有利于实现工业化。

标签:
废水处理
山东 - 淄博 来源:北方有色网 2023-03-19
氨噻肟酸的合成方法
氨噻肟酸的合成方法 834     
 0

本发明属于化合物合成领域,具体涉及一种氨噻肟酸的合成方法。所述的合成方法包括以下步骤:将亚硝酸钠和乙酰乙酸乙酯加入到水中,滴加硫酸反应,用氯仿萃取,收集有机相;得到的有机相与硫酸二甲酯发生烃化反应,得甲基化产物;对得到的甲基化产物溴化,得溴化物;溴化物与硫脲发生环合反应,得氨噻肟酸甲酯;经水解,酸化,得氨噻肟酸粗品;将粗品加入到甲醇中回流精制,得氨噻肟酸纯品。所述的合成方法操作简单、易于实现,总反应质量收率达到96%上;反应过程产生废水量少,后期废水处理的负担较小,有利于实现工业化。

标签:
废水处理
山东 - 淄博 来源:北方有色网 2023-03-19
生活垃圾、粪便环保生物处理系统

本实用新型属于生活垃圾、粪便处理装置领域,具体涉及一种生活垃圾、粪便环保生物处理系统,其特征在于包括垃圾粪便储存桶、药物发酵桶、有机生物反应桶、有机肥粪便处理机和有机肥储存缸,所述垃圾粪便储存桶上部通过管路与房屋内卫生间的排便管道连接,下部一侧通过管路与药物发酵桶连接,两者之间的管路上设有污水泵,药物发酵桶的上部通过管路与房屋内的厨房生活废水管道连接,下部一侧通过管路与有机生物反应桶的进料口连接,有机生物反应桶的出料口通过管路与有机肥储存缸连接。本实用新型具有占地面小,使用方便、环保,处理效果好的优点。

标签:
废水处理
山东 - 淄博 来源:北方有色网 2023-03-19
沼气发电及余热回收装置

本实用新型涉及一种发电装置,尤其涉及一种沼气发电及余热回收装置。本实用新型所述的沼气发电及余热回收装置,高浓度工业废水储罐与废水调节池、厌氧反应器和后续处理单元依次相连;厌氧反应器与沼气储气柜、脱硫塔、缓冲罐、气水分离器、阻火器和沼气发电机组依次相连;沼气发电机组与余热回收锅炉和板式换热器依次相连。本实用新型结构简单,运行方便,不但大大降低了污水处理站的运行费用,而且提高了废水的温度,保证了厌氧发酵工艺的正常运行。

标签:
废水处理
山东 - 淄博 来源:北方有色网 2023-03-19
造纸黑液提取腐殖酸的综合治理

一种造纸黑液提取腐殖酸的综合治理方法,向造纸黑液中加入甲酸、乙酸、盐酸或硫酸,调节废水的pH为3~6.5。再加聚合硫酸铁、碱式氯化铝、聚丙烯胺类、或净水剂-B型等凝聚剂,分离凝聚的腐殖酸固形物,作有机肥料和工业原料。液体经常规理化处理后达标排放或套用。工艺简便,设备少,投资小,治理三废的同时,综合利用资源,无二次三废排放,特别适合中、小造纸厂采用。

标签:
废水处理
山东 - 淄博 来源:北方有色网 2023-03-19
简易除尘设备
简易除尘设备 1083     
 0

本实用新型主要用于堆焊设备等焊接专机所产生的烟气的除尘净化,具体涉及一种简易除尘设备包括水箱、除尘管道,除尘管道由除尘主管道和数条除尘支管道组成,除尘主管道的进口连接排废气风机的排气口,除尘支管道一端连接除尘主管道,另一端接入水箱中,水箱上部连接净化烟气排出管道,底部连接废水排出管道,废水排出管道上安装控制阀。本简易除尘设备,结构简单合理,利用堆焊设备的排废气风机将堆焊过程中产生的烟气直接通入水中进行净化除尘,净化效果较好,能够有效改善工人的工作环境;制作成本低,水箱可利用废旧钢材制作,实现材料的综合利用以及绿色生产,大大节省了生产成本;排出的废水沉淀净化后可循环利用,节能减排。

标签:
废水处理
山东 - 淄博 来源:北方有色网 2023-03-19
塔板式光催化膜反应器

本实用新型涉及废水处理用反应器,具体涉及一种塔板式光催化膜反应器。包括反应器本体和塔板,塔板设置在反应器本体的内部侧壁上,反应器本体上部设置废水入口,下部设置废水出口,底端设置氧气入口;塔板包括塔板一、塔板二,按照塔板一、塔板二、塔板二、塔板一交错设置,相邻的塔板一与塔板二或塔板二与塔板二设置在反应器本体的不同侧;塔板一与塔板二上面均设置Kaolin‑NiO‑ZrO2/Al2O3光催化膜。本实用新型提高了光催化剂在可见光区域处理印染废水的光催化活性,充分利用太阳光,简化处理工艺,降低处理成本,加快工业化应用进程;同时也解决了光催化剂的流失和后续分离问题。

标签:
废水处理
山东 - 淄博 来源:北方有色网 2023-03-19
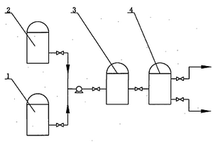
化工废液回收利用生产硝基复合肥装置

本实用新型属于硝基复合肥生产领域,具体涉及一种化工废液回收利用生产硝基复合肥装置。包括硝酸废液罐、硝铵废液罐,其特征在于还设有中和罐和电渗析罐,所述硝酸废液罐、硝铵废液罐均与中和罐连接,中和罐与电渗析罐连接。本实用新型解决了硝酸铵生产过程中产生的硝酸废液、硝铵废液排放污染环境,浪费资源的缺陷,具有结构简单,使用方便,节能环保的优点。本实用新型将工业废水中的有用成分回收利用,既实现了硝酸、硝铵工业废水的零排放,又做到了资源的综合利用,增加了企业效益,提高了企业抗风险的能力。

标签:
废水处理
山东 - 淄博 来源:北方有色网 2023-03-19
氯乙基正丙醚的制备方法

本发明属于有机合成技术领域,具体涉及一种氯乙基正丙醚的制备方法。本发明采用高效亲核催化剂,以2-正丙氧基乙醇和氯化亚砜为主要原料,通过滴加氯化亚砜,严格控制反应速率,后经升温、保温得到粗品,再经精馏提纯得到氯乙基正丙醚,产品外观清澈透明,纯度达99.2%以上,收率大于98.5%,水含量小于0.2%。与传统工艺相比,本发明无废水产生,精馏产生的前馏和釜底料及催化剂能够进行循环利用,纯度和收率高,水含量低,适合工业化生产。

标签:
废水处理
山东 - 淄博 来源:北方有色网 2023-03-19
甘氨酸的清洁生产方法
甘氨酸的清洁生产方法 1113     
 0

本发明公开了一种甘氨酸的清洁生产方法,在催化剂存在下,由氯乙酸和氨为原料,以有机胺为傅酸剂,经反应得到了含有甘氨酸和有机胺盐酸盐的混合物,在分离出甘氨酸后的母液中,使氨与有机胺盐酸盐反应得到含有氯化铵和游离有机胺的反应物,分离出氯化铵,母液返回第一步。本发明反应过程简单,减少了生产甘氨酸的若干精制工序,溶剂损耗少,原料利用率高;甘氨酸和氯化铵易于分离,产品纯度高;无工艺废水产生,利于工业生产。

标签:
废水处理
山东 - 淄博 来源:北方有色网 2023-03-19
氯乙基正丙醚的合成工艺

本发明属于有机合成技术领域,具体涉及一种氯乙基正丙醚的合成工艺。本发明采用高效催化剂,以2-正丙氧基乙醇和氯化亚砜为主要原料,通过滴加氯化亚砜,严格控制反应速率,后经升温、保温得到粗品,再经精馏提纯得到氯乙基正丙醚,产品外观清澈透明,纯度达99.22%以上,收率大于98.53%,水含量小于0.19%。与传统工艺相比,本发明无废水产生,精馏产生的前馏和釜底料及催化剂能够进行循环利用,纯度和收率高,水含量低,适合工业化生产。

标签:
废水处理
山东 - 淄博 来源:北方有色网 2023-03-19
环丁酮的纯化工艺
环丁酮的纯化工艺 1138     
 0

本发明公开了一种环丁酮的纯化工艺,涉及化工工艺领域,包括加入水中,加入碱金属或碱土金属的碳酸盐进行搅拌并过滤;在水中加入高沸点胺类化合物进行混合加热反应,在与水不相容的有机相中萃取,将有机相部分,在精馏塔中进行精馏,收集98-99℃馏分,在馏分中加入碱金属和/或碱土金属的碳酸盐和/或氧化物,避光封装储存,该方法工业生产,整个纯化过程的温度低,温和去杂质,减少了纯化过程中环丁酮的挥发损耗,试剂使用价格低廉易得,安全性好,对水质滤液进行中和处理,在工厂中就可以完成废水的一次处理,保护环境,整个工艺流程十分简单,制得的环丁酮纯度均在97%以上,同时也解决了环丁酮纯化后的储存问题,防止环丁酮的发生沉淀絮凝问题。

标签:
废水处理
山东 - 淄博 来源:北方有色网 2023-03-19
2-氯乙基丙基醚的合成方法

本发明属于有机合成技术领域,具体涉及一种2-氯乙基丙基醚的合成方法。本发明采用高效亲核催化剂,以2-正丙氧基乙醇和氯化亚砜为主要原料,通过滴加氯化亚砜,严格控制反应速率,后经升温、保温得到粗品,降温后直接加入固体碱分解过量氯化亚砜并中和,最后经过滤得到2-氯乙基丙基醚,纯度达99.5%以上,收率大于98.8%,水含量小于0.1%。与传统工艺相比,本发明无废水产生,纯度和收率高,水含量低,既经济又环保,适合工业化生产。

标签:
废水处理
山东 - 淄博 来源:北方有色网 2023-03-19
4-氨基苯甲酰-N-(4-氨基苯甲酰)胺的制备方法

一种4-氨基苯甲酰-N-(4-氨基苯甲酰)胺的制备方法,属于化合物制备方法技术领域,具体涉及一种有机颜料中间体的制备方法。其特征在于依次包括如下步骤:对氨基苯甲酰胺与对硝基苯甲酰氯在有碱金属碳酸盐存在的条件下,在溶剂中进行缩合反应,制得4-硝基苯甲酰-N-(4-氨基苯甲酰)胺;将4-硝基苯甲酰-N-(4-氨基苯甲酰)胺在溶剂中采用水合肼催化还原的办法制得4-氨基苯甲酰-N-(4-氨基苯甲酰)胺。到目前,本发明不仅将产品的纯度提高到99.7%以上,总收率也达到93.2%以上,质量和收率水平高,而且在合成过程中,三废的产生量降低到吨产品不足2吨废水的程度,使该工艺极具工业化价值。

标签:
废水处理
山东 - 淄博 来源:北方有色网 2023-03-19
2-咪唑烷酮的合成方法
2-咪唑烷酮的合成方法 1057     
 0

本发明公开了一种2-咪唑烷酮的合成方法,该方法通过如下方式实现的:将至少是由乙二胺和尿素两种组分加热得到的混合物进行蒸发并收集得到了目标产物。该方法原料成本低,生产安全性高,产品收率高,产品含量高,无废水产生,是一种清洁的工业生产2-咪唑烷酮的方法。

标签:
废水处理
山东 - 淄博 来源:北方有色网 2023-03-19
利用丙烯腈装置副产氢氰酸制备氨基三乙酸钠的方法

本发明是一种利用丙烯腈装置副产氢氰酸工业规模制备氨基三乙酸钠的方法。其特征是:丙烯腈装置副产氢氰酸作起始原料;甲醛、氨、氢氰酸在酸性条件下进行合成反应,摩尔比:氢氰酸∶甲醛∶氨∶液碱=1∶1~1.5∶0.35~0.5∶1~1.5;反应毕加碱升温排氨,再经浓缩,降温结晶,分离脱水,获得氨基三乙酸钠产品;副产氢氰酸含量达到98.5%以上;条件是,搅拌下,10~20℃通氨,10~40℃加氢氰酸,保温反应40~90℃,时间1~2H;加液碱排氨反应温度90-140℃,时间4~6H;于0~45℃降温、结晶,分离脱水,获得产品。与用氢氰酸为原料比,成本降低1000元/吨,工艺简捷废水量少。

标签:
废水处理
山东 - 淄博 来源:北方有色网 2023-03-19
污水回用处理装置
污水回用处理装置 719     
 0

本实用新型是一种二级生化处理过并达到国家一级排放标准的工业废水及生活废水回用处理装置,该装置是将曝气生物滤池、杀菌消毒、过滤器和电吸附脱盐装置有机的组合,可以将二级生化处理过并达到国家一级排放标准的工业废水及生活废水处理到回用水要求,而且装置能耗低、抗污染、无二次污染。

标签:
废水处理
山东 - 淄博 来源:北方有色网 2023-03-19
甲烷氯化物生产废碱的处理回收系统及方法

本发明涉及一种甲烷氯化物生产废碱的处理回收系统及方法,属于废水处理及回收技术领域,该方法包括步骤:甲烷氯化物废碱水送入汽提塔经过汽提,得到了去除大部分甲烷氯化物的废碱,废碱进入三效蒸发器;蒸发后的固体废盐经过溶解罐溶解、过滤器过滤,过滤后的溶液进入氯碱车间作为原料使用,过滤后得到含NaOH、NaCl、Na2CO3的溶液,其中有机物质量含量小于1ppm。本发明中甲烷氯化物生产废碱水经过汽提、蒸发、溶解、过滤等步骤得到的溶液可作为氯碱工业原料使用,实现变废为宝;通过生产废碱的资源化利用,减少了废水的处理成本,克服了现有水处理投资大、对环境压力大的缺点。

标签:
废水处理
山东 - 淄博 来源:北方有色网 2023-03-19
节能型磁流体自动化污水净化设备及工艺

节能型磁流体自动化污水净化设备及工艺,它涉及一种节能型磁流体污水净化设备。净化区域是由上磁板(1)、下磁板(2)、永磁性磁片(3)、叶轮(4)、转动轴(5)、固定轴(6)、设备箱体(7)、轴承(8)、废水吸取端(9)、液体泵(10)、液体流量计(11)、变频器(12)、变频器(13)、工业控制计算机(14)、三角带轮(15)、三角带(16)、电动机(17)、液体流量计(18)、液体泵(19)、磁流体输入端(20)、变频器(21)、变频器(22)、液体泵(23)、废水排水口(24)和阀门(25)组成;利用永磁性材料代替电磁对磁流体进行磁化达到节约能源的目的,大量运用电器控制手段对整个水净化过程进行全程监视和控制;磁流体的磁化部分和沉淀部分安装在一起,成为不可分割的一个逻辑单元,大大节约了空间,并有利于污水的批量处理。

标签:
废水处理
山东 - 淄博 来源:北方有色网 2023-03-19
双级MVR蒸发器
双级MVR蒸发器 1142     
 0

本实用新型涉及一种蒸发器,特别涉及一种双级MVR蒸发器,属于工业蒸发技术领域,包括一级压缩机、二级压缩机、一级换热器、二级换热器及蒸发室,一级压缩机通过管路依次连接一级换热器、二级压缩机及二级换热器,蒸发室通过循环管路与二级换热器相连,循环管路上设有循环泵,一级换热器与蒸发室之间通过管路相通,蒸发室上部蒸汽出口管路与一级压缩机相连,一级换热器连接原料液入口。本实用新型通过设置两级压缩机,进行废水的两次蒸发,能够降低能耗,提高蒸发效率,降低一级压缩机及二级压缩机各自的压差,减小噪音。

标签:
废水处理
山东 - 淄博 来源:北方有色网 2023-03-19
负载型改性活性炭臭氧催化剂的制备方法

本发明实施例提供了一种负载型改性活性炭臭氧催化剂的制备方法,属于催化剂制备技术领域。所述制备方法包括以下步骤:配置一定浓度的酸性溶液改性活性炭,电磁搅拌回流后用去离子水清洗到一定pH,得到第一改性活性炭;配置一定浓度的碱性溶液,将所述第一改性活性炭搅拌回流,再用去离子水清洗到一定pH,置于一定温度下烘干至恒重,得到第二改性活性炭;配置一定浓度、体积的复合金属盐和焦磷酸盐溶液,等体积浸渍所述第二改性活性炭一定时间,抽滤并往复3次,在一定温度下干燥至恒重,置于马弗炉中采用惰性气体保护焙烧一定时间。本发明能够有效提高臭氧催化剂的催化活性,从而提高对有机工业废水进行降解的效率。

标签:
废水处理
山东 - 淄博 来源:北方有色网 2023-03-19
硫化促进剂CZ的制备方法

本发明属于化工合成技术领域,具体涉及一种硫化促进剂CZ的制备方法,打浆成盐、氧化、抽滤水洗、干燥、即得。本发明采用分步氧化法,即反应前期采用氧气氧化,后期采用次氯酸钠氧化的工艺,有效降低次氯酸钠氧化法产生废水的含盐量,具有工艺简单、成本低、对环境污染少等优点,是一条绿色环保的具有工业应用价值的工艺路线。

标签:
废水处理
山东 - 淄博 来源:北方有色网 2023-03-19
预热工艺水的氯醇化生产环氧丙烷的生产设备

本实用新型涉及一种预热工艺水的氯醇化生产环氧丙烷的生产设备,属于化工生产设备领域,其特征在于包括:工业废水池、循环泵、换热器、污水处理设备、工艺水池和环氧丙烷反应器,工业废水池通过管路连接循环泵,循环泵通过管路连接换热器管程入口,接换热器管程出口通过管路连接污水处理设备,工艺水池通过管路连接换热器壳程入口,换热器壳程出口通过管路连接环氧丙烷反应器。通过工业废水和工艺水在换热器中进行热交换,这样工艺水作为冷介质就获得了热量,提高了自身温度,节约了生产成本,同时避免了工业废水的热能的损耗,节约了能源,另外本设备运行稳定,操作方便,便于维护和保养。

标签:
废水处理
山东 - 淄博 来源:北方有色网 2023-03-19
上一页 28 29 30 31 32 ... 40 下一页
共40页    到第

北方有色为您提供最新的山东淄博有色金属环境保护技术理论与应用信息,涵盖发明专利、权利要求、说明书、技术领域、背景技术、实用新型内容及具体实施方式等有色技术内容。打造最具专业性的有色金属技术理论与应用平台!

全国热门有色金属设备推荐
展开更多 +
全国热门有色金属技术推荐
展开更多 +

 

江西省隆恩特环保设备有限公司
宣传

报名参会
更多+

报告下载

有色专家
更多+

矿冶科技集团有限公司
中国工程院院士
武汉科技大学
校学术委员会主任 / 教授
矿冶科技集团有限公司
所长/研究员级高工
任灵宝金源矿业股份有限公司
技术发展部经理
中国矿业大学(北京)
教授
赤泥综合利用研究报告2025
推广

热门技术
更多+

推荐企业
更多+

福建省金龙稀土股份有限公司
宣传

发布

在线客服

公众号

电话

顶部
咨询电话:
010-88793500-807