青岛垚鑫智能科技有限公司
宣传

位置:中冶有色 >

有色技术频道 >

分类:
全部
矿山技术
冶金技术
材料制备及加工技术
环境保护技术
分析检测技术
 
全部
废水处理技术
大气治理技术
固/危废处置技术
土壤修复技术
地区:
全部
北京
天津
上海
重庆
河北
山西
辽宁
吉林
黑龙江
江苏
浙江
安徽
福建
江西
山东
河南
湖北
湖南
广东
海南
四川
贵州
云南
陕西
甘肃
青海
内蒙
广西
西藏
宁夏
新疆
其他
其他
展开
 
全部
济南
青岛
淄博
枣庄
东营
烟台
潍坊
济宁
泰安
威海
日照
滨州
德州
聊城
临沂
菏泽

山东淄博有色金属环境保护技术理论与应用

免费发布技术信息>>
氯化聚乙烯废水的处理方法

一种氯化聚乙烯废水的处理方法,属于乙烯均聚物或共聚物技术领域,其特征是,包括物化预处理、生化处理和污泥处理;所述的物化预处理包括格栅、调节PH、沉淀、微电解、中和沉淀、复三维电解、混凝沉淀;所述的生化处理包括水解酸化和接触氧化;所述污泥处理包括污泥浓缩、过滤。本发明针对氯化聚乙烯废水的COD含量大的问题,本发明的处理方法成本低,约为现有技术的一半。

标签:
废水处理
山东 - 淄博 来源:中冶有色网 2023-03-19
高盐高氯废水处理装置

本实用新型属于废水处理技术领域,涉及一种高盐高氯废水处理装置,包括电解反应池,电解反应池和氧化反应池通过第一管路连接;第一管路与进入电解反应池的第二管路通过第三管路连通;电解反应池内部设置电极,电极通过导线与直流电源连接。本实用新型无需催化剂,节约能耗;降低装置的复杂程度;装置结构简单,更易于大规模水量的处理。

标签:
废水处理
山东 - 淄博 来源:中冶有色网 2023-03-19
建筑施工用的废水回收设备

本实用新型公开了一种建筑施工用的废水回收设备,涉及废水处理用设备技术领域。本实用新型包括回收机构,回收机构包括回收箱和增容箱,回收箱上中部卡接连接有箱盖,增容箱通过内两侧端部焊接的滑块滑动连接于回收箱内前后端上下端连接的滑轨内侧中部,回收箱之间通过其内一侧中部焊接的卡块与其内另一侧中部开设的卡槽卡接连接,且回收箱之间内侧扣接连接有T型密封块,回收箱两侧中部与增容箱外表面接触扣接连接有环形密封块,且回收箱前后端两侧通过螺杆连接有导向轮。本实用新型通过设置回收机构结构,具有增加回收装置储存容量,便于其内部清理以及使用的优点。

标签:
废水处理
山东 - 淄博 来源:中冶有色网 2023-03-19
对浒苔基生物炭改性后实现去除印染废水中铬的方法

本发明公开了一种对浒苔基生物炭改性后实现去除印染废水中铬的方法,以浒苔作为原材料制备生物炭,研究改性生物炭及未改性生物炭在不同吸附条件下对水体中铬的吸附,探讨生物炭投加量、溶液铬浓度、反应时间及pH对其吸附行为的影响,并初步表征生物炭物理与化学特性,探讨两者吸附作用机制,通过步骤1对浒苔基生物炭改性,步骤2实现去除印染废水中铬的应用方法计算两种生物炭对铬的吸附效率BC:62%;KMnO4‑BC:90%;本发明是对现有技术一次扩展性的技术创新,具有很好的推广和使用价值。

标签:
废水处理
山东 - 淄博 来源:中冶有色网 2023-03-19
脱硫废水气固分离干燥塔

本实用新型公开了一种脱硫废水气固分离干燥塔,包括反应塔和集灰塔,反应塔的内部固定连接有分隔板,分隔板将反应塔的内腔分隔成吸收室和氧化室,反应塔的内部转动连接有传动转轴,反应塔的顶部固定连接有第一驱动电机,传动转轴的端部贯穿所述分隔板,传动转轴的表面分别固定连接有第一搅拌臂和第二搅拌臂,氧化室的底壁呈锥形结构,且氧化室的内底壁固定连接有旋流导流片。该干燥塔通过在集灰塔内设置旋转柱和螺旋叶片,雾化的吸收硫化物后的石灰石废液,沿螺旋叶片向上扩散,螺旋叶片使该扩散通道路径增加,增加水汽的挥发,有利于废水气固分离,而且螺旋叶片可随旋转轴转动,便于排出石膏粉末,减少塔壁的附着量,从而达到方便排渣的效果。

标签:
废水处理
山东 - 淄博 来源:中冶有色网 2023-03-19
基于水杨酸生产用的废水回收装置

本发明公开了一种基于水杨酸生产用的废水回收装置,包括抽液管,抽液管的一端设置有固定法兰,抽液管远离固定法兰的一端固定连接有过滤管,过滤管的内壁开设有卡槽,卡槽的数量为五个,五个卡槽的内部均设置有过滤网板,过滤管的外表面通过合页活动连接有密封门,密封门的边缘处设置有密封圈,过滤管远离抽液管的一侧固定连接有反应管,反应管上表面的一侧固定连接有电机支架,电机支架的中部固定连接有电机,电机的中部固定连接有传导杆。该基于水杨酸生产用的废水回收装置,本发明采用新的Fenton法使得磁纳米Fe3O4在外磁场作用下可快速分离回收,并且催化剂可以重复利用,一定程度上改善了传统Fenton法在铁泥产生量方面的不足。

标签:
废水处理
山东 - 淄博 来源:中冶有色网 2023-03-19
碳酸锆生产装置排放的废水回收利用方法

本发明是一种碳酸锆生产装置排放的废水回收利用方法。属于锆的化合物制备方法。其特征在于来自粗品碳酸锆装置和产品碳酸锆装置的废水用于碱式硫酸锆装置,替代无离子水,用作碱式硫酸锆洗涤用水和原料配制用水以及粗品碳酸锆装置中的原料碱式硫酸锆制浆用水,每吨碳酸锆产品无离子水消耗降低到6.8吨以下,节省无水硫酸钠89.8%以上,节省碳酸钠32.8%以上,合计降低产品原材料消耗约342元/吨。碳酸锆产品装置排放的碳酸锆洗涤水及过滤母液,大部分得到回收利用。大部分无离子水和其携带的化学品回收利用,大幅度降低了降低了生产成本,减轻了水处理装置的负荷。

标签:
废水处理
山东 - 淄博 来源:中冶有色网 2023-03-19
用于乳化液废水的处理设备

本实用新型属于废水处理技术领域,尤其是一种用于乳化液废水的处理设备,针对现有技术中利用人工监控流量添加破乳剂的方式效率低下的问题,现提出如下方案,其包括处理池,所述处理池的顶端设有密封盖,所述密封盖上设有支撑板,所述支撑板的顶端安装有药剂箱,所述药剂箱的底端安装有漏斗管,所述漏斗管贯穿密封盖并延伸至处理池的内部,所述处理池一侧的侧壁上安装有进水管,所述进水管上安装有电子流量计,所述处理池远离进水管一侧的侧壁上安装有出水管。本实用新型利用电子流量计对进入处理池的乳化液的流量进行监测,并通过单片机根据流量控制电磁阀以控制破乳剂的添加量,无需人力操作,极大地便利了处理过程,同时精确度有所提高。

标签:
废水处理
山东 - 淄博 来源:中冶有色网 2023-03-19
有机硅废水的综合物化处理装置及方法

本发明涉及有机硅生产废水处理,为克服现有技术生化处理阶段的局限性,提供了一种多个物化处理系统综合联用的工艺。本发明通过对废水的调节池预处理、第一次微滤旋转膜过滤、第一次紫外线照射、第一次内电解、第二次微滤旋转膜过滤、第二次紫外线照射、第二次内电解、第三次微滤旋转膜过滤、活性炭吸附、碳石纤维聚合粒料吸附和超滤反渗透过滤,使出水达到国家一级排放标准,甚至更为严格的地方标准。本发明在行业内首次应用或创新性应用了若干新工艺新设备,用事实验证了工艺的科学性和可行性,为国内有机硅行业废水的处理提供一条崭新的解决思路和途径。

标签:
废水处理
山东 - 淄博 来源:中冶有色网 2023-03-19
增塑剂废水处理池
增塑剂废水处理池 881     
 0

本实用新型涉及废水处理装置技术领域,且公开了一种增塑剂废水处理池,包括装置主体、旋转轱、搅拌轮,装置主体的内部固定连接有固定柱,固定柱的左端固定连接有旋转轱,旋转轱的底部固定连接有第一电机,第一电机的右端固定连接有第一传动轮,第一传动轮的表面活动连接有传动带,第一传动轮的顶部固定连接有第二传动轮,第二传动轮带动旋转轱旋转可以将废水内部的油脂清除,提高了装置主体的功能性,通过设置过滤机构,在需要将水净化时,处理完毕的水通过连接管进入到过滤箱内部,水在过滤箱内部通过过滤板将其内部细微的有害物质吸除,吸除完毕后,使其达到排放的标准通过出水口放出,过滤机构提高了装置主体的环保性和功能性。

标签:
废水处理
山东 - 淄博 来源:中冶有色网 2023-03-19
道桥施工废水处理装置

本实用新型公开了一种道桥施工废水处理装置,包括化学过滤模块与梯形放置平台,所述化学过滤模块的上端外表面固定安装有显示屏,且显示屏的一侧设有二号注水口,所述化学过滤模块靠近下端的外表面一侧设有二号输水管,且二号输水管的上端外表面活动安装有二号阀门,所述化学过滤模块的内部设有金属离子水解槽。本实用新型所述的一种道桥施工废水处理装置,设有物理过滤桶、梯形放置平台和减震底座,能够对施工废水进行第一级的过滤,滤除掉大颗粒物体,减轻后续的过滤压力,并能使物理过滤桶与化学过滤模块之间形成一定的压强差,使水自然地流向下一级过滤,而且可以防止在移动装置时因震动而损坏部件,带来更好的使用前景。

标签:
废水处理
山东 - 淄博 来源:中冶有色网 2023-03-19
含络合铜离子废水处理装置

本实用新型属于废水处理装置领域,具体涉及一种含络合铜离子废水处理装置。所述的含络合铜离子废水处理装置,包括分离式的强氧化池和絮凝池,其特点是强氧化池和絮凝池连接为一体,强氧化絮凝一体池分为强氧化区和絮凝区,强氧化区上部开设进水口,底部设置强氧化曝气管,絮凝区上部设置絮凝剂入口,底部设置助凝剂入口,下部开设出水口。本实用新型将常规工艺中的强氧化池和絮凝池连为一体,使得污水被氧化以后,能够及时进行絮凝处理,增加了污水处理效率,减少了处理时间,具有流程简单合理、运行操作方便、处理效果好、成本低且无二次污染。

标签:
废水处理
山东 - 淄博 来源:中冶有色网 2023-03-19
自动除垢的电解氧化废水处理装置

本实用新型属于废水处理技术领域,涉及一种自动除垢的电解氧化废水处理装置,包括直流电源,直流电源的正极连接第一导线,第一导线通过导线分别与第一阳极和第二阳极连接,直流电源的负极分别连接第二导线和第三导线,第二导线通过导线分别与第二阴极和第四阴极连接,第三导线通过导线分别与第一阴极和第三阴极;第一导线和第二导线之间设置第四导线,第一导线和第三导线之间设置第五导线。本实用新型能够根据废水中所含钙硬浓度的高低,自动调节氧化程序和除垢程序的运行时间,既有效去除阴极表面钙垢,又不会对阳极造成损害,保证了阳极的使用寿命。保证阴极表面清洁,有效防止阴极因钙垢附着导电性能下降,提高电流效率。

标签:
废水处理
山东 - 淄博 来源:中冶有色网 2023-03-19
造纸废水处理回收再利用装置

本实用新型涉及造纸废水回收技术领域,尤其是指一种造纸废水处理回收再利用装置,包括过滤池、絮凝池和沉淀池,所述过滤池底部设有出水口,所述絮凝池的顶部设有进水口,所述出水口和进水口之间设有连通水管,所述沉淀池内设有滤水机构;所述滤水机构包括滤桶,所述滤桶安装在所述沉淀池内,所述滤桶的底部设有旋转电机,所述旋转电机固定安装在所述沉淀池底部,所述旋转电机做防水处理,所述滤桶的桶身上间隔均匀开设有若干通孔,所述通孔内设有滤膜,所述滤桶上设有可拆卸桶盖,所述絮凝池底部设有出液管,所述出液管贯穿所述桶盖伸入所述滤桶内。本实用新型结构简单,操作方便,且回收废水能进行再次利用,更加环保。

标签:
废水处理
山东 - 淄博 来源:中冶有色网 2023-03-19
光催化降解煤焦油废水的连续装置

本实用新型属于环保工程中煤焦油废水治理技术领域,涉及光催化降解煤焦油废水的连续装置。该连续装置包括沿液体流通方向依次连接的煤焦油废水接口、搅拌釜、预热器、透光材质的光催化降解反应器、固液分离器和净化水储罐,还包括光催化降解催化剂循环支路;搅拌釜上设置催化剂接口,固液分离器的固体出口通过催化剂循环支路与催化剂接口连接,固液分离器的气体出口连接废气接口,固液分离器的液体出口连接净化水储罐;光催化降解反应器底部设置微米气泡发生器,微米气泡发生器入口连接氧气和预热器的液体出口;光催化降解反应器侧壁安装紫外光发光设备,紫外光发光设备向光催化降解反应器内发射紫外光。该装置的工艺路线合理、有机物降解效果好。

标签:
废水处理
山东 - 淄博 来源:中冶有色网 2023-03-19
印染行业分散染料废水处理及回用装置

本实用新型涉及一种印染行业分散染料废水处理及回用装置,属于废水处理技术领域。本实用新型中综合调节池与Fenton氧化反应池、初沉池、高效厌氧反应器、二沉池、中间水池、CASS池、砂滤罐、臭氧氧化池和回用水池依次相连;Fenton氧化反应池与Fenton试剂加料器相连;初沉池、二沉池和砂滤罐分别与污泥浓缩池相连;初沉池、二沉池、中间水池和砂滤罐还与综合调节池相连;臭氧氧化池分别与臭氧发生器和尾气破坏器相连;高效厌氧反应器与沼气发电系统相连。本实用新型结构简单、处理效率高、除氮和脱色效果好,实现了达标排放废水的回用,同时降低了外排水对环境的影响,还节约了水资源费和运行的成本,节能又环保。

标签:
废水处理
山东 - 淄博 来源:中冶有色网 2023-03-19
含氯盐有机废水的处理方法

本发明属于有机废水处理技术领域,具体涉及一种含氯盐有机废水的处理方法。预先在氧化反应器中加入无机熔盐水合物,然后升温,向氧化反应器中加入氧化剂和预热后的含氯盐有机废水进行第一次氧化反应,得到小分子有机物和固体氯盐,小分子有机物随着气体进入装填有固体催化剂的二次氧化装置进行第二次氧化反应,得到水和二氧化碳;无机熔盐水合物的制备方法是将无机盐溶于水中制得;固体催化剂为Ce/SBA‑15、Cu/SBA‑15或Ce‑Cu/SBA‑15中的一种。本发明巧妙的利用了同离子效应,将氯盐进行分离;无机熔盐水合物具有一定的温升效应,可以实现常压下有机物的快速氧化转化为小分子有机物。

标签:
废水处理
山东 - 淄博 来源:中冶有色网 2023-03-19
黄原胶废水处理工艺
黄原胶废水处理工艺 1120     
 0

本发明公开了一种黄原胶废水处理工艺。其特征是将黄原胶废水经降温、调节污泥颗粒比重、酸化、调节pH值、厌氧生化处理使黄原胶废水变为生产用水。本发明与现有技术相比还具有如下有益效果:效率高,工艺简单、易操作,不跑泥、出水指标稳定、耐高负荷冲击、形成颗粒污泥快、产沼气量大等优点。

标签:
废水处理
山东 - 淄博 来源:中冶有色网 2023-03-19
电镀废水用净水剂及其制备方法

本发明属于净水剂技术领域,具体的涉及一种电镀废水用净水剂及其制备方法。所述的电镀废水用净水剂原料组成如下:柠檬酸钠、羟基磷灰石、硫酸铝、聚合氯化铝铁、聚合氯化铝、聚丙烯酸钠、聚二甲基硅氧烷二季铵盐、N,N‑哌嗪二硫代氨基甲酸钠以及三水合二乙基硫代氨基甲酸钠。本发明所述的净水剂的制备方法,制备工艺简单,制备得到的净水剂对电镀废水中的重金属离子具有很好的去除效果,且去除效率高,效果稳定。

标签:
废水处理
山东 - 淄博 来源:中冶有色网 2023-03-19
光催化材料催化降解芳胺废水的方法

本发明属于化工废水处理技术领域,具体涉及一种光催化材料催化降解芳胺废水的方法。本发明以磷灰石为载体,六水合硝酸、六水合硝酸锌和二水合钨酸钠为原料,通过水热反应制备出镍盐修饰改性钨酸锌光催化材料,制备工艺简单;制备出的光催化材料能够降解苯胺、对氯苯胺或间甲基苯胺等芳胺,尤其是苯胺降解率高达98.6%。

标签:
废水处理
山东 - 淄博 来源:中冶有色网 2023-03-19
芬顿试剂氧化废水处理方法及装置

本发明属于废水处理技术领域,具体涉及一种芬顿试剂氧化废水处理方法及装置。待处理废水首先进入1段pH调节池,由加酸泵从浓酸储罐抽取浓酸进行第一步pH调节;1段pH调节池出水进入2段pH调节池,由加酸泵从稀酸储罐抽取稀酸进行第二步pH调节;2段pH调节池出水进入氧化反应池,氧化反应池进口由加药泵投加双氧水和硫酸亚铁,与废水在机械搅拌或空气搅拌混合后反应;氧化反应池出水加碱调节pH后进入沉淀池,氧化池出水经沉淀池固液分离后排放。本发明对氧化药剂投加量控制精确,避免了药剂的少量或过量投加,既保证处理效果稳定,又有效降低处理成本;自动化程度高,降低人工操作难度。

标签:
废水处理
山东 - 淄博 来源:中冶有色网 2023-03-19
干法腈纶废水的生物处理方法

本发明是一种干法腈纶废水的生物处理方法,采用复合絮凝剂絮凝、串联式分相厌氧消化、缺氧-好氧脱氮、在好氧段加入水溶性羧酸盐共基质、砂滤、活性炭吸附连续处理工艺;采用本发明的方法能将COD2500mg/L浊度40mg/L;硫酸盐200mg/L;EDTA300mg/L的废水处理到COD50mg/L;NH3-N<5mg/L;EDTA<10mg/L;本发明的方法适用于干法腈纶、造纸、食品发酵、纺织、照相等高浊度、高胶体、高硫酸盐、含难生物降解物质的有机废水。

标签:
废水处理
山东 - 淄博 来源:中冶有色网 2023-03-19
煤化工废水净化回收再利用装置

本实用新型公开了一种煤化工废水净化回收再利用装置,包括净化箱,所述净化箱底面安装有万向轮,所述万向轮有四个,且分布在所述净化箱底面四角,所述净化箱上表面连通有进水管,所述净化箱一端连通有带有阀门的排水管,所述排水管靠近所述净化箱底面,所述净化箱内安装有第一吸附板和第二吸附板,所述净化箱内顶面安装有两个固定架,两个所述固定架位于所述第一吸附板和所述第二吸附板之间。有益效果在于:利用电机带动第二锥齿轮转动,通过第二锥齿轮与第一锥齿轮的啮合,带动螺旋叶在连接架上转动,对废水进行搅拌和导流,加快第一吸附板和第二吸附板对废水中的杂质进行吸附,吸附效果更好。

标签:
废水处理
山东 - 淄博 来源:中冶有色网 2023-03-19
水处理剂生产废水处理装置

本实用新型涉及一种废水设备,具体是一种水处理剂生产废水处理装置,其特征是,包括采用管路依次串联的一级电化学处理管、絮凝箱和二级电化学处理管,其中,一级、二级电化学处理管均包括管体,管体上设有进水口和出水口,管体内设有石墨套,作为阴极,管体内还阳极,管体一端还设有接线卡与阳极连接,一级电化学处理管阳极为牺牲阳极,二级电化学处理管阳极为BDD阳极。本实用新型采用两级电化学氧化,对废水分别进行絮凝处理和氧化处理,之后进行微生物-曝气处理,其处理效率高,且能避免化学氧化处理的二次污染。

标签:
废水处理
山东 - 淄博 来源:中冶有色网 2023-03-19
高盐高COD废水处理自动絮凝控制装置

本实用新型公开了一种高盐高COD废水处理自动絮凝控制装置,包括箱体,箱体的内腔设有搅拌机构,升降滑块通过其上开设的螺纹孔安装在竖向丝杆上,升降滑块上固定安装有支撑杆,位于空腔内的第一正反转电机固定安装在支撑杆的另一端,第一正反转电机的输出轴上固定安装有主动锥齿轮,空腔的下部内腔安装有与搅拌机构联动的第二从动锥齿轮;矩形滑块通过其上开设的螺纹孔安装在横向丝杆上,矩形滑块的底端固定连接有支柱,支柱上固定安装有用于封堵下料通道出料端的挡料板。本实用新型能够带动搅拌机构对箱体内的废水混合物进行搅拌,加速废水的处理效率;而且能够调整挡料板的位置,提高了废水处理过程的可控性。

标签:
废水处理
山东 - 淄博 来源:中冶有色网 2023-03-19
对硝基苯甲酰氯的废水处理方法

本发明属于精细化工技术领域,具体涉及一种对硝基苯甲酰氯的废水处理方法。对硝基苯甲酰氯废水先经过活性炭处理,再加入丙酮进行超声处理;处理后的废水加入到反应釜中与对硝基苯甲酸、氯化亚砜和催化剂反应;反应后的溶液精馏,降温,过滤,即可。本发明通过将废液进行处理,可以回收部分产品,因此避免直接排放造成的环境污染,同时提高了产品的产量。

标签:
废水处理
山东 - 淄博 来源:中冶有色网 2023-03-19
处理含氰废水的二氧化硅/纳米二氧化钛/硅沸石复合材料及其应用

本发明属于废水处理技术领域,具体涉及一种处理含氰废水的二氧化硅/纳米二氧化钛/硅沸石复合材料及其应用。所述二氧化硅/纳米二氧化钛/硅沸石复合材料,其制备方法包括以下步骤:先将硅沸石与氢氧化钠溶液混合,加入孔结构调节剂,合成硅沸石凝胶,反应,过滤,洗涤,干燥,焙烧,得到硅沸石载体;再将硅沸石载体、纳米二氧化钛颗粒混合均匀,压成薄片,焙烧,硅胶浸泡,烘干,得到二氧化硅/纳米二氧化钛/硅沸石复合材料。本发明中游离氰及络合氰在纳米二氧化钛的催化作用下分解,变成无毒的物质,锌、铜重金属则被吸附到材料表面,实现了对含氰废水中氰的有效降解和对重金属离子的有效吸附。

标签:
废水处理
山东 - 淄博 来源:中冶有色网 2023-03-19
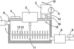
废水检测固液分离器
废水检测固液分离器 1150     
 0

本实用新型公开了一种废水检测固液分离器,包括外壳体和过滤网,所述外壳体右侧下端位置水平固定穿插设置有排水管,所述外壳体上端左侧位置垂直固定设置有支撑板,所述支撑板上水平穿插固定设置有软管,所述外壳体上端中心位置开设有槽体,所述槽体内部位置活动卡接设置有滚珠,所述槽体内部位置活动卡接设置有活动筒,所述软管右侧端位置固定安装设置有连接阀。本实用新型使用时废水通过软管注入,然后通过注入管注入过滤网内部位置,同时注入冲击力冲击延伸板,冲击力使得活动筒与过滤网转动,从而使得过滤网产生离心力,加速废水的过滤,从而有效提高废水的过滤处理效率,过滤后的废水通过排水管被排出,之后固体留在过滤网内部位置。

标签:
废水处理
山东 - 淄博 来源:中冶有色网 2023-03-19
含金属铁铬镍酸洗废水的处理再生利用装置

本实用新型公开了一种含金属铁铬镍酸洗废水的处理再生利用装置,属于废水处理领域,包括第一支撑板、第二支撑板和筒体,第一支撑板的表面对称固定安装有电磁铁,第二支撑板的表面对称设有滑孔,滑孔的内壁分别滑动安装有第一支撑柱、第二支撑柱,第一支撑柱、第二支撑柱均有筒体之间固定连接,第二支撑柱的表面固定安装有限位板,它通过电磁铁接通脉冲电流,从而间断性的对第一支撑柱进行吸附,在弹簧的配合下,使得筒体不断振荡,对铁铬镍酸洗废水进行充分混合,并在药剂的作用下,进行物质沉淀,通过螺纹杆的转动作用,使得过滤盘沿筒体内壁上移,不仅可对沉淀物进行提取,还可对筒体内壁的附着沉淀物进行刮除。

标签:
废水处理
山东 - 淄博 来源:中冶有色网 2023-03-19
高效去除废水中悬浮物及胶体处理装置

本实用新型涉及废水处理技术领域,具体涉及一种高效去除废水中悬浮物及胶体处理装置。该高效去除废水中悬浮物及胶体处理装置包括低聚物沉淀池,低聚物沉淀池连接有离心脱水机,离心脱水机连接有滤液罐;低聚物沉淀池通过出水管连接有气浮机,气浮机连接有水解酸化池及沉渣池,沉渣池连接离心脱水机,滤液罐连接气浮机,提供一种高效去除废水中悬浮物及胶体处理装置。

标签:
废水处理
山东 - 淄博 来源:中冶有色网 2023-03-19
上一页 30 31 32 33 34 ... 40 下一页
共40页    到第

中冶有色为您提供最新的山东淄博有色金属环境保护技术理论与应用信息,涵盖发明专利、权利要求、说明书、技术领域、背景技术、实用新型内容及具体实施方式等有色技术内容。打造最具专业性的有色金属技术理论与应用平台!

全国热门有色金属设备推荐
展开更多 +
全国热门有色金属技术推荐
展开更多 +

 

江西省隆恩特环保设备有限公司
宣传

报名参会
更多+

报告下载

有色专家
更多+

长沙矿冶研究院有限责任公司
中国工程院院士
矿冶科技集团有限公司
所长/研究员级高工
矿冶科技集团有限公司工程公司
副总经理
中冶沈勘秦皇岛工程技术有限公司
原矿山院院长/教授级高工
西安建筑科技大学
教授
赤泥综合利用研究报告2025
推广

热门技术
更多+

推荐企业
更多+

福建省金龙稀土股份有限公司
宣传

发布

在线客服

公众号

电话

顶部
咨询电话:
010-88793500-807