青岛垚鑫智能科技有限公司
宣传

位置:中冶有色 >

有色技术频道 >

> 加工技术

分类:
全部
矿山技术
冶金技术
材料制备及加工技术
环境保护技术
分析检测技术
 
全部
功能材料技术
复合材料技术
新能源材料技术
合金材料技术
加工技术
地区:
全部
北京
天津
上海
重庆
河北
山西
辽宁
吉林
黑龙江
江苏
浙江
安徽
福建
江西
山东
河南
湖北
湖南
广东
海南
四川
贵州
云南
陕西
甘肃
青海
内蒙
广西
西藏
宁夏
新疆
其他
其他
展开
 
全部
其他

其他有色金属加工技术理论与应用

免费发布技术信息>>
基于以硬碳作为负电极以及以活性碳和牺牲盐的混合物作为正电极的金属离子电容器

本发明涉及具有出色功率容量的金属离子电容器,其包括基于硬碳(HC)的负电极以及基于活性碳(AC)和牺牲盐组合的正电极,所述牺牲盐选自方酸盐、草酸盐、酮基丙二酸盐和二酮基琥珀酸盐或者其组合。将牺牲盐添加至正电极中的活性炭(AC)中作为金属离子源对HC进行预掺杂并且通过提供在硬碳上形成固体电解质界面(SEI)所需的金属离子来有效地补偿其高不可逆容量,从而允许在负极与正极之间1:1的更好质量平衡。有利地,该方法的优异性能不仅在锂离子电容器(LIC)中,而且在其他金属离子电容器如钠离子电容器和钾离子电容器中得到成功证明。

标签:
加工技术
其他 - 其他 来源:中冶有色网 2023-03-19
自动灭火装置
自动灭火装置 1074     
 0

提供一种自动灭火装置,其设置在汽车的锂电池上,能够在该电池过热和起火时进行灭火,即使在狭小的场所也能够使用。该自动灭火装置由袋构成,在该袋中,在由聚乙烯树脂构成的厚度为8mm的矩形框(2)内以一定间隔配置突部(4),在框(2)及突部(4)的上下覆盖以一定间隔形成多个在火灾时被火焰燎到而破裂的凹部(8)的聚乙烯制的膜(1)。在袋内封入电绝缘性高的灭火液和1.2MPa的氮气。

标签:
加工技术
其他 - 其他 来源:中冶有色网 2023-03-19
具有改性的表面活性的气相法二氧化硅

本申请涉及一种气相法二氧化硅粉末,其经选自有机硅烷、硅氮烷、无环聚硅氧烷、环状聚硅氧烷及其混合物的表面处理剂表面处理,其中所述粉末具有:a)至少0.85SiOH/nm2的相对于BET表面积的硅醇基团数dSiOH,通过与氢化铝锂反应来确定;b)甲醇‑水混合物中大于40%甲醇体积的甲醇润湿性;c)不大于200g/L的夯实密度。

标签:
加工技术
其他 - 其他 来源:中冶有色网 2023-03-19
Li/Na离子电池阳极材料

本发明涉及活性电极材料并涉及用于制造活性电极材料的方法。此类材料作为锂离子或钠离子电池中的活性电极材料是令人感兴趣的。本发明提供一种活性电极材料,其由通式[M1]x[M2](1‑x)[Nb]y[O]z表示,其中:M1和M2是不同的;M1表示Ti、Mg、V、Cr、W、Zr、Mo、Cu、Fe、Ga、Ge、Ca、K、Ni、Co、Al、Sn、Mn、Ce、Te、Se、Si、Sb、Y、La、Hf、Ta、Re、Zn、In或Cd中的一种或多种;M2表示Mg、V、Cr、W、Zr、Mo、Cu、Ga、Ge、Ca、K、Ni、Co、Al、Sn、Mn、Ce、Sb、Y、La、Hf、Ta、Zn、In或Cd中的一种或多种;并且其中x满足0<x<0.5;y满足0.5≤y≤49;z满足4≤z≤124。

标签:
加工技术
其他 - 其他 来源:中冶有色网 2023-03-19
制备各种金属的氢氧化物和氧化物以及其衍生物的方法

提供了用于制备金属氢氧化物或金属氧化物的方法,所述金属氢氧化物或金属氧化物包括(i)至少一种选自镍和钴的金属和任选地(ii)至少一种选自锰、锂和铝的金属。用于制备金属氢氧化物的方法可以包括:使金属硫酸盐与氢氧化物(例如LiOH)和任选地螯合剂反应以获得包括所述金属氢氧化物的固体和包括硫酸盐(例如Li2SO4)的液体;使所述包括硫酸盐的液体经受电膜工艺,以将所述硫酸盐转化为氢氧化物(例如LiOH);以及再利用通过所述电膜工艺获得的氢氧化物的至少一部分。用于制备金属氧化物的方法可以包括使通过所述电膜工艺获得的氢氧化物与所述金属氢氧化物反应以获得金属氢氧化物混合物并焙烧所述混合物以获得所述金属氧化物。

标签:
加工技术
其他 - 其他 来源:中冶有色网 2023-03-19
用于非水电解质可充电电池的负极活性材料及其制备方法和包含其的非水电解质可充电电池

本发明提供了用于非水电解质可充电电池的负极活性材料及其制造方法和包含此负极活性材料的非水电解质可充电电池,更具体地说,提供了一种用于非水电解质可充电电池的负极活性材料,所述负极活性材料包含氧化硅复合物,所述氧化硅复合物能够降低不可逆特性以及提高非水电解质可充电电池的结构稳定性,所述氧化硅复合物包括硅树脂,由通式SiOx(0<x<2)表示的氧化硅,和包含硅树脂和M(M是选自由镁,锂,钠,钾,钙,锶,钡,钛,锆,硼和铝组成的组中的任一元素)的氧化物,一种制备该负极活性材料的方法和一种包含此负极活性材料的非水电解质可充电电池。

标签:
加工技术
其他 - 其他 来源:中冶有色网 2023-03-19
三碘硅烷的制备
三碘硅烷的制备 924     
 0

本发明提供一种利用呈粉末形式的碘化锂且通过叔胺催化,由三氯硅烷制备某些硅烷前体化合物,例如三碘硅烷的方法。所述方法以高产率和高纯度提供三碘硅烷。三碘硅烷是可用于将硅原子层沉积到各种微电子装置结构上的前体化合物。

标签:
加工技术
其他 - 其他 来源:中冶有色网 2023-03-19
电声谐振器以及包括电声谐振器的RF滤波器

提供了一种电声谐振器(EAR),其实现了具有大带宽的RF滤波器。谐振器包括压电材料(PM)以及该压电材料上的电极结构(ES、EF)。压电材料是铌酸锂,并且具有晶体切口,该晶体切口由欧拉角(0°,80°至88°,0°)限定。

标签:
加工技术
其他 - 其他 来源:中冶有色网 2023-03-19
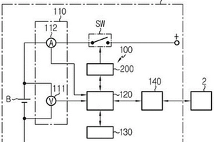
用于确定电池的劣化状态的装置和方法、电池组以及电动车辆

用于确定电池的劣化状态的装置包括被配置为输出指示电池的电压和电流的感测信息的感测单元和控制单元。控制单元基于感测信息确定测量Q‑dV/dQ曲线和电池的劣化比率。测量Q‑dV/dQ曲线示出了电池的电压变化和电池的剩余容量变化的比率与电池的剩余容量之间的关系。控制单元从测量Q‑dV/dQ曲线检测多个特征点。控制单元基于劣化比率、多个特征点、预定正极Q‑dV/dQ曲线和预定负极Q‑dV/dQ曲线来确定电池的正极劣化比率、负极劣化比率和锂离子损失比率。

标签:
加工技术
其他 - 其他 来源:中冶有色网 2023-03-19
用作电极的具有分层结构的大面积铜纳米泡沫

一种简便方法基于使用大面积铜箔代替铜粉末的包埋渗工艺。通过控制包埋渗时间和合金元素(例如,铝)的量,能够产生分层多微孔或纳米多孔铜。当用锡活性材料涂布时,所述分层多微孔或纳米多孔铜能够被用作先进锂离子电池负极。纽扣电池测试显示出如与传统石墨负极比较高四倍的面积容量(例如,每平方厘米7.4毫安时,在多达20次循环情况下没有任何性能降级)。

标签:
加工技术
其他 - 其他 来源:中冶有色网 2023-03-19
水系二次电池用负极活性物质、水系二次电池用负极及水系二次电池

水系二次电池用负极活性物质,其适用于使用包含水及锂盐的水系电解液的水系二次电池,前述负极活性物质包含石墨,前述石墨在其表面具有C‑F键合基团,前述石墨的利用X射线光电子能谱测定得到的XPS谱中,将源自C‑F键的688eV附近的峰强度设为I688eV、源自C‑C键的284eV附近的峰强度设为I284eV时,前述峰强度I688eV相对于前述峰强度I284eV的比(I688eV/I284eV值)为0.1以上且7以下,BET比表面积为0.5m2/g以上且3.9m2/g以下。

标签:
加工技术
其他 - 其他 来源:中冶有色网 2023-03-19
在微电子学中用于接合异种材料的技术

提供了在微电子学中用于接合异种材料的技术。示例技术使用厚度介于100纳米至1000纳米之间的薄氧化物、碳化物、氮化物、碳氮化物或氧氮化物中间物,在环境室温下直接键合异种材料。中间物可以包括硅。异种材料可能具有显著不同的热膨胀系数(CTE)和/或显著不同的晶格晶胞几何形状或尺寸,常规上讲会导致应变过大以使得直接键合不可行。在直接键合异种材料之后,环境室温下的固化时段允许直接键合增强200%以上。以每分钟1℃或更低的温度增加速率缓慢施加的相对低温的退火会进一步增强和巩固直接键合。示例技术可以在各种新型光学器件和声学器件的制作过程中将钽酸锂LiTaO3直接键合到各种传统衬底。

标签:
加工技术
其他 - 其他 来源:中冶有色网 2023-03-19
导电浆组成物及使用导电浆组成物的物件

本发明涉及一种导电浆组成物,其藉由并入LiAlO2(铝酸锂)使所形成的电极对于半导体基材具增强的附着强度。本发明又涉及由导电浆组成物形成的电极及包含所制得的电极的半导体,特别是太阳能电池。

标签:
加工技术
其他 - 其他 来源:中冶有色网 2023-03-19
具有增强的枝晶形成抗性的电池

一种电池,包括具有馈通端口的壳体、设置在馈通端口中的馈通组件、以及设置在壳体内的电池堆叠体。馈通端口包括内导体和将内导体与壳体分开的绝缘芯。电池堆叠体包括阳极、阴极和使阳极与阴极绝缘的隔板,其中阳极和阴极彼此偏移。包围电池堆叠体的绝缘罩将电池堆叠体与壳体绝缘。绝缘罩具有开口,该开口构造成在其中接收馈通组件,该馈通组件可以包括包覆成型的绝缘体。电池壳体的内表面和内壁可以用介电材料热喷涂,以防止阴极和阳极表面之间形成锂枝晶。

标签:
加工技术
其他 - 其他 来源:中冶有色网 2023-03-19
热压工具及其操作方法、以及对应的设备和制造方法

用于安装在挤压机上的热压工具包括:‑配有附接至第一压板(12)的第一装置(29;60)的第一工具部分(2),‑配有附接至第二压板(10)的第二装置(13,14;60)的第二工具部分(3),这两工具部分能在远离位置与限定挤压腔室(300)的靠近位置间彼此移动,‑加热挤压腔室的内部容积的装置(5),‑第一和第二工具部分还分别配有能对挤压腔室中接纳的待挤压物体相反两表面施加挤压力的第一和第二挤压构件(28,38)。根据发明,加热装置是光辐射加热装置(5)且工具还包括能使辐射能向该物体聚集的聚光装置(26,28,46)。这样光辐射导向整个待挤压物体而相反该辐射中没有大量传到物体侧边缘外。该工具的优选但非排他用途是生产全固态锂离子电池。

标签:
加工技术
其他 - 其他 来源:中冶有色网 2023-03-19
正极材料和使用它的电池

本公开提供使充放电效率提高的正极材料和使用它的电池。正极材料含有正极活性物质和第1固体电解质材料,所述第1固体电解质材料含有Li、M和X,并且不含硫,M表示选自Li以外的金属元素和准金属元素中的至少一者,X表示选自Cl和Br中的至少一者和I,所述正极活性物质含有磷酸铁锂。

标签:
加工技术
其他 - 其他 来源:中冶有色网 2023-03-19
具有稳定负电极界面的全固态电池

本公开提供一种长期稳定地保持固体电解质层和负电极之间的界面的全固态电池。具体而言,在固体电解质层和负电极之间的界面可以被长期稳定地保持,是通过使用锂金属作为负电极材料并且在固体电解质层和负电极之间设置牺牲层以使得负电极和牺牲层可形成合金。

标签:
加工技术
其他 - 其他 来源:中冶有色网 2023-03-19
稀土永磁材料以及稀土永磁材料的制造方法

本发明涉及稀土永磁材料以及稀土永磁材料的制造方法。所述稀土永磁材料,其为具有主相和晶界相的稀土永磁材料,所述主相的Nd、Fe、B、M的组成比如下述式(1)所示,式(1)中,M为选自钴、铍、锂、铝、硅中的任意的元素,x满足0.01≦x≦0.25,进而,所述稀土永磁材料的TRE、B、Fe的组成比如下述所示,2.33≦(TRE/B)≦2.48、且13.18≦(Fe/B)≦13.52,其中,TRE表示包含Nd的稀土元素,值表示原子%比。

标签:
加工技术
其他 - 其他 来源:中冶有色网 2023-03-19
用于具有带排水通道的接线区组件的电池模块的系统和方法

本公开总体涉及电池和电池模块领域,并且更具体地涉及用于生产锂离子电池模块的端子组件的系统和方法。本公开的电池模块包括接线区组件,该接线区组件固定到电池模块的聚合物外壳。接线区组件包括接线柱,该接线柱具有柱部分以及从该柱部分的中轴线向外延伸的基座部分。接线区组件还包括汇流条,该汇流条无焊接地耦接到接线柱的基座部分,其中汇流条包括在接线柱附近设置的槽。接线区组件还包括聚合物部分,该聚合物部分至少包覆模制汇流条的槽从而在接线柱附近形成排水通道。

标签:
加工技术
其他 - 其他 来源:中冶有色网 2023-03-19
通过阴离子溶液聚合来生产改性橡胶的方法、包含所述橡胶的橡胶组合物及其用途

本发明涉及用于生产橡胶的方法,所述方法在有机锂N,N‑二取代氨基甲基苯乙烯低聚物引发剂、特定N,N‑二取代氨基甲基苯乙烯单体和通式(CH3)2Hal2Si的末端官能化试剂的存在下,通过共轭二烯和/或乙烯基芳族化合物在有机溶剂中的阴离子溶液(共)聚合来进行,其中Hal为卤素原子。本发明还涉及通过所述方法生产的基于共轭二烯和/或乙烯基芳族化合物的(共)聚合物的橡胶,以及涉及包含这样的橡胶的橡胶组合物。本发明的橡胶组合物在汽车轮胎胎面的制造中是有用的。

标签:
加工技术
其他 - 其他 来源:中冶有色网 2023-03-19
含碳材料及其使用方法
含碳材料及其使用方法 1008     
 0

本公开涉及包含至少两种不同含碳组分的组合物,至少一种为表面改性的含碳微粒材料,其通常具有较高的回弹,并且至少一种其它组分为含碳微粒材料(如石墨),其通常具有比表面改性的含碳材料组分更低的回弹和/或更高的BET比表面积。考虑到其有益的电化学特性,特别是在机动车和能量储存应用中的有益电化学特性,这种组合物特别适用于制造锂离子电池等的负极。本公开还涉及低回弹含碳微粒材料作为含碳组合物中的添加剂的用途,其中所述组合物被用来制备Li离子电池的阳极,以便与阳极不含有含碳添加剂的电池相比增加所述电池的电极密度、电池容量和/或循环稳定性,同时保持电池的功率密度。

标签:
加工技术
其他 - 其他 来源:中冶有色网 2023-03-19
树脂材料、乙烯树脂制袋、多晶硅棒、多晶硅块

在本发明中,制造多晶硅时,一直使用下述的杂质表面浓度的树脂材料。以1重量%的硝酸水溶液作为提取液利用ICP质谱分析法进行定量分析而得到的值是:磷(P)浓度为50pptw以下,砷(As)浓度为2pptw以下,硼(B)浓度为20pptw以下,铝(Al)浓度为10pptw以下,铁(Fe)、铬(Cr)、镍(Ni)、铜(Cu)、钠(Na)、锌(Zn)这6种元素的合计为80pptw以下,锂(Li)、钾(K)、钙(Ca)、钛(Ti)、锰(Mn)、钴(Co)、钼(Mo)、锡(Sn)、钨(W)、铅(Pb)这10种元素的合计为100pptw以下。

标签:
加工技术
其他 - 其他 来源:中冶有色网 2023-03-19
电池用隔膜及其制造方法

本发明提供电池用隔膜,其包含具有耐热性的多孔层和聚烯烃微多孔膜,所述电池用隔膜制成卷绕体时的卷绕密度高,适用于体积能量密度高的锂离子二次电池。电池用隔膜,其特征在于,在宽度方向上的F25值的变动幅度为1MPa以下且宽度为100mm以上的聚烯烃微多孔膜的至少一个面上,层叠有包含水溶性树脂或水分散性树脂、和板状无机粒子的多孔层,上述板状无机粒子在上述多孔层的整体厚度方向上大致平行。(其中,F25值表示使用拉伸试验机使试验片伸长25%时的负荷值除以试验片的截面积而得到的值)。

标签:
加工技术
其他 - 其他 来源:中冶有色网 2023-03-19
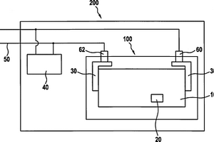
具有集成在蓄电池单元壳体中的温度传感器的蓄电池单元

本发明涉及一种锂离子蓄电池单元,所述蓄电池单元包括壳体(70)和温度传感器(20),在壳体内安置有电极装置(10),温度传感器安置在壳体(70)的内部,其中,温度传感器(20)具有电热振荡器,所述电热振荡器将温度转化成频率。本发明此外还涉及一种具有按照本发明的蓄电池单元(100)的车辆。

标签:
加工技术
其他 - 其他 来源:中冶有色网 2023-03-19
氧化物涂覆的xLi2MnO3·(1-x)LiNiyCozMn1-y-zO2核-壳结构的阴极材料

本发明涉及一种新型核-壳结构阴极材料,其能够提高锂离子电池的电化学性能。

标签:
加工技术
其他 - 其他 来源:中冶有色网 2023-03-19
1-三唑-2-丁醇衍生物的制造方法

本发明的目的在于提供一种通过胺对环氧三唑的开环加成反应不使用大量过量的4‑亚甲基哌啶在温和的条件下就能以高收率制造式1的化合物的方法。该方法为制造(2R,3R)‑2‑(2,4‑二氟苯基)‑3‑(4‑亚甲基哌啶‑1‑基)‑1‑(1H‑1,2,4‑三唑‑1‑基)丁烷‑2‑醇或者其酸加成盐的方法,所述方法包括在选自锂、钠、钙以及锶中的碱金属或者碱土类金属的氢氧化物或者其水合物的存在下,在反应溶剂中使(2R,3S)‑2‑(2,4‑二氟苯基)‑3‑甲基‑2‑[(1H‑1,2,4‑三唑‑1‑基)甲基]环氧乙烷与4‑亚甲基哌啶酸加成盐进行反应。

标签:
加工技术
其他 - 其他 来源:中冶有色网 2023-03-19
聚合物的制造方法
聚合物的制造方法 1200     
 0

本发明涉及一种聚合物的制造方法,该制造方法依次进行聚合工序和所述聚合工序之后的下述(1)~(4)的工序,所述聚合工序中,在烃溶剂中,以有机锂化合物作为聚合引发剂,至少使共轭二烯单体聚合,得到聚合物,所述(1)~(4)的工序如下:(1)相对于100质量份包含上述聚合物的溶液,混合酸和20质量份~300质量份的水的工序;(2)相对于100质量份包含上述聚合物的溶液,使水为10质量份以下的工序;(3)在包含上述聚合物的溶液中添加二氧化碳和/或进行脱二氧化碳的化合物的工序;(4)对包含上述聚合物的溶液进行去溶剂直至聚合物的浓度达到95质量%以上的工序。

标签:
加工技术
其他 - 其他 来源:中冶有色网 2023-03-19
非水电解液二次电池、其制造方法及评价方法

本发明涉及的非水电解液二次电池具备正极、负极和非水电解液。负极具备来自二草酸硼酸锂的被膜。而且,将利用XAFS法测定时的由被膜的3配位结构产生的峰强度设为α,将利用XAFS法测定时的由被膜的4配位结构产生的峰强度设为β时,在负极表面形成的被膜满足α/(α+β)≥0.4的条件。由此,可提供能够可靠地呈现由形成被膜所产生的效果的非水电解液二次电池。

标签:
加工技术
其他 - 其他 来源:中冶有色网 2023-03-19
用于制备1‑(3, 5‑二氯‑4‑氟‑苯基)‑2, 2, 2‑三氟‑乙酮的方法

本发明涉及一种用于制备具有化学式I的化合物的方法该方法包括a)使具有化学式II的化合物在镁或具有化学式III的有机金属试剂的存在下R1‑M2X(III),其中R1是C1‑C4烷基;M2是Li或Mg并且X是卤素或不存在;与具有化学式IV的化合物进行反应CF3‑C(O)‑R2(IV),其中R2是卤素、羟基、C1‑C4烷氧基、(二‑C1‑C4烷基)氨基、OC(O)CF3、苯氧基或OM1;其中M1是锂、镁、钠或钾;成为具有化学式V的化合物,以及b)在催化量的相转移催化剂的存在下,在极性溶剂的存在下,使具有化学式V的化合物与碱金属氟化物进行反应成为具有化学式I的化合物。

标签:
加工技术
其他 - 其他 来源:中冶有色网 2023-03-19
装置、二次电池、制造方法及电子设备

本发明涉及一种装置、二次电池、制造方法及电子设备,提供一种具有稳定的充电特性及寿命特性的锂离子二次电池。如果通过在最后完成二次电池前在大量的电解液中预先对正极进行电化学反应而可以得到稳定的正极,使用该正极完成二次电池,则可以制造可靠性高的二次电池。进而,如果关于负极也同样地通过在大量的电解液中预先对负极进行电化学反应而完成二次电池,则可以制造可靠性高的二次电池。

标签:
加工技术
其他 - 其他 来源:中冶有色网 2023-03-19
上一页 24 25 26 27 28 ... 436 下一页
共436页    到第

中冶有色为您提供最新的其他有色金属加工技术理论与应用信息,涵盖发明专利、权利要求、说明书、技术领域、背景技术、实用新型内容及具体实施方式等有色技术内容。打造最具专业性的有色金属技术理论与应用平台!

全国热门有色金属设备推荐
展开更多 +
全国热门有色金属技术推荐
展开更多 +

 

江西省隆恩特环保设备有限公司
宣传

报名参会
更多+

报告下载

有色专家
更多+

长春黄金研究院有限公司
总经理
湖南科技大学
所长/教授
重庆大学
副院长/教授
长沙矿冶院检测技术有限责任公司
总经理
中科院过程工程研究所循环经济技术中心
主任
赤泥综合利用研究报告2025
推广

热门技术
更多+

推荐企业
更多+

福建省金龙稀土股份有限公司
宣传

发布

在线客服

公众号

电话

顶部
咨询电话:
010-88793500-807