青岛垚鑫智能科技有限公司
宣传

位置:中冶有色 >

有色技术频道 >

> 加工技术

分类:
全部
矿山技术
冶金技术
材料制备及加工技术
环境保护技术
分析检测技术
 
全部
功能材料技术
复合材料技术
新能源材料技术
合金材料技术
加工技术
地区:
全部
北京
天津
上海
重庆
河北
山西
辽宁
吉林
黑龙江
江苏
浙江
安徽
福建
江西
山东
河南
湖北
湖南
广东
海南
四川
贵州
云南
陕西
甘肃
青海
内蒙
广西
西藏
宁夏
新疆
其他
其他
展开
 
全部
广州
韶关
深圳
珠海
汕头
佛山
江门
湛江
茂名
肇庆
惠州
梅州
汕尾
河源
阳江
清远
东莞
中山
潮州
揭阳
云浮

广东东莞有色金属加工技术理论与应用

免费发布技术信息>>
锂电池热管理单元及锂电池热管理系统

本实用新型公开了一种锂电池热管理单元,用于实现锂电池的散热,包括:散热部和热管,散热部用于吸收锂电池产生的热量,所述散热部由相变材料制得;热管具有相连通的蒸发端和冷凝端,所述热管的蒸发端插入所述散热部内。在该锂电池热管理单元,散热部由相变材料制得,其与电池直接接触并吸收电池产生的热量,而热管的蒸发端插入到散热部并吸收散热部储存的热量,热管的蒸发端吸收散热部的热量并通过冷凝端将热量导出。对锂电池具有良好的散热效果,可对锂电池进行热管理,具有良好的温度控制、较强的热稳定性,在汽车上提高锂电池的性能。本实用新型还公开一种锂电池热管理系统。

标签:
加工技术
广东 - 东莞 来源:中冶有色网 2023-03-18
锂电池顶盖和锂电池
锂电池顶盖和锂电池 777     
 0

本实用新型涉及电池领域,具体而言,涉及一种锂电池顶盖和锂电池;该锂电池顶盖包括顶盖本体和凸包,顶盖本体具有朝向壳体内部的第一面和朝向壳体外部的第二面,顶盖本体开设有注液孔,凸包与第一面连接,且凸包具有与注液孔连通的空腔;其中,凸包背离第一面的一侧设置有第一配合面和第二配合面,第一配合面与第一面之间的间距小于第二配合面与第一面之间的间距;当锂电池的极耳与第二配合面接触时,第二配合面能够阻挡极耳与第一配合面接触,以使极耳与凸包之间形成间隙,以防止注液孔被极耳堵塞。设置有该锂电池顶盖的锂电池能够在进行气密性检测时,避免锂电池的极耳堵塞锂电池顶盖的注液孔,进而确保气密性检测的准确性,以提高检测效率。

标签:
加工技术
广东 - 东莞 来源:中冶有色网 2023-03-18
锂电池自动组立机和锂电池自动组立方法

本发明公开了一种锂电池自动组立机和锂电池自动组立方法,锂电池自动组立机包括束模圆盘、下铝壳装置、放料圆盘和束腰封口机,所述束模圆盘上设有至少四个束模工位,其分别包括第一工位、第二工位、第三工位和第四工位,所述四个束模工位可随束模圆盘往复旋转;所述下铝壳装置设于所述第一工位的上方,所述下铝壳装置用于将铝壳打入所述第一工位;所述放料圆盘设于所述第二工位的上方,其用于将芯包放入第二工位中的铝壳内;所述束腰封口机包括束腰轮和封口针,所述束腰轮设于所述第三工位的上方,所述封口针设于第四工位的上方。实现了流水线和自动化作业,大幅度提高了生产效率,降低了出错率,提高了生产良率,降低生产成本。

标签:
加工技术
广东 - 东莞 来源:中冶有色网 2023-03-18
锂离子电池电芯及锂离子电池

本实用新型公开了一种锂离子电池电芯,包括阴极极片、阳极极片和隔离膜,阴极极片和阳极极片通过隔离膜隔离,阴极极片、阳极极片和隔离膜重复卷绕,阴极极片包括铝箔和阴极极片涂层,阴极极片涂层间歇涂抹在铝箔表面,没有涂抹阴极极片涂层的铝箔的表面设置有T形阴极极耳;阳极极片包括铜箔和阳极极片涂层,阳极极片涂层间歇涂抹在铜箔表面,没有涂抹阳极极片涂层的铜箔的表面设置有T形阳极极耳。本实用新型通过改进极耳结构,得到一种降低电芯内阻,提高大倍率放电性能,同时兼顾能量密度的锂离子电池电芯。同时本实用新型还公开了一种应用上述锂离子电池电芯的锂离子电池。

标签:
加工技术
广东 - 东莞 来源:中冶有色网 2023-03-18
锂电池极柱及锂电池
锂电池极柱及锂电池 893     
 0

本实用新型公开了一种锂电池极柱及锂电池,包括极柱本体,所述极柱本体包括连接座和连接柱,所述连接座开设有阶梯孔,所述阶梯孔的小孔端设有内螺纹,所述连接柱从上到下包括外露部、紧位部和挂扣部,所述连接柱从上到下直径依次增加,所述紧位部设有外螺纹,所述紧位部的外螺纹与连接座阶梯孔的内螺纹旋转固定,所述挂扣部设于连接座阶梯孔的大孔内且挂扣部直径大于阶梯孔的小孔直径。本实用新型提供的锂电池极柱,品质稳定且结构牢固。

标签:
加工技术
广东 - 东莞 来源:中冶有色网 2023-03-18
锂电池组装连接板和一种抗震动的电动车用锂电池

本实用新型涉及电动车用锂电池技术领域,特别涉及一种锂电池组装连接板和一种抗震动的电动车用锂电池,通过在连接板上设置极耳孔和焊盘,组装时将电池芯片的极耳插入到连接板上的极耳孔,然后弯折焊接至焊盘上,不用逐一与导线焊接,加工过程简单易行,有效避免了极性放反、短路、折断极耳等事故的发生,提供了生产过程的良率,同时,极耳被插接于极耳孔后在焊接至焊盘上,极耳不易折断或者脱落,且连接板对电池组合件还起到类似支撑板的功能,可进一步防止电池组因震动导致个别电池芯片移位等情况的发生,从而有效提高了电池组的抗震强度,能够有效防止电动车震动导致故障。

标签:
加工技术
广东 - 东莞 来源:中冶有色网 2023-03-18
动力型锂电池盖板组件以及包含该盖板组件的锂电池

本实用新型公开一种动力型锂电池盖板组件,包括盖板以及其上设置的正极极柱和负极极柱,两极柱之间设置安全阀,安全阀可拆卸安装在盖板上,安全阀包括阀体,阀体与盖板的连接处设置安全阀密封胶垫,阀体内设置沿阀体轴线贯通设置的进气通道和容纳通道,容纳通道内并位于进气通道处设置用于封闭进气通道的绝缘的封板,封板通过弹性件可沿容纳通道的轴线移动的压合在进气通道与容纳通道的连接处,阀体上设置与容纳通道连通的排气孔。通过在盖板上可拆卸设置安全阀,在安全阀内设置带有贯通设置的进气通道和容纳通道,可以使安全阀的泄压孔的尺寸增大,为锂电池提供更大的泄压速度,同时还能提高生产上电芯烘烤效率。

标签:
加工技术
广东 - 东莞 来源:中冶有色网 2023-03-18
可均匀出胶并对余胶进行清理的软包锂电芯侧边封胶装置

本发明公开了一种可均匀出胶并对余胶进行清理的软包锂电芯侧边封胶装置,包括操作台,水平放置在加工车间的地面上,输送带,转动设置在所述操作台上表面中间位置,固化箱,固定安装在所述操作台上表面左侧位置,翻转机构,安装在所述翻转板左右两侧,上料罐,固定安装在所述条形安装板上方。该可均匀出胶并对余胶进行清理的软包锂电芯侧边封胶装置,采用新型的结构设计,在装置上料罐内部增加搅拌杆和过滤网,防止长时间使用后出现堵塞出胶不均匀的情况,并且在操作台内侧设置倾斜挡板,可以在下模具经过时利用其前端安装的刮刀将余胶刮下,同时在面对规则形状电芯时可以更换成传统的贴胶条方式进行封胶,提高工作效率和节省材料。

标签:
加工技术
广东 - 东莞 来源:中冶有色网 2023-03-18
锂电池富锂锰基正极材料纳米粉体的制备方法

本发明提供了一种锂电池富锂锰基正极材料纳米粉体的制备方法,其特征在于制备步骤如下:a、制备有机相;b、水相的制备;c、取代反应与晶体的生成;将水相和有机相按(1-3):1的体积比引入高压反应釜中,在磁力搅拌下,将温度加热至180~250℃,反应10~120分钟后停止加热,继续磁力搅拌直至反应降到室温;d、产品处理;反应结束后,通过离心泵将固液分离,将有机相回收再利用,固体用无水乙醇及去离子水洗涤三到四次,在65-100℃下干燥1~6h,即可获得锂电池富锂锰基正极材料纳米粉体。本发明的制备方法通过使用有机萃取剂可以对混合金属离子进行提纯,降低对金属盐纯度的要求,反应结束后,有机萃取剂可以回收再利用,减少了化工品的消耗,同时也无环境污染问题。

标签:
加工技术
广东 - 东莞 来源:中冶有色网 2023-03-18
锂离子电池注液方法及锂离子电池

本发明属于锂离子电池技术领域,尤其涉及一种锂离子电池注液方法,包括以下操作:将烘烤后的电池放到注液设备中;先对所述注液设备抽真空,再对所述电池内部抽真空;将电解液注入到所述电池内,密封;用电池夹具夹住所述电池,保证所述电池夹具与所述电池接触良好;所述电池夹具带动所述电池翻转,使所述电解液浸润极片和隔膜。本发明提供的锂离子电池注液方法,通过提前对电池夹具加热,用电池夹具夹住注液后的电池进行翻转,使电解液的黏度下降、流动性增强,有利于浸润的进行,提高了电解液对极片以及隔膜的浸润效率。采用本发明的方法可使电解液尽快地浸润电池,将静置时间缩短到常温4小时以内,相对于现有技术节约了20小时。

标签:
加工技术
广东 - 东莞 来源:中冶有色网 2023-03-18
锂电池正极片材料的制备方法及锂电池

本发明公开了一种锂电池正极片材料的制备方法及锂电池。制备方法通过将固体的导电剂和正极活性物质都分别配置成悬浊液,然后再将将导电剂悬浊液与正极活性物质悬浊液混合真空搅拌以形成正极片材料混合液体。通过上述方式,本发明能够使导电剂充分分散到正极活性物质中,并且还能极大缩短制备正极片材料的时间且能够提高锂电池容量。

标签:
加工技术
广东 - 东莞 来源:中冶有色网 2023-03-18
圆柱形锂离子电芯及应用其制作的锂离子电池组

本实用新型公开了一种圆柱形锂离子电芯及应用其制作的锂离子电池组,该圆柱形锂离子电芯的高度与直径之比为7~25;由该圆柱形单体电芯通过串联或/和并联的方式组合成锂离子电池组。本实用新型采用提高单体圆柱形电芯的容量,从而减少并联次数,使得焊点数大为减少,提高了电池组整体的生产效率和合格率。

标签:
加工技术
广东 - 东莞 来源:中冶有色网 2023-03-18
金属锂带及其制备方法及使用该金属锂带的储能器件

本发明属于金属锂技术领域,特别涉及一种金属锂带:包括基材以及附着在基材上的金属锂层;该金属锂层的厚度小于或等于100μm,且其与基材之间还设置有润滑层;在润滑层作用下,基材与金属锂层之间的剥离力F的范围为:0.01N/8mm≤F≤80N/8mm。其制备方法包括基材处理与锂带制备两个步骤。本发明的金属锂带可以非常容易的将金属锂层与基材分离,得到自支撑的金属锂带。

标签:
加工技术
广东 - 东莞 来源:中冶有色网 2023-03-18
锂离子电池电解液及使用该电解液的锂离子电池

本发明涉及锂离子电池技术领域,具体涉及一种高电压快充锂离子电池电解液及使用该电解液的锂离子电池;该电解液包括锂盐、非水性有机溶剂和添加剂,所述添加剂包括氟代碳酸乙烯酯、腈类化合物和具有式Ⅰ所示结构的化合物;其中,式Ⅰ中的R1、R2、R3、R4、R5分别独立地选自氢、酰胺基、碳原子数为1~3的烷基或烷氧基,且R1、R2、R3、R4、R5中至少含有一个酰胺基。与现有技术相比,本发明通过氟代碳酸乙烯酯、腈类化合物以及具有式Ⅰ所示结构的酰胺吡啶类化合物所产生的协同效应,使得该锂离子电池电解液在高电压条件下,不仅浸润效果优良、快充性能优异,且兼具循环寿命长和高温存储膨胀率低的综合性能。

标签:
加工技术
广东 - 东莞 来源:中冶有色网 2023-03-18
锂二次电池电解液及其制备方法以及锂二次电池

本发明公开了一种锂二次电池电解液及其制备方法以及锂二次电池,锂二次电池电解液包括非水有机溶剂、电解质锂盐和添加剂,非水有机溶剂包括碳酸酯和羧酸酯,所述电解液还包括氟烷基硼酸酯:其结构通式为:(R1O)B(OR2)(OR3);其中R1、R2和R3是碳原子数为1~10的烷基或含氟烷基。氟烷基硼酸酯具有良好的耐氧化能力、表面活性性能和成膜性能,在电解液中添加适量的氟烷基硼酸酯,有利于改善锂二次电池的注液加工性、循环性能和耐高压性能。

标签:
加工技术
广东 - 东莞 来源:中冶有色网 2023-03-18
锂离子电池卷芯结构电芯及其锂离子电池

一种锂离子电池卷芯结构电芯及锂离子电池,包括正、负极主极耳及正、负极片,所述的正极片是铝箔,铝箔的两侧表面覆盖有氧化锰锂材料层,所述负极片是铜箔,其两侧表面覆盖有硅基合金材料层,其特征在于:所述的正极片边缘连接有一个正极主极耳,设置在正极片的头部,另一端为正极副极耳,位于正极片的尾部;所述的负极片边缘连接有一个负极主极耳,位于负极片的头部,另一端为负极副极耳,位于负极片的尾部;在正、负极片之间夹持有凝胶电解层,将正、负极片和凝胶电解层卷绕后构成电芯。设置在正、负极片上的氧化锰锂材料层、硅基合金材料层可提高电池的充放电效率。

标签:
加工技术
广东 - 东莞 来源:中冶有色网 2023-03-18
锂电池正极材料及其制备方法与包含该正极材料的锂电池

本发明公开了一种锂电池正极材料及其制备方法与包含该正极材料的锂电池。本发明先利用在活性材料表面包覆多孔碳层,后将多孔碳包覆活性材料与液体金属有机物混合,固液混合的方式,使得液体金属有机物能够均匀地包裹在多孔碳包覆活性材料表面,再通过金属液体有机物与水蒸气反应,经高温烧结、脱水使得生成的Al2O3原位沉积在多孔碳层的孔洞及碳层上,并且Al2O3能稳定地“钉”在多孔碳层表面,从而达到更好的包覆效果,并且可以使得活性物质和电解液隔开,减少正极材料与电解液的副反应,同时,中间的多孔碳层增强了正极材料的导电性,有效提高了电池的首次库伦效率、循环性能和倍率性能。

标签:
加工技术
广东 - 东莞 来源:中冶有色网 2023-03-18
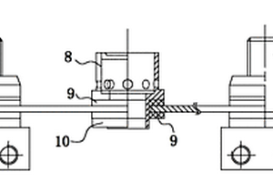
锂电池侧封封头以及锂电池

本实用新型公开了一种锂电池侧封封头以及锂电池,该锂电池侧封封头,包括:上封头,包括第一工作部,所述第一工作部设置有第一工作面以及与所述第一工作面垂直的第一平面,所述第一平面上设置有与所述第一工作面交汇的第一凸起;下封头,包括第二工作部,所述第二工作部设置有第二工作面以及与所述第二工作面垂直的第二平面,所述第二工作面与所述第一工作面相对设置,所述第二平面上设置有与所述第一凸起对应的第二凸起,所述第一凸起与所述第二凸起用于衔接顶封与侧封的重叠处,以使电池侧封后所述重叠处无尖角;有效的防止直线型的侧封封头在侧封后在重叠处形成尖角,从而避免电池的尖角处经多次折弯后破裂,导致电池漏液,进而提高电池品质。

标签:
加工技术
广东 - 东莞 来源:中冶有色网 2023-03-18
锂离子电池富锂锰层状正极材料及其制备方法

本发明属于电化学材料技术领域,具体涉及一种锂离子电池用富锂锰层状正极材料,其分子式为:xLi2Mn1‑y‑zSnyRuzO3·(1‑x)LiNi0.4Mn0.4Co0.2O2,其中,0< x< 1,0.1< y< 0.5,0.1< z< 0.5。相对于现有技术,本发明制备的锂离子电池用富锂锰层状正极材料比容量高、首次充放电效率高、结构稳定,电压衰降小,具有很好的应用发展前景。

标签:
加工技术
广东 - 东莞 来源:中冶有色网 2023-03-18
微型柱式锂离子电池密封结构和微型柱式锂离子电池

本实用新型公开了一种微型柱式锂离子电池密封结构,涉及电池结构的技术领域。包括:具有底面以及环绕底面边缘延伸的侧壁的壳体,与壳体的顶面连接的上盖;壳体的顶面敞开,上盖与壳体的侧壁通过密封环密封连接,并形成中空的电池腔;上盖与密封环之间设有密封绝缘层。该微型柱式锂离子电池密封结构紧凑,采用单壳的壳体结构,可以增大电池腔的体积;上盖与壳体的侧壁通过密封环密封连接,以及在上盖与密封环之间设有密封绝缘层,密封绝缘层环绕上盖包边设置,以提高密封绝缘的效果。采用该微型柱式锂离子电池密封结构的微型柱式锂离子电池,电池腔的容量大、密封性能和稳定性能好,能够较大容量储能电能的同时,降低了电池腔内电解液漏液的风险。

标签:
加工技术
广东 - 东莞 来源:中冶有色网 2023-03-18
锂离子电池的电解液除水降酸的方法及其锂型分子筛

本发明涉及锂离子电池电解液技术领域,特别涉及一种锂离子电池的电解液除水降酸的方法,以及该方法中使用的锂型分子筛。该方法是采用分子筛对锂离子电池电解液中的溶剂、添加剂进行除水、降酸处理,所述的分子筛为锂型分子筛,即将普通分子筛在锂盐溶剂中锂化后得到的锂型分子筛。本发明是将普通3A、4A、5A等分子筛置于含Li+的溶液中,根据离子交换原理,将普通的分子筛进行锂化处理得到锂型分子筛,使用该锂型分子筛对锂离子电池的电解液进行除水降酸时,不仅可以满足除水的要求,又能大大降低因和Li+发生离子交换而导致的杂质离子Na+、K+等的引进,从而不会增加电解液中其它金属离子的含量。

标签:
加工技术
广东 - 东莞 来源:中冶有色网 2023-03-18
锂离子电池极片及包含该极片的锂离子电池

本实用新型属于锂离子电池技术领域,尤其涉及一种锂离子电池极片,极片包括集流体和设置在集流体表面的活性物质层,活性物质层上设置有若干个凸起部和凹陷部。相对于现有技术,本实用新型通过在极片的活性物质层上设置凸起部和凹陷部,从而形成一种独特的具有“起伏结构”的极片,在电池的使用过程中,当阳极极片发生体积膨胀时,由于与其相对的阴极极片基本保持原有形状不变,从而可以限制和诱导阳极极片的膨胀,从而降低阳极膨胀的程度和无规律性。因此,本实用新型的极片可以有效抑制由于阳极膨胀所导致的电池外观变形和后续电池性能恶化的问题,对于提高锂离子电池的品质和使用寿命具有重要的意义。此外,本实用新型还公开了一种包含该极片的锂离子电池。

标签:
加工技术
广东 - 东莞 来源:中冶有色网 2023-03-18
快充型锂离子电池极片的制备方法、极片及锂离子电池

本发明属于锂离子电池技术领域,尤其涉及一种快充型锂离子电池极片的制备方法,包括以下操作:将具有活性物质的浆料涂覆于集流体的两表面,得到具有对称设置的第一活性物质层和第二活性物质层的极片;辊压所述极片的两表面;清洗多余的所述第一活性物质层,得到具有双面涂覆区和单面涂覆区的快充型锂离子电池极片。本发明提供的快充型锂离子电池极片的制备方法,可以保证极片单面涂覆区在辊压后与双面涂覆区辊压厚度一致,可以有效的保证辊压时极片两面活性物质层的受压程度保持一致,有效的避免了传统工艺因极片单面涂覆区和双面涂覆区的厚度不一样、辊压过辊缝时受压程度不一样,导致单面涂覆区在后续充放电过程中出现掉粉、析锂等失效问题。

标签:
加工技术
广东 - 东莞 来源:中冶有色网 2023-03-18
锂离子电池正极材料磷酸锂钒制备方法

本发明涉及电池材料技术领域,尤其是涉及一种锂离子电池正极材料磷酸锂钒的制备方法;其制备工序为:先将钒源、锂源、磷酸盐和碳源球磨混合均匀,然后在惰性气体保护下预烧,接着埋入微波吸收体中放入微波炉中烧制;本发明不仅制备工艺简单,生产成本低,便于实现工业化生产;而且加热时间短,节约能源,降低了生产成本,同时该方法利用了我国丰富的钒资源,解决了钴资源的不足;尤其是用该方法合成的锂离子电池正极材料磷酸钒锂不仅放电电压平台较高、电化学性能良好,而且具有较好的倍率性能和较好的循环稳定性。

标签:
加工技术
广东 - 东莞 来源:中冶有色网 2023-03-18
纽扣锂离子电池的电芯组件、纽扣锂离子电池和电子设备

本申请实施例提供了一种纽扣锂离子电池的电芯组件、纽扣锂离子电池和电子设备,电芯组件包括相贴合的第一极片组件和第二极片组件,第一极片组件包括第一极片和第一隔膜件,第一隔膜件内形成第一容纳腔,第一极片位于第一容纳腔内,第一隔膜件设有第一连通口,第一连通口避开第二极片组件,第一连通口与第一容纳腔相连通;第二极片组件包括第二极片。本申请通过将位于第一极片两侧的隔膜制作成具有第一容纳腔的第一隔膜件,将第一极片置于第一容纳腔内,可在跌落过程中避免隔膜内缩导致第一极片和第二极片接触短路失效,显著提升安全可靠性。在第一隔膜件上设置第一连通口,可保证电解液充分浸润第一极片,保证了电芯性能。

标签:
加工技术
广东 - 东莞 来源:中冶有色网 2023-03-18
锂离子电池用隔膜及含该隔膜的锂离子电池

本发明属于锂离子电池技术领域,尤其涉及一种锂离子电池用隔膜,包括隔膜本体,所述隔膜本体的至少一表面上涂覆有功能涂层,所述功能涂层包括第一聚合物、第二聚合物和粘接剂,所述第一聚合物的粒度分布范围值大于所述第二聚合物的粒度分布范围值。相比于现有技术,本发明通过粒度分布范围值大的第一聚合物起到支撑作用,能够在极片和隔膜之间形成间隙,给极片提供膨胀空间,解决电池的变形问题;粒度分布范围值小的第二聚合物和起到粘接作用,通过热压工艺后与极片形成良好的接触,从而在隔膜和极片之间形成良好的界面,提高电池性能。另外,本发明还提供一种包含所述锂离子电池用隔膜的锂离子电池。

标签:
加工技术
广东 - 东莞 来源:中冶有色网 2023-03-18
高电压锂离子二次电池用非水电解质溶液及高电压锂离子电池

本发明公开了一种高电压锂离子二次电池用非水电解质溶液,其包括非水溶剂和溶于该非水溶剂的锂盐以及添加剂,所述非水有机溶剂中包括在电解液中的质量百分含量为1~15%的氟苯;所述添加剂包括氟代碳酸乙烯酯(FEC)和三腈类物质。本发明的高电压锂离子电池用非水电解质溶液可以使高电压锂离子电池获得优良的循环性能和高温性能。

标签:
加工技术
广东 - 东莞 来源:中冶有色网 2023-03-18
锂离子电池正极片及包含该正极片的锂离子电池

本实用新型涉及锂离子电池技术领域,尤其涉及锂离子电池正极片及包含该正极片的锂离子电池,所述正极片采用表面具有凹陷结构的集流体,通过在集流体表面设置凹陷结构能够增大正极膜片与集流体的接触面积,并且在经过涂布、辊压工序后,膜片的组成材料尤其是粘结剂能够进入到集流体的凹陷结构中,明显提升了正极膜片在集流体上的附着力,解决了电池经过长期充放电循环以及在受到外部机械破坏时正极膜片容易从集流体上脱落的问题,因此能够有效改善电池长期循环的可靠性及电芯的短路安全性能;同时,正极膜片与集流体接触面积的增加及粘合性的增强提高了两者间的电荷传递效率,因此能够降低电池内阻,进而提升倍率放电特性。

标签:
加工技术
广东 - 东莞 来源:中冶有色网 2023-03-18
锂电池盖帽及锂电池
锂电池盖帽及锂电池 1012     
 0

本实用新型公开了一种锂电池盖帽及锂电池,包括绝缘的环形保护套和固定在环形保护套内的防爆组件,防爆组件包括顶盖、孔板以及设置在顶盖与孔板之间的防爆片,孔板设有第一焊接区域,第一焊接区域包括至少三个第一焊接点,至少三个第一焊接点沿孔板的周向布设,防爆片与孔板的第一焊接点焊接固定。本实用新型公开的锂电池盖帽及锂电池,增加防爆片与孔板之间的焊接面积,从而使锂电池的防爆片与孔板之间的焊点更为牢固,不易造成断电。

标签:
加工技术
广东 - 东莞 来源:中冶有色网 2023-03-18
锂离子电池电极结构、制备方法及包含其的锂离子电池

本发明涉及锂离子电池技术领域,具体涉及一种锂离子电池电极结构、制备方法及包含其的锂离子电池。锂离子电池电极结构包括正极片、负极片和设置在正极片与负极片之间的隔膜;所述正极片包括正极集流体和位于正极集流体两侧的正极活性涂层;所述负极片包括负极集流体和位于负极集流体两侧的负极活性涂层;所述正极活性涂层和/或负极活性涂层的两侧还包括多孔聚合物涂层。本发明在正极活性涂层和/或负极活性涂层的两侧涂覆多孔聚合物涂层,多孔聚合物涂层渗透到负极片和正极片电极材料中,以树根的形式与正极片和/或负极片紧密结合,形成连续的网络;多孔聚合物涂层防止了电池内部电极层与隔膜之间的相对滑动,从而提升了锂离子电池的弯曲性能。

标签:
加工技术
广东 - 东莞 来源:中冶有色网 2023-03-18
上一页 231 232 233 234 235 ... 241 下一页
共241页    到第

中冶有色为您提供最新的广东东莞有色金属加工技术理论与应用信息,涵盖发明专利、权利要求、说明书、技术领域、背景技术、实用新型内容及具体实施方式等有色技术内容。打造最具专业性的有色金属技术理论与应用平台!

全国热门有色金属设备推荐
展开更多 +
全国热门有色金属技术推荐
展开更多 +

 

江西省隆恩特环保设备有限公司
宣传

报名参会
更多+

报告下载

有色专家
更多+

中国矿业大学(北京)
院长/教授
江西理工大学
副处长/教授
武汉科技大学
院长 / 教授
北京工业大学、中国工程院
中国工程院 院士
中国铝业股份有限公司
总裁 党委副书记
赤泥综合利用研究报告2025
推广

热门技术
更多+

推荐企业
更多+

福建省金龙稀土股份有限公司
宣传

发布

在线客服

公众号

电话

顶部
咨询电话:
010-88793500-807