青岛垚鑫智能科技有限公司
宣传

位置:中冶有色 >

有色技术频道 >

> 复合材料技术

分类:
全部
矿山技术
冶金技术
材料制备及加工技术
环境保护技术
分析检测技术
 
全部
功能材料技术
复合材料技术
新能源材料技术
合金材料技术
加工技术
地区:
全部
北京
天津
上海
重庆
河北
山西
辽宁
吉林
黑龙江
江苏
浙江
安徽
福建
江西
山东
河南
湖北
湖南
广东
海南
四川
贵州
云南
陕西
甘肃
青海
内蒙
广西
西藏
宁夏
新疆
其他
其他
展开
 
全部
合肥
芜湖
蚌埠
淮南
马鞍山
淮北
铜陵
安庆
黄山
阜阳
宿州
滁州
六安
宣城
池州
亳州

安徽芜湖有色金属复合材料技术理论与应用

免费发布技术信息>>
复合材料多因素环境老化程度检测装置

本发明公开了一种复合材料多因素环境老化程度检测装置,包括第一参数采集模块、多因素环境模拟模块、环境感应模块、第一数据处理模块、第二参数采集模块、老化程度预测模块、第一数据对比模块、第二数据对比模块、第二数据处理模块和老化程度判断模块,第一参数采集模块和第二参数采集模块均与第二数据对比模块连接,第二数据对比模块分别与第二数据处理模块和老化程度判断模块连接。本发明能够精确模拟复合材料在实际使用中的环境情况,且能够判断模拟出的环境是否符合要求,避免导致检测不精确,更能够事先对老化程度进行预测,能够对测试结果有个准确的判断,使得检测精确,结构简单,使用方便。

标签:
复合材料
安徽 - 芜湖 来源:中冶有色网 2023-03-18
胶粘剂用改性纳米复合材料及其制备方法

本发明提供了一种胶粘剂用改性纳米复合材料及其制备方法,其中,包括以下步骤:A、在温度为40‑50℃的条件下,将表面活性剂与盐酸水溶液混合反应,制得混合液Y1;B、向混合液Y1中加入正硅酸乙酯和硅烷偶联剂混合搅拌,制得混合液Y2;C、向混合液Y2中加入甲基硅油混合后置于温度为100‑120℃的条件下反应后,取沉淀Y3;D、将沉淀Y3置于温度为450‑550℃的条件下煅烧,制得产物Y4;E、将产物Y4置于反应釜中,向反应釜中通入苯及碳源煅烧,制得胶粘剂用改性纳米复合材料。从而使得其在用于胶粘剂时能提高胶粘性能及防水性能。

标签:
复合材料
安徽 - 芜湖 来源:中冶有色网 2023-03-18
防水碳纤维复合材料及其制备方法

本发明提供了一种防水碳纤维复合材料及其制备方法,先将碳纤维进行电晕处理;然后将处理后的碳纤维置于氨基有机硅防水处理剂中浸‑扎处理,烘干,即得防水碳纤维复合材料。与现有技术相比,本发明先将碳纤维电晕处理,使碳纤维表面的羧基、羟基、羰基等基团增多,更容易与制备的氨基有机硅防水处理剂结合,提高防水效果和防水膜牢固度。在氨基有机硅防水处理剂制备过程中加入二氨基二苯甲烷与硅酸四甲酯配合使用,有利于防水剂在碳纤维表面固化成膜,提高防水层的牢固度;加入的硅酸四甲酯增加疏水性,提高防水效果。

标签:
复合材料
安徽 - 芜湖 来源:中冶有色网 2023-03-18
阻燃低烟环氧树脂及其制备方法、复合材料及其制备方法

本发明公开了一种阻燃低烟环氧树脂及其制备方法、复合材料及其制备方法。所述方法包括以下步骤:将含磷改性环氧树脂融化后与液体环氧树脂混合均匀,获得环氧树脂混合液;将环氧树脂混合液与添加型阻燃剂、协效阻燃剂以及硅烷偶联剂混合均匀,获得混合组分;往混合组分中加入固化剂,混合均匀后获得阻燃低烟环氧树脂。本发明利用添加型阻燃剂和协效阻燃剂的协同作用,及与液体环氧树脂和固体含磷环氧树脂等的配合,在保持环氧树脂优异力学性能的前提下进一步提高了环氧树脂的阻燃等级。此外,通过与一定的纤维增强材料制备成的复合材料阻燃等级高且低烟。该方法生产设备简单,工艺过程简单,生产成本低,适合工业化生产。

标签:
复合材料
安徽 - 芜湖 来源:中冶有色网 2023-03-18
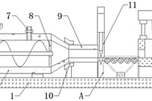
碳纤维复合材料螺旋桨成型模具

本发明公开了一种碳纤维复合材料螺旋桨成型模具,包括:第一模具;第二模具,所述第二模具设置于所述第一模具的底部,所述第二模具的内部开设有模具槽;进料口,所述进料口开设于所述第一模具的顶部,所述进料口的内部设置有进口管道,所述进口管道的一侧开设有槽体,所述槽体的内部设置有滑杆。本发明提供的碳纤维复合材料螺旋桨成型模具:通过第一安装板与第二安装板的螺栓将第一模具与第二模具固定连接,进口管道用来注入材料,再将压板两侧的滑块与滑杆连接,将压板堵住进口管道,将其压板下压,使其内部的材料不会溢出进口管道,固定板内设置的刀片通过电机与螺纹杆带动上下移动,将从模具两侧溢出的材料切除,结构简单,方便操作。

标签:
复合材料
安徽 - 芜湖 来源:中冶有色网 2023-03-18
无机功能复合材料的制备方法

本发明公开了一种无机功能复合材料的制备方法,制备方法包括:将C、Tm、Mn、Cd、Si和Fe进行混合配料,熔炼得到合金液体,经雾化处理得到材料A;将Fe、Tm、Cd、Si、Pb和Sn进混合配料,熔炼得到合金液体,经雾化处理得到材料B;将CdO、Tm2O3、BaO、Al2O3、K2O和SiO2进行混合配料,之后经破碎、烘干、过筛和烧结后得到材料C;将CdO、ZnO、BaO、Cr2O3、Tm2O3、MnO2和Fe2O3进行混合配料,之后经焙烧和过筛后得到材料D;将材料C和材料D进行混合,然后烧结,研磨后得到CD混合料;将材料A、材料B和CD混合料进行混合,经处理得到磁功能材料。解决了传统的无机功能复合材料还存在磁性能不足的问题。

标签:
复合材料
安徽 - 芜湖 来源:中冶有色网 2023-03-18
结晶复合材料和混凝土防水材料

本发明公开了一种结晶复合材料和混凝土防水材料,所述结晶复合材料由材料A、材料B和材料C组成;其中,材料A的原料包括硬脂酸铯、氯化铯、柠檬酸钠、碳酸钙、碳酸钠、硅酸钠、碳酸铍、碳酸氢钠、偏铝酸钙和氯化钙;材料B的原料包括D‑苹果酸、L‑苹果酸、酒石酸铯、酒石酸、苹果酸钠和偏铝酸钙;材料C的原料包括石脂和碳酸铯。解决了传统的防水材料还存在抗渗能力和抗压强度不足,防水效果不佳的问题。

标签:
复合材料
安徽 - 芜湖 来源:中冶有色网 2023-03-18
牙齿填充复合材料及其制备方法

本发明公开了一种牙齿填充复合材料及其制备方法,所述制备方法包括:将纳米硅粉、异丙醇、二已氧基乙酰苯和丙烯酸酯类单体混合、蒸出分散介质后,光照固化,粉碎后得到复合填料,将一水磷酸二氢钙、无水磷酸二氢钙、二水磷酸氢钙、无水磷酸氢钙、锶玻璃粉、氯化钾和钡玻璃粉混合后进行研磨,得到混合粉末;将混合粉末、溶剂、黏合剂、纤维填充物、生物填充剂和复合填料混合,得到牙齿填充复合材料;解决了传统的填充材料的凝结时间较长,抗压强度相对不足的问题。

标签:
复合材料
安徽 - 芜湖 来源:中冶有色网 2023-03-18
木塑复合材料托盘挤出模压装置

本发明公开了一种木塑复合材料托盘挤出模压装置,涉及挤出模压设备领域,针对现有的木塑复合材料托盘挤出模压装置存在的挤出密度降低,自动化程度低,所需人工成本大,出品率低的问题,现提出如下方案,其包括底座,所述底座顶端设置有螺纹挤出箱,所述螺纹挤出箱侧壁安装有伺服电机,所述伺服电机靠近螺纹挤出箱的一侧输出轴固定安装有转动柱,所述转动柱侧壁固定安装有螺纹挤出叶,所述转动柱远离伺服电机的一端设置有滤板,所述螺纹挤出箱远离伺服电机的一端安装有挤出管,所述挤出管远离螺纹挤出箱的一侧设置有传送箱。本发明结构新颖,且自动化程度高,可调节性强,适用范围广,工作效率和传送精确度高,挤出的密度高、效果好。

标签:
复合材料
安徽 - 芜湖 来源:中冶有色网 2023-03-18
低吸湿性碳纤维PA66复合材料

本发明涉及一种低吸湿性碳纤维PA66复合材料,包括按重量份计的如下组分制备而成:经过电化学氧化处理的碳纤维53‑80.7份、PA46 8‑20份、PA662‑5份、增韧剂3‑5份、成核剂5‑10份、抗氧剂0.2‑1份、偶联剂0.1‑1份、有机改性蒙脱土1‑5份;所述碳纤维为T800聚丙烯腈基碳纤维,长度为51‑60μm,单纤直径为9‑15μm;所述抗氧剂为受阻胺类抗氧剂、受阻酚类抗氧剂、亚磷酸酯抗氧剂中的一种或多种;所述偶联剂为硅烷偶联剂KH560,本发明的有益效果为:该碳纤维PA66复合材料具有低吸湿性、成型速度、力学性能得到显著提升。

标签:
复合材料
安徽 - 芜湖 来源:中冶有色网 2023-03-18
蛋清碳化制备微纳米多孔碳负载硫复合材料、制备方法及其应用

本发明提供了蛋清碳化制备微纳米多孔碳负载硫复合材料、制备方法及其应用,本发明利用价格低廉的蛋白制备得到微纳米多孔碳,多孔碳具有较高的比表面积,可负载更多的活性物质,且有利于电子和锂离子传输。同时,多孔碳为多硫化物的多硫链的形成起到缓冲作用,并减轻了放电过程中的单质硫体积膨胀问题,以及减少了活性硫质量损失,有效抑制多硫化物穿梭,从而提高了正极的电化学性能。获得的微纳米多孔碳材料经熏硫过程负载上单质硫,最终制备出多孔碳负载硫复合正极材料,该复合材料用作锂硫电池正极材料,具有良好的循环稳定性和高的比容量。本发明的材料制备方法所涉及的工艺简单,原料来源广泛,成本低,易规模化生产。

标签:
复合材料
安徽 - 芜湖 来源:中冶有色网 2023-03-18
聚酰胺复合材料的制备方法

本发明提供了一种聚酰胺复合材料的制备方法,其是以秸秆先进行纳米改性;再将纳米改性秸秆进行偶联剂表面处理,然后将其作为阻燃填料加入到树脂的制备中。本发明中偶联剂处理的纳米改性秸秆是以纳米颗粒状态分散在树脂基体中,其在遇热分解时会生成氧化物和水蒸气,水蒸气冲淡稀释了可燃性气体,而氧化物的生成有助于使燃烧中断,起到了抑制燃烧的作用,生成了保护层覆盖于聚合物本体表面(偶联剂的使用使覆盖更牢固),从而隔离了火源和氧气,因此使复合材料具有了良好的阻燃性能;同时本发明有效利用了农业废弃物秸秆,使其变废为宝,创造了新的应用价值。

标签:
复合材料
安徽 - 芜湖 来源:中冶有色网 2023-03-18
金棒两端包覆二氧化钛纳米复合材料的制备方法

本发明涉及一种金棒两端包覆二氧化钛纳米复合材料的制备方法,包括如下步骤:(1)合成金纳米棒,将其原生长溶液去除,并分散于表面活性剂溶液中;(2)向步骤(1)所得溶液中加入铂化合物和还原剂,使铂化合物还原成铂单质沉积在金纳米棒两端;(3)除去表面活性剂,将两端沉积铂的金纳米棒分散于去离子水中,加入三氯化钛溶液,并调节pH值,使三氯化钛水解并沉积在金纳米棒的两端。利用金纳米棒具有独特表面等子体效应,及其在可见及近红外区的光响应行为和对光场强烈的会聚作用,将其与半导体氧化物耦合,得到具有表面等离子体效应的(金纳米棒)/(半导体氧化物)复合材料。

标签:
复合材料
安徽 - 芜湖 来源:中冶有色网 2023-03-18
阻燃型木塑复合材料托盘

本发明涉及塑料制品生产技术领域,具体公开了一种阻燃型木塑复合材料托盘,包括如下重量份原料:竹粉50‑70份、高密度聚乙烯45‑60份、硅烷偶联剂KH550 1‑4份、马来酸酐接枝聚乙烯0.3‑2份、硬脂酸钠0.5‑2份、聚乙烯蜡1‑2份、偶氮二异丁腈0.5‑1份、白云母3‑7份、对苯二胺0.2‑1份、抗氧剂1076 0.2‑1份、黑母粒1‑2份、复合阻燃剂9‑13份、改性炭黑6‑10份。本发明制备的阻燃型木塑复合材料托盘具有优异的抗静电及阻燃性能。

标签:
复合材料
安徽 - 芜湖 来源:中冶有色网 2023-03-18
高效光催化复合材料的制备方法

本发明公开了一种高效光催化复合材料的制备方法,属于复合材料技术领域;本发明将细菌纤维素与熔喷丙纶非织造布复合作为纳米TiO2的载体,防止纳米TiO2颗粒发生集聚、失活,避免大量脱落,将细菌纤维素、熔喷非织造布与纳米二氧化钛的优点相结合,提高对光的利用率,同时凭借BC表面的大量羟基作用,提高材料的吸附性能,使其能够更好的应用于光催化领域。

标签:
复合材料
安徽 - 芜湖 来源:中冶有色网 2023-03-18
在微米盘上生长钴酸镍纳米线阵列的复合材料、制备方法及其应用

本发明提供了一种在微米盘上生长钴酸镍纳米线阵列的复合材料、制备方法及其应用,首先通过水热法获得圆盘状的微片氧化铁结构,再在氧化铁上生长复合钴酸镍纳米阵列,最后高温焙烧获得圆盘侧边生长钴酸镍纳米阵列的复合材料,该材料由钴酸镍纳米阵列组成的三维结构。三维阵列结构可以促进电/离子传输,同时放射状的阵列结构可以提供大量活性位点,缓解材料体积膨胀。该材料应用于电池负极材料,具有良好的循环稳定性和高的比容量。而且,合成过程简单,对实验仪器设备要求低,原料易得到,费用低,可进行批量生产。

标签:
复合材料
安徽 - 芜湖 来源:中冶有色网 2023-03-18
石墨烯包覆纳米硅复合材料的制备方法及其作为锂离子电池负极材料的应用

本发明公开了一种石墨烯包覆纳米硅复合材料的制备方法及其作为锂离子电池负极材料的应用。所述制备方法包括以下步骤:将氧化石墨烯水溶液超声以使叠在一起的氧化石墨片层充分打开,然后调节石墨烯水溶液为碱性;在低速搅拌下,将Si和CTAB加入到乙醇溶液中超声,得到Si溶液;将氧化石墨烯水溶液滴加到Si溶液中,加入完成后,并继续搅拌至体系中有絮状物质出现;反应完成后,将产物洗涤、抽滤、干燥,即可得到石墨烯包覆纳米硅复合材料。通过氧化石墨烯对硅材料进行包覆,来抑制硅材料的体积膨胀和粉碎化,其应用于锂离子电池负极材料是具有优异的倍率循环性能。

标签:
复合材料
安徽 - 芜湖 来源:中冶有色网 2023-03-18
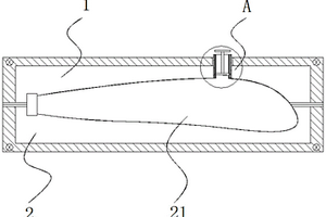
复合材料螺旋桨用旋转加热式固化炉

本发明公开了一种复合材料螺旋桨用旋转加热式固化炉,炉体具有筒状的固化腔,固化腔内沿炉体轴向间隔布置有多个旋转轴,旋转轴两端与炉体内壁滑动连接,固化腔中心位置设有沿炉体轴向布置的中心轴,中心轴依次穿过多个旋转轴的中心并与旋转轴固定连接;第一支撑轴、第二支撑轴位于中心轴两侧且第一支撑轴、第二支撑轴均与多个旋转轴连接;第一模具架、第二模具架分别与第一支撑轴、第二支撑轴铰接。本发明通过中心轴带动旋转轴转动,旋转轴带动第一模具架、第二模具架上下移动,可以引导固化腔内热风流动,使得固化腔上下温度均匀,从而保证模具上下模温度相差±1℃左右,能够满足复合材料螺旋桨在成型过程中对温度的要求,保证了螺旋桨的质量。

标签:
复合材料
安徽 - 芜湖 来源:中冶有色网 2023-03-18
聚乳酸微胶囊芳香型汽车内饰复合材料的制备方法

一种聚乳酸微胶囊芳香型汽车内饰复合材料的制备方法,属于汽车内饰加工技术领域,包括以下步骤:制备聚乳酸/聚丙烯复合材料、单层造壁、双层造壁、制备微胶囊粉末、制备微胶囊芳香整理剂、微胶囊芳香整理。本发明制备的微胶囊,表面光滑,囊壁致密没有破裂,结构完整,测定其最高含油率达到40%左右。微胶囊外观较为规整,且均一性、分散性良好。柠檬精油被包裹在微胶囊里,微胶囊的平均粒径为2.6um左右,具有良好的热稳定性。以柠檬香精为芯,蜜胺树脂为壁材,选择合适的乳化剂用量、芯材和壁材比例、反应体系温度及pH值、搅拌速度及合理的控制时间,得到粒径较小及结构紧密的微胶囊,且微胶囊释放柠檬香精的速率缓慢。

标签:
复合材料
安徽 - 芜湖 来源:中冶有色网 2023-03-18
高刚性皮碗用天然橡胶复合材料

本发明公开了一种高刚性皮碗用天然橡胶复合材料,由下列重量份的原料制成:丁腈橡胶80-90、天然橡胶50-64、玻璃纤维3-5、甲基丙烯酸缩水甘油酯4-6、甲基丙烯酸酯5-7、乙二胺1-2、聚乙烯醇2-3、氢氧化铝1-2、硅藻土8-12、聚酯丙烯酸酯2-3、助剂10-12;本发明所制得的复合材料,通过天然橡胶与玻璃纤维等的复配,具有高刚性、超韧、低翘曲阻燃性能。

标签:
复合材料
安徽 - 芜湖 来源:中冶有色网 2023-03-18
交联纳米碳片负载硒化镍/硒化锰纳米复合材料及其制备方法以及钠离子电池负极

本发明公开了一种交联纳米碳片负载硒化镍/硒化锰纳米复合材料及其制备方法,以及钠离子电池负极,所述制备方法包括以下步骤:以柠檬酸三钠为原料在惰性气氛中高温碳化制备得到交联纳米碳片材料;将镍源、锰源溶解在水中,加入交联纳米碳片材料,先后经搅拌溶解、水热反应,所得产物经洗涤、干燥后得到前驱体材料;将前驱体材料与硒粉在氢氩混合气中加热反应,得到交联纳米碳片负载硒化镍/硒化锰纳米颗粒复合材料;该材料以交联纳米碳片作为载体可负载更多的硒化镍/硒化锰纳米颗粒,缩短电子和钠离子传输途径,提高电极材料导电性,其可作为钠离子电池负极的活性材料,进而获得循环稳定性和倍率性能优良的钠离子电池负极。

标签:
复合材料
安徽 - 芜湖 来源:中冶有色网 2023-03-18
二氧化硅/石墨烯纳米复合材料的制备方法、锂离子电池负极、锂离子电池

本发明公开了一种二氧化硅/石墨烯纳米复合材料的制备方法、锂离子电池负极、锂离子电池,制备方法步骤包括水热工序、复合工序,本发明制备方法获得的二氧化硅与三维柱状还原氧化石墨烯复合材料体现了其与现有技术中的二维石墨烯复合的优越性,二氧化硅与三维柱状还原氧化石墨烯复合解决了石墨烯团聚难题,二氧化硅在石墨烯表面均匀分布,大大增加了活性材料的稳定性,该材料应用于锂离子电池负极材料,具有循环稳定性好,比能量密度高等优点。

标签:
复合材料
安徽 - 芜湖 来源:中冶有色网 2023-03-18
金属有机骨架/氧化铁核壳结构复合材料制备方法

本发明公开了一种MIL‑101(Fe)/Fe2O3核壳结构纳米复合材料的制备方法,具体操作流程如下:首先将对苯二甲酸(H2BDC)和FeCl3·6H2O加入到二甲基甲酰胺(DMF)溶液中,对混合物进行超声处理,然后倒入反应釜中进行加热反应,反应后离心分离,洗涤沉淀后再进行干燥,得到MIL‑101(Fe)黄色粉末;然后把合成好的MIL‑101(Fe)粉末25℃室温放置3个月以上,便可获得MIL‑101(Fe)/Fe2O3核壳结构纳米复合材料。

标签:
复合材料
安徽 - 芜湖 来源:中冶有色网 2023-03-18
玻纤增强PP复合材料及其制备方法

本发明涉及新能源汽车材料技术领域,特别涉及一种玻纤增强PP复合材料及其制备方法,其原料按重量计包括:PP 45‑65份;玻纤30‑50份;硅烷偶联剂0.3‑1份;抗氧剂0.4‑1份;PP接枝1‑1.5份;聚酰胺蜡2.5份;硅酸锂1‑2份;硅酸钠1‑2.5份;阻燃剂2.5‑7,氮化硼1.1.5份;将三氧化二铬加入到氮化硼内混合反应备用;将PP、玻纤、硅烷偶联剂、抗氧剂、PP接枝、聚酰胺蜡、硅酸锂、硅酸钠、光稳定剂、增韧剂、阻燃剂、相容剂及反应后的氮化硼装入搅拌机中反复搅拌混合均匀后送入双螺杆挤出机中,搅拌三次,每次搅拌30‑60分钟,然后在180‑230℃的温度下熔融混炼,所得熔体由双螺旋挤出机挤出后经水槽冷却,引入切粒机进行切粒操作,所得粒料即为所述玻纤增强PP复合材料。

标签:
复合材料
安徽 - 芜湖 来源:中冶有色网 2023-03-18
汉麻微胶囊芳香型汽车坐垫用复合材料的制备方法

一种汉麻微胶囊芳香型汽车坐垫用复合材料的制备方法,属于汽车内饰加工技术领域,包括以下步骤:汉麻纤维预处理、制备汉麻纤维/聚丙烯复合材料、单层造壁、双层造壁、制备微胶囊粉末、制备微胶囊芳香整理剂、微胶囊芳香整理。本发明制备的微胶囊,表面光滑,囊壁致密没有破裂,结构完整,测定其最高含油率达到40%左右。微胶囊外观较为规整,且均一性、分散性良好。柠檬精油被包裹在微胶囊里,微胶囊的平均粒径为2.6um左右,具有良好的热稳定性。以柠檬香精为芯,蜜胺树脂为壁材,选择合适的乳化剂用量、芯材和壁材比例、反应体系温度及pH值、搅拌速度及合理的控制时间,得到粒径较小及结构紧密的微胶囊,且微胶囊释放柠檬香精的速率缓慢。

标签:
复合材料
安徽 - 芜湖 来源:中冶有色网 2023-03-18
高光免喷涂PP/ABS复合材料及其制备方法

本发明涉及一种PP/ABS复合材料,具体涉及一种高光免喷涂PP/ABS复合材料及其制备方法,本发明先利用巴西棕榈蜡、空心玻璃微珠对ABS进行改性处理,改性后的ABS母粒强度和光泽度均得到提高,而经过钛白粉改性处理后的PP,光泽度和耐候性也得到改善,最后再将两种改性母粒交联混合造粒,制备得到的成品复合料高效的结合了PP与ABS的力学优点,且外观莹亮润泽,对外界环境的抵御力强,不易吸水粘污,不需要再进行喷涂保护,极大的提高了产品的市场竞争力。

标签:
复合材料
安徽 - 芜湖 来源:中冶有色网 2023-03-18
CVD系统及制备大尺寸炭/炭复合材料的方法

本发明提供了一种CVD系统及制备大尺寸炭/炭复合材料的方法,所述系统包括CVD气相沉积炉,所述CVD气相沉积炉包括炉体、设于炉体内相连通的下加热区及上加热区和贯穿于上下加热区内的料柱组,所述炉体的侧壁内设有分别对上下加热区加热的第一加热腔和第二加热腔,所述下加热区内设有由下到上依次设置的第一预热导流机构和第一装料分流机构,所述上加热区设有补气结构和第二装料分流机构,所述炉体侧壁设有与第一加热腔联通的氮气进气口。通过分层导向进气且分层预热,优化了流场,提高产品质量均一性。CVD过程中控制气体定向流动,结合优化的温度、压力和气体流速的控制,实现大尺寸热场坩埚炭/炭复合材料的快速制备。

标签:
复合材料
安徽 - 芜湖 来源:中冶有色网 2023-03-18
性能优异的无人机用金属复合材料

本发明公开了一种性能优异的无人机用金属复合材料,包括以下重量份的各组份制备而成:铁粉65‑75份、铝粉10‑15份、铜粉5‑10份、硅粉1‑3份、镍粉0.5‑0.8份、硫0.01‑0.5份、锆0.05‑0.8份、铌合金1‑2份、稀土颗粒2‑6份、硼粉0.1‑0.9份、锰粉0.2‑0.6份,该种性能优异的无人机用金属复合材料冲击强度显著提高,成型加工性能好,提高了耐溶剂性、改进了制品表面光泽及电镀性,且具有优秀的热老化性能,适合在极端高温环境下使用,具有良好的耐磨性能,强度高,耐老化性强,产品阻燃性能优异,产品耐高温,产品强度高,冲击强度好,成本低廉,操作简单,耐腐蚀。

标签:
复合材料
安徽 - 芜湖 来源:中冶有色网 2023-03-18
Bi2O2CO3-Bi(OHC2O4)·2H2O异质结,其制备方法及用途

本发明涉及一种Bi2O2CO3-Bi(OHC2O4)·2H2O异质结,其制备方法及用途,包括如下步骤:(1)将铋盐溶解在水中;(2)将草酸钠的水溶液加入到硝酸铋溶液中;(3)在一定温度下反应一定时间;(4)冷却;(5)洗涤并干燥;(6)将适量前驱体,表面活性剂和碳酸盐溶解在一定量的水中;(7)加入一定量的铋盐;(8)冷却;(9)洗涤并干燥,得到Bi2O2CO3-Bi(OHC2O4)·2H2O异质结。本发明合成了一维Bi2O2CO3-Bi(OHC2O4)·2H2O异质结,其兼具催化与吸附性能于一身。该催化剂对高浓度染料罗丹明B(RhB)具有优异的可见光催化降解作用,并具有光稳定性和重复利用性。更为重要的是,Bi2O2CO3-Bi(OHC2O4)·2H2O异质结在短时间(5分钟内)对染料罗丹明B(RhB)和亚甲基蓝(MB)表现出较好的吸附性能,与染料甲基橙(MO)表现出优异的吸附性能。40毫克的Bi2O2CO3-Bi(OHC2O4)·2H2O纳米复合材料对MO的饱合吸附量达到94mg/g, 通过加入乙醇洗涤可使MO脱附,吸附剂可重复多次使用。

标签:
复合材料
安徽 - 芜湖 来源:中冶有色网 2023-03-18
超低温下高韧性的聚丙烯复合材料、制备方法及其应用

本发明提供了一种超低温下高韧性的聚丙烯复合材料、制备方法及其应用,聚丙烯复合材料包括:25?53wt%聚丙烯,12?35wt%预自制改性聚丙烯、10~20wt%增韧剂、10~30wt%的预处理超细填料、0.3~0.5wt%的抗氧剂,0.5~1.5wt%的润滑剂。与现有技术相比,本发明将超细填料(平均粒径5?15um)用复合偶联剂处理,目的在于提高复合聚丙烯材料的刚性,同时使该材料的断裂方式趋于韧性断裂,对爆破时防止碎片溅出有重要意义;另外,采用预自制性能的聚丙烯和增韧剂共同改性聚丙烯,改善材料之间的相容性从而改善低温韧性,提供良好的加工流动性。

标签:
复合材料
安徽 - 芜湖 来源:中冶有色网 2023-03-18
上一页 21 22 23 24 25 ... 39 下一页
共39页    到第

中冶有色为您提供最新的安徽芜湖有色金属复合材料技术理论与应用信息,涵盖发明专利、权利要求、说明书、技术领域、背景技术、实用新型内容及具体实施方式等有色技术内容。打造最具专业性的有色金属技术理论与应用平台!

全国热门有色金属设备推荐
展开更多 +
全国热门有色金属技术推荐
展开更多 +

 

江西省隆恩特环保设备有限公司
宣传

报名参会
更多+

报告下载

有色专家
更多+

江西理工大学
副校长
矿冶科技集团有限公司
党委书记 / 董事长
广西大学
处长/教授
中国瑞林工程技术有限公司
中国工程院院士
长沙矿冶院检测技术有限责任公司
总经理
赤泥综合利用研究报告2025
推广

热门技术
更多+

推荐企业
更多+

福建省金龙稀土股份有限公司
宣传

发布

在线客服

公众号

电话

顶部
咨询电话:
010-88793500-807