青岛垚鑫智能科技有限公司
宣传

位置:中冶有色 >

有色技术频道 >

> 复合材料技术

分类:
全部
矿山技术
冶金技术
材料制备及加工技术
环境保护技术
分析检测技术
 
全部
功能材料技术
复合材料技术
新能源材料技术
合金材料技术
加工技术
地区:
全部
北京
天津
上海
重庆
河北
山西
辽宁
吉林
黑龙江
江苏
浙江
安徽
福建
江西
山东
河南
湖北
湖南
广东
海南
四川
贵州
云南
陕西
甘肃
青海
内蒙
广西
西藏
宁夏
新疆
其他
其他
展开
 
全部
合肥
芜湖
蚌埠
淮南
马鞍山
淮北
铜陵
安庆
黄山
阜阳
宿州
滁州
六安
宣城
池州
亳州

安徽芜湖有色金属复合材料技术理论与应用

免费发布技术信息>>
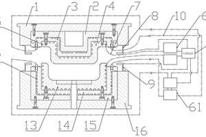
用于航空航天复合材料的新型加压装置

本发明实施例涉及航空航天材料加工领域,具体公开了一种用于航空航天复合材料的新型加压装置,包括固定底座;所述固定底座上固定设置有下压座,所述固定底座的两端上表面均固定设置有支撑立柱,所述支撑立柱的顶端固定设置有支撑顶座,所述支撑顶座上升降式贯穿设置有升降座,所述支撑顶座上还设置有用于对调高后的升降座进行固定的锁定机构。在本发明实施例对升降座的高度进行调整后通过锁定机构进行支撑固定,对升降座的高度进行调整后,在利用调节组件带动加压丝杆旋转时,能够调整升降柱所处的高度,进而调整对所述升降板所处的高度进行微调,从而利用下压的升降板,能够对放置下压座上的航空航天复合材料进行加压处理。

标签:
复合材料
安徽 - 芜湖 来源:中冶有色网 2023-03-18
长纤维增强复合材料在线成形模具及温度控制方法

本发明实施例公开了一种长纤维增强复合材料在线成形模具,包括上模座和下模座,在上模座和下模座内分别安装有上隔热板和下隔热板,且在上模座和下模座的端部分别安装有上模温度传感器和下模温度传感器,所述上隔热板内表面设有上模芯,在上隔热板和上模芯之间设有上冷却板,在下隔热板内表面设有下模芯,且在下隔热板和下模芯之间下冷却板,所述上模芯和下模芯外侧均设有加热槽,上冷却板和下冷却板上均设有水槽,还包括一种温度控制方法;能够满足复杂模具型腔内产品在成形过程中的实时均匀加热和冷却,模具温度控制改造成本不高,可根据工艺要求进行灵活设计与加工,有利于实现复合材料产品各部分性能的一致性、提高生产效率和节能。

标签:
复合材料
安徽 - 芜湖 来源:中冶有色网 2023-03-18
半球空心状二氧化钛/碳颗粒/聚苯胺负载硫的复合材料及制备方法、锂硫电池正极及电池

本发明公开了一种半球空心状二氧化钛/碳颗粒/聚苯胺负载硫的复合材料及制备方法、锂硫电池正极及电池。首先通过水热法获得二氧化钛,再通过以多巴胺为碳源包裹碳层,然后原位聚合生长聚苯胺,最后通过熏硫的方式负载硫颗粒,最终获得二氧化钛/碳颗粒/聚苯胺负载硫的半球空心状复合材料。该材料应用于锂硫电池正极材料,具有良好的循环稳定性和较高的比容量。与现有技术相比,本发明制备的材料呈现半球空心状,半球空心状结构比表面积大,能够负载更多硫颗粒,有利于电子传输,缓解充放电过程的体积膨胀,提高电池性能。并且,实验过程简单,原料价廉易获取。

标签:
复合材料
安徽 - 芜湖 来源:中冶有色网 2023-03-18
热塑性碳纤维复合材料的制备方法

本发明涉及一种热塑性碳纤维复合材料的制备方法,其组分包括基料为占比为75%的PA或PA66,占比为20%的碳纤维束、占比为5%的助剂包,所述碳纤维通过聚氨酯胶粘呈束。其制备方法步骤为:利用碳纤维专用双螺杆挤出机13个加温区的温度控制在1‑3区是250度,4‑6区260度,7‑10区270度,11‑13区260度,每小时300KG,经过水槽降温,二级烘干,到快速切粒,震动筛选,鼓风机吹到放置室1‑2小时,自动包装(25KG/包),经过上述制备所得的热塑性碳纤维复合材料能够物理性能好,且能够实现循环回收利用。

标签:
复合材料
安徽 - 芜湖 来源:中冶有色网 2023-03-18
金属爆炸复合板热处理用的金属复合材料的制备方法

本发明公开了一种金属爆炸复合板热处理用的金属复合材料的制备方法,包括以下步骤:S1:将重量份分别为20‑25份的镍粉、18‑23份的钨粉、5‑8份的石墨、16‑21份的铁粉、23‑28份的钴、14‑19份的锰、21‑26份的镁粉、15‑20份的钛、9‑14份的铜粉和11‑16份的锆进行混合,得到金属混合物;S2:以10‑15℃/min的速度将金属混合物加热至1000‑1100℃,然后在550‑600MPa下对金属混合物进行压制;S3:导入氢气,反应60‑80min后,降温至600‑700℃,静置30‑35min,然后降温至300‑400℃,静置20‑25min,接着冷却至室温,制得金属爆炸复合板热处理用的金属复合材料。本发明具备优异的拉伸强度和抗压强度,且热变形温度较高,制备方法简单,使用方便,成本低。

标签:
复合材料
安徽 - 芜湖 来源:中冶有色网 2023-03-18
硅橡胶袋闭模工艺制备碳纤维复合材料的方法

本发明涉及一种硅橡胶袋闭模工艺制备碳纤维复合材料的方法,采用如下步骤:硅橡胶袋膜的制备:利用硅橡胶及网眼布在模具表面制备硅橡胶袋膜待用;碳纤维复合材料的成型:在模具上铺好增强纤维布;用硅橡胶袋膜将模具封闭;利用抽真空的方式灌注树脂材料;维持固定的压强使材料成型;待材料固化后脱模即得到制品。

标签:
复合材料
安徽 - 芜湖 来源:中冶有色网 2023-03-18
麻类纤维复合材料的制备方法,麻类纤维复合板及其用途

本发明涉及一种麻类纤维复合材料的制备方法,麻类纤维复合板及其用途,其将黄麻纤维和丙纶纤维按照一定比例进行充分混合及开松处理,使之达到产品要求的混合效果,再经过梳理机梳理成网,按产品要求的克重在铺网机上进行折叠,输出的纤维网再经针刺机针刺成纤维毡,最后经过辊压机进行热压成型为黄麻纤维复合材料板材,这一技术方案缩短了工艺流程,提高了生产效率;保护环境并降低了成本。

标签:
复合材料
安徽 - 芜湖 来源:中冶有色网 2023-03-18
金属复合材料镀锌电极丝母线连续电镀设备

本实用新型公开了一种金属复合材料镀锌电极丝母线连续电镀设备,包括驱动机构、张紧机构、放线机、电镀机、收线机,所述的放线机和电镀机之间设置一前处理机,电镀机和收放机之间设置一后处理机构,前处理机包括将线材电解除油后再清洗线材表面的电解除油部和水洗部,后处理机构上布置有多个间隔的压缩空气吹嘴,每个压缩空气吹嘴都与设置的气源相通,每个压缩空气吹嘴的空气流均可以吹向运行的线材。本实用新型金属复合材料镀锌电极丝母线连续电镀设备采用这样的结构,生产效率高,成品电极丝母线质量稳定、镀层均匀、内应力低、镀层结合力强,生产形成的污水量很少,污水达标排放费用很少,降低了生产成本。

标签:
复合材料
安徽 - 芜湖 来源:中冶有色网 2023-03-18
汽车仪表盘用碳纤维增强型复合材料及其加工方法

本发明公开了一种汽车仪表盘用碳纤维增强型复合材料,其包含以下重量份数的组分:热塑性树脂38‑42份,碳纤维35‑40份,滑石粉0.75‑0.85份,润滑剂EBS 0.2‑0.3份,蓖麻油酯‑丙烯酰胺‑丙烯酸共聚物2‑5份,抗氧剂 1010和抗氧剂DSTP0.1‑0.2份,本发明还公开了汽车仪表盘用碳纤维增强型复合材料的加工方法,其包括以下步骤:将热塑性树脂、滑石粉、EBS、蓖麻油酯‑丙烯酰胺‑丙烯酸共聚物、抗氧剂 1010和抗氧剂DSTP,高速混合、塑化、熔融后,加入碳纤维,通过双螺杆挤出机挤出到汽车仪表板的压制模具中成型。本发明具有高强高韧环保安全的优点。

标签:
复合材料
安徽 - 芜湖 来源:中冶有色网 2023-03-18
汽车坐垫用微胶囊芳香型椰壳复合材料的制备方法

一种汽车坐垫用微胶囊芳香型椰壳复合材料的制备方法,属于汽车内饰加工技术领域,包括以下步骤:椰壳纤维预处理、制备椰壳纤维/聚乳酸复合材料、单层造壁、双层造壁、制备微胶囊粉末、制备微胶囊芳香整理剂、微胶囊芳香整理。本发明制备的微胶囊,表面光滑,囊壁致密没有破裂,结构完整,测定其最高含油率达到40%左右。微胶囊外观较为规整,且均一性、分散性良好。柠檬精油被包裹在微胶囊里,微胶囊的平均粒径为2.6um左右,具有良好的热稳定性。以柠檬香精为芯,蜜胺树脂为壁材,选择合适的乳化剂用量、芯材和壁材比例、反应体系温度及pH值、搅拌速度及合理的控制时间,得到粒径较小及结构紧密的微胶囊,且微胶囊释放柠檬香精的速率缓慢。

标签:
复合材料
安徽 - 芜湖 来源:中冶有色网 2023-03-18
中空纳米笼复合材料及其制备方法和应用

本发明公开了一种中空纳米笼复合材料及其制备方法和应用,包括以下步骤:在惰性气体的保护下,将ZIF‑67进行高温热处理得到ZIF‑67/C;将ZIF‑67/C和钴源超声分散在有机溶剂中,进行溶剂热反应,反应结束后冷却至室温,产物经洗涤、干燥,得到Co‑Co LDH/C中空纳米笼;将镍源、碳酸氢铵、Co‑Co LDH/C中空纳米笼超声分散在乙醇中,在室温下搅拌反应,产物经离心,洗涤,干燥,即可得到Co‑Co LDH/C/Ni(OH)2中空纳米笼复合材料,其具有优异的电化学性能进而使其能够应用于超级电容器电极材料中,同时该制备方法工序简单、成本低廉、条件温和、绿色环保等优点。

标签:
复合材料
安徽 - 芜湖 来源:中冶有色网 2023-03-18
棒状核壳结构的钴酸镍/硫化钴镍纳米复合材料、制备方法及其应用

本发明提供了一种棒状核壳结构的钴酸镍/硫化钴镍纳米复合材料、制备方法及其应用。与现有技术相比,本发明利用气相水热法,制备的核壳结构纳米复合材料中,核是NiCo2O4纳米棒,壳是NiCo2S4纳米片;NiCo2S4纳米片作为壳生长在外边,其具有比较大的表面积,且具有优良的导电性能和丰富的氧化还原特性,因而能提供优秀的电化学性能。NiCo2O4纳米棒作为核,除了能参与电化学储能外,还能有效地为NiCo2S4纳米片提供支撑,防止纳米片相互之间叠合在一起而影响其电化学性能的充分发挥。而且,本发明操作简单,不需要特别的设备,因而易于推广。

标签:
复合材料
安徽 - 芜湖 来源:中冶有色网 2023-03-18
高耐热性和高耐磨性无人机用金属复合材料

本发明公开了一种高耐热性和高耐磨性无人机用金属复合材料,由如下重量份的组份组成:铁30‑40份,铜11‑15份,铝12‑25份,锌8‑15份,镁5‑12份,锰3‑8份,锡0.5‑1.0份,钨0.3‑0.5份,金属纤维10‑17份,合成树脂8‑10份,该种高耐热性和高耐磨性无人机用金属复合材料利用原料的互相协调作用,综合其优点,保证材料具有较好的导热性、较高的韧性、较好的耐磨性、较佳的抗腐蚀性、较优的加工性能以及较高的耐热性和耐磨性,能够较好的满足无人机的各种使用环境。

标签:
复合材料
安徽 - 芜湖 来源:中冶有色网 2023-03-18
车载净化器用耐磨性能优异的金属复合材料

本发明公开了一种车载净化器用耐磨性能优异的金属复合材料,包括以下重量份的各组份制备而成:铁粉65‑75份、铝粉10‑15份、铜粉5‑10份、硅粉1‑3份、镍粉0.5‑0.8份、硫0.01‑0.5份、锆0.05‑0.8份、铌合金1‑2份、稀土颗粒2‑6份、硼粉0.1‑0.9份、锰粉0.2‑0.6份,该种车载净化器用耐磨性能优异的金属复合材料冲击强度显著提高,成型加工性能好,提高了耐溶剂性、改进了制品表面光泽及电镀性,且具有优秀的热老化性能,适合在极端高温环境下使用,具有良好的耐磨性能,强度高,耐老化性强,产品阻燃性能优异,产品强度高,冲击强度好,成本低廉,耐腐蚀。

标签:
复合材料
安徽 - 芜湖 来源:中冶有色网 2023-03-18
电脑外壳碳纤维PC复合材料

本发明涉及一种电脑外壳碳纤维PC复合材料,其特征在于:由以下组份组成,且各组分的重量份数为:60‑70份的PC、8‑15份的ABS、5‑14份的碳纤维、5‑10份的滑石粉、5‑8份的增韧剂、0.6‑1份的抗氧剂、11‑13份的光滑剂、10‑15份的阻燃剂、0.6‑0.9份的润滑剂、0.1‑1份的热稳定剂、0.1‑0.2份的色粉、1‑5份的耐刮擦剂、0.5‑2份的抗划伤改性剂,本发明提供了一种电脑外壳碳纤维PC复合材料,具有高强度、高耐热、高耐磨、阻燃性,又能获得高光免喷效果等优点。

标签:
复合材料
安徽 - 芜湖 来源:中冶有色网 2023-03-18
高光型高耐候耐热ASA复合材料及其制备方法

本发明公开了一种高光型高耐候耐热ASA复合材料,涉及高分子材料技术领域,所述共挤料由以下重量份的原料组成:ASA胶粉25‑35份,AS树脂30‑45份,PMMA 30‑40份,N‑苯基马来酰亚胺‑苯乙烯‑马来酸酐共聚物30‑40份,紫外线吸收剂0.1‑0.3份,光稳定剂0.3‑0.5份,抗氧化剂0.3‑0.8份,光亮剂0.5‑1.5份,脱模剂0.1‑0.3份,分散剂0.3‑0.6份,色粉1‑3份,本发明还公开了该种高光型高耐候耐热ASA复合材料的制备方法,本发明的产品具有极佳的耐候性,不易褪色;耐热性能好;高光泽。

标签:
复合材料
安徽 - 芜湖 来源:中冶有色网 2023-03-18
热塑性碳纤维复合材料
热塑性碳纤维复合材料 1148     
 0

本发明涉及一种碳纤维复合材料及其制备方法,所述材料通过使用热塑性树脂复合碳纤维,所述的热塑性树脂为聚丙烯纤维。其通过包括如下步骤的方法制得:(1)碳纤维成网前的预处理,包括纤维的剪切、称量配料、均匀混合、开松、梳理等;(2)将预处理后的碳纤维铺叠成网;(3)将铺叠成网后的碳纤维针刺成毡;(4)将针刺成毡的碳纤维进行成型处理。所述碳纤维复合材料,能替代金属材料用于汽车部件,大幅度减轻汽车产品重量;可根据结构受力部件根据使用要求,进行自由设计;还能降低部件生产周期,制备流程简单、连续、生产效率高、产品质量稳定;且有很好的吸能效果,提高整车安全性;可重复使用,进行二次或多次加工。

标签:
复合材料
安徽 - 芜湖 来源:中冶有色网 2023-03-18
混杂纤维复合材料汽车水箱上横梁及其制造方法

本发明公开了一种混杂纤维复合材料汽车水箱上横梁及其制造方法,属于复合材料和汽车零部件领域。该水箱上横梁是在真空状态下,树脂浸润碳纤维和玻璃纤维混杂的纤维织物后压力成型;所述水箱上横梁包括:梁体;位于所述梁体两侧的梁翼;位于所述梁体顶面两侧的侧边;与所述梁翼相连的第一翼翅;与所述第一翼翅相连的第二翼翅;位于梁翼上的梁冠。本发明的汽车水箱上横梁刚度高,其Z向刚度可达480N/mm;同时,由于混杂纤维中玻璃纤维成本较低,与单独使用碳纤维织物材料相比,在提高水箱上横梁刚度的基础上,降低制造成本。

标签:
复合材料
安徽 - 芜湖 来源:中冶有色网 2023-03-18
涂层复合材料的制备方法

本发明公开了一种涂层复合材料的制备方法,该制备方法工艺简单,生产成本低,适于工业化生产。且该涂层复合材料表面电阻低,具有良好的导电性,且耐盐雾时间长,能够有效避免金属的锈蚀。且应用本发明涂层材料可涂覆于多种金属材料上,所得到的具有该涂层的金属材料适用于石油化工、汽车、船舶、工程机械、电力行业等领域。

标签:
复合材料
安徽 - 芜湖 来源:中冶有色网 2023-03-18
复合材料快速修理飞机金属蒙皮孔边裂纹装置和方法

本发明公开了复合材料快速修理飞机金属蒙皮孔边裂纹装置和方法,步骤为:孔边裂纹探伤、设计修理方案、对裂纹部位的表面进行处理、对钉子的周围进行密封紧固、修复孔边裂纹并加压固化和对飞机表面进行处理,通过这些步骤,有效的减缓了裂纹扩展,且无需对飞机机体和修复的复合材料进行钻铆、也无需拆除原钉,避免了对机体及裂纹的再次伤害,延长了飞机的飞行寿命。

标签:
复合材料
安徽 - 芜湖 来源:中冶有色网 2023-03-18
复合材料模内涂层工艺

本发明公开了一种复合材料模内涂层工艺,包括如下步骤:步骤100、对模具进行预处理后通过外设装置将脱模剂均匀喷涂在模具表面;步骤200、将涂层和固化剂按照比例混合后通过外设装置按照预定轨迹喷涂在模具表面,通过控制固化条件在模具表面形成固化的胶衣层;步骤300、将与涂层同材质的预制件放入模具内,通过控制成型条件压制成型;步骤400、脱模取出成型工件并进行后处理;本发明采用复合材料模内涂层工艺,将胶衣均匀的喷涂在模具表面,待涂层固化后,再投入原材料固化成形即可取出产品获得带有颜色的产品,在工件成型阶的同时将胶衣涂层覆盖于工件的表面,一次性获得覆有胶衣层的成型工件,简化了原有的喷漆工序,且降低了压合难度。

标签:
复合材料
安徽 - 芜湖 来源:中冶有色网 2023-03-18
废料回收型导电尼龙碳纤维热塑性复合材料及其制备方法

本发明涉及新能源汽车材料技术领域,特别涉及一种废料回收型导电尼龙碳纤维热塑性复合材料及其制备方法。原料包括以下组分及重量份含量:尼龙30‑60,碳纤维30‑50,相容剂5‑10,润滑剂1‑3,填充剂0.8‑1.2,纳米无机填料8‑12,氮化硼1‑3,其中,碳纤维中包含废料碳纤维20‑30,所述的纳米无机填料包括有石墨烯及铜纳米线,本发明的目的在于提供了一种能降低成本且导电性能好的废料回收型导电尼龙碳纤维热塑性复合材料及其制备方法。

标签:
复合材料
安徽 - 芜湖 来源:中冶有色网 2023-03-18
超高分子量聚乙烯表面修饰橡胶复合材料的制备方法

一种超高分子量聚乙烯表面修饰橡胶复合材料的制备方法,包括以下步骤:超声波清洗、聚多巴胺修饰超高分子量聚乙烯纤维、天然橡胶NR塑炼、纤维及其他配料混炼、制得混炼胶胶片、混炼胶胶片硫化处理。多巴胺仿生修饰具有简便易行、环保无毒的特点。超高分子量聚乙烯纤维经过多巴胺仿生修饰后,在纤维表面沉积了一层富含酚羟基和氨基官能团的聚多巴胺,可提供二次功能化平台,乙二醇二环氧甘油醚及γ‑缩水甘油醚氧丙基三甲氧基硅烷等单体进行二次功能化,使聚多巴胺的沉积和环氧、多硫等活性官能团的成功引入。提高了超高分子量聚乙烯纤维与橡胶的粘合性能,改性纤维/橡胶复合材料的界面粘合表现出优异的耐老化和抗疲劳性能。

标签:
复合材料
安徽 - 芜湖 来源:中冶有色网 2023-03-18
生铁基复合材料的制备方法

本发明公开了一种生铁基复合材料的制备方法,其中,所述制备方法包括:将钢、生铁装炉,并通电熔化;待温度达到1600-1800℃时,加入钛铁颗粒,升高温度至2000-2500℃;加热1-1.5h后,加入覆盖剂,并降低温度至1500-1600℃,保温1-2h,结束后,扒渣出炉,加入铝丝脱氧,然后在10-15min内浇注成型,解决了目前的生铁基复合材料流程复杂、设备要求高、生产经济性差、产品耐磨性不足,不适合于工业批量生产的问题。

标签:
复合材料
安徽 - 芜湖 来源:中冶有色网 2023-03-18
汽车遮阳板的复合材料及其制备方法

本发明公开一种汽车遮阳板的复合材料,由以下重量份数配比的材料制成,包括聚氨酯35‑40份、聚苯硫醚20‑25份、硼纤维14‑16份、芳纶纤维18‑20份、碳化硅纤6‑11份、聚酯树脂7‑12份、酚醛树脂8‑10份、聚硫橡胶13‑15份、环氧基8‑14份、丙烯酸酯2‑6份、N‑叔丁基‑2‑苯骈噻唑次磺酰胺5‑8份、黄原酸盐10‑16份、邻苯二甲酸酯8‑10份、乙烯‑醋酸乙烯酯共聚物2‑9份、山梨醇单棕榈酸酯6‑7份、苯并三唑12‑16份、月桂酸17‑22份和氧化铁红4‑9份。本发明汽车遮阳板的复合材料抗老化效果好,使用寿命长,耐热温度高,抗拉强度高。

标签:
复合材料
安徽 - 芜湖 来源:中冶有色网 2023-03-18
空间网络状Fe2O3复合材料电极的制备方法

本发明公开了一种空间网络状Fe2O3复合材料电极的制备方法,所述的方法包括以下工序:a、铁片的清洗处理工序,b、溶胶-凝胶酸性溶液的制备工序;c、复合电极的制备工序。本发明与现有技术相比,具有重现性高,操作简便,耗能低,超大电容量688 F/g,大电流密度下快速充放电,成本低,适合于工业上大规模制备;所制备出的3D毛刺状Fe2O3形貌均一且均匀的覆盖在铁电极表面,且拥有较大的比表面积,作为电容器材料可以与电解质溶液充分接触,使充放电快速、高效。

标签:
复合材料
安徽 - 芜湖 来源:中冶有色网 2023-03-18
功能化石墨烯-碳纳米管增强环氧树脂复合材料的制备方法

本发明公开了一种功能化石墨烯‑碳纳米管增强环氧树脂复合材料的制备方法,其特征在于,将石墨烯粉末、二环己基碳二亚胺加入偶联剂中超声分散,加热反应,冷却后离心、洗涤、真空干燥得功能化石墨烯;将多壁碳纳米管加入混酸中,超声回流,减压抽滤,加入N‑N二甲基乙酰胺中,超声振荡,再加入环氧树脂混合溶解,加热搅拌,降温后抽滤得到功能化碳纳米管;把功能化石墨烯、碳纳米管分散到丙酮中超声得组分A;将纳米氧化铝、亲水性纳米氧化硅和环氧树脂用研磨机混合得组分B;将两组分混匀,超声处理,放入烘箱中除丙酮,加入固化剂和促进剂,磁力搅拌真空脱泡;将所得环氧混合物注入模具中,在真空烘箱中固化成型,冷却得环氧树脂复合材料。

标签:
复合材料
安徽 - 芜湖 来源:中冶有色网 2023-03-18
硫化锰/石墨烯纳米复合材料的制备方法、锂离子电池负极、锂离子电池

本发明公开了一种硫化锰/石墨烯纳米复合材料的制备方法、锂离子电池负极、锂离子电池,制备方法步骤包括水热工序、复合工序,本发明制备方法使得硫化锰在石墨烯表面直接进行原位生长,经过洗涤,干燥获得硫化锰/石墨烯复合材料,本发明通过硫化锰和三维还原氧化石墨烯复合来克服其体积变化导致的稳定性差等缺点,增强其导电性,从而提高锂离子电池的性能,该材料应用于锂离子电池负极材料,有着循环稳定性好,比能量密度高等优点。

标签:
复合材料
安徽 - 芜湖 来源:中冶有色网 2023-03-18
高分子-C60一维纳米复合材料及其制备方法

一种高分子-C60 一维纳米复合材料,由高分子和 C60按高分子 /C60=0.01~1的摩尔比混合均 匀后用阳极氧化铝模板法制备得到的纳米管和或棒和或线。本 有机光导体材料其光致导电性与单纯的高分子材料相比有明 显改善,增加15-20倍,可用于纳米器件将有利于纳米器件 性能的改进。

标签:
复合材料
安徽 - 芜湖 来源:中冶有色网 2023-03-18
尼龙纤维表面改性橡胶复合材料的制备方法

一种尼龙纤维表面改性橡胶复合材料的制备方法,属于橡胶复合材料制备技术领域,包括以下步骤:对尼龙纤维进行表面改性处理、天然橡胶NR塑炼、纤维及其他配料混炼、制得混炼胶胶片、混炼胶胶片硫化处理。接枝改性后的尼龙纤维与橡胶材料之间的粘合获得较大的提高,而且处理后的尼龙短纤维较为柔软,容易在橡胶中分散并保护短纤维在炼胶过程中遭到破坏。可以使尼龙短纤维与橡胶基体有较好的结合,从而更好地发挥尼龙短纤维的补强性作用。

标签:
复合材料
安徽 - 芜湖 来源:中冶有色网 2023-03-18
上一页 19 20 21 22 23 ... 39 下一页
共39页    到第

中冶有色为您提供最新的安徽芜湖有色金属复合材料技术理论与应用信息,涵盖发明专利、权利要求、说明书、技术领域、背景技术、实用新型内容及具体实施方式等有色技术内容。打造最具专业性的有色金属技术理论与应用平台!

全国热门有色金属设备推荐
展开更多 +
全国热门有色金属技术推荐
展开更多 +

 

江西省隆恩特环保设备有限公司
宣传

报名参会
更多+

报告下载

有色专家
更多+

矿冶科技集团有限公司
党委书记 / 董事长
江西铜业集团有限公司
党委书记、董事长
洛阳有色矿业集团有限公司
生产技术部经理
长沙矿冶院检测技术有限责任公司
总经理
长沙矿山研究院有限责任公司
高级工程师
赤泥综合利用研究报告2025
推广

热门技术
更多+

推荐企业
更多+

福建省金龙稀土股份有限公司
宣传

发布

在线客服

公众号

电话

顶部
咨询电话:
010-88793500-807