青岛垚鑫智能科技有限公司
宣传

位置:中冶有色 >

有色技术频道 >

分类:
全部
矿山技术
冶金技术
材料制备及加工技术
环境保护技术
分析检测技术
 
全部
废水处理技术
大气治理技术
固/危废处置技术
土壤修复技术
地区:
全部
北京
天津
上海
重庆
河北
山西
辽宁
吉林
黑龙江
江苏
浙江
安徽
福建
江西
山东
河南
湖北
湖南
广东
海南
四川
贵州
云南
陕西
甘肃
青海
内蒙
广西
西藏
宁夏
新疆
其他
其他
展开
 
全部

有色金属环境保护技术理论与应用

免费发布技术信息>>
炼钢生产中的红泥输送装置及其处理方法

本发明公开了一种炼钢生产中的红泥输送装置,包括炼钢红泥池,所述的红泥输送装置按红泥的输送流程,在所述的炼钢红泥池之后,设有变频砂浆泵、烧结配料沉淀池、烧结配料过滤池、配料砂浆泵。本发明还公开了所述的红泥输送装置采用的处理方法。采用上述技术方案,通过其装置及其工艺流程,炼钢红泥浆可被烧结完全消化,并在生产中连续使用,有效降低了红泥配加量,降低了在集中使用时,因红泥成份的大幅波动带来烧结矿成份的波动,同时完全避免了红泥固体配加方式的场地浪费、固定设施费用及运输费用的增加,且因使用焦化废水进行稀释,最终使得焦化废水在烧结消化,带来巨大的环境效益。

标签:
固废
安徽 - 芜湖 来源:中冶有色网 2023-03-19
工程燃料原料
工程燃料原料 1193     
 0

本发明公开了新型工程燃料原料、由所述工艺生产的原料以及制造该燃料原料的方法。由处理过的城市固体废物废物流衍生的组分可用于制造那些实质上不含玻璃、金属、砂砾和不燃物的原料。这些原料具有多种用途,包括作为气化和燃烧燃料。

标签:
固废
其他 - 其他 来源:中冶有色网 2023-03-19
再生低烟无卤电缆料及其制备方法

本发明公开了一种再生低烟无卤电缆料及其制备方法。该再生低烟无卤电缆料包括以下重量份数的组分:废旧低烟无卤电缆破碎料100份;润滑剂0.3~0.5份;抗氧剂0.2~0.3份;色母0.5~0.8份;所述的制备方法包括分拣去杂、破碎、清洗、干燥、捏合、挤出和造粒及包装工序。本发明的再生低烟无卤电缆料,拉伸强度≥10.0MPa,断裂伸长率≥150.0%,低温脆化冲击温度为-30℃,20℃体积电阻率≥1.0×1010Ω·m,氧指数≥33.0%,各项指标均超过国家标准。本发明的再生方法,能够高效制备出再生低烟无卤电缆料,提高了资源利用率,减少了固体废弃物污染,具有很大的经济前景,同时,产生很好的社会效益。

标签:
固废
江苏 - 扬州 来源:中冶有色网 2023-03-19
利用菱镁矿脱硫及硫的资源化利用方法

本发明公开一种利用菱镁矿脱硫及硫的资源化利用方法,属于工业固体废弃物资源化处理技术领域;本发明将将菱镁矿尾矿经破碎筛分,得菱镁矿尾矿颗粒;利用半熔法对菱镁矿尾矿颗粒进行焙烧,然后采用水闪蒸干法迅速降温形成Mg(OH)2气溶胶;将Mg(OH)2气溶胶泵入吸收氧化塔内,使其与吸收塔内的催化剂、氧气、含SO2的工业废气接触形成MgSO4浆液;MgSO4浆液经蒸发结晶获得MgSO4•7H2O;本方法在脱硫的同时一步制得MgSO4产品,具有烟气脱硫效率高、设备投资及运用维护费用低、不产生污水、副产品能综合回收等优点,能实现了工业固体废弃物和废气的资源化利用。

标签:
固废
云南 - 昆明 来源:中冶有色网 2023-03-19
用于处理污染物方法
用于处理污染物方法 792     
 0

本公开的实施例公开了用于处理污染物方法。该方法的一具体实施方式包括:确定目标区域;确定目标区域内的污染物信息,其中,污染物包括废气类污染物、废水类污染物和固体类污染物;根据污染物信息确定废气类污染物、废水类污染物或固体类污染物对应的污染源源强核算公式以及根据污染源源强核算公式确定污染源源强;响应于确定目标区域内污染源源强达到预定阈值,从污染物中分离出相应类型污染物以及对分离出的污染物进行处理。该实施方式通过确定污染源源强的核算公式,从而提高污染源源强核算的准确度。

标签:
固废
江苏 - 苏州 来源:中冶有色网 2023-03-19
修道改良土壤结构的复合制剂及其制备方法

一种修道改良土壤结构的复合制剂,包括钻井泥浆固体物30‑50份、普通硅酸盐水泥10‑20份、高钙粉煤灰10‑15份、石膏5‑10份;所述钻井泥浆固体物是将废钻井泥浆加入酸将pH值调整到7‑8,然后加入表面改性剂再经干燥获得;所述表面改性剂是聚丙烯酰胺、聚甲基丙烯酸酯、聚丙烯酸酯、聚乙烯醇、羧甲基纤维素中的一种。本发明利用废钻井泥浆等废弃或廉价的工业原料制备土壤固化剂,降低了施工成本,减少了废弃物的排放,保护环境。

标签:
固废
山东 - 枣庄 来源:中冶有色网 2023-03-19
直接制备HZSM-5分子筛和成型HZSM-5分子筛的方法

本发明涉及一种直接制备HZSM-5分子筛和成型HZSM-5分子筛的方法。其特点是,包括如下步骤:以硅源、铝源、HZSM-5晶种和模板剂为原料,先将其中的固体原料研磨并充分混合,再加入液体原料混合后放入晶化釜中晶化,得到的样品经洗涤、干燥,再经焙烧即得HZSM-5分子筛。本发明提供了一种制备HZSM-5分子筛的方法以及制备成型HZSM-5分子筛的方法,主要解决传统合成工艺路线较长、模板剂用量较多、废液排放较多、成型工艺影响分子筛性能或路线较长等问题,本发明方法直接制备HZSM-5和成型HZSM-5,具有制备及成型工艺路线更短、废液排放极少、晶化方式简单、收率高。

标签:
固废
宁夏 - 银川 来源:中冶有色网 2023-03-19
自粘反应性遇水膨胀防水密封材料及其生产方法

本发明涉及的是一种自粘反应性遇水膨胀防水密封材料及其生产方法,其中的自粘反应性遇水膨胀防水密封材料以丁基橡胶为基体,其它原材料包括聚异丁烯、非晶态α-烯烃共聚物、脱硫石膏、膨润土、增粘树脂、氯化锂、氯化钙、硬脂酸钙、交联剂,按重量份数计,上述各组份的配比如下:丁基橡胶(IIR)50~100份、聚异丁烯50~120份、非晶态α-烯烃共聚物5~10份、脱硫石膏100~180份、膨润土80~120份、增粘树脂12~25份、氯化锂0.1~2份、氯化钙1~10份、硬脂酸钙0.08~1.2份、交联剂0.5~3份。本发明即拓宽了固体废弃物脱硫石膏的利用范围,又解决了现有的防水密封产品不能与混凝土发生化学交联反应的问题,将两者行机地结合起来,变废为宝,开拓性地提供了具有自我修复功能的自粘反应性遇水膨胀防水密封材料。

标签:
固废
黑龙江 - 大庆 来源:中冶有色网 2023-03-19
N.N-乙撑双油酸酰胺的生产工艺

本发明涉及N.N-乙撑双油酸酰胺的生产工艺,以菜油酸化油为起始原料,依次经酯化、蒸馏、酰胺化、脱臭、漂白和脱水,所述酯化是将菜油酸化油加入甲醇,固体酸作催化剂,反应生成菜油酸甲酯,蒸馏后与乙=胺反应,氢氧化钾作催化剂,反应生成N.N-乙撑双油酸酰胺。本发明不仅实现再生资源的充分利用,减少环境污染,而且能够生产出品质和含量更高的N.N-乙撑双油酸酰胺,其生产成本低,具有较高的经济价值,同时也能回收、循环利用废弃物,生产过程中产生的污染较小,废水易处理,能够达到国家相关标准,符合国家可持续发展的政策。

标签:
固废
广东 - 江门 来源:中冶有色网 2023-03-19
核壳结构高强抗震型免烧陶粒、其制备方法及其应用

本发明公开了一种核壳结构高强抗震型免烧陶粒、其制备方法及其应用,该陶粒包括内核及包裹在所述内核外的外壳,其组成为按照下述重量百分比的组分:建筑固体废弃物77.73%-86.73%;泡沫球0.23%-0.43%;硅酸盐水泥12.95%-16.95%;硅微粉2.59%-3.39%;复合有机结合剂1.10%-1.50%;其中,所述泡沫球作为内核,其余组分作外壳。本发明将建筑固体废弃物和包装废弃物作为再生资源得到充分的利用,制成了质量轻、强度高、抗震性能强的建筑混凝土集料的免烧陶粒,有效减少了污染,变废为宝,同时减少了建筑成本,具有极高的社会价值和经济价值。

标签:
固废
四川 - 德阳 来源:中冶有色网 2023-03-19
耐盐净污菌剂的制备方法及其菌剂

一种耐盐净污菌剂的制备方法及其菌剂,属于含盐废水生物处理技术领域。耐盐净污菌剂的制备方法,其中,1)将耐盐净污菌试管种接种于营养琼脂培养基中培养;2)将上述培养好的菌种,按培养基重量的1%-2%的接种量接入到预设容积量的发酵罐培养基中,培养至对数生长期;3)发酵罐生产过程中,无菌空气的通气量为4.0-6.0升/分钟,搅拌速度为60-120转/分钟,培养温度为25℃-40℃,全流程培养时间为24-48小时,发酵完成后培养液分装,或采用无菌附着物吸附、干燥,制成固体菌剂。菌剂的菌种保藏于中国微生物菌种保藏管理委员会普通微生物中心,菌种保藏编号CGMCC?No.3314。本发明采用生物强化技术,大大提高含盐废水处理能力,成本低,效果显著。

标签:
固废
天津 - 天津 来源:中冶有色网 2023-03-19
赤泥料浆化多级循环脱碱方法

本发明公开了一种赤泥料浆化多级循环脱碱方法,本方法经赤泥料浆化脱碱、赤泥料浆过滤碱分离、脱碱溶液碱回收等工序,在有效地处理氧化铝工业排出的固体废弃物赤泥的同时还实现了综合利用;本方法没有“三废”排放,无二次环境污染问题,且工艺简单,成本低廉。

标签:
固废
天津 - 天津 来源:中冶有色网 2023-03-19
气化焚烧熔融一体炉
气化焚烧熔融一体炉 728     
 0

本发明公开了一种气化焚烧熔融一体炉,包括第一燃烧室(20)、第二燃烧室(30)和熔融段(40);第一燃烧室(20)为回转式气化炉,用于对固体废弃物进行焚烧,以形成气化气、烟气、飞灰以及炉渣;该第一燃烧室(20)具有入口(21)和出口(22),并沿从入口(21)至出口(22)的方向向下倾斜;第二燃烧室(30)垂直布置,与出口(22)相连通,用于燃烧加热在第一燃烧室(20)中所形成的气化气以及烟气,并沉降部分飞灰;熔融段(40)设置在第二燃烧室(30)下方,用于收集并熔融处理炉渣和飞灰。本发明实现了固体废弃物的气化、焚烧和熔融的一体化,设备紧凑,操作简便,能对固体废弃物进行有效处理。

标签:
固废
广东 - 深圳 来源:中冶有色网 2023-03-19
多元基体复合相变储能材料及其制备方法

本发明公开了一种多元基体复合相变储能材料的制备方法,该方法所需材料来源均来源广泛,在我国很容易得到,生产成本低,价格低廉,简单易行,利于工业化应用。该方法包括步骤1,多元基体制备:1.1生物质固体废弃物基体制备,1.2铁尾矿基体制备,1.3硅藻土基体制备;步骤2,多元基体复合相变储能材料制备的过程。本发明还公开了使用该方法制备的多元基体复合相变储能材料,该复合相变储能材料既能提高固体废弃物综合利用水平,又能解决相变材料泄漏和有机相变材料导热性差等问题,具有固体废弃物利用水平高,导热性能好,对相变材料的封装承载率高的主要功能优点。

标签:
固废
河北 - 石家庄 来源:中冶有色网 2023-03-19
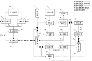
绿色高效的电力-氨-电力能源系统

一种绿色高效的电力‑氨‑电力能源系统,包括氨储存罐、固体氧化物燃料电池和氢储存罐,氨储存罐的一路出口连接换热器的一个物流入口,换热器出口连接固体氧化物燃料电池的入口,固体氧化物燃料电池用于反应产电,其尾气出口连接SCR装置的入口,SCR装置用于将尾气中氮氧化物转化为氮气,其出口连接氨合成装置二的第一入口,氨合成装置二的第二入口连接氢储存罐的出口,氨合成装置二用于将氮气和氢气合成为氨气,其出口连接氨分离装置二的入口,氨分离装置二用于分离出氨气和废气,废气换热装置用于回收废气中的热量,其热流出口连接换热器的一个热流入口,本发明可提升氨发电系统的整体效率,同时解决分布式能源能量产出不稳定的问题。

标签:
固废
陕西 - 西安 来源:中冶有色网 2023-03-19
用于降低水稻籽粒镉吸收的炭基改良剂的制备方法

本发明涉及一种用于降低水稻籽粒镉吸收的炭基改良剂的制备方法,包括以下步骤:第一步、以柠檬酸钠、碳酸氢钠、二硫酸钠为原料配置成复合型浸提溶液,第二步、将富含硅的固体工业废弃物进行研磨得到粒径≤1mm的固体工业废弃物颗粒,第三步、将固体工业废弃物颗粒与复合型浸提溶液混合后,间歇振荡1~2天,过滤得滤液,第四步、将晾干粉碎后的生物质原料与上述滤液混合后浸泡3~4天,过滤得浸泡后的生物质原料,第五步、取浸泡后的生物质原料与石灰混合,晾干,在氮气保护下热裂解炭化得到炭基改良剂。本发明增加了土壤中有效态硅含量,有效提高水稻等作物对硅的吸收,显著抑制了水稻根系对镉的吸收和镉从根系向籽粒的运移。

标签:
固废
江苏 - 南京 来源:中冶有色网 2023-03-19
输电杆塔安装基础用灌浆料

本发明公开了一种输电杆塔安装基础用灌浆料,混凝土浆料领域,由以下重量份数的组分构成:水泥800-1200份,石英粉200-400份,碳酸钙100-200份,工业固体废弃物700-1300份,减水剂10-30份,膨胀剂30-60份,改性剂10-15份,早强剂8-20份。本发明输电杆塔安装基础用灌浆料,包裹强度大,保证了输电杆塔的稳定性,且拉拔力增加,适合现有大型输电杆塔安装时使用;此外使用工业固体废弃物为原料,既环保又能提高固体废弃物的附加值。

标签:
固废
北京 - 北京 来源:中冶有色网 2023-03-19
高导热的金属-氯化物熔盐材料及制备方法与应用

本发明公开了一种高导热的金属-氯化物熔盐材料及制备方法与应用。该高导热的金属-氯化物熔盐材料由以下成分组成:金属镁粉0.05~2%、氯化钙98~99.95%。本发明通过将金属镁粉与氯化钙混合,搅拌均匀,在惰性气体保护氛围中加热至固体全部熔融成液体,保温,然后冷却、粉碎、干燥,得到高导热的金属-氯化物熔盐材料。该高导热的金属-氯化物熔盐材料原料来自于盐湖钾肥生产过程中产生的尾矿废弃盐,使盐湖尾矿废弃盐得到高值化利用,实现盐湖资源综合开发与环境保护,而且该体系导热系数高,传热性好,适合应用于可再生能源规模化利用和工业节能领域。

标签:
固废
广东 - 广州 来源:中冶有色网 2023-03-19
基于电石渣脱硫脱硝的发泡保温材料的制造方法

本发明公开了一种基于电石渣脱硫脱硝的发泡保温材料的制造方法。将由粒度分别为200目以上的电石渣、赤泥和氧化镁组成的脱硫剂加入碱性工业废水制备脱硫剂浆液;使脱硫剂浆液和1~15wt%的臭氧与烟气接触;当吸收浆液的pH值至5.3~6.8时排出浆液,向排出的浆液中加入氧化镁,得到脱硫脱硝浆液;将包含脱硫脱硝浆液、氧化镁、工业固体废物、发泡剂和聚乙烯醇纤维的原料混合,然后发泡成型得到预成型体;将所述预成型体在温度为20~60℃、且湿度为50~100%的条件下养护3~8小时。本发明的方法可以解决二氧化硫和氮氧化物带来的大气污染问题,还可以利用工业废水、工业固体废物获得合格的发泡保温材料。

标签:
固废
北京 - 北京 来源:中冶有色网 2023-03-19
用于重油热回收的水处理方法

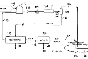
处理来自重油热回收单元的生产水的方法和设备以实现水循环量80%~100%,达到零排放。包括从位于蒸汽发生器下游的高压蒸汽分离器捕集废热能的初始步骤。再将热能传递到加热分离器和再沸换热器以蒸馏储油层生产水,回收蒸馏水和浓缩盐水或固体产品。加热分离器的浓缩物流经再沸换热器循环,其返回物流中维持1%~50%质量的蒸汽以防结垢。该设备包括与强制循环回路相结合的低压废能分离器、加热分离器和蒸汽压缩机以产生蒸馏水。

标签:
固废
其他 - 其他 来源:中冶有色网 2023-03-19
利用印染污泥制造的轻质陶粒及其制造方法

本发明属于污泥回收资源化利用技术领域,尤其涉及一种利用印染污泥制造的轻质陶粒及其制造方法,首先将建筑垃圾粉碎,得到建筑垃圾粉碎物;将建筑垃圾粉碎物与印染污泥混合均匀,造粒后在1150-1500℃进行焙烧,焙烧20-120分钟,冷却得到轻质陶粒。本发明通过将印染污泥、建筑垃圾按一定的比例混合,发挥它们之间的协同作用,使制得的轻质陶粒不仅容重轻而且强度高,比普通陶粒有更为优良的物理力学性能。本发明不仅可以变废为宝,而且有利于改善环境污染,符合我国固体废物处理的无害化、减量化和资源化原则,具有显著的经济效益和社会效益。

标签:
固废
广东 - 东莞 来源:中冶有色网 2023-03-19
水淬锰渣高性能混凝土及其制备方法

本发明公开了一种水淬锰渣高性能混凝土及其制备方法,它由水硬性胶凝材料和碎石、砂子、水及少量表面活性剂制备而成;按重量百分比计算,所述水硬性胶凝材料由内掺4%~10%天然硬石膏的水淬锰渣15%~30%、膨胀剂8%~10%和水泥60%~77%组成。本发明利用锰渣和膨胀剂双掺制备高性能混凝土,首先针对锰渣潜在的水凝性进行了高值化综合应用,降低了水泥水化热,节约了混凝土水泥用量,降低了混凝土成本;又利用膨胀剂解决了混凝土收缩开裂问题,确保了高性能混凝土的尺寸稳定性;同时本发明可以消化掉大量的工业固体废弃物(锰渣),加强了废渣的综合利用,减少了环境污染。

标签:
固废
贵州 - 贵阳 来源:中冶有色网 2023-03-19
保温抗裂生土砖制备方法

本发明公开了一种保温抗裂生土砖制备方法,其特点在于,采用了煅烧脱硫石膏、脱硫灰、农作物秸秆粉、可再分散乳胶粉、表面活性剂、粘土、加上水固比为0.3~0.5的水,再采用混合、搅拌、成型养护等步骤制备。本方法有效地利用了燃煤电厂脱硫废弃物和农业固体废弃农作物秸秆,具有成本低廉、便于生产、力学性能和耐久性较好,以及具有良好抗裂性和热工性能,可以再生循环利用等优点。?

标签:
固废
重庆 - 重庆 来源:中冶有色网 2023-03-19
用栀子为原料制备栀子黄色素的方法

本发明公开了一种用栀子为原料制备栀子黄色素的方法,它利用HPD-100型大孔树脂吸附栀子提取液中各成分能力的强弱不同,用特定的速度上样,以不同浓度的乙醇溶液、以不同洗脱速度进行洗冲洗并分段收集冲洗液,先后用去离子水、25%乙醇洗脱,收集洗脱液,以吸光度A238小于0.8为洗脱终点,然后用70%乙醇洗脱栀子黄色素,分段收集以OD低于0.8的栀子黄色素溶液,将栀子黄色素溶液经喷雾干燥制得栀子黄色素成品。提取后栀子药渣可以用作饲料添加剂或肥料。整个工艺涉及技术没有产生固体废渣,没有产生工艺废水,是一种环保型工艺,适合企业生产应用,产品质量好,经济价值高。

标签:
固废
浙江 - 杭州 来源:中冶有色网 2023-03-19
海参卵营养品及其制备方法

海参卵营养品及其制备方法,海参卵营养品为白色或淡黄色固体粉末,无臭、无味,易溶于水和乙醇,有吸湿性。其制备方法是由海参卵、肠经破碎、酶解、离子交换去除金属离子、冷冻干燥制成。其中所述酶解是采用外源酶和内源酶结合酶解或单用外源酶酶解,单用外源酶酶解是使用单一胃蛋白酶或使用胰蛋白酶、中性蛋白酶和碱性蛋白酶混合。本发明的突出特点是将传统方法加工海参的废弃物经过加工处理成极富营养价值的滋补品,同时还减少废弃物对环境的污染。加工处理的工艺合理、简单、易于实现工业化。

标签:
固废
辽宁 - 大连 来源:中冶有色网 2023-03-19
油页岩半焦及其改性材料的应用

本发明属于固体废弃物的资源化利用领域,具体地说是一种油页岩半焦及其改性材料在作为堆肥添加剂中的应用,和促进堆肥的方法。油页岩半焦及其改性材料在作为堆肥添加剂的应用。将油页岩半焦或经酸碱以及高温改性活化后的油页岩半焦与堆肥原料混合,搅拌均匀后进行堆肥,可以改善堆体的孔隙结构,促进有机质的降解,缩短堆肥周期;还能抑制氨气的挥发,减少N营养素损失,提高堆肥质量;同时堆肥过程中因厌氧环境而产生的CH4和N2O气体大大减少;另外油页岩半焦本身就属于固体废弃物,价格低廉,数量巨大,作为多孔添加剂应用于堆肥领域,不仅可以实现废弃物的资源化利用,实现变废为宝,存在于半焦中的多环芳烃等有机污染物还可被为微生物降解,减少环境污染。

标签:
固废
山东 - 青岛 来源:中冶有色网 2023-03-19
家畜粪便的处理方法
家畜粪便的处理方法 1034     
 0

本发明公开了一种家畜粪便的处理方法,包括以下步骤:首先用清水冲洗地面三次,将地面上的粪便都冲洗干净;将混有粪便的污水排至过滤池中,进行过滤处理,过滤过程中不断搅拌;过滤后得到固体废物和液体废物,将固体废物用作田间肥料;将液体废物排至净化池中,放入净化菌,开始净化处理;净化后的水可用于再次冲洗地面。

标签:
固废
江苏 - 徐州 来源:中冶有色网 2023-03-19
吡咯并吡嗪的制备方法

本发明公开了一种吡咯并吡嗪的制备方法,包括如下步骤:(1)将左旋佐匹克隆(I)溶于有机溶剂中,调节pH=8-10,加热回流;(2)加入水,搅拌,静置分层,分去水层;(3)重复步骤(2);(4)向有机层中加入干燥剂干燥,过滤,滤液减压浓缩至干为化合物(II);(5)将化合物(II)溶解于有机溶剂中,加氧化剂,加热回流氧化,过滤,滤液减压浓缩,冷却析晶,过滤,固体干燥得到吡咯并吡嗪(III);本发明的方法可以将生产右佐匹克隆的副产物左旋佐匹克隆为原料,反应生成吡咯并吡嗪(II?I),而吡咯并吡嗪(I?II)按常规技术生成佐匹克隆,在有质量保证的前提下将废物利用得到最大化,大大地降低了三废的排放。

标签:
固废
天津 - 天津 来源:中冶有色网 2023-03-19
利用宜君砂尾矿制备高硬度亚光瓷釉的方法

一种利用宜君砂尾矿制备高硬度亚光瓷釉的方法,将生黄土粗料在研钵中研磨均匀,装入坩埚,在高温炉中煅烧至600℃,保温60分钟后自然冷却,待冷却后进行球磨,过80目筛,制得精细煅烧黄土料;将宜君砂,生黄土,煅烧黄土,长石,磷酸钙,三聚磷酸钠,CMC混合,细磨至250目,调制釉浆比重为1.7g/cm3;将釉浆均匀地施敷在坯上,升温至1150?1210℃,保温20?35分钟,然后自然冷却即可;由于釉浆中的宜君砂含有大量的石英及少量高钙氧化物,烧成后的釉面硬度高、且耐磨性好;利用宜君砂尾矿将废弃的尾矿资源化再利用,降低固体废物排放,减少陶瓷原矿用量,节约矿产资源,所得到陶瓷产品可达到成本低、硬度高、耐磨性好的效果,具有节约资源、降耗降成本等多重优势。

标签:
固废
陕西 - 西安 来源:中冶有色网 2023-03-19
补救污染水的方法和设备

本发明公开了补救污染水的方法,该污染水例如为地下水、地表水和废水,例如被下列物质污染的地下水:溶解的和游离的子相烃、金属如铬和其他过渡金属、铀、石油烃(BTEX)的可溶性成分、高氯酸盐和六氢-1,3,5-三硝基-1,3,5-三嗪(RDX),特别是氯代烃。该方法包括用残渣例如威士忌生产中大麦发酵过程的固体废产物来处理水。本发明也公开了补救污染水的设备。

标签:
固废
其他 - 其他 来源:中冶有色网 2023-03-19
上一页 2009 2010 2011 2012 2013 ... 5000 ... 5981 下一页
共5981页    到第

中冶有色为您提供最新的有色金属环境保护技术理论与应用信息,涵盖发明专利、权利要求、说明书、技术领域、背景技术、实用新型内容及具体实施方式等有色技术内容。打造最具专业性的有色金属技术理论与应用平台!

全国热门有色金属设备推荐
展开更多 +
全国热门有色金属技术推荐
展开更多 +

 

江西省隆恩特环保设备有限公司
宣传

报名参会
更多+

2025年10月15日 ~ 17日
2025年10月17日 ~ 19日
2025年10月31日 ~ 11月02日
2025年11月07日 ~ 09日

报告下载

有色专家
更多+

中国矿业大学
教授
北京科技大学
教授
石家庄铁道大学
团委书记/副教授
北京科技大学
副院长/教授
矿冶科技集团
中国工程院院士
赤泥综合利用研究报告2025
推广

热门技术
更多+

推荐企业
更多+

福建省金龙稀土股份有限公司
宣传

发布

在线客服

公众号

电话

顶部
咨询电话:
010-88793500-807