青岛垚鑫智能科技有限公司
宣传

位置:中冶有色 >

有色技术频道 >

> 加工技术

分类:
全部
矿山技术
冶金技术
材料制备及加工技术
环境保护技术
分析检测技术
 
全部
功能材料技术
复合材料技术
新能源材料技术
合金材料技术
加工技术
地区:
全部
北京
天津
上海
重庆
河北
山西
辽宁
吉林
黑龙江
江苏
浙江
安徽
福建
江西
山东
河南
湖北
湖南
广东
海南
四川
贵州
云南
陕西
甘肃
青海
内蒙
广西
西藏
宁夏
新疆
其他
其他
展开
 
全部
成都
自贡
攀枝花
泸州
德阳
绵阳
广元
遂宁
内江
乐山
南充
眉山
宜宾
广安
达州
雅安
巴中
资阳
阿坝藏族羌族自治州
甘孜藏族自治州
凉山彝族自治州

四川有色金属加工技术理论与应用

免费发布技术信息>>
固态锂电池电解质材料及其制备方法

本发明涉及锂电池领域,公开了一种固态锂电池电解质材料及其制备方法。包括如下制备过程:(1)将四氯化钛、三氯化铝、锂源和磷酸溶于无水乙醇,搅拌成均匀溶液;(2)在溶液中加入纳米卤代硼酸锂玻璃粉末,加热后干燥制得干凝胶;(3)将干凝胶保温处理后高温煅烧,即得卤代硼酸锂玻璃改性磷酸钛铝锂固体电解质材料。本发明制得的固体电介质材料,利用空间电荷效应在纳米卤代硼酸锂玻璃掺杂入磷酸钛铝锂,在第二相粒子表面形成高电导层,显著增强了电导率,同时使用纳米级颗粒,可有效防止第二相在烧结时过度生长而出现阻塞效应,避免了电导率下降的问题。

标签:
加工技术
四川 - 成都 来源:中冶有色网 2023-03-18
铝氟双重改性锂离子电池正极材料及其制备方法

本发明属于锂离子电池领域,提供锂离子电池正极材料Li(Ni0.8Co0.1Mn0.1)1‑xAlxO2‑yFy@LiAlO2及其制备方法,其中00.8Mn0.1Co0.1O2电化学循环性能差、安全性能不佳的缺点。本发明在母体材料中采用铝和氟共掺杂,三价的铝元素不仅能够稳定材料的结构,而且能阻止Ni2+取代Li+,从而降低锂/镍阳离子混排,并且氟能抑制材料与电解液的副反应;同时,母体材料Li(Ni0.8Co0.1Mn0.1)1‑xAlxO2‑yFy表面包覆一层极薄的锂快离子导体偏铝酸锂,偏铝酸锂能够起到提升锂离子传输和降低表面碱性的作用;从而使得本发明锂离子电池正极材料在循环稳定性提升的同时也能具有较高的放电比容量,且相较于LiNi0.8Co0.1Mn0.1O2结构更为稳定,提高了材料的安全性和加工性能,尤其是在大倍率和高电压下,其安全性能得到大幅提升。

标签:
加工技术
四川 - 成都 来源:中冶有色网 2023-03-18
锂离子电池纳米炭微球负极材料及其制备方法

本发明涉及一种锂离子电池纳米炭微球负极材料及其制备方法,属于锂离子电池负极材料技术。所述的锂离子电池纳米炭微球负极材料由煤沥青基两亲性炭材料、石油沥青基两亲性炭材料、中间相沥青基两亲性炭材料、石油焦基两亲性炭材料、针状焦基两亲性炭材料和沥青焦基两亲性炭材料之中的一种经过配制溶液、搅拌以及精馏分离等步骤制成,本发明制备的纳米炭微由两亲性炭材料在表面张力的约束下自组装形成,因此球粒径均匀,球形度好,作为锂离子电池负极材料具有高的可逆容量和优良的循环性能。

标签:
加工技术
四川 - 成都 来源:中冶有色网 2023-03-18
钝化金属锂粉制备装置
钝化金属锂粉制备装置 1101     
 0

本实用新型涉及锂离子电池制造领域,公开了一种钝化金属锂粉制备装置。该锂粉制备装置包括雾化机构和密闭的钝化仓,所述雾化机构的雾化喷口与钝化仓内部相连通,所述钝化仓内设置有与钝化仓内部相连通的钝化气流喷口。该装置将雾化和钝化进行一体化设计,利用钝化气流直接与雾化的锂射流相接触,借助锂射流带出的温度进行钝化反应,相较于传统先冷却再钝化的方式,不但可以节约能源,还能使锂粉钝化更为充分;而且钝化气流与锂射流相互作用在一定程度上可以促进金属锂进一步雾化,提高钝化锂粉的成球效果;此外,钝化气流还可起到冷却作用,使锂粉在接触仓壁前充分冷却定形。

标签:
加工技术
四川 - 遂宁 来源:中冶有色网 2023-03-18
全天候电动汽车的锂离子电池相变散热结构

本实用新型公开了一种全天候电动汽车的锂离子电池相变散热结构,其特征在于:主要由下表面嵌入主锂离子电池组且上表面嵌入吸液芯的电池隔板(4),设置在电池隔板(4)上的散热部件组成,以及设置在电池隔板(4)上且嵌入副锂离子电池组的电池底板(5)组成。本实用新型不仅结构简单,而且成本低廉,在环境温度过低时可使用副锂离子电池组为电动汽车供电,副锂离子电池组作为辅助电池工作并能预热电池隔板上的主锂离子电池组,当环境温度合适时即可使用主锂离子电池组供电,同时可通过散热部件快速有效地散热,从而能确保在使用锂离子电池为电动汽车供电时更加安全可靠,并能极大地提高锂离子电池的使用寿命,因此适合推广使用。

标签:
加工技术
四川 - 成都 来源:中冶有色网 2023-03-18
锂电池运输装置
锂电池运输装置 708     
 0

本实用新型公开了一种锂电池运输装置,涉及到运输设备技术领域。包括基板,所述基板的顶端四角分别设置有圆形限位槽一、圆形限位槽二、圆形限位槽三、圆形限位槽四,所述圆形限位槽一、圆形限位槽二、圆形限位槽三、圆形限位槽四的内部分别设置有减震弹簧一,减震弹簧二、减震弹簧三、减震弹簧四。有益效果:解决了运输装置对锂电池运输遇到较差的路况时,造成充电锂电池的晃动,使得充电锂电池与运输箱发生硬性碰撞,导致充电锂电池在运输过程中出现损坏的问题,保护了充电锂电池,值得推广,降低了运输过程中产生的晃动,进而确保了锂电池的安全。

标签:
加工技术
四川 - 成都 来源:中冶有色网 2023-03-18
锂电池保护和防钝化电路

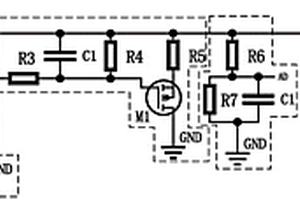
本实用新型公开了一种锂电池保护和防钝化电路,包括:锂电池、放电电路、AD检测电路和锂电池输出控制电路U1;所述锂电池的输出端分别与放电电路的输入端、AD检测电路的输入端和锂电池输出控制电路U1的输入端连接;本实用新型解决了锂离子电池在长期不工作表面会形成一层钝化膜,以及锂离子电池被反向充电的问题。

标签:
加工技术
四川 - 成都 来源:中冶有色网 2023-03-18
类球形锰酸锂的制备方法及正极材料

本发明公开了类球形锰酸锂的制备方法及正极材料,涉及电池材料技术领域。类球形锰酸锂的制备方法包括:将锰盐、碳酸氢盐、铝粉、石墨烯和溶剂混合反应后过滤,将过滤得到的固体热处理后得到二氧化锰中间体;将二氧化锰中间体与碳酸锂进行高温煅烧;其中,锰盐选自硫酸锰、一水硫酸锰、硝酸锰中的任意一种,优选为一水硫酸锰。正极材料包括类球形的锰酸锂,且锰酸锂中掺杂有铝,锰酸锂被石墨烯包覆。锰酸锂产品属于类球形结构,具有十分理想的高温循环性能,适合于推广应用。

标签:
加工技术
四川 - 成都 来源:中冶有色网 2023-03-18
动力锂电池纤维膜固体电解质及制备方法

本发明提供一种动力锂电池纤维膜固体电解质的制备方法,将离子液与聚合物分散熔融制备成纺丝液A;将锂化合物研磨至纳米级与二氧化硅溶胶、聚乙二醇组成纺丝液B;将纺丝液A和纺丝液B加入纺丝甬道,进行同轴静电纺丝,使纺丝液A在外层,纺丝液B在内层;并在外层的表面喷涂硅酸锂水溶液,喷丝在辊筒上沉积,进入弱酸液处理,然后压制、干燥,得到一种动力锂电池纤维膜固体电解质。本发明通过同轴纺丝,将锂化合物封装在纤维内层,不但稳定了无机锂化合物,而且复合纤维表面通过硅酸锂凝胶化形成疏松和微孔,良好的界面性能大幅提升了电导率。本发明制备过程工艺易控稳定,适合于大规模生产制造。

标签:
加工技术
四川 - 成都 来源:中冶有色网 2023-03-18
磷酸亚铁锂正极材料综合回收利用方法

本发明涉及磷酸亚铁锂正极材料综合回收利用方法,属于废旧锂离子电池回收利用技术领域。本发明所解决的技术问题是提供了一种磷酸亚铁锂正极材料综合回收利用方法。本发明磷酸亚铁锂正极材料综合回收利用方法包括如下步骤:a、磷酸亚铁锂正极材料于500-800℃焙烧1~4h;b、焙烧后的物料加硫酸浸出,浸出时pH值控制在0.5~1,过滤得到磷酸锂、磷酸铁和硫酸铁的混合溶液;c、b步骤所得混合溶液加热到80~100℃,并调节pH值到2~2.5,反应1~4h,过滤、洗涤、干燥得到磷酸铁;d、c步骤过滤所得的滤液调节pH值到10~12,反应0.5~2h,过滤、洗涤、干燥得到磷酸锂。

标签:
加工技术
四川 - 遂宁 来源:中冶有色网 2023-03-18
磷酸二氢锂母液的处理方法

本发明公开了磷酸二氢锂母液的处理方法,向磷酸二氢锂母液中添加沉锂试剂进行沉锂处理,沉锂处理过程中温度控制在70‑95℃,氢氧化钠、氢氧化钾,或氨水作沉锂试剂时的使用量相对于磷酸二氢锂母液过量2‑4%。氢氧化锂作沉锂试剂时,磷酸二氢锂母液的使用量相对于氢氧化锂过量2‑4%。本发明通过对沉锂过程进行温度控制,将沉锂温度控制在70‑95℃,实现了沉锂后磷酸二氢锂母液中的氧化锂含量低于1g/l,提高了锂的回收率,且不会使用过多的沉锂试剂,沉锂试剂最多仅仅需要过量2‑4%。

标签:
加工技术
四川 - 德阳 来源:中冶有色网 2023-03-18
锂离子蓄电池集流板
锂离子蓄电池集流板 941     
 0

本实用新型公开了一种锂离子蓄电池集流板,涉及锂离子蓄电池领域,提供一种能够散出锂离子蓄电池内部热量的锂离子蓄电池集流板。锂离子蓄电池集流板包括集流体、集流体凸台和集流柱,集流体凸台设置在集流体的外表面上,集流柱设置在集流体凸台上,还包括散热结构,散热结构连接在集流体的外表面上。在集流体的外表面上设置散热结构,大大提高了集流板的散热能力。锂离子蓄电池内部热量传递给集流体再传递给散热结构,即可向外散发。可见本实用新型利于降低锂离子蓄电池内部温度,在一定程度上提高了锂离子蓄电池在高温、大倍率、长时间供电条件下的可靠性,保证锂离子蓄电池的寿命、安全性、可靠性。

标签:
加工技术
四川 - 绵阳 来源:中冶有色网 2023-03-18
机载锂电池组充电电路

本实用新型公开了一种机载锂电池组充电电路,用于分别与供电电源、第一锂电池组和第二锂电池组电连接,所述机载锂电池组充电电路包括BMS模块、第一充电电路、第二充电电路、第一充电保护电路和第二充电保护电路,所述供电电源、第一充电保护电路、第一充电电路和第一锂电池组顺次电连接,所述供电电源、第二充电保护电路、第二充电电路和第二锂电池组顺次电连接,所述BMS模块分别与第一充电电路、第二充电电路、第一锂电池组和第二锂电池组电连接。本实用新型具有两级保护功能,提高了机载锂电池组使用的安全性。

标签:
加工技术
四川 - 成都 来源:中冶有色网 2023-03-18
制备高性能钛酸锂的金属掺杂与碳包覆的复合改性方法

本发明涉及一种锂离子电池负极材料的改性制备方法,具体而言就是对钛酸锂进行金属掺杂与碳包覆复合改性。其制备方法为:将金属盐加入混合有乙酸锂和钛酸四丁酯的乙醇溶剂中,之后加入螯合剂剧烈搅拌,静置形成干凝胶后在100℃下烘干10h,再放入马弗炉中煅烧得到金属掺杂的钛酸锂;再将金属掺杂的钛酸锂与碳源置于适量的乙醇中混合,剧烈搅拌,静置干燥后,在马弗炉中煅烧得到金属掺杂与碳包覆复合改性的钛酸锂。本方法制备的改性钛酸锂样品粒径小,纯度高,高倍率性能和循环稳定性相对于纯的钛酸锂均有明显提升,对于推进钛酸锂的实用化具有一定的帮助。

标签:
加工技术
四川 - 成都 来源:中冶有色网 2023-03-18
应用于NCM111锂电池的低温电解液

一种应用于NCM111锂电池的低温电解液,属于电化学储能技术领域。所述低温电解液包括锂盐溶质、碳酸酯和羧酸酯组成的溶剂、添加剂;溶剂中,碳酸酯和羧酸酯的体积百分含量为:25~60vol%碳酸酯,40~75vol%羧酸酯;锂盐在溶剂中的浓度为0.8~1.2mol/L;添加剂占溶剂体积的1%~2%;锂盐溶质为多种锂盐。本发明低温电解液中采用混合锂盐,相比单一的锂盐,易在负极形成阻抗更小且利于锂离子穿过的SEI膜,有效提高了锂电池在低温下的放电比容量。

标签:
加工技术
四川 - 成都 来源:中冶有色网 2023-03-18
布儒斯特角铌酸锂Q开关元件

本实用新型公开的一种布儒斯特角铌酸锂Q开关元件,包括布儒斯特角铌酸锂晶体。作为铌酸锂Q开关元件的下电极设置在铌酸锂晶体的带布儒斯特角的平行四边形下底的镀铟层上,作为铌酸锂Q开关元件的上电极设置在铌酸锂晶体的带布儒斯特角的平行四边形上底的镀铟层上,环氧酚醛树脂围绕所述布儒斯特角铌酸锂晶体形状包裹封装为一体,形成封装结构,且将与铌酸锂晶体侧面呈布儒斯特角的矩形通光面显露在外。本实用新型采用环氧酚醛树脂封装布儒斯特角铌酸锂晶体,防止了高压漏电和温度变形,使电光开关的关断能力得到了很大的提高,增强了电光开关的工作性能。

标签:
加工技术
四川 - 成都 来源:中冶有色网 2023-03-18
多卷式卷盘锂带的生产方法

本发明公开了一种多卷式卷盘锂带的生产方法,包括如下工艺步骤:a、将卷盘的卷轴安装在卷绕机上,将挤压出的锂带与卷轴一端连接,启动卷绕机,在卷轴上完成一卷锂带卷绕;b、在卷绕机上移动卷轴至卷轴的待卷绕区,将挤压出的锂带与卷轴的待卷绕区连接,启动卷绕机,在卷轴上完成一卷锂带卷绕;c、重复前序步骤,依次在卷轴上卷绕多卷锂带。本发明可适合大型自动化设备,上下机少,接头丢尾少,包装方便,可节约运输成本,还可节约停机上盘时间和节约锂带接头丢尾,卷盘上的锂带可分离使用也可整体使用,可适用于多条生产线同时生产,提高了工作效率,并且可减轻生产锂带卷绕机的附重,使卷绕更平稳,减少锂带的卷绕误差。

标签:
加工技术
四川 - 成都 来源:中冶有色网 2023-03-18
锂电池异常膨胀弹出的充电装置

本发明公开的一种锂电池异常膨胀弹出的充电装置,包括工作箱体,所述工作箱体内设有工作腔,所述工作箱体内设有位于所述工作腔下侧的弹力腔,本发明在锂电池充电过程中将其密封起来,能够对锂电池进行一定的保护作用,同时在锂电池在充电过程中发生膨胀的时候,立即解除锂电池的密封状态并且将锂电池弹出本装置,在防止锂电池继续充电发生意外爆炸的同时,对装置自身也进行了保护,避免充电组件被锂电池意外爆炸破坏,在一定程度上维护了充电装置的安全性。

标签:
加工技术
四川 - 成都 来源:中冶有色网 2023-03-18
电动汽车级单水氢氧化锂的制备方法

本发明涉及电动汽车级单水氢氧化锂的制备方法,属于锂电池技术领域。本发明解决的技术问题是提供电动汽车级单水氢氧化锂的制备方法。该方法通过浆液处理、两次中和净化、除钙、除磁以及除有机物、浓缩、转化、精制得到EV级单水氢氧化锂。本发明方法,可成功制备得到EV级单水氢氧化锂,实现EV级单水氢氧化锂的工业化生产,整个工艺流程封闭循环,降低了物料消耗,降低了生产成本,锂的损耗小,产品收率高,总收率不小于90%,没有三废排放,对环境友好,得到的产品质量优异,与电池级产品相比,其化学指标更优,磁性物质更低,更不易团聚,并具有优异的产品一致性,为提高锂动力电池的容量、电池寿命及其安全性能打下了坚实的基础。

标签:
加工技术
四川 - 遂宁 来源:中冶有色网 2023-03-18
用磷酸铁微波制备磷酸亚铁锂的方法

本发明公开了一种用磷酸铁微波制备磷酸亚铁锂的方法,主要包括下述步骤:(1)用还原铁粉、磷酸锂和磷酸铁以摩尔比0.9-1.1∶0.9-1.1∶1.8-2.2的比例混合,高速球磨2-10小时后,压片放入管式炉,在惰性气体保护或真空条件下,控制炉温在300-500℃,焙烧4-12小时,得前驱体;(2)将前驱体再球磨1-6小时后,压片放入坩埚中,调节微波炉功率为350-700W,用吸波加热介质覆盖前驱体,微波辐射2-12分钟;将微波烧结产物球磨2-6小时后过400目筛网,即得产品磷酸亚铁锂。采用本发明方法制得的磷酸亚铁锂产品具有物相均一、粉体粒径小、性能优良等优点,且操作简单、成本低廉。

标签:
加工技术
四川 - 成都 来源:中冶有色网 2023-03-18
制取高纯氢氧化锂的方法

本发明公开了一种制取氢氧化锂的方法,包括以下步骤:S1、将原料碳酸锂使用硫酸溶解,得到硫酸锂溶液;S2、使用氢氧化锂调节溶液pH=6.6~8.5;加入碳酸锂进行沉淀,过滤得第一滤液;S3、采用膜过滤装置进行过滤,得到第二滤液;S4、采用树脂吸附,得到树脂吸附后液;S5、加水稀释,通过双极膜,获得稀盐水、酸水和碱水;所述碱水为氢氧化锂溶液;S6、碱水经过蒸发浓缩结晶后,所得结晶为单水氢氧化锂,纯度大于99wt%。本发明采用粗制碳酸锂作为原料,酸碱反应沉淀杂质和多级过滤处理,膜过滤、树脂吸附处理获得杂质含量极低的料液,利用双极膜分离得到碱水,蒸发浓缩结晶得到高品质高纯度氢氧化锂。

标签:
加工技术
四川 - 眉山 来源:中冶有色网 2023-03-18
高安全性锂离子电池负极复合材料及其制备方法

本发明公开了一种高安全性锂离子电池负极复合材料及其制备方法,其材料呈现核壳结构,内核为石墨,外壳为热变相复合材料,其中热变相复合材料是由:(10~60)%(本申请书中所述的比例均为重量分数)无机相变材料,(1~10)%阻燃性材料,(10~30)%的无机复合锂盐,(1~10)%的导热性材料和(1~5)%的分散剂组成。其制备出的负极复合材料利用无机相变材料和阻燃性材料进行热量吸收,并在材料表面形成保护层,在出现热失控时通过导热性材料迅速将热量传导出去,同时在充放电过程中无机复合锂盐能进行锂离子的传导,避免出现过充条件下的锂枝晶,提高其安全性能。

标签:
加工技术
四川 - 成都 来源:中冶有色网 2023-03-18
利用螺杆连续挤压从粉煤灰中快速浸出提炼锂的方法

本发明属于锂电池领域,提供了一种利用螺杆连续挤压从粉煤灰中快速浸出提炼锂的方法,将碱液与粉煤灰混合均匀,送入第一阶螺杆挤出机,利用螺杆挤出机的剪切、挤压使粉煤灰中的锂离子浸出;得到的浸出液连续进入第二阶螺杆挤出机,使浸出液在凝胶辅助下与吸附剂充分结合,浸出液与吸附剂不仅在混炼销钉和不规则梯形混炼块之间被剪切而且被往复输送,而且逆流运动给径向混合加上了非常有用的轴向混合运动,实现了浸出液中锂被吸附剂在输送过程中快速吸附;吸附剂与浸出液分离后连续送入第三阶螺杆挤出机,并加入酸液,使吸附剂解吸;将解吸液输入沉淀池,加入碳酸钠沉淀、过滤、清洗、干燥,得到高纯度碳酸锂。

标签:
加工技术
四川 - 成都 来源:中冶有色网 2023-03-18
锂离子电池组复合电化学极化模型的构建方法

本发明公开了一种锂离子电池组复合电化学极化模型的构建方法,包括:S1,建立锂离子电池组的等效电路模型;S2,基于基尔霍夫电路定律,构建所述等效电路模型的状态空间方程式;S3,根据所述等效电路模型的状态空间方程式,计算锂离子电池组在k时刻的闭路电压UL(k)的离散式子;S4,采用最小二乘法求解锂离子电池组在k时刻的闭路电压UL(k)的离散式子中需要辨识的参数。本发明通过综合考虑表征准确度和计算复杂度,结合不同等效电路模型的优点,实现了锂离子电池组工作状态的准确描述。

标签:
加工技术
四川 - 绵阳 来源:中冶有色网 2023-03-18
锂离子电池用淀粉基聚合物电解质及其制备方法

本发明涉及一种锂离子电池用淀粉基聚合物电解质及其制备方法,具体讲是将多孔淀粉先进行预糊化处理,然后在促凝剂和造孔剂的作用下制成多孔的淀粉膜,该淀粉膜不仅膜上具有多孔结构,而且组成膜的淀粉颗粒内部也存在多孔结构;再将具有能与锂离子络合的基团接枝在多孔淀粉膜具有的两种孔的孔壁上,最后浸入锂盐的溶液中进行络合反应,取出经过干燥制得一种锂电池用淀粉基聚合物电解质膜,该聚合物电解质不仅具有很高离子电导率和可迁移锂离子密度,而且力学性能优异,生产成本低,易于工业化生产,具有其应用价值。

标签:
加工技术
四川 - 成都 来源:中冶有色网 2023-03-18
用于锂电池电解液的防过充添加剂及制备方法

本发明公开了一种用于锂电池电解液的防过充添加剂及制备方法,通过草酸根化合物、硼化合物和锂化合物在雾化干燥机的作用下合成二草酸硼锂,将二草酸硼锂进行酰胺化反应,并将酰胺化后的产物作为防过充添加剂,本发明的优势在于提高了锂离子电池的热稳定性,且具有过充保护和阻燃双重效果。

标签:
加工技术
四川 - 成都 来源:中冶有色网 2023-03-18
基于锂电池的多层金属-碳负极的制备方法

本发明提出一种基于锂电池的多层金属‑碳负极的制备方法,将片状铜箔进行微加工,得到凸起阵列的铜箔,在其表面沉积包含金刚石相结构的碳层/金属/金属氧化物层/碳层结构,从而制备出以金刚石相作为骨架的多层金属‑碳负极材料,本发明提出上述方案能够克服现有以石墨等碳负极材料在低温条件不可嵌锂的现象,提高低温条件下负极材料的稳定性,抑制负极材料脱嵌过程中的体积变化,降低锂离子嵌入势垒,使锂离子更容易嵌入负极,减少负极材料内部阻抗,提高锂离子的迁移率。进一步本发明制备的负极材料在装配过程中无需粘结剂和导电剂,可以直接将集流体安装在电池内部,使用方便环保。

标签:
加工技术
四川 - 成都 来源:中冶有色网 2023-03-18
陶瓷基锂电池正极极片的成型工艺

本发明涉及锂电池中正极的技术领域,公开了一种陶瓷基锂电池正极极片的成型工艺。首先分别制备导电陶瓷浆料和磷酸铁锂前驱体浆料。按照导电陶瓷浆料‑磷酸铁锂前驱体浆料‑导电陶瓷浆料的结构进行涂布,高温烧结成型,将烧结产物充分浸润聚氧乙烯,然后真空处理,使层状的导电陶瓷裂纹渗透聚氧乙烯,最终形成柔性正极材料。通过将磷酸铁锂的烧结和极片成型工艺糅合为一步工艺,有效摆脱了原有涂布工艺上浆、辊压和干燥过程中由于涂布不均引起的起皮、粘料等缺陷,而且可以有效发挥陶瓷基材料的优异性能。

标签:
加工技术
四川 - 成都 来源:中冶有色网 2023-03-18
钛酸锂掺杂三价钛的方法

本发明公开了一种钛酸锂掺杂三价钛的方法,涉及锂离子电池以及粉末冶金技术领域,解决的技术问题是提供一种不破坏钛酸锂初始形貌,工艺简单的钛酸锂掺杂三价钛的方法。本发明采用的技术方案是:钛酸锂掺杂三价钛的方法,包括:S1以二氧化钛为钛源,钛酸锂为锂源,将两种化合物按比例混合,作为前驱体粉末;S2在前驱体粉末中添加微米级的金属钛粉,再在真空环境下充分干燥;S3再置于加热炉中,在惰性气体气氛中加热发生固相合成反应,钛粉还原钛酸锂表面的四价钛,在钛酸锂表面生成三价钛修饰钛酸锂,得到掺杂三价钛的钛酸锂粉末。本发明简单易行,未破坏钛酸锂初始形貌,使纯相的钛酸锂导电性得到提升,提高了其作为负极材料的导电性。

标签:
加工技术
四川 - 攀枝花 来源:中冶有色网 2023-03-18
锂硫电池用固态阴极添加剂及含有该添加剂的硫阴极的制备方法

本发明公开了一种锂硫电池用固态阴极添加剂及含有该添加剂的硫阴极的制备方法,本发明通过将由碘或含碘元素的卤素互化物组成的固态阴极添加剂在硫复合材料的制备过程中或硫阴极电极制备过程中加入,从而获得含碘类固态阴极添加剂的锂硫电池阴极。由于碘或者含碘元素的卤素互化物具有氧化性,因此所制备的硫阴极在锂硫电池注液过程及首圈充放电过程中,固态阴极添加剂可同电解液原位发生化学及电化学反应,在锂硫电池的硫阴极及锂阳极形成固态电解质膜,从而有效抑制锂硫电池充放电产生的中间产物多硫离子的穿梭效应,增强锂硫电池的循环稳定性,并提高硫阴极的容量发挥,即使在电解液中无锂盐添加的情况下仍有容量发挥。

标签:
加工技术
四川 - 成都 来源:中冶有色网 2023-03-18
上一页 180 181 182 183 184 ... 204 下一页
共204页    到第

中冶有色为您提供最新的四川有色金属加工技术理论与应用信息,涵盖发明专利、权利要求、说明书、技术领域、背景技术、实用新型内容及具体实施方式等有色技术内容。打造最具专业性的有色金属技术理论与应用平台!

全国热门有色金属设备推荐
展开更多 +
全国热门有色金属技术推荐
展开更多 +

 

江西省隆恩特环保设备有限公司
宣传

报名参会
更多+

报告下载

有色专家
更多+

矿冶科技集团有限公司
中国工程院院士
矿冶科技集团有限公司
所长/研究员级高工
赣州江钨钨合金有限公司
工程师
中国矿业大学(北京)
教授
矿冶科技集团
中国工程院院士
赤泥综合利用研究报告2025
推广

热门技术
更多+

推荐企业
更多+

福建省金龙稀土股份有限公司
宣传

发布

在线客服

公众号

电话

顶部
咨询电话:
010-88793500-807