青岛垚鑫智能科技有限公司
宣传

位置:北方有色 >

有色技术频道 >

分类:
全部
矿山技术
冶金技术
材料制备及加工技术
环境保护技术
分析检测技术
 
全部
废水处理技术
大气治理技术
固/危废处置技术
土壤修复技术
地区:
全部
北京
天津
上海
重庆
河北
山西
辽宁
吉林
黑龙江
江苏
浙江
安徽
福建
江西
山东
河南
湖北
湖南
广东
海南
四川
贵州
云南
陕西
甘肃
青海
内蒙
广西
西藏
宁夏
新疆
其他
其他
展开
 
全部
南京
无锡
徐州
常州
苏州
南通
连云港
淮安
盐城
扬州
镇江
泰州
宿迁

江苏苏州有色金属环境保护技术理论与应用

免费发布技术信息>>
多晶硅电池生产废水的回用系统

本实用新型涉及一种多晶硅电池生产废水的回用系统,它包括相互连接的浓氮废水处理系统和稀氮废水处理系统,所述的浓氮废水处理系统包括依次连接的浓氮废水调节池、反应池、压滤装置、滤液收集池、三效蒸发器、离心分离装置,所述的稀氮废水处理系统包括依次连接的稀氮废水调节池、pH调节槽、混凝絮凝槽、沉淀槽、中间水池、过滤水箱、超滤装置、反渗透膜装置、回用收集池、阴床、回用水箱。本实用新型多晶硅电池生产废水的回用系统,将浓氮废水调节池、反应池、压滤装置、三效蒸发器、混凝絮凝槽、沉淀槽等设备连接起来组合使用,能够有效去除废水中的氮、除元素,并且设有回用水箱,对处理后得废水回收利用,节约了水资源,有利于保护环境。

标签:
废水处理
江苏 - 苏州 来源:北方有色网 2023-03-19
石化行业废水处理的总氮去除机构

本实用新型属于废水处理技术领域,尤其为石化行业废水处理的总氮去除机构,包括第一处理筒,所述第一处理筒的一侧设置有第二处理筒,所述第一处理筒的顶部设置有进水管,所述第一处理筒的底部设置有第二输水管。该石化行业废水处理的总氮去除机构,首先利用第一处理筒使废水中的有机氮与微生物反应,废水中的有机氮与微生物反应形成氨氮,利用气泵将氨氮气体吸入第二处理筒中,第一处理筒中的废水反应一段时间后,水进入第二处理筒中,对废水中的氨氮进行处理,利用漂白粉与废水反应使氨氮形成氨气排出,反应过程中利用第二水泵实现水在第二处理筒进行循环,解决了以往的总氮处理机构对废水中的有机氮和氨氮处理效果不够好的问题。

标签:
废水处理
江苏 - 苏州 来源:北方有色网 2023-03-19
氨纶废水回用装置
氨纶废水回用装置 873     
 0

本实用新型涉及一种氨纶废水回用装置,包括袋式过滤器、保安过滤器以及特种膜装置、反硝化箱以及硝化箱;所述特种膜装置包括进水口、产水出口、浓水出口以及反清洗口,所述特种膜装置进水口连接废水进管,所述废水进管的管路上分别设置有袋式过滤器和保安过滤器;所述特种膜装置浓水出口连接浓水出管,所述浓水出管的管路上依次设置有反硝化箱和硝化箱;所述硝化箱具有浓水溢流口。提供一种氨纶废水回用装置,能够对废水进行充分处理,使浓水达标排放,同时有效提升产水的回用率,减少浓水排污量。

标签:
废水处理
江苏 - 苏州 来源:北方有色网 2023-03-19
利用锗加工废水生产防冻液的系统

本实用新型具体涉及一种利用锗加工废水生产防冻液的系统。本利用锗加工废水生产防冻液的系统包括:除浊机构,对锗加工废水进行除浊处理;除杂机构,对除浊处理后的锗加工废水进行除杂处理;过滤机构,对除杂处理后的锗加工废水进行初级过滤;超滤机构,对初级过滤后的锗加工废水进行二次过滤;吸附机构,吸附二次过滤后的锗加工废水中的重金属杂质;蒸发机构,对去除重金属杂质后的锗加工废水进行蒸发结晶处理,以获得母液;深加工机构,以对母液进行深加工处理,以获得防冻液。本实用新型的利用锗加工废水生产防冻液的系统,通过对锗加工废水依次进行除浊、除杂、初级过滤、二次过滤、吸附、蒸发得到母液,而后对母液深加工处理以制得防冻液。

标签:
废水处理
江苏 - 苏州 来源:北方有色网 2023-03-19
高效废水处理装置
高效废水处理装置 837     
 0

本实用新型涉及一种高效废水处理装置,包括底板,所述底板顶部固定连接有第一支架,所述第一支架顶部固定连接有废水分离罐,所述废水分离罐顶部中心处固定连接有伺服电机,所述伺服电机输出端固定连接有搅拌轴,所述搅拌轴外围固定连接有搅拌桨,所述搅拌桨外围固定连接有破碎刀,所述搅拌轴底部固定连接有刮板,所述刮板为弧形结构,所述刮板下方设有均流板,所述均流板内部设有导流孔,所述导流孔呈矩形排列分布,所述均流板下方设有大孔径金属过滤网,所述大孔径金属过滤网下方设有小孔径金属过滤网,本实用新型结构新颖,设计合理,可对废水进行分离过滤,将废水中的杂质过滤后对废水进行净化排出,不会污染空气。

标签:
废水处理
江苏 - 苏州 来源:北方有色网 2023-03-19
可快速更换滤芯的废水处理设备

本实用新型涉及一种可快速更换滤芯的废水处理设备,一种可快速更换滤芯的废水处理设备,包括底座,所述底座上方设有废水处理箱,所述底座内部一侧嵌入连接有丝杆,所述丝杆一端位于所述底座外部一侧设有驱动电机,所述丝杆外部位于所述底座内部一侧设有移动座,所述移动座上方一侧设有安装座,所述安装座内部嵌入连接有螺杆一,所述螺杆一外部设有螺纹座一,所述螺纹座一一侧固定连接有挡板,所述挡板一侧固定连接有密封条一,本实用新型通过设置两组安装架,在更换过滤材料时可以使用驱动电机将更换后的过滤材料推入废水处理箱内部,同时,使用后的过滤材料可以被退出,从而可以快速将过滤材料更换,减少设备停机时间,提废水处理效率。

标签:
废水处理
江苏 - 苏州 来源:北方有色网 2023-03-19
用于废水中苯系物的检测仪

本实用新型公开了一种用于废水中苯系物的检测仪,包括主体和凹槽,所述主体的右端开设有防护槽,且防护槽的内部设置有接口,所述接口的右端设置有安装头,且接口通过安装头与管道相连接,所述管道的下端设置有螺纹接头,且管道通过螺纹接头与采样头相连接,所述采样头的内部开设有安装槽,所述固定座的内部设置有过滤网,所述主体的前端设置有门板,所述凹槽位于主体的外侧,所述主体的上端安装有提手。该用于废水中苯系物的检测仪,与现有的普通废水苯系物检测仪相比,增加结构的同时大大提高了整个废水苯系物检测仪的使用性能,改良后的废水苯系物检测仪内部拥有过滤结构,并且便于携带结构,有效满足了人们的使用需求。

标签:
废水处理
江苏 - 苏州 来源:北方有色网 2023-03-19
造纸废水曝气装置
造纸废水曝气装置 1012     
 0

本实用新型属于造纸废水处理技术领域,公开了一种造纸废水曝气装置,设置有气压罐,所述气压罐的上端安装有增氧机,所述气压罐的下端连通增压泵,所述增压泵的输出端连通厌氧池;所述厌氧池的下端焊接安装有支架,所述支架的右侧焊接安装有搅拌器,所述搅拌器的输出端通过蠕动泵与厌氧池相连通;所述厌氧池的前端焊接安装有进料口。该造纸废水曝气装置通过增氧机提供氧气供给,并传输至厌氧池;通过蠕动泵进行搅拌作业,实现厌氧池内部污水的曝气处理,可提高废水内溶氧量减少恶臭,同时会吹脱和氧化少量污染物,促进废水内好氧菌生长从而降低污染。

标签:
废水处理
江苏 - 苏州 来源:北方有色网 2023-03-19
用于紫菜行业废水治理的系统

本实用新型公开了一种用于紫菜行业废水治理的系统,包括调节池、一级砂滤罐、反应池和二级砂滤罐以及排放池,调节池内具有提升泵和浮球,通过浮球控制提升泵的开闭,反应池中设有液位计,通过液位计控制反应池的开闭,二级砂滤罐中包括多层过滤单元,多层过滤单元依次相连,逐层对废水进行过滤。本实用新型优点在于,调节池的生产废水通过浮球控制废水提升泵,将废水打入一级砂滤罐,一级砂滤罐的废水,流入反应池。反应池的废水经液位计控制提升泵打入二级砂滤罐,最终进入排放池。排放池的水通过自动控制达标排放,可实现自动进出水,自动反洗,自动控制电脱色,无需操作人员值守。

标签:
废水处理
江苏 - 苏州 来源:北方有色网 2023-03-19
AO生物脱氮高盐废水处理存储罐

本实用新型公开了一种AO生物脱氮高盐废水处理存储罐,包括存储框,所述存储框内安装有若干存储罐,最左侧的存储罐上端连接有废水进口,最右侧的存储罐上端安装有液位计,所述存储框右端下方连接有废水出口,相邻的存储罐之间连接有连通口,结构简单,构造清晰易懂,将废水从废水进口注入到最左侧的存储罐内,废水从最左侧的存储罐内通过连通口注入到其余的存储罐内,其中,连通口内安装有过滤件,使得,最右侧存储罐内的废水是经过过滤的废水,实现废水存储时的过滤,方便废水处理,存储罐在存储框内设置,防护性好,液位计用于检测存储罐内的废水液面,整体结构强度高,稳定性好,拆装方便,使用寿命长,功能性强,值得推广。

标签:
废水处理
江苏 - 苏州 来源:北方有色网 2023-03-19
建筑废水收集装置
建筑废水收集装置 762     
 0

本申请提供了一种建筑废水收集装置,所述的废水收集装置包括依次连通的用水端、用于将用水端排出的废水进行水油分离的水油分离器、用于将水油分离器分离的废水收集的废水收集池、用于对废水收集池内的废水进行沉淀的反应沉淀池、用于对反应沉淀池内的废水进行过滤的过滤池、对所述的过滤池的废水进行碳吸附的活性炭吸附池、用于盛放活性炭吸附后的清水的清水池、用于收集所述的清水池内清水的清水收集池,所述的清水收集池与所述的用水端通过回流管相连通。本申请所述的一种建筑废水收集装置,适合在干旱地区使用,生活用的建筑废水排出后经过处理,能够循环利用,节省水资源。

标签:
废水处理
江苏 - 苏州 来源:北方有色网 2023-03-19
混合废水采集取样装置
混合废水采集取样装置 1124     
 0

本实用新型公开了一种混合废水采集取样装置,属于取样设备技术领域,一种混合废水采集取样装置,包括固定底座,所述固定底座上端固定连接有废水箱,所述废水箱内滑动连接有活塞,所述活塞上端固定连接有滑动杆,所述废水箱表面开凿有通孔,所述滑动杆贯穿通孔,所述滑动杆上端固定连接有手柄,所述手柄左端固定连接有压缩弹簧,所述压缩弹簧外端套设有伸缩杆,所述伸缩杆靠近手柄的一端与手柄固定连接,所述固定底座上端固定连接有固定杆,所述固定杆位于废水箱的左侧,所述固定杆靠近废水箱的一端开凿有多个限位槽,可以实现根据需要定量取样的效果,提高取样效率,操作简单方便,所需成本较低。

标签:
废水处理
江苏 - 苏州 来源:北方有色网 2023-03-19
印染废水的高效处理方法

本发明公开了一种印染废水的高效处理方法,包括如下步骤:(1)氧化处理;(2)一次沉降;(3)一次生化处理;(4)二次生化处理;(5)二次沉降;(6)电解;(7)深度过滤;(8)将深度过滤后的废水引入清水池循环利用。本发明一种印染废水的高效处理方法,思路新颖,流程简便,容易实现,其通过厌氧、好氧和电解三次处理过程,有效分解了印染废水中高含量的有机污染物以及残余染料,使印染废水得到彻底的净化、回收和再利用,实现印染废水零排放。

标签:
废水处理
江苏 - 苏州 来源:北方有色网 2023-03-19
废水循环处理和利用系统

本实用新型公开了一种废水循环处理和利用系统,包括至少一废水池,用于收集或回收废水;一MVR蒸发系统,用于抽取所述废水池中的废水以及将该废水蒸发处理;一膜净化系统,用于接收所述MVR蒸发系统中废水蒸发处理后的冷凝水以及用于对该冷凝水进行膜进化处理得到净化用水和浓缩水,以及用于将该浓缩水返回至一所述废水池和将该净化用水存储至一蓄水池中。

标签:
废水处理
江苏 - 苏州 来源:北方有色网 2023-03-19
模块式废水氧化平台
模块式废水氧化平台 1148     
 0

本实用新型公开了一种模块式废水氧化平台,包括用于盛装废水的废水池主体,所述废水池主体的内部设有竖直方向运动的安装平台,所述安装平台的底端设有多个灯组;所述废水池主体的顶端可拆卸设有用于供维修人员踩踏对灯组维修的多个支撑板;本实用新型便于将灯组升起来进行检修,也便于将支撑板放置到废水池主体的顶端,从而便于工作人员对灯组的检修,进而避免了灯组损坏造成废水的氧化效果;可以对支撑板进行限位固定,提高了支撑板与废水池主体的连接稳定性,提高了工作人员踩到支撑板上的稳定性。

标签:
废水处理
江苏 - 苏州 来源:北方有色网 2023-03-19
有机废水厌氧深度处理设备

本实用新型公开了一种有机废水厌氧深度处理设备,包括通过管线依次连接的原水箱、粗过滤装置、厌氧反应器、光催化反应器、第一pH调节池、保安过滤器、超滤过滤器、RO反渗透装置,所述RO反渗透装置的浓水出水口通过回流管道与所述原水箱连接,所述RO反渗透装置的淡水出水口通过管线与回用水箱连接。本实用新型对有机废水进行了眼沿深度处理,能够更有效的处理组分复杂的有机废水,避免了单一厌氧氧化技术处理有机废水所产生的二次污染问题。本实用新型中的光催化反应器解决了现有光催化反应装置中因待处理废水与光催化反剂接触面积小、光催化剂被紫外光源照射面积小而引起的降解效率低的问题。

标签:
废水处理
江苏 - 苏州 来源:北方有色网 2023-03-19
橡胶助剂类高浓度有机废水的处理工艺及处理系统

本发明揭示了一种橡胶助剂类高浓度有机废水的处理工艺及处理系统,处理工艺包括去除废水中盐分的同时调节pH;对废水进行活性炭催化剂催化氧化反应的同时调节pH值;去除废水中的悬浮物;去除废水中的COD和盐分;去除废水中的COD和有机物;对废水进行深度氧化并添加H2O2后排放。本发明能够针对含有橡胶助剂的高浓度有机废水进行处理,使其可以达标排放,且处理系统具有成本低、占地面积小、操作条件简单、利于规模化实施的优点。

标签:
废水处理
江苏 - 苏州 来源:北方有色网 2023-03-19
深度处理含氟离子废水的系统

本实用新型揭示了一种深度处理含氟离子废水的系统及工艺,属于废水处理技术领域。系统包括依次相连通的废水调节单元、至少一物化处理单元、pH调节单元和锆盐树脂单元,物化处理单元包括依次相连通的混凝单元、絮凝单元和沉淀单元,且混凝单元与废水调节单元相连通,沉淀单元与pH调节单元相连通。本实用新型通过物化处理单元去除废水中高浓度的氟离子,再通过锆盐树脂单元吸附废水中低浓度的氟离子,进而降低废水中氟离子的含量。

标签:
废水处理
江苏 - 苏州 来源:北方有色网 2023-03-19
印染废水处理剂及其制备方法

本发明涉及一种印染废水处理剂及其制备方法,该印染废水处理剂以质量份计含有以下成分:硫酸亚铁80~100份,四乙烯基戊胺0.5~2份,羟基二乙基二膦酸0.3~1份,氧化钙15~25份,氢氧化钙5~15份,碳酸氢钠0.8~1.5份,5-磺基水杨酸0.4~1份,羧甲基纤维素钠0.05~0.12份,月桂醇硫酸酯钠3~10份,大鲵黏液1~6份,乙二胺四乙酸二钠0.1~0.5份,贝壳粉3~12份,天然沸石2~8份。本发明提供的印染废水处理剂能够有效去除印染废水中的染料、浆料、无机盐、甲醛、油剂等物质,并且能够有效沉淀废水中的砂类物质和纤维杂质,处理过后的印染废水几近无色透明。

标签:
废水处理
江苏 - 苏州 来源:北方有色网 2023-03-19
三次采油废水处理方法
三次采油废水处理方法 1054     
 0

本发明揭示了一种三次采油废水处理方法,包括如下步骤:S1、酸碱调节步骤;S2、混凝剂添加步骤;S3、絮凝剂添加步骤;S4、固液分离步骤。本发明能够显著降低废水粘度,并使废水中的悬浮颗粒和油滴失稳聚集形成微小絮体,再配合絮凝剂完成三次采油废水的处理。与现有技术相比,本发明的药剂使用量更少,废水处理成本低,且能够有效的减少污泥的产生,保证了废水处理效果。同时,本发明能够有效降低废水浑浊度,加速废水中絮体的沉降速度,缩短了废水处理的时间,提升了整体的处理效率。

标签:
废水处理
江苏 - 苏州 来源:北方有色网 2023-03-19
利用废磷酸和氨氮废水生产磷酸铵的系统

本实用新型公开了一种利用废磷酸和氨氮废水生产磷酸铵的系统,包括膜接触器,膜接触器的一个进口连接氨氮废水进水管路,膜接触器的另一进口连接磷酸废水进水管路,膜接触器的一个出口连接磷酸废水循环管路,膜接触器的另一出口连接氨氮废水循环管路;膜接触器还连接有磷酸铵出口管路以及除氨氮水出口管路;膜接触器中设有能够使氨氮废水中的氨透过疏水透气膜丝进入磷酸废水中的疏水透气膜丝。该系统能够安全快速地将废磷酸和氨氮废水进行同时处理并生成可用的磷酸铵,操作难度和条件要求低,可大幅减少磷酸和氨氮的排放并回用,无二次污染物,有利于环保,应用前景广泛。

标签:
废水处理
江苏 - 苏州 来源:北方有色网 2023-03-19
评估废水监测数据质量的方法及设备

本申请的目的是提供一种评估废水监测数据质量的方法及设备,本申请通过在对企业废水对应的废水监测数据进行质量进行评估之前,预置废水监测数据的至少一个质量评估特征;获取企业废水对应的废水监测数据,并对废水监测数据进行质量评估,得到废水监测数据的各质量评估特征对应的特征值;基于废水监测数据的各质量评估特征对应的特征值和权重,得到废水监测数据的质量评估值,实现了对废水监测数据的质量评估,以便监管人员可以通过废水监测数据的质量评估值,来判断该企业的废水监测数据是否真实有效,避免作假的废水监测数据对应的企业废水被排放出去,进而影响生态环境。

标签:
废水处理
江苏 - 苏州 来源:北方有色网 2023-03-19
处理含铁氰化钾废水方法

本发明为一种处理含铁氰化钾废水方法,取含铁氰化钾废水加入铝片,然后静置待废液无气泡产生,反应后过滤,得A溶液;A溶液加入沉铁剂反应,过滤;所得泥污作含氰泥污处理,过滤得B溶液;B溶液并入废水处理系统,最终排放废水达到国家废水排放标准。本发明通过铝预先处理,降低了回收处理成本,加入沉铁剂使铁氰化钾完全沉淀;且反应所产生的氢气不会对环境长生危害。

标签:
废水处理
江苏 - 苏州 来源:北方有色网 2023-03-19
呋喃树脂废水的预处理方法及其装置

本发明公开了一种呋喃树脂废水的预处理方法及装置,属于有机化工废水 处理的技术领域,该方法包括以下步骤:(1)在所述呋喃树脂废水中加入按占 废水重量百分比计0.01%~2%的酸,加热至回流,保温30~480min;(2)冷却、 静置分层,下层糠醇树脂直接收集;上层液经真空蒸馏后,收集蒸出的水和没 有蒸出的糠醇树脂。预处理后的废水CODcr降低90%以上,有利于后续的生 化处理。并且处理后的呋喃树脂可用于防腐工程。

标签:
废水处理
江苏 - 苏州 来源:北方有色网 2023-03-19
高氨氮印花废水处理工艺

本发明公开了一种高氨氮印花废水处理工艺,包括以下步骤:将印花废水置于沉淀池内进行沉淀,除去固定沉淀物;经过沉淀后的废水经过微孔筛网进行过滤;向过滤后的氨氮废水内加入PH调节剂,PH调节为7.0‑8.0;向步骤S3中的废水中加入混凝剂,用于除去废水中的微小悬浮物和胶体杂质;将步骤S4中的废水倒入水解酸化池,废水经过水解微生物作用将废水中的有机氮转化为的无机氨氮,同时将废水中的大分子有机物进行水解变成小分子有机物;将步骤S5中的废水通入缺氧池,进行反硝化脱氮处理;减少了亚硝酸盐氧化成硝酸盐、硝酸盐再还原成亚硝酸盐的反应,提高了反应速率,缩短反应时间;降低了需氧量、反硝化阶段有机物的投加量,降低了能耗、运行费用。

标签:
废水处理
江苏 - 苏州 来源:北方有色网 2023-03-19
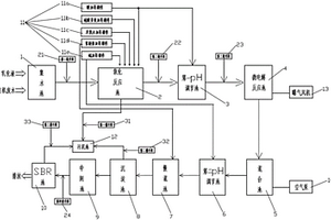
有机废水处理系统及其处理方法

本发明揭示了一种有机废水处理系统,其包括:贮存有机废水并提供有机废水进料的集水池;与集水池连接,并用于去除废水中有机物的氧化反应池;与氧化反应池连接,并用于调节废水pH值的第一pH调节池;与第一pH调节池连接,并用于去除废水中化学需氧量和色差的微电解反应池;以及在该微电解池之后依次连接的混合池、第二pH调节池、慢混池、沉淀池、中间池和SBR池,该系统体现了处理效率高,能大批量处理有机废水的优点。

标签:
废水处理
江苏 - 苏州 来源:北方有色网 2023-03-19
水产养殖废水处理设备

本实用新型公开了一种水产养殖废水处理设备,包括分离箱,所述分离箱顶部关于中心对称开设有若干进污口,所述分离箱内设有安装框,所述安装框内壁固接有过滤网,所述安装框前侧延伸至分离箱外部并固接有把手,所述分离箱外壁一侧固接有水泵,所述水泵进水口处延伸至分离箱内部,所述水泵出水口处安装有废水引出管,废水从进污口排入分离箱内,受重力影响依次经过过滤网和过滤海绵过滤掉废水中的垃圾,初次过滤后的废水通过废水引出管排入消毒箱内,通过设置第二转轴带动搅拌叶旋转搅拌废水,便于杀菌消毒剂在废水中快速均匀混合,增加接触时间,大大提高净化效率,使废水得到更加彻底的净化,此举也更加方便简洁。

标签:
废水处理
江苏 - 苏州 来源:北方有色网 2023-03-19
含磷废水处理设备
含磷废水处理设备 1019     
 0

本实用新型涉及一种含磷废水处理设备,属于废水处理设备技术领域。该含磷废水处理设备具有废水收集装置、废水处理装置和废水排放装置,废水收集装置包括收集槽,设置在收集槽中的格栅板以及滤网,收集槽以收集槽的横向中心线为轴设置有若干个卡槽,格栅板和滤网分别卡接在卡槽中,通过格栅板和滤网将收集槽分为第一空腔、第二空腔和第三空腔,滤网上方设置有连接在收集槽侧壁上的挡板,废水处理装置包括反应机构和蒸发处理机构。本实用新型涉及的含磷废水处理设备通过废水收集装置中收集槽、格栅板和滤网的设置,可以提高对废水中的杂质的过滤效果;另外,通过废水处理装置中反应机构和蒸发处理机构的设置能够有效对废水进行脱磷。

标签:
废水处理
江苏 - 苏州 来源:北方有色网 2023-03-19
含醋酸废水膜处理装置
含醋酸废水膜处理装置 1046     
 0

本实用新型的一种含醋酸废水膜处理装置属于废水处理技术领域。该含醋酸废水膜处理装置,包括:预处理单元和反渗透单元,所述的预处理单元和反渗透单元通过管道连接,其中,所述的预处理单元包括预处理池和设于预处理池上的废水进水口,所述的预处理池内设有容药罐,所述的容药罐内装有调节废水PH值的药物;所述的反渗透单元包括处理池以及设于处理池上的第一出水口和第二出水口,所述的处理池按照废水处理顺序依次设有保安过滤器、高压泵和膜组件,所述的保安过滤器内置过滤规格为0.5~10μm滤芯,高压泵保持泵入膜组件的工作水压控制在0.5~2MP。该废水膜处理装置结构简单、占地面积小,且处理的废水,可回用到生产工艺及循环水中。

标签:
废水处理
江苏 - 苏州 来源:北方有色网 2023-03-19
高盐废水的析盐装置及析盐方法

本发明揭示了一种高盐废水的析盐装置及析盐方法。所述析盐方法包括析盐步骤和分离步骤,其中,所述析盐步骤为:将高盐废水和有机溶剂混合,以使不溶于所述有机溶剂的无机盐从高盐废水中析出,形成固液混合物;所述分离步骤为:将固液混合物进行固液分离,得到固相无机盐和低盐废水。与现有技术相比,本发明的有益效果在于:将高盐废水与有机溶剂混合,采用有机溶剂结晶分离技术对高盐废水进行析盐处理,不但能够有效地分离出废水中的无机盐电解质,分离出的固相无机盐呈砂砾状,蓬松不板结,从而不会造成污堵,而且能耗低、运行成本小。

标签:
废水处理
江苏 - 苏州 来源:北方有色网 2023-03-19
上一页 179 180 181 182 183 ... 201 下一页
共201页    到第

北方有色为您提供最新的江苏苏州有色金属环境保护技术理论与应用信息,涵盖发明专利、权利要求、说明书、技术领域、背景技术、实用新型内容及具体实施方式等有色技术内容。打造最具专业性的有色金属技术理论与应用平台!

全国热门有色金属设备推荐
展开更多 +
全国热门有色金属技术推荐
展开更多 +

 

江西省隆恩特环保设备有限公司
宣传

报名参会
更多+

报告下载

有色专家
更多+

武汉理工大学
副主任/研究员
矿冶科技集团
副所长/研究员
西北有色金属研究院、中国工程院
院士
中铝郑州有色金属研究院有限公司
党委书记 董事长
中铝郑州有色金属研究院有限公司
正高级工程师/总经理
赤泥综合利用研究报告2025
推广

热门技术
更多+

推荐企业
更多+

福建省金龙稀土股份有限公司
宣传

发布

在线客服

公众号

电话

顶部
咨询电话:
010-88793500-807