青岛垚鑫智能科技有限公司
宣传

位置:北方有色 >

有色技术频道 >

> 新能源材料技术

分类:
全部
矿山技术
冶金技术
材料制备及加工技术
环境保护技术
分析检测技术
 
全部
功能材料技术
复合材料技术
新能源材料技术
合金材料技术
加工技术
地区:
全部
北京
天津
上海
重庆
河北
山西
辽宁
吉林
黑龙江
江苏
浙江
安徽
福建
江西
山东
河南
湖北
湖南
广东
海南
四川
贵州
云南
陕西
甘肃
青海
内蒙
广西
西藏
宁夏
新疆
其他
其他
展开
 
全部
南京
无锡
徐州
常州
苏州
南通
连云港
淮安
盐城
扬州
镇江
泰州
宿迁

江苏常州有色金属新能源材料技术理论与应用

免费发布技术信息>>
内置NFC模块的新能源车用仪表

本实用新型涉及车用仪表技术领域,公开了一种内置NFC模块的新能源车用仪表,所述显示面板的后表面左右两端固接有固定柱,所述固定柱的内部开设有固定槽,所述主体的后表面等距开设有插接口,所述主体的后方安装有安装板,所述主体的后方安装有安装组件,所述主体的后表面安装有紧固组件,安装组件解决了装置角度固定背景灯或反射光线易对司机的眼睛造成一定疲劳的隐患,增加了装置的安全性,橡胶垫使得在没有人为控制时滚动块不会发生转动,方便了对装置进行拆卸检修,移动连接板使第二凹槽配合第一凹槽夹固线路,旋转紧固螺栓配合防滑垫对线路进行限制固定,以防止线路松动导致显示面板的数据显示出现偏差,确保装置的准确性。

标签:
新能源
江苏 - 常州 来源:北方有色网 2023-03-18
用于新能源动力电池制造的点胶机

本实用新型属于点胶机领域,具体的说是用于新能源动力电池制造的点胶机,包括底板;所述底板上侧两端皆设置有支撑板,且支撑板上端设置有点胶器;所述点胶器下侧设置有出胶口,且出胶口上侧皆固连有插销板;所述出胶口上端设置有快速拆除机构;所述快速拆除机构包括限位机构、推杆、橡胶按钮、挤压机构和辅助移动机构,且插销板内部插设限位机构;所述限位机构远离插销板的一侧固连在点胶器上,且限位机构外侧贴合推杆;使出胶口发生堵塞时,将出胶口快速拆除,然后对出胶口内部进行疏通清理,提升工作效率,防止出胶口发生堵塞时影响加工效率,实现了便于拆除的功能,解决了不便拆除的问题,提高了疏通清理的效率。

标签:
新能源
江苏 - 常州 来源:北方有色网 2023-03-18
水冷式新能源汽车驱动电机

本实用新型提供一种水冷式新能源汽车驱动电机,包括端盖与变频器座一体加工而成的后端盖,后端盖靠近转子的一侧设有与转子配合的阶梯孔,阶梯孔一侧设有集线槽,集线槽与阶梯孔之间设有穿线通道,集线槽底部设有若干穿线孔,后端盖远离转子的一侧设有冷却槽,冷却槽开口处可拆卸连接有封板,冷却槽内设有多块隔板将冷却槽分隔为S形冷却通道,后端盖侧壁上设有与冷却槽连通的进水孔和出水孔。本实用新型采用端盖与变频器座一体加工成后端盖,有利加强后端盖的强度,电机机壳的水道与变频器座的水道直接连接,减少了端盖的过渡连接,减轻电机的重量,缩小了体积,从而提高了功率密度,提高了热交换效率,简化了密封结构,保证电机使用寿命。

标签:
新能源
江苏 - 常州 来源:北方有色网 2023-03-18
新能源汽车的电机固定装置

本实用新型涉及一种新能源汽车的电机固定装置,包括底座、安装座和保护框架,所述的保护框架是由上框体和下框体上下连接所组成,电机夹紧固定在上框体与下框体内,所述的上框体和下框体的左右两端都开设有出轴孔,所述的安装座的顶部开设有与下框体相匹配的安装槽,所述的下框体可拆卸地安装在安装槽内,所述的安装座的两内壁上开设有导向槽,所述的导向槽内活动连接有导向板,所述的导向板通过夹紧板与下框体相连,所述的导向板与夹紧板之间设置有弹簧,所述的安装座通过高度调节机构连接底座上,所述的底座上开设有用于固定的安装孔。本设计具有结构简单、易于制造和实用高效的优点。

标签:
新能源
江苏 - 常州 来源:北方有色网 2023-03-18
新能源充电连接结构
新能源充电连接结构 1176     
 0

本实用新型公开了一种新能源充电连接结构,包括筒状外壳,所述筒状外壳的上端为封闭结构,且所述筒状外壳的底端为开口结构,所述筒状外壳的上端壁上对称固定贯通安装有第一接线柱和第二接线柱,且所述筒状外壳的底端内部通过密封轴承安装有端盖,所述端盖上对称固定贯通安装有第三接线柱和第四接线柱,所述筒状外壳的上端壁与所述端盖的之间通过滚动轴承转动安装有中空支撑杆。本实用新型,防水防尘性能较好,安全性能较高,使用寿命较长,可实现三百六十度旋转而不断电,不仅方便使用,适用范围较大,而且可有效避免与该充电连接结构相连接的充电电缆在使用过程中发生扭曲缠绕的现象,值得推广和普及。

标签:
新能源
江苏 - 常州 来源:北方有色网 2023-03-18
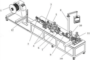
新能源电机线圈成型机

本实用新型涉及一种新能源电机线圈成型机,包括工作台,连接所述工作台的放料机构(1),设置在工作台上的线性滑轨(6),以及依次设置的校直机构(2)、检测机构(3)、剥漆机构(4)、过线座(5)、第一压线机构(7)、控制装置(8)、送线机构(9)、切断机构(10)、冲压机构(11)。本装置能够实现电机线圈的自动化生产。

标签:
新能源
江苏 - 常州 来源:北方有色网 2023-03-18
新能源汽车母端接口快接高压连接器

本实用新型涉及高压连接器技术领域,尤其涉及一种新能源汽车母端接口快接高压连接器,与公端接口配合卡接使用,柱形体二上的一圈限位卡槽能够与公端接口上的凸起结构相配合,起到定位限位作用,柱形体二上凸圈上的定位卡槽和固定卡槽,能够进一步固定公端和母端的连接效果,防止母端和公端相对转动或偏转,提高稳定性,保证装配精度,连接便捷,安装稳固,效率高,可靠性高。

标签:
新能源
江苏 - 常州 来源:北方有色网 2023-03-18
新能源汽车动力线防漏电装置

本实用新型涉及新能源汽车动力线防漏电装置,包括导电片,所述导电片的表面包覆一层绝缘保护层,导电片上设有连接通孔,该连接通孔周边的绝缘保护层弯折形成与连接通孔同圆心的环形凸起,环形凸起设置有上下两个,所述导电片上设有与环形凸起密封连接的保护盖。本实用新型具有结构简单,使用安全等特点。

标签:
新能源
江苏 - 常州 来源:北方有色网 2023-03-18
电芯采样电路、电池管理系统和新能源汽车

本实用新型公开了一种电芯采样电路、电池管理系统以及新能源汽车。其中,该电芯采样电路包括:电芯模组、采样芯片以及多个采样子电路,其中,电芯模组的N个电芯分别与采样芯片的N+1个采样通道连接,形成N+1个采样子电路,每一个采样子电路至少包括静电释放电容、第一滤波电路、第二滤波电路以及磁珠。本实用新型解决了电池管理系统传导发射电流法测试结果难以满足CISPR 25标准等级3以上限值要求的技术问题。

标签:
新能源
江苏 - 常州 来源:北方有色网 2023-03-18
散热型新能源汽车用交流电机

本实用新型涉及一种散热型新能源汽车用交流电机,在工作时,电机内部的热量通过电机风扇排出,吹向风扇罩内,进入风扇罩内的热风由储水冷却装置冷却后,由通风孔进入导风罩内,由于导风罩的开口均正对散热片,进入导风罩内的风直接吹向散热片,从而对散热片进行散热,由于散热片的表面设置有石墨烯涂层,石墨烯的散热效果较好,进一步加快了散热片的散热,散热片散热后才能更好的对电机内部进行散热,从而对电机起到了很好的散热效果,加速了电机散热。

标签:
新能源
江苏 - 常州 来源:北方有色网 2023-03-18
新能源汽车电池包连接件焊接夹具

本申请涉及一种新能源汽车电池包连接件焊接夹具,属于夹具的领域,其包括支架、操作台、和移动座,操作台设置在支架上,移动座沿操作台的长度方向滑动连接在操作台上,移动座上设有用于固定连接工件的夹持组件,夹持组件包括第一夹持部和第二夹持部,第一夹持部对连接工件的水平方向进行限位,第二夹持部对连接工件的竖直方向进行限位。本申请具有提高连接工件焊接中准确度的效果。

标签:
新能源
江苏 - 常州 来源:北方有色网 2023-03-18
用于混动新能源汽车的双离合器壳体压铸组件

本实用新型公开了一种用于混动新能源汽车的双离合器壳体压铸组件,包括底座、模具、压模和出模机构。本实用新型的有益效果是:该离合器壳体压铸组件结构简单,在进行压铸时,只需要启动液压机,使得液压机带动压模下降,并与模具贴合,然后将原料盒内的原料通过橡胶波纹管和出料孔导入到模具与压模形成的模腔内,然后多余的原料从两侧的溢料孔溢到集料槽内,从而完成壳体的压铸,在壳体压铸成型后,通过转动转把,使得转把带动螺纹杆转动,进而使得两个螺套相互靠近,使得连接杆带动顶起凸块向上移动,进而使得顶起凸块将推板顶起,从而实现对壳体的顶出,便于将压铸成型的壳体取出,避免人为操作失误,导致壳体被破坏,提高生产效率。

标签:
新能源
江苏 - 常州 来源:北方有色网 2023-03-18
新能源动力电池盖板
新能源动力电池盖板 1031     
 0

本实用新型公开了一种新能源动力电池盖板,其技术方案要点是:包括板体,所述板体两侧设有装配孔,所述板体沿装配孔周围设有装配槽,所述装配槽边角处设有卡孔,所述装配槽内部安装有极柱端子,所述极柱端子底面对齐卡孔的位置设有卡柱,所述板体中部设有防爆口,解决了现有的这种电池盖板极柱端子多是焊接或者通过销钉固定在电池盖板上,导致极柱端子拆分繁琐,甚至一些电磁盖板的极柱电子尺寸不一,加工工序多,影响电池盖板的生产效率的问题,通过对电池盖板的结构进行改良和优化,使得电池盖板实现了极柱端子能够卡接在电池盖板上,极大的方便极柱端子稳定的安装在电池盖板上,且这种极柱端子也方便安装和拆卸,使得极柱端子使用方便。

标签:
新能源
江苏 - 常州 来源:北方有色网 2023-03-18
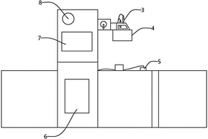
具有视觉检测系统的新能源液冷板钎焊装置

本实用新型公开了一种具有视觉检测系统的新能源液冷板钎焊装置,包括自动导向输送带,所述自动导向输送带末端处的上方架设有龙门架,并在龙门架上设置有工业相机,所述工业相机与龙门架侧边的显示屏和报警灯电性连接,所述自动导向输送带的侧边设置有感应器,所述感应器通过间歇开关控制自动导向输送带的动力源。本实用新型能自动识别焊环漏装及接头歪斜可大量降低人为原因造成的产品报废,有效提升钎焊良率。

标签:
新能源
江苏 - 常州 来源:北方有色网 2023-03-18
新能源汽车电池模块冷却装置

本实用新型提供一种新能源汽车电池模块冷却装置,包括:电池模块封装盒、外循环管、海绵套、通风管,电池模块固定安装在电池模块封装盒内,电池模块封装盒内装有冷却油,电池模块封装盒的两端通过外循环管外接连通,电池模块封装盒与外循环管共同构成密封环境,外循环管内安装有冷却油定向移动控制阀,海绵套紧密套装在外循环管的外表面,通风管套装在海绵套的外表面,通风管的中部安装有外接管,外接管与通风管连通,外接管内安装有离心风机。本实用新型刻有有效提高电池的散热效果,同时,利用冷却油将电池进行包裹为电池提供防水效果。

标签:
新能源
江苏 - 常州 来源:北方有色网 2023-03-18
新能源动力电池用石墨散热模组

本申请公开了一种新能源动力电池用石墨散热模组,包括散热套、第一散热片和第二散热片,第一散热片和第二散热片分别设置在散热套的两端;散热套、第一散热片和第二散热片均由第一石墨烯高分子不干胶层、导热硅胶片、形变孔、凹槽、第二石墨烯高分子不干胶层和石墨烯散热膜构成,第一石墨烯高分子不干胶层和第二石墨烯高分子不干胶层分别设置在导热硅胶片的两个面上,第二石墨烯高分子不干胶层表面覆盖粘接有石墨烯散热膜。本申请有益之处在于其具有散热功能外,还具有减震的功能,通过导热硅胶片提供减震。

标签:
新能源
江苏 - 常州 来源:北方有色网 2023-03-18
新能源汽车用大扭矩永磁同步电机

本实用新型公开了新能源汽车用大扭矩永磁同步电机,包括大扭矩永磁同步电机,所述大扭矩永磁同步电机的底部栓接有固定箱,所述固定箱的正面通过螺栓螺纹连接有箱盖,所述大扭矩永磁同步电机右侧的表面环形一体成型有加强条。本实用新型通过滑柱、底座、固定板、通槽、齿牙、齿轮、连接架、活动杆、第一滑块、第一滑槽和第一减震弹簧的配合,可对大扭矩永磁同步电机的底部进行减震防护,降低大扭矩永磁同步电机的损坏几率,延长大扭矩永磁同步电机的使用寿命,同时也避免大扭矩永磁同步电机振动与电源之间脱落发生短路,防止大扭矩永磁同步电机在工作过程中,因震动过大,导致大扭矩永磁同步电机内部零件松动。

标签:
新能源
江苏 - 常州 来源:北方有色网 2023-03-18
新能源汽车电池线束
新能源汽车电池线束 809     
 0

本实用新型涉及汽车电池线束装置领域,尤其涉及新能源汽车电池线束。包括第一通讯连接器和第二通讯连接器;所述第二通讯连接器分别连接出水管温度传感器、进水管温度传感器和烟雾传感器;所述第一通讯连接器分别连接温度传感器和漏液传感器;将温度传感器,水温传感器,漏液传感器和烟雾传感器功能集成在一根线束上,生产效率得到了有效的提高。

标签:
新能源
江苏 - 常州 来源:北方有色网 2023-03-18
新能源电动物流车用自清理圆柱齿轮

本实用新型公开了一种新能源电动物流车用自清理圆柱齿轮,包括:连接轴、储油筒、齿盘、齿牙座、润滑组件和清理组件,所述齿盘安装在连接轴的端部,所述齿盘的圆周面上呈环形矩阵列安装有多个齿牙座,所述齿牙座的两侧分别设置有清理组件,所述齿牙座的顶部安装有润滑组件,通过设置清理组件,滑动块在收缩弹簧的拉伸配合下,能够将滑动块沿导向杆滑动,能够保证刮板的一侧沿齿牙座的一侧滑动,在啮合过程中,刮板受到挤压收缩,刮板复位,插杆插接在杆孔内,在刮板的往复作业配合下,能够通过刮板将齿牙座表面的尘垢进行清理,在齿轮旋转,能够实现齿轮的自清理,保证齿轮更好的啮合,能够持续性配合旋转啮合。

标签:
新能源
江苏 - 常州 来源:北方有色网 2023-03-18
新能源汽车刹车真空泵外壳

本实用新型公开了新能源汽车刹车真空泵外壳,包括第一壳体,所述第一壳体外侧固定连接有连接件,且第一壳体另一侧安装有第一密封垫,所述第一壳体一侧连接有第二壳体,且第一壳体与第二壳体外侧活动安装有防护隔热机构,所述防护隔热机构外侧连接有固定机构,且固定机构一侧固定连接有第二密封垫。本实用新型中,在防护隔热机构的作用下,通过弧形隔热软板能够对其壳体被使用工作时的热量进行隔除,防止壳体的热量影响到或触及到汽车内其他零部件,并且通过隔热透气层能够对其壳体起到透气的作用,弧形隔热软板内部设置多个细孔,细孔内部安装多个隔热颗粒,能够对其壳体工作时产生的热量进行隔除,使得壳体具有完善的隔热效果。

标签:
新能源
江苏 - 常州 来源:北方有色网 2023-03-18
新能源汽车用散热永磁电机

本实用新型涉及一种新能源汽车用散热永磁电机,在使用前,需将冰晶盒放入冰箱内冷冻,使冰晶盒内的蓄冷液固化后,将冰晶盒通过螺钉固定在电机外壳上,冰晶盒固定完成后,冰晶盒上的冰晶条分别位于同排散热翅片中的相邻两个散热翅片之间和两排散热翅片之间,当电机工作时,散热翅片发散出大量的电机内部热量,冰晶盒中的蓄冷液融化时要吸收大量热量,从而散热翅片散发出的热量大部分热量被冰晶吸收,从而实现了对电机的冷却降温,内部装有蓄冷液的冰晶可以重复使用,不会造成资源浪费,且蓄冷液不会流出,从而不会进入电机,不会对电机的使用造成影响,且散热效果较好。

标签:
新能源
江苏 - 常州 来源:北方有色网 2023-03-18
新能源汽车天窗结构
新能源汽车天窗结构 852     
 0

本实用新型涉及一种新能源汽车天窗结构,包括天窗外框架、后天窗框架、前天窗框架,所述的天窗外框架以嵌入的形式安装在车体顶部的安装槽内,所述的天窗外框架上开设有后框架安装槽和前框架安装槽,所述的后天窗框架的一端通过转动轴连接在后框架安装槽内,所述的转动轴与伺服电机相连,所述的前天窗框架活动连接在前框架安装槽内,所述的天窗外框架以及安装槽上相对于前天窗框架的前端面都开设有通槽,所述的前框架安装槽以及通槽的两内壁上设置有滑槽,所述的前天窗框架的两侧设置有滑块,所述的前天窗框架通过滑槽与滑块的配合活动连接在前框架安装槽和通槽内。本设计具有结构简单、易于制造和实用高效的优点。

标签:
新能源
江苏 - 常州 来源:北方有色网 2023-03-18
新能源电动汽车的交流充电枪

本实用新型涉及电动车充电枪技术领域,具体涉及新能源电动汽车的交流充电枪,包括枪体、充电插头、锁止板,充电插头内设有充电插针,枪体为一体成型结构,枪体后端设有固定电缆的夹线机构,充电插头前部设有插头盖,插头盖内部设有密封组件,枪体上部设有独立于内腔的锁止腔,锁止板设置在锁止腔开口处,锁止板中部与锁止腔对应处活动配合,锁止板的两端能以与锁止腔活动连接处为轴上下翘动,充电插头内部设有将充电插针固定在充电插头内的插针压板,插针压板上对应充电插针侧边处设有温度检测元件,一体结构的枪体,防护等级高,结构强度高,更符合人体工学设计,抓取省力,安全性大大提高。

标签:
新能源
江苏 - 常州 来源:北方有色网 2023-03-18
新能源汽车动力线测试用夹紧装置

本实用新型涉及新能源汽车动力线测试用夹紧装置,包括基座,所述基座上设有进气孔以及与进气孔连通的出气孔,所述出气孔四周设有凹槽,所述基座上设有多个螺纹孔,所述螺纹孔内设有与螺纹孔螺纹连接的第一锁紧件,所述第一锁紧件上套装有夹紧片,所述夹紧片上设有与夹紧片螺纹连接的第二锁紧件,所述夹紧片上设有腰型孔,所述夹紧片通过腰型孔套装在第一锁紧件上并与第一锁紧件滑动配合,采用上述结构后,夹紧片与第一锁紧件滑动配合,通过第一锁紧件以及第二锁紧件调整夹紧片的位置以及高度,使多个夹紧片将动力线接头夹紧,然后拧紧第一锁紧件将夹紧片锁紧,本实用新型结构简单合理,操作方便。

标签:
新能源
江苏 - 常州 来源:北方有色网 2023-03-18
新能源汽车动力线保护装置

本实用新型涉及新能源汽车动力线保护装置,包括导电片,所述导电片的表面包覆一层绝缘保护层,绝缘保护层上设有第一连接装置,导电片上设有连接通孔,该连接通孔周边的绝缘保护层弯折形成与连接通孔同圆心的环形凸起,环形凸起设置有上下两个,所述导电片上设有与环形凸起密封连接的保护盖,保护盖上设有第二连接装置,第一连接装置和第二连接装置通过连接件连接。本实用新型具有使用安全,防止保护盖丢失等特点。

标签:
新能源
江苏 - 常州 来源:北方有色网 2023-03-18
新能源汽车空调管路加工用设备

本实用新型涉及管路加工技术领域,且公开了一种新能源汽车空调管路加工用设备,包括稳定板,稳定板的顶端左侧和顶端右侧均设置有稳定凹槽,稳定板的右端固定连接有第一电机,一电机的左侧输出端固定连接有稳定轴,稳定轴的左端延伸至位于左侧的稳定凹槽的内部并与稳定凹槽内部的左端转动连接,稳定轴的左端外壁上和右端外壁上分别设置有正向螺纹和逆向螺纹,正向螺纹和逆向螺纹带动稳定螺纹套进行移动,稳定螺纹套带动移动板进行移动,直到圆弧夹持板与管路相互接触,在经过第一电动伸缩杆的运作,第一电动伸缩杆带动翻转板进行翻转进而对管路进行定位夹持,进一步的提高夹持时的稳定性。

标签:
新能源
江苏 - 常州 来源:北方有色网 2023-03-18
新能源汽车用冷却管路用连接管旋转活动接头

本实用新型属于接头领域,具体的说是一种新能源汽车用冷却管路用连接管旋转活动接头,包括连接头主体和连接管道,所述连接管道与连接头主体螺纹连接,所述连接头主体与连接管道之间设置有辅助连接机构;所述辅助连接机构包括连接座、插块、套块、定位腔、弹簧、定位块、定位槽和卡合组件,所述连接座通过轴承活动连接在连接管道靠近连接头主体的一侧,所述插块固定连接在连接座靠近连接头主体的一侧,所述套块固定连接在连接头主体两侧的两端,且套块的内部套设有插块,所述定位腔开设在插块的内部,所述弹簧设置在定位腔的内部,通过辅助连接机构实现了对连接头主体与连接管道之间的连接进行预定位的功能。

标签:
新能源
江苏 - 常州 来源:北方有色网 2023-03-18
新能源汽车轮毂电机定子铁芯加工用夹持工装

本实用新型涉及电机生产加工技术领域,尤其涉及一种新能源汽车轮毂电机定子铁芯加工用夹持工装,包括组合式定子铁芯、底座、夹持机构和焊接机构,底座的上侧两端对称设有夹持机构,中部安装有焊接机构;组合式定子铁芯由若干层呈圆形阵列分布的分块叠片和锁条构成,分块叠片包括弧形片体、绕线板a、绕线板b和锁板c,锁条与弧形片体外壁相接线作为待焊接线;夹持机构包括丝杆驱动组件、活动板和弧形夹持板,弧形夹持板的内侧开设有夹持卡槽;焊接机构包括直线导轨、激光焊接座和激光焊接头。本实用新型利用夹持机构能够对分体式定子铁芯进行有效的夹持,利用焊接机构能够对分体式定子铁芯的待焊接线进行有效的焊接,满足使用需求。

标签:
新能源
江苏 - 常州 来源:北方有色网 2023-03-18
新能源汽车动力电池举升装置用工装

本实用新型公开了一种新能源汽车动力电池举升装置用工装,主要内容为:所述的右支撑柱安装在动力电池支撑板底面上且右支撑柱右侧面与动力电池支撑板右侧面平齐,左支撑柱安装在动力电池支撑板底面上且左支撑柱左侧面与动力电池支撑板左侧面平齐,动力电池支撑板顶面上安装有多排万向球单元且每排上设有多列万向球单元,左挡板安装在动力电池支撑板顶面靠近左侧面处,后挡板安装在动力电池支撑板顶面靠近后侧面处,右挡板固定安装在动力电池支撑板顶面靠近右侧面处。本实用新型结构简单,操作方便可靠,通过万向轮可实现不移动电池举升小车,只移动动力电池的方式实现动力电池与车身固定孔位对孔,可有效提高生产效率,同时降低员工工作强度。

标签:
新能源
江苏 - 常州 来源:北方有色网 2023-03-18
新能源光伏电板安装支架

本实用新型公开了一种新能源光伏电板安装支架,包括光伏电板安装板、第一固定部、支撑杆、液压缸、转板、移动杆、基座、连接螺纹管、连接杆、第二固定部、电动机、环形导轨和固定块,利用固定块使基座固定稳定,利用固定块避免雨水淹没基座,对电动机造成损伤,利用电动机带动转板转动,从而调节光伏电板的朝向,利用移动杆和环形导轨使转板移动稳定,利用液压缸控制连接杆的移动,从而控制光伏电板的倾斜角度,利用连接螺纹管使若干个装置可以连接起来,提高光伏电板安装支架组的稳定性,本装置能灵活调节光伏电板的朝向和倾斜角度,且能有效避免雨水淹没基座,提高设备的使用寿命,提高稳定性。

标签:
新能源
江苏 - 常州 来源:北方有色网 2023-03-18
上一页 16 17 18 19 20 ... 38 下一页
共38页    到第

北方有色为您提供最新的江苏常州有色金属新能源材料技术理论与应用信息,涵盖发明专利、权利要求、说明书、技术领域、背景技术、实用新型内容及具体实施方式等有色技术内容。打造最具专业性的有色金属技术理论与应用平台!

全国热门有色金属设备推荐
展开更多 +
全国热门有色金属技术推荐
展开更多 +

 

江西省隆恩特环保设备有限公司
宣传

报名参会
更多+

报告下载

有色专家
更多+

武汉科技大学
校学术委员会主任 / 教授
长沙矿冶研究院有限责任公司
中国工程院院士
中冶沈勘秦皇岛工程技术有限公司
原矿山院院长/教授级高工
中国矿业大学
副院长/教授
赣州有色冶金研究所有限公司
副主任/高级工程师
赤泥综合利用研究报告2025
推广

热门技术
更多+

推荐企业
更多+

福建省金龙稀土股份有限公司
宣传

发布

在线客服

公众号

电话

顶部
咨询电话:
010-88793500-807