青岛垚鑫智能科技有限公司
宣传

位置:中冶有色 >

有色技术频道 >

> 新能源材料技术

分类:
全部
矿山技术
冶金技术
材料制备及加工技术
环境保护技术
分析检测技术
 
全部
功能材料技术
复合材料技术
新能源材料技术
合金材料技术
加工技术
地区:
全部
北京
天津
上海
重庆
河北
山西
辽宁
吉林
黑龙江
江苏
浙江
安徽
福建
江西
山东
河南
湖北
湖南
广东
海南
四川
贵州
云南
陕西
甘肃
青海
内蒙
广西
西藏
宁夏
新疆
其他
其他
展开
 
全部
南京
无锡
徐州
常州
苏州
南通
连云港
淮安
盐城
扬州
镇江
泰州
宿迁

江苏常州有色金属新能源材料技术理论与应用

免费发布技术信息>>
用于新能源纯电动客车的干燥器

本实用新型涉及一种用于新能源纯电动客车的干燥器,包括干燥器柱体,所述的干燥器柱体的一侧开设有进气口和出气口,其特征在于:所述的干燥器柱体的上部可拆卸地套装有散热防护罩,所述的散热防护罩与干燥器柱体的上部之间设置有弹性卡紧机构,所述的干燥器柱体上还连接有固定架,所述的固定架是由固定板、支撑板、连杆和夹紧机构;本设计具有结构简单、易于制造和实用高效的优点。

标签:
新能源
江苏 - 常州 来源:中冶有色网 2023-03-18
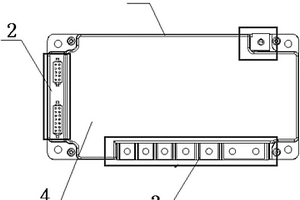
新能源汽车电池动力总成的电源分配系统

本实用新型公开了一种新能源汽车电池动力总成的电源分配系统,其特征在于:所述的电源分配系统包括矩形结构的防护盖内设有主控制单元,信号端口设置在防护盖的顶端,端口单元设置在防护盖的侧面。由于采用上述的结构,本实用新型有效的整合了现有市场上电池动力总成各独立电子元件的所有功能,而且体积与占用空间更小,方便安装,操作和维修;更明显更重要的是整个PDC系统有绝缘防护模块的保护能够明显有效的提高电池动力总成系统整个的安全性,可靠性,使用上可根据实际情况任意定义各端口位置,满足不同的需求。

标签:
新能源
江苏 - 常州 来源:中冶有色网 2023-03-18
新能源铝电池结构件涂装冶具

本实用新型公开了一种新能源铝电池结构件涂装冶具,包括挂杆、遮蔽盖、保护套和口部冶具,所述保护套安装在挂杆的外端部,所述遮蔽盖贯穿保护套与口部冶具进行连接;所述口部冶具内安装有磁铁,所述挂杆底端部安装有导电片。本实用新型取消螺纹装置,改用钣金式挂具,解决产品在预处理和喷粉过程中方向一致性问题,本实用新型将原有的通孔进行遮蔽出来,使得通孔保留了平衡压力的作用,液体又不从孔内渗透进去到值漏液现象,同时本实用新型解决产品在预处理过程中不漏液的同时,高温胶带不松弛,无缝隙产生,超细粉在喷涂过程中不会飘入产品口部,解决漏粉现象。

标签:
新能源
江苏 - 常州 来源:中冶有色网 2023-03-18
新能源汽车冷却管路用快插接头

本实用新型涉及管路接头技术领域,具体为一种新能源汽车冷却管路用快插接头,便于对连接后的冷却管进行加紧固定,避免冷却管受外界影响而转动,防止其连接处松动,使用性较高,实用性较好,包括连接头一和连接头二,连接头一的左端和接头二的右端均固定连接有两个连接板,连接板的内部开设有条形槽,条形槽内滑动设置有调节块,调节块通过多个第一弹簧与条形槽的内侧壁固定连接,调节块的另一端固定连接有调节杆,四个调节块相对的一端均固定连接有连接块,连接块通过调节孔延伸至连接板的外部且转动连接有支杆一,四个连接板相对的一端均转动连接有支杆二,支杆一和支杆二的另一端转动连接有辅助夹。

标签:
新能源
江苏 - 常州 来源:中冶有色网 2023-03-18
轻质高强度新能源汽车铆钉加工用打磨装置

本实用新型涉及汽车零配件加工技术领域,尤其涉及一种轻质高强度新能源汽车铆钉加工用打磨装置,解决了对铆钉进行打磨时,只能进行端面打磨,难以实现倒角打磨,打磨长度难以控制的缺点,包括底座,所述底座顶部卡设有滑动座,所述滑动座内部焊接有固定管,所述固定管内卡设有铆钉,固定管一端螺纹连接有固定套管,所述固定套管端部焊接有手把,底座内卡设有限位座,所述限位座上表面焊接有螺杆,底座上表面焊接有电机座,所述电机座外侧安装有电机,所述电机输出端安装有打磨轮,该打磨装置具有两组滑槽,可以根据使用需要进行选择,分别实现端部打磨,改变铆钉长度及倒角打磨,方便安装工作,同时长度控制及打磨量控制效果好。

标签:
新能源
江苏 - 常州 来源:中冶有色网 2023-03-18
密闭性能好的新能源车辆用电池包壳体

本实用新型公开了一种密闭性能好的新能源车辆用电池包壳体,涉及电池保护壳技术领域,包括电池底座以及电池壳体,所述电池底座中心开设有电池放置槽,所述电池放置槽内设有横向夹持装置,所述电池底座上且位于电池放置槽周围开设有回形插槽,所述电池壳体下壁面设有防火棉层以及密封胶垫层,所述密封胶垫层下壁面设有回形插板,所述回形插板插装于回形插槽内,所述密封胶垫层内壁面顶端设有纵向夹持装置,所述电池壳体、防火棉层以及密封胶垫层周围分别设有若干第一通孔,所述电池底座上且位于回形插槽周围开设有若干连接槽,所述第一通孔和连接槽分别内设有锁销连接装置,解决了现有的结构在发生震动时电池容易发生移位,且密闭性能较差的问题。

标签:
新能源
江苏 - 常州 来源:中冶有色网 2023-03-18
新能源氢燃料汽车智能热管理控制器总成

本实用新型公开了一种新能源氢燃料汽车智能热管理控制器总成,包括底座机构和上壳机构,所述底座机构包括底座主体、设置在底座主体侧边的卡接扣,所述上壳机构包括上壳主体、用于导电的连接板、与卡接扣扣接的固定扣。本实用新型中,通过将本装置设置为底座机构和上壳机构,并将控制器本体设置在底座机构和上壳机构之间,可以同时采集蒸发器温度传感器、车外温度传感器、车内温度传感器、阳光传感器、电机入口水温传感器、电池入口水温传感器、温度压力传感器及接收CAN总线的空调控制信号,对空调系统中的风门、鼓风机、压缩机、PTC、水泵、电子膨胀阀、水阀、散热风扇等进行控制,实现汽车乘客舱空调、电机系统及电池包的热管理需求。

标签:
新能源
江苏 - 常州 来源:中冶有色网 2023-03-18
新能源动力电池铝壳生产用清洗装置

本实用新型公开了一种新能源动力电池铝壳生产用清洗装置,包括清洗箱和上盖,所述调节组件包括其顶部连接有固定模块与其底部安装有移动块当生产者对冲压后的电池铝壳进行去污清理时,将两组铝壳本体安装在清洗槽的调节组件外部,配合正反丝杆、正反电机和固定轴承等组件带动两组铝壳本体在刮板表面进行往复运动,方便将两组铝壳本体表面的油污和碎屑进行清除,两组清洗槽可以提升清洗箱对电池铝壳清洗的效率,所述限位槽与限位块结构相匹配,且滑槽与滑轮结构相匹配,限位槽与限位块方便调节组件与清洗箱的限位连接,且滑轮与滑槽可以提升调节组件在清洗槽内部往复移动的灵活性,以此提升清洗箱对铝壳本体表面清洁的效率。

标签:
新能源
江苏 - 常州 来源:中冶有色网 2023-03-18
新能源汽车DCDC转换器参数自动测试装置

本实用新型提供一种新能源汽车DCDC转换器参数自动测试装置,包括温湿度试验箱、水冷机、设备柜、高压直流电源柜和控制柜;设备柜中设有测试仪器、电子负载和低压直流电源;控制柜中设有工控机、CAN通信模块和显示器;高压直流电源柜上设有高压直流电源;DCDC转换器样品放在温湿度试验箱中,且DCDC转换器样品的输入端与高压直流电源连接,输出端与电子负载连接;工控机通过CAN通信模块与温湿度试验箱、水冷机、DCDC转换器样品、高压直流电源、测试仪器、电子负载、低压直流电源电性连接,分体式设计和集成化控制,满足极端环境的下的测试需求,避免繁杂的接线及设备操作,省时省力。

标签:
新能源
江苏 - 常州 来源:中冶有色网 2023-03-18
新能源汽车电池稳定支架

本实用新型公开了电池支架领域的一种新能源汽车电池稳定支架,包括底板,所述底板上设置有伸缩支撑板,所述伸缩支撑板内设置有伸缩架,所述伸缩支撑板两侧均设置有电池支撑板,所述电池支撑板上设置有稳固装置,所述底板两侧均设置有背板,所述背板一侧设置有支撑结构,所述背板上设置有散热窗,所述散热窗上设置有防尘网,所述背板另一侧设置有垫板,所述垫板上设置有若干螺母柱,所述垫板底部设置有稳固条,所述垫板两侧均设置有侧边板,所述侧边板上设置有伸缩挡板,本实用新型通过在支架内设置稳固装置,可以有效的减少车辆行驶过程中造成的晃动而影响电池线路,使电池能够更稳定的工作。

标签:
新能源
江苏 - 常州 来源:中冶有色网 2023-03-18
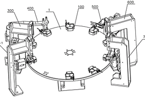
新能源汽车电池模组防爆传感器检测与针脚成型一体机

本实用新型涉及传感器针脚成型设备技术领域,尤其涉及一种新能源汽车电池模组防爆传感器检测与针脚成型一体机,将防爆传感器固定在旋转工作台的靠近外边缘处,旋转工作台的外周固定设置有多个工位,按工艺从前往后的顺序依次围绕设置有防爆传感器耐压自动测试装置、防爆传感器阻抗测试装置、防爆传感器自动剔除装置、防爆传感器针脚修剪装置、防爆传感器针脚折弯装置和防爆传感器针脚张角定型装置,多个工位之间通过控制器相互传送信号,防爆传感器的性能检测、筛选、修剪、折弯和张角工序连续自动操作,一次成型,快捷到位,整个装置结构设计合理,使用方便,工作效率高,满足自动化测试的要求。

标签:
新能源
江苏 - 常州 来源:中冶有色网 2023-03-18
新能源汽车电池用软性线路板

本实用新型公开了新能源汽车电池用软性线路板,包括有两个支撑板,所述支撑板内壁固定连接有固定件,其固定件顶端固定连接有线路板本体,且线路板本体表面安装有接线插口,所述支撑板顶端安装有防护机构,且防护机构内部包括有支撑板顶端两侧固定连接的连接板,所述连接板内部固定安装有转动轴,其转动轴另一侧转动连接有防护板,且防护板内嵌合连接有电动扇,所述防护板通过转动轴与连接板构成旋转结构。本实用新型中,防护板可以通过转动轴进行翻转,遮挡住线路板本体的上端,防止长期使用线路板本体表面堆积灰尘,且通过防护板内安装的电动扇,可以对其线路板本体进行快速散热,防止线路板本体受到电池散发的热量影响,造成损坏。

标签:
新能源
江苏 - 常州 来源:中冶有色网 2023-03-18
家用防盗新能源汽车充电枪

本实用新型公开了一种家用防盗新能源汽车充电枪,包括枪体外壳,所述枪体外壳的左端设有充电电缆,所述充电电缆与枪体外壳的连接处包裹有密封圈,所述枪体外壳的左侧上表面设有把手,把手的下端右侧设有排水孔,充电按钮的右侧设有第一电子显示屏,枪体外壳的两侧边端面设有散热板,枪体外壳的右端设有充电枪头,充电枪头的上端设有锁扣,所述枪体外壳的内壁上端设有复位弹簧,充电电缆的上下两端右侧设有冷却装置,冷却装置的右侧设有电感应装置,充电电缆的中间设有控制盒,控制盒上表面下端设有密码盘。本实用新型涉及汽车充电枪技术领域,达到了安全性能高、方便、防盗的目的,延长了充电枪的使用寿命。

标签:
新能源
江苏 - 常州 来源:中冶有色网 2023-03-18
新能源汽车LED灯散热板

本实用新型属于散热板技术领域,具体涉及一种新能源汽车LED灯散热板,包括基板、基板上的面板,所述的面板向上拱起,面板与基板间形成空腔,面板上设有多个散热孔,散热孔处的面板板体向下凹陷形成圆形凹槽,基板上对应散热处设有通风孔,散热孔处设有筒状的散热筒,通风孔孔壁与散热筒底端筒身连接,散热孔孔壁与散热筒上部筒身连接,散热筒顶端延伸至散热孔上方处,且散热筒的上端口为倒锥形结构,散热效率高,结构简单,便于制造。

标签:
新能源
江苏 - 常州 来源:中冶有色网 2023-03-18
新能源车牌铝板的定位落料装置

本实用新型涉及一种新能源车牌铝板的定位落料装置,在使用时,将铝板放置在导料辊上,铝板的上表面与送料辊接触,铝板位于两个导向柱之间,铝板的两侧均与导向柱相切,铝板上设置有若干定位标识,若干定位标识等间距设置,转动装置驱动送料辊转动,送料辊转动带动铝板向冲裁装置移动,感应器感应到铝板上的定位标识后,将信号发送给控制器,控制器控制转动装置停止转动,铝板静止,控制器控制冲裁装置对铝板进行冲裁工序,冲裁工序完成后,控制器控制转动装置继续转动,铝板推动冲裁出的车牌底板向下料装置移动,如此反复,实现铝板的自动上料、冲裁和下料,节省了人力,安全性能高,加工速度快,提高了生产效率。

标签:
新能源
江苏 - 常州 来源:中冶有色网 2023-03-18
适用于新能源汽车冷却系统的副水壶

本实用新型公开了一种适用于新能源汽车冷却系统的副水壶,包括水壶本体(2),其特征在于,还包括支架(4)、除气口(6)、补水口(8)以及压力控制端(10)。本实用新型中,将两个水壶的两个容腔整合至一个支架(4)内,能够同时为汽车的发动机和汽车的电机提供冷却,并且节约了安装空间,能够有效解决现有技术中遇到的问题。

标签:
新能源
江苏 - 常州 来源:中冶有色网 2023-03-18
新能源电池料盘堆叠装置

本实用新型公开了新能源电池料盘堆叠装置,包括支架,所述支架的底部上表面两侧设置有升降机构,所述升降机构的内侧均安装有夹持机构,其特征在于:所述夹持机构包括夹持板,所述夹持板设置在夹持机构的内侧且夹持板随着夹持机构进行前后的运动,所述夹持板的内侧端面均安装有两组上下设置的托板,所述托板分为上侧的托板一和下侧的托板二,本实用新型,解决了堆叠机在堆叠多层电池料盘时,电池料盘易损坏的问题,通过设置两排托板,利用上排托板与下排托板的分次或同时托举,减小了电池料盘的位置偏差,提高了堆叠精度,使得电池料盘之间的堆叠精度能够控制在5mm内,并且使得单排托板只承受单层电池料盘的重量,电池料盘不易损坏。

标签:
新能源
江苏 - 常州 来源:中冶有色网 2023-03-18
新能源汽车高压线束插头

本实用新型属汽车插头技术领域,具体涉及一种新能源汽车高压线束插头。该插头包括前插头和后插头,所述前插头具有前外壳、若干第一触片以及用于设置第一触片的第一触片安装壳,所述第一触片与第一触片安装壳形状一致且贴合;所述的第一触片安装壳依次设置在前外壳形成的空腔内;所述上层第一触片安装壳上设置有盖板,所述后插头具有后外壳和与第一触片安装壳接插的高压线束管,所述高压线束管具有设置高压线束的腔体,所述后插头腔体一侧设置有与第一触片相对应的第二触片;所述第一触片安装壳与盖板形成凹槽内设置有第一防水塞,所述腔体内设置有第二防水塞。该高压线束插头,结构简单,成本低;屏蔽、防水效果好。

标签:
新能源
江苏 - 常州 来源:中冶有色网 2023-03-18
运行平稳的新能源汽车车辆热管理系统

一种运行平稳的新能源汽车车辆热管理系统,包括板式换热器、压缩机、冷凝器、第一过滤器、视液镜及热力膨胀阀,所述板式换热器的输出端与压缩机的输入端相连,压缩机的输出端与冷凝器的输入端相连,冷凝器的输出端依次连接有第一过滤器、视液镜及热力膨胀阀并连接板式换热器的输出端,实现了电池温度的有效散热,进一步的通过板式换热器前端设置有的第二过滤器,能够对进入板式换热器的空气进行充分的过滤,保证了空气的整洁,提升了整个板式换热器的效率,同时也避免灰层堆积影响板式换热器的使用,效果理想。

标签:
新能源
江苏 - 常州 来源:中冶有色网 2023-03-18
新能源汽车LED灯组的柔性线路板

本实用新型属于LED柔性线路板技术领域,具体涉及新能源汽车LED灯组的柔性线路板,包括导线层、覆盖在导线层上层的上部绝缘层、覆盖在导线层下层的下部局绝缘层,上部绝缘层对应LED灯珠设置处开设有多个漏出导线层的窗口,窗口处对应的下部绝缘层设有硬质的支撑板,窗口处的上部绝缘层设有盖板,盖板与支撑板粘接,盖板设有与将LED灯珠压紧在上部绝缘层上的腔体,腔体上部设有使LED灯珠发光部外露的开口,腔体内壁设有胶层,焊接点牢固可靠,焊接处稳定性高,避免开焊。

标签:
新能源
江苏 - 常州 来源:中冶有色网 2023-03-18
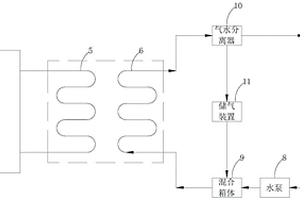
新能源电机试验用测功机冷却装置

本实用新型公开了一种新能源电机试验用测功机冷却装置,包括设置于测功机上的第一水冷循环装置,还包括热交器以及第二水冷循环装置,热交换器分别与第一水冷循环装置和第二水冷循环装置连接,第二水冷循环装置包括水箱、水泵、混合箱体、气水分离器、储气装置,水泵的输入端与水箱的出水口连接,水泵的输出端与混合箱体的进水端口连接,混合箱体的输出端口通过热交换器与气水分离器的输入端连接,气水分离器的出气端口与储气装置的输入口连接,气水分离器的出水端口与水箱的进水口连接,储气装置的输出口与混合箱体的进气口连接。本实用新型能明显改善现有冷却装置的冷却效率。

标签:
新能源
江苏 - 常州 来源:中冶有色网 2023-03-18
新能源汽车动力线密封性的测试装置

本实用新型涉及新能源汽车动力线密封性的测试装置,包括基座、充气泵以及浸没容器,所述基座上设有进气孔以及与进气孔连通的出气孔,所述出气孔四周设有凹槽,所述基座上设有多个螺纹孔,所述螺纹孔内设有与螺纹孔螺纹连接的第一锁紧件,所述第一锁紧件上套装有夹紧片,所述夹紧片上设有与夹紧片螺纹连接的第二锁紧件,所述夹紧片上设有腰型孔,所述夹紧片通过腰型孔套装在第一锁紧件上并与第一锁紧件滑动配合,所述进气孔与充气泵之间设置通气管,所述充气泵与进气孔通过通气管连接,本实用新型结构简单合理,操作方便快捷,省时省力。

标签:
新能源
江苏 - 常州 来源:中冶有色网 2023-03-18
不易撕裂的新能源汽车用柔性电路板

本实用新型公开了一种不易撕裂的新能源汽车用柔性电路板,包括固定板,所述固定板顶部四角位置均贯穿并设置有凹槽,所述固定板底部固定连接有绝缘板,所述绝缘板顶部左右两侧均贯穿固定连接有滑槽。本实用新型中,在使用时,将电路板本体放入两个滑槽之间,从而两个滑槽可对电路板本体进行保护,以免出现磕磕碰碰的现象,电路板本体后端设置有散热块与散热片,散热片可对电路板本体进行散热,以免电路板本体长时间工作会出现短路的现象,此款电路板本体采用多种分层材质组成,分别为:加固层、绝缘层、阻燃层以及耐热层,此款电绝缘板本体具有较好的耐热性、耐腐蚀性以及坚韧性,从而可大大延长电路板本体的使用寿命。

标签:
新能源
江苏 - 常州 来源:中冶有色网 2023-03-18
新能源超级电容器用减震散热结构及其使用方法

本发明属于电容器技术领域,尤其是一种新能源超级电容器用减震散热结构及其使用方法,本发明包括壳体和安装在壳体内部的电容器本体,壳体上端连接有顶盖;壳体内设有气动减震机构,气动减震机构包括缸体,缸体上设有多个第一气动伸缩杆,第一气动伸缩杆与电容器本体连接;缸体上对称设有一对第二气动伸缩杆,第二气动伸缩杆的上端连接有阻尼机构;顶盖顶部安装有与气动减震机构联动的散热机构,散热机构通过变幅机构与气动减震机构连接;本发明通过设有与气动减震机构联动的散热机构,气动减震机构带动散热机构工作,减震的同时对电容器进行散热,达到减震散热一体功能的目的。

标签:
新能源
江苏 - 常州 来源:中冶有色网 2023-03-18
铜排连接装置、方法及具有该铜排连接装置的新能源汽车

本申请公开铜排连接装置、方法及具有该铜排连接装置的新能源汽车,用于将两铜排固定于具有转动连接部和止转限位部的固定基体,铜排连接装置包括锁紧配合件、锁紧螺纹件和带转螺纹件。锁紧配合件可转动地与转动连接部相连,且与止转限位部相连,以驱使锁紧配合件停止转动。锁紧螺纹件具有锁紧螺纹孔,带转螺纹件具有与锁紧螺纹孔适配的带转螺纹段,带转螺纹件的一端用于依次穿过锁紧螺纹孔、两铜排上的通孔后与锁紧配合件的另一端相连,以带动锁紧配合件转动,且在锁紧配合件停止转动时停止转动,且使锁紧螺纹件在带转螺纹件停止转动时可向靠近两铜排的方向旋进,以推动两铜排和锁紧配合件依次抵接以锁紧。本发明实现了两铜排的直接牢固电连接。

标签:
新能源
江苏 - 常州 来源:中冶有色网 2023-03-18
新能源军用车混合动力系统用油点储备装置

本发明涉及油料储备设备技术领域,尤其是一种新能源军用车混合动力系统用油点储备装置,包括若干储备单元,所述储备单元为厚度一致带有空腔的容器,所述储备单元包括底板、顶办和侧壁,所述侧壁上设置有若干连接孔,所述连接孔贯穿侧壁与所述空腔连通,所述连接孔位于所述侧壁的下段,若干所述储备单元的空腔通过连接孔连通,本发明中的油点储备装置可进行模块化拼搭拆卸,可以进行小体积运输大体积使用,便于进行轻量化运载,在使用时又能组合起来行程一个大体积储备装置,搭配上大功率泵可同时为数十个机械化单位进行燃油补充。

标签:
新能源
江苏 - 常州 来源:中冶有色网 2023-03-18
新能源汽车动力电池监控及防护装置

本发明公开了一种新能源汽车动力电池监控及防护装置,包括:电池包主体、主动散热器、液流交换器和感温启闭组件以及外置换热管路,电池包主体的内部设有电池芯组,电池芯组的内部设有若干内置管路,内置管路的一端通过感温启闭组件与外置换热管路的端部相连通,电池包主体的上下两端分别设有主动散热器和外换热底箱。本发明中,通过设置一体式多管路换热结构,利用液流交换器驱动外包于动力电池边侧多管路结构中冷却液的快速置换,通过主动式泵送管路结构快速执行电池包内置以及外进气口换热器的液流运动,从而整体降低动力电池包的工作热量,且配备主动式主动散热器进行风冷降温,避免车体在低速或静止充电过程中的防护。

标签:
新能源
江苏 - 常州 来源:中冶有色网 2023-03-18
新能源挖掘机
新能源挖掘机 1167     
 0

本发明公开了一种新能源挖掘机,包括机架、行走机构、机体、回转驱动装置、液压泵、挖斗大小动臂单元、液压操控单元,行走机构与机架连接,回转驱动装置设置在机架上,机体与回转驱动装置连接,挖斗大小动臂单元与机体铰接,液压操控单元与液压泵连接,液压操控单元还与行走机构、挖斗大小动臂单元连接,还包括电机,电机安装在机体上,液压泵与电机连接,电刷,电刷安装在机体上,电刷与电机电连接;供电电瓶,供电电瓶安装在机体上,供电电瓶与电刷电连接。本发明具有利于节能减排的优点。

标签:
新能源
江苏 - 常州 来源:中冶有色网 2023-03-18
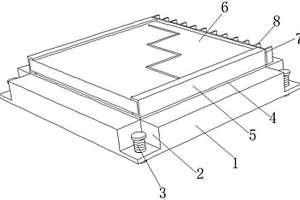
具有自动补偿功能的新能源电池盖板冲压装置

本发明涉及电池盖板冲压技术领域,公开了一种具有自动补偿功能的新能源电池盖板冲压装置,包括冲压台,冲压台上开设有安装槽,所述安装槽内放置有模具,所述冲压台上对称安装有两块固定板,两块所述固定板的相对面均安装有第一电动伸缩杆,所述第一电动伸缩杆上安装有第一夹紧板,所述第一夹紧板上安装有第二电动伸缩杆,所述第二电动伸缩杆上安装有第二夹紧板,所述第二夹紧板的相对面上安装有压力传感器,通过启动第一电动伸缩杆控制第一夹紧板对模具进行固定的同时,通过第二夹紧板上的压力传感器的压力反馈,可以使得第二电动伸缩杆控制第二夹紧板进行自动补偿调整,从而便于让第二夹紧板对盖板进行夹紧,从而可以保障盖板的冲压成型效果。

标签:
新能源
江苏 - 常州 来源:中冶有色网 2023-03-18
新能源汽车的水冷散热结构及其工作方法

本发明公开了一种新能源汽车的水冷散热结构及工作方法,包括电瓶承载座,在电瓶承载座内设置的顶面开口的电瓶卡腔,在电瓶承载座内设置有S形水冷导管,在进水接口与排水嘴上设置有闸阀,在电瓶卡腔的底壁上均匀设置有圆孔,在电瓶卡腔内均匀设置有承载小方格,承载小方格的底面设置有圆筒杆,在承载小方格的底面与电瓶卡腔的底壁之间设置有弹簧,在电瓶承载座内设置有与S形水冷导管相连通的导热柱杆,导热柱杆的顶端伸入圆孔内,承载小方格的圆筒杆插入圆孔内,同时导热柱杆插入圆筒杆的圆筒内且导热柱杆的外表面贴压在圆筒杆的内壁上。本发明的结构设置合理,不但可有效的完成电瓶的定位固定,也有利于提高散热性能,使用稳定性好,适用性强且实用性好。

标签:
新能源
江苏 - 常州 来源:中冶有色网 2023-03-18
上一页 14 15 16 17 18 ... 38 下一页
共38页    到第

中冶有色为您提供最新的江苏常州有色金属新能源材料技术理论与应用信息,涵盖发明专利、权利要求、说明书、技术领域、背景技术、实用新型内容及具体实施方式等有色技术内容。打造最具专业性的有色金属技术理论与应用平台!

全国热门有色金属设备推荐
展开更多 +
全国热门有色金属技术推荐
展开更多 +

 

江西省隆恩特环保设备有限公司
宣传

报名参会
更多+

报告下载

有色专家
更多+

中南大学
中国工程院 院士
江西铜业集团有限公司
党委书记、董事长
紫金矿业信息化研发中心
副总经理
中国矿业大学(北京)
教授
西安建筑科技大学
教授
赤泥综合利用研究报告2025
推广

热门技术
更多+

推荐企业
更多+

福建省金龙稀土股份有限公司
宣传

发布

在线客服

公众号

电话

顶部
咨询电话:
010-88793500-807