青岛垚鑫智能科技有限公司
宣传

位置:中冶有色 >

有色技术频道 >

> 废水处理技术

分类:
全部
矿山技术
冶金技术
材料制备及加工技术
环境保护技术
分析检测技术
 
全部
废水处理技术
大气治理技术
固/危废处置技术
土壤修复技术
地区:
全部
北京
天津
上海
重庆
河北
山西
辽宁
吉林
黑龙江
江苏
浙江
安徽
福建
江西
山东
河南
湖北
湖南
广东
海南
四川
贵州
云南
陕西
甘肃
青海
内蒙
广西
西藏
宁夏
新疆
其他
其他
展开
 
全部
广州
韶关
深圳
珠海
汕头
佛山
江门
湛江
茂名
肇庆
惠州
梅州
汕尾
河源
阳江
清远
东莞
中山
潮州
揭阳
云浮

广东东莞有色金属废水处理技术理论与应用

免费发布技术信息>>
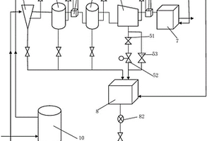
锌镍合金电镀废水的处理设备

本实用新型公开了一种锌镍合金电镀废水的处理设备,包括从前到后依次连接的集水调节池、第一pH调节池、紫外催化氧化反应池、第二pH调节池、混凝反应池、混合池、沉淀池和污泥压滤机。本实用新型对传统锌镍合金电镀废水处理工艺进行优化,新增紫外催化湿式氧化技术,将锌镍合金电镀废水中的络合剂进行降解并去除,使得水中锌和镍以离子态的形式释放,再通过加碱和重金属捕捉剂沉淀的方式加以去除,保证尾水排放稳定达标。

标签:
废水处理
广东 - 东莞 来源:中冶有色网 2023-03-19
脱硫废水的处理装置
脱硫废水的处理装置 982     
 0

本实用新型涉及废水回收利用设备技术领域,特指一种脱硫废水的处理装置,其包括:依次连通的除砂器、平衡槽、第一计量槽、反应槽、沉淀槽、第二计量槽和中继池,所述的除砂器、平衡槽、反应槽和沉淀槽底部通过阀门与污泥池连通;所述的第一计量槽和第二计量槽分别与外部物料加入泵连接,通过加入泵将处理废水的药剂加入;所述的污泥池与一压滤机连接,通过压滤机将污泥池中输送的污泥脱水处理后,输送至与压滤机连接的污泥斗。本实用新型投资费用少,可在原有的基础上进行改造,经过本实用新型处理的水,其水质能达到重新再利用的水质标准。

标签:
废水处理
广东 - 东莞 来源:中冶有色网 2023-03-19
废水中表面活性剂的回收方法

本发明提供了一种废水中表面活性剂的回收方法,先利用两次滤网对废水进行过滤,除去了废水中的悬浮物,通过电解法电解水产生的氢气和氧气将滤液中的残留小颗粒带出,最后利用反渗透膜浓缩、蒸馏除去大部分水,得到高浓度的表面活性剂,操作简单,表面活性剂的回收率高。

标签:
废水处理
广东 - 东莞 来源:中冶有色网 2023-03-19
新型多层次废水处理装置

本实用新型公开了一种新型多层次废水处理装置,包括装置本体,装置本体顶部的一侧连接有进水管,装置本体底部的一侧连接有出水管,装置本体内腔的轴心连接有丝杆,丝杆外壁的一端安装有电机,丝杆外壁的顶部连接有转盘,转盘的底部连接有转杆,转杆的外壁连接有搅拌杆,丝杆的外壁连接有活动柱,活动柱的外壁连接有限位架,装置本体内腔的底部连接有连接轴,连接轴的一端连接有连接柱,连接柱的内腔开设有连接孔。本实用新型中,解决了现有的废水处理装置在进行废水处理时,通过处理液进行处理由于处理液置于装置内搅拌的不均匀,使得废水处理得不够彻底的问题。

标签:
废水处理
广东 - 东莞 来源:中冶有色网 2023-03-19
铝材碱洗含油废水处理装置

本实用新型公开了一种铝材碱洗含油废水处理装置,包括中和槽、混凝槽、气浮槽以及过滤槽,中和槽外接有碱洗废水的进水管道和中和剂的进料管,中和槽通过第一管道与混凝槽连通,混凝槽上方设有混凝剂管道和破乳剂管道,混凝槽内设有搅拌器,混凝槽上方设有第一电机,第一电机与搅拌器连接,混凝槽通过第二管道与气浮槽连通,气浮槽内部设有进气管道,进气管道一端设置于气浮槽底部,进气管道另一端外接有气泵,气浮槽侧面通过第三管道与过滤槽连通。本实用新型提供的一种铝材碱洗含油废水处理装置,铝材碱洗含油的废水进过中和槽、混凝槽、气浮槽以及过滤槽的处理之后,达到可以进行排放的标准,从而减少对环境的污染。

标签:
废水处理
广东 - 东莞 来源:中冶有色网 2023-03-19
废水中放射性元素铀的高效率去除方法

本发明公开了废水中放射性元素铀的高效率去除方法,包括以下步骤:首先制备碳纳米纤维‑水滑石复合材料,将放射性废水调节至中性,然后加入混凝沉淀剂,常温下搅拌处理30min,然后静置沉淀1h,实现固液分离,取上清液加入步骤(5)制得的碳纳米纤维‑水滑石复合材料,800rpm下搅拌处理30‑60min,沉淀除去碳纳米纤维‑水滑石复合材料,检测处理后分水中的放射性元素的含量,计算去除率。本发明提供的方法可以有效除去废水中的放射性元素铀,对水体无二次污染,且成本低。

标签:
废水处理
广东 - 东莞 来源:中冶有色网 2023-03-19
废水回收装置
废水回收装置 1116     
 0

本发明公开了一种废水回收装置,包括过滤装置,过滤装置内横向设有连接器,连接器与过滤装置之间固定连接,连接器穿过一电机设置,电机上表面设有筒体,筒体与电机之间固定连接,筒体内设有过渡管,过渡管底部延伸在筒体内,其顶部延伸出筒体上表面外侧面上,过渡管内设有过滤管,过滤管顶部与过滤装置连接,其底部延伸在过渡管内,电机内安装有电机轴,电机轴旋转连接在电机内,电机轴底部穿过电机与一进水管连接,进水管套接在电机轴上。本废水回收装置能将废水更好的过滤,将其杂质过滤掉,然后再对其进行回收,其操作简单,省事省力,安装及维修都非常方便,不易出现堵塞现象,能循环利用,提高了资源利用率,不会影响正常生产。

标签:
废水处理
广东 - 东莞 来源:中冶有色网 2023-03-19
精密五金件加工用废水预处理装置

本实用新型提供一种精密五金件加工用废水预处理装置,属于废水处理设备技术领域,该精密五金件加工用废水预处理装置包括壳体,壳体的上下两端分别设置有入水口和出水口,壳体内自上而下依次设置有一级处理机构和二级过滤机构,一级处理机构包括第一插孔,第一插孔开设于壳体的右端,第一插孔内活动插接有滚桶,滚桶的圆周表面固定有多个绕丝,滚桶的左端固定有螺纹接管,整个装置结构设置合理,构思巧妙,通过两级处理机构来对废水进行预处理,能防止滤孔被堵塞,同时也能提高过滤处理效果,并对处理后的金属杂质进行初步分类,进而让后续的处理更加方便,装置操作起来也较为便捷,使用简单,适配性高,实用性强。

标签:
废水处理
广东 - 东莞 来源:中冶有色网 2023-03-19
丙二醇加工用废水处理装置

本实用新型公开了一种丙二醇加工用废水处理装置,包括外箱、反应箱和过滤箱,所述反应箱的顶部与外箱内壁的顶部固定连接,所述过滤箱的底部与外箱内壁的底部固定连接,所述外箱底部的两侧均固定连接有支撑腿,本实用新型涉及废水处理技术领域。该丙二醇加工用废水处理装置,通过第一电机输出轴的一端固定连接有转动杆,转动杆的顶端且位于过滤板的顶部固定连接有十字刷,第二电机输出轴的一端固定连接有搅拌杆,第一电机带动十字刷转动,能够对过滤板进行清理,能够有效防止过滤板堵塞,保证过滤速度,提高工作效率,搅拌叶对废水及反应剂进行搅拌,能够加快反应速率,且使反应更彻底,处理效果更好,提高实用性。

标签:
废水处理
广东 - 东莞 来源:中冶有色网 2023-03-19
阴离子染料废水的高效处理方法

本发明公开了一种阴离子染料废水的高效处理方法,包括以下步骤:首先制备多孔状氧化石墨烯/壳聚糖复合微球作为吸附剂;然后制备蒙脱土与聚合氯化铝混合的絮凝剂;最后向阴离子染料废水中投加絮凝剂,搅拌1‑2h,静置沉淀30‑50min,固液分离后,向液体中加入上述制得的吸附剂,搅拌吸附处理1‑4h,处理结束后,实现固液分离,分离后的废水达到排放标准。该方法可以有效除去阴离子染料废水中的有害物质,絮凝剂和吸附剂用量少,且可重复使用,对水体无二次污染,经济环保。

标签:
废水处理
广东 - 东莞 来源:中冶有色网 2023-03-19
含镍废水处理回用系统

本实用新型提供一种含镍废水处理回用系统,包括依次连接的pH调节池、含镍浓缩池、TMF系统、TMF产水池、保安过滤器、反渗透系统、反渗透产水池和离子交换系统。本实用新型运用TMF系统+反渗透系统+离子交换系统处理含镍废水,处理过后的水能回收利用,满足企业对环境保护净化的更高要求;在保护环境的同时也为业主节约了成本,提高废水处理效率。

标签:
废水处理
广东 - 东莞 来源:中冶有色网 2023-03-19
电催化膜废水处理系统及其电催化膜管

本实用新型公开一种电催化膜废水处理系统,包括有机废水池、直流稳压电源、辅助电极和渗透液槽,还包括混合阀和电催化膜管,该电催化膜管包括一采用丙稀碳源气体经热分解化学气相沉积实现碳化导电的陶瓷膜管基材,该陶瓷膜管基材负载有实现污水电催化氧化作用的催化剂;该电催化膜管安装于渗透液槽中,该辅助电极围绕在电催化膜管外并与电催化膜管保持有间距;所述有机废水池的出水端通过泵与混合阀的进水端连接,混合阀通过进水管与电催化膜管连接,该直流稳压电源的正极和负极通过导线分别连接到电催化膜管和辅助电极上,所述电催化膜管的出水端与前述混合阀连接,并于电催化膜管与混合阀间设置有一控制阀门,该系统能实现难降解有机废水的治理。

标签:
废水处理
广东 - 东莞 来源:中冶有色网 2023-03-19
气窝腔联合臭氧处理废水的方法

一种气窝腔联合臭氧处理废水的方法,包括如下步骤:(1)氯化处理;(2)混凝沉降处理;(3)气窝腔氧化处理:在将步骤(2)处理后的出水置于水箱中,水箱中加入一定量的过氧化氢溶液,按体积比计过氧化氢溶液加入量为水箱中步骤(2)处理后的出水的1~10%,所述过氧化氢溶液的质量浓度为15‑25%;利用离心泵产生高速水流,然后进入空花器进行空化反应,同时利用紫外线装置来诱导过氧化氢产生羟基自由基,紫外线装置设置在空化器回流水箱的管路上,对有机物进行进一步的氧化;(4)臭氧处理。适用于Cod在7000‑10000mg/L、Ph值在6~12、水量10~35m3/h且可生化性差或有毒不适于微生物生长的化工制药和机械制造等行业的废水,废水经处理后85‑95%可回收利用。

标签:
废水处理
广东 - 东莞 来源:中冶有色网 2023-03-19
生猪屠宰废水达标处理设备

本实用新型公开了一种生猪屠宰废水达标处理设备,包括集水池,所述集水池内壁的左侧安装有粗格栅,所述集水池的右侧连通有切割式潜污泵,所述切割式潜污泵的右侧连通有微滤机,所述微滤机的右侧的右侧通过管道连通有调节池,所述调节池的右侧通过泵连通有气浮机,所述气浮机的的右侧通过泵连通有厌氧水解池;本实用新型通过设置气浮‑厌氧水解‑缺氧‑好氧‑MBR工艺,解决了常用处理工艺氨氮不能稳定达标,操作要求高,屠宰废水在经过处理后,出水不能稳定达标,且操作管理水平要求较高的问题,该生猪屠宰废水达标处理设备,具备屠宰废水在经过处理后,出水达标,操作管理水平要求不高,便于推广应用的优点。

标签:
废水处理
广东 - 东莞 来源:中冶有色网 2023-03-19
有利于提高浮渣分离效率的废水处理装置

本实用新型公开了一种有利于提高浮渣分离效率的废水处理装置,包括搅拌桶、搅拌桨叶、搅拌电机、齿轮及排污组件,所述搅拌桶为中空型圆柱体结构,所述搅拌桶的底部内壁装设有搅拌桨叶,搅拌桶底部外侧还装设有搅拌电机,所述搅拌电机通过所述齿轮与搅拌桨叶传动连接,所述搅拌桨叶中部为中通式结构,所以排污组件镶嵌式固定设置在所述搅拌桶内部,所述搅拌桶还设有进气管;可以有效地对废水内的浮粒进行过滤,不需要过多的操作即可,节省过滤所需要的时间及机器动作时的能耗,且该废水处理设备结构紧凑,可以高效地处理废水中的浮粒。

标签:
废水处理
广东 - 东莞 来源:中冶有色网 2023-03-19
冷轧乳化液废水回收利用系统

本实用新型公开一种冷轧乳化液废水回收利用系统,包括有钢铁冷轧设备、收集池、震动薄膜超滤装置和中间池;该震动薄膜超滤装置包括有机壳、膜组和马达;该膜组向下延伸出有中心传动杆;藉此,通过配合利用马达和皮带带动中心传动杆上的偏心块转动产生的离心力会引发摇摆,摇摆产生的能量通过中心传动杆促使膜组震动,高频震动所产生的剪切力经由膜组内的膜片表面以正弦方式传播,有效解决膜组内膜片的淤塞问题,实现对冷轧乳化液废水进行简单有效处理;该系统可持续有效地分离出清液和浓油,清液被输入中间池并经过补充加入油乳化剂得到冷轧乳化液,冷轧乳化液回用至钢铁冷轧设备中,整个废水处理过程不加入化学品,保证乳化液的回用质量。

标签:
废水处理
广东 - 东莞 来源:中冶有色网 2023-03-19
皮革加工用废水回收利用装置

本实用新型公开了一种皮革加工用废水回收利用装置,包括水槽,所述水槽的右端开设有缺口,所述缺口内通过螺栓安装有第一不锈钢过滤网,所述第一不锈钢过滤网右端下方开设有第一沉淀池和第二沉淀池,所述第一沉淀池和第二沉淀池右侧分别固定安装有第一水泵和第二水泵,所述第一水泵和第二水泵右侧固定安装有支架,所述支架上方焊接有斜槽,所述斜槽上焊接有五个过滤层,所述斜槽右侧下方固定安装有消毒池,所述消毒池右侧固定安装有第三水泵,本方案,通过多层装置净化废水,使废水到达回收利用的标准,该装置成本低,原理清晰明了,实际操作简单,容易推广。

标签:
废水处理
广东 - 东莞 来源:中冶有色网 2023-03-19
负压低温蒸发废水处理装置

本实用新型涉及废水处理技术领域,具体为一种负压低温蒸发废水处理装置,包括固定底座,固定底座的表面且靠近左端的位置设有废水缓存箱,固定底座的表面且靠近前后两侧边缘的位置设有两组对称分布的L形支腿,两组L形支腿之间设有矩形蒸发仓,矩形蒸发仓的左侧且靠近顶部的位置设有热蒸汽输入管,矩形蒸发仓的右侧且靠近顶部的位置设有抽气管,矩形蒸发仓的底部设有锥形蒸发仓,锥形蒸发仓的底部设有半圆形蒸发仓,半圆形蒸发仓内活动连接有绞龙。该负压低温蒸发废水处理装置,通过热蒸汽输入管输入热蒸汽对蒸发仓进行加热,通过抽气管对蒸发仓的内部进气抽气,形成负压空间,从而使水的沸点降低,实现节能的作用。

标签:
废水处理
广东 - 东莞 来源:中冶有色网 2023-03-19
高硬度高盐度的再生纸造纸废水的循环使用方法

本发明公开了一种高硬度高盐度的再生纸造纸废水的循环使用方法,先采用石灰粉对高硬度废水进行预软化处理,在使用膜分离法对废水中的二价离子和多价离子进行高效截留,以去除钙、镁、硅和硫酸根等离子。在使用膜分离法的过程中,同时使用电磁法使废水中的离子的特性进行改变,从而改变碳酸钙沉积的速度及沉积时的物理特性来阻止硬水垢的形成,以大大降低水垢形成的可能性,分离效果好,循环使用内部处理的污水,减少污水净化处理压力,减少污水向外排放,生产过程更加清洁和环保。

标签:
废水处理
广东 - 东莞 来源:中冶有色网 2023-03-19
含油废水分离处理系统

本实用新型公开一种含油废水分离处理系统,包括有原液池、浓液罐、管式微滤系统贮存罐和高压泵;该浓液罐上设有原液输入端、原液输出端、浓缩液输入端和废油输出端,该原液输入端与原液池的输出端连通,该原液输出端与高压泵的输入端连通,该浓缩液输入端和废油输出端设置于浓液罐的底部;该管式微滤系统的输入端与该高压泵的输出端连通,该管式微滤系统的浓缩液输出端连通该浓液罐的浓缩液输入端,该管式微滤系统的过滤液输出端连通贮存罐;藉此,通过配合利用原液池、浓液罐和管式微滤系统对含油废水进行分离处理,其处理不需要加入絮凝药剂,含油废水直接进行管式微滤系统中,极大的简化处理步骤,提高分离效率,并避免造成二次污染。

标签:
废水处理
广东 - 东莞 来源:中冶有色网 2023-03-19
利用金属有机骨架Fe(Nic)高效活化过硫酸盐处理有机废水的方法

本发明公开了一种利用高亚铁活性点位含量的金属有机骨架活化过硫酸盐的方法及其在处理有机废水中的应用。该方法采用Fe(Nic)催化活化水溶液中的过硫酸盐产生强氧化性自由基,使水中污染物得到氧化、降解、去除。相比常规铁基金属有机骨架,Fe(Nic)因具有高含量的亚铁活性点位,构效性强,其作为电子供体能活化过硫酸盐产生丰富的硫酸根自由基和羟基自由基,活化反应效率高、自由基产率和利用率高,污染物降解率高。本发明提供的方法工艺简单、条件温和、易于控制、对废水pH值适应范围广、处理效果好。适用于各类有机废水的处理,为采用金属有机骨架材料处理水中污染物提供了新思路。

标签:
废水处理
广东 - 东莞 来源:中冶有色网 2023-03-19
喷涂废水处理装置
喷涂废水处理装置 1040     
 0

本实用新型公开了一种喷涂废水处理装置,包括整体机架、以及设置在整体机架上的电絮凝槽、反应槽、酸洗槽、一级保安过滤器、二级保安过滤器、电泵、变压器及控制电箱,所述电泵包括进水泵、出水泵及酸洗泵,所述整体机架包括左反应柜和右反应柜,所述左反应柜包括左柜门、电絮凝槽、反应槽、酸洗槽及酸洗泵,所述右反应柜包括右柜门,所述一级保安过滤器及二级保安过滤器、进水泵、出水泵及变压器设置在右反应柜上。本喷涂废水处理装置的结构设置合理,通过设置电絮凝槽、反应槽及酸洗槽配合工作,实现对喷涂废水的持续高效净化工作。

标签:
废水处理
广东 - 东莞 来源:中冶有色网 2023-03-19
电泳废水处理设备
电泳废水处理设备 957     
 0

本实用新型公开了一种电泳废水处理设备,包括一个酸析池,所述酸析池一侧通过管道固定连接有一个催化氧化反应池,所述催化氧化反应池远离酸析池的一侧通过管道固定连接有一个PH调节池,本实用新型的有益效果是:通过酸析池主将电泳废水的PH值控制在弱酸性,通过催化氧化池能够有效提高综合废水的可生化性,通过PH调节池、混凝池和絮凝池方便对污水进行化学反应从而可以快速沉淀,同时在沉淀池和和还原池的作用可以将污水的污物进行泥水分离,从而防止二次污染处理过的水,通过水解酸化池和MBR反应池方便将水中的活性污泥去除,从而增加水的清澈端,从而达到排放标准,处理污水速度快,同时方便使用。

标签:
废水处理
广东 - 东莞 来源:中冶有色网 2023-03-19
淀粉旋流洗涤后废水的沉降收集装置

本实用新型涉及淀粉生产设备技术领域,具体涉及一种淀粉旋流洗涤后废水的沉降收集装置,包括罐体,所述罐体设有布水管,所述布水管的顶部设置有废水进料口,所述废水进料口高于所述罐体的顶部,所述布水管的底部设置有布水器,所述布水器位于所述罐体的内部,所述罐体的顶端设置有溢流槽,所述罐体内设置有蜂窝管,所述蜂窝管位于所述布水器和所述溢流槽之间,所述布水管穿过所述蜂窝管。本实用新型的具体的操作原理为:淀粉经旋流洗涤排出的废水,通过废水进料口进入布水管,再通过布水管底部的布水器分散到罐体的中下部,水面涨到一定程度后会经过蜂窝管缓慢向上流动,最后经溢流槽排出,通过以上操作,得到的上清液几乎不含淀粉。

标签:
废水处理
广东 - 东莞 来源:中冶有色网 2023-03-19
重金属废水资源化零排放的设备

本发明公开了一种重金属废水资源化零排放的设备,包括进水装置、分离装置和出水装置,所述进水装置由壳体和集水盆组成,所述壳体表面的左侧侧边顶端处设有进水管,且进水管的底端连接有集水盆,所述分离装置由第一分离层和第二分离层组成,所述壳体内部的中间位置设有第一分离层,所述壳体表面的左侧侧边设有第二电机,所述远离第一分离层的一处设有第二分离层,所述出水装置由盛水盆和出水管组成,所述壳体的内部底端处设有盛水盆,且盛水盆的底端设有出水管,该使重金属废水可以直接回收利用到生产线的前端,从而进行生产线后端的漂洗和清洗工作,大大减少了水资源的浪费,减轻了在处理金属废水过程中所需的财务支出。

标签:
废水处理
广东 - 东莞 来源:中冶有色网 2023-03-19
含重金属离子废水的吸附处理方法

本发明公开了一种含重金属离子废水的吸附处理方法,包括以下步骤:将壳聚糖、盐酸混合搅拌制得壳聚糖溶液;然后加入硅烷偶联剂,得到改性壳聚糖溶液;向改性壳聚糖溶液中加入三氯化铁溶液搅拌得到混合溶液;将孔石莼干粉加入到混合溶液中,超声处理,加入过量无水乙醇,离心处理,得到的沉淀用去离子水洗涤至中性后加入到戊二醛溶液中,搅拌然后进行过滤,得到的沉淀依次进行洗涤、干燥、研磨,得到复合吸附剂;将复合吸附剂加入到废水中,调节废水的pH,搅拌吸附,过滤,滤液调节至中性进行排放;复合吸附剂脱吸附后重新利用。该方法可有效吸附除去废水中的重金属离子,且吸附剂易于回收,吸附容量大,使用范围广,对水体无二次污染。

标签:
废水处理
广东 - 东莞 来源:中冶有色网 2023-03-19
废水处理用具有循环过滤结构的消毒设备

本发明公开了一种废水处理用具有循环过滤结构的消毒设备,涉及废水处理技术领域,包括机体、集水箱、多重过滤机构和消毒机构,所述机体的内部安装有消毒液箱,且消毒液箱的中部下方连接有接水管,所述接水管的中部设置有水阀,且接水管的下方安装有喷洒机构,所述集水箱位于消毒液箱的下方,且集水箱的左侧安装有进水机构,所述集水箱的一侧连接有连接管,且连接管的另一端设置有过滤箱,所述多重过滤机构安装于过滤箱的内部,所述过滤箱的右下方安装有水泵,且水泵的一侧连接有送水管,本发明的有益效果是:该装置通过对消毒机构的设置便于对废水进行循环流动消毒,紫外线灯的设置方便对循环水管内部废水进行照射杀菌。

标签:
废水处理
广东 - 东莞 来源:中冶有色网 2023-03-19
将硝酸盐废水转化为氨的电池系统

本发明涉及电池技术及硝酸盐废液处理和合成氨领域,特别是涉及一种将硝酸盐废水转化为氨的电池系统,所述电池系统包括电池阳极、电池阴极及电解质,所述电池阳极为活泼金属材料,所述电池阴极为以负载硝酸盐还原催化剂材料的电极,所述电解质为含硝酸盐的废水,所述电池系统发电的同时将废水中的硝酸盐转化为氨。本发明提供一种将硝酸盐废水转化为氨的电池系统,实现废物资源化利用,产生经济效益。

标签:
废水处理
广东 - 东莞 来源:中冶有色网 2023-03-19
废水机械破乳除油除尘方法及系统

本发明公开了一种废水机械破乳除油除尘方法,其特征在于,其包括以下步骤:(1)机械破乳:(2)油水分离:(3)除尘:本发明还公开了实施该方法的废水机械破乳除油除尘系统。本发明的机械破乳可以大大降低破乳剂的用量。含油废水经超声波机械处理后,流动性大大增加,而且长时间放置原油黏度不恢复。经超机械处理后,原油静置停留时间可以大大缩短。采用机械破乳能够有效降低生产成本,提高经济效益。

标签:
废水处理
广东 - 东莞 来源:中冶有色网 2023-03-19
便于检测磷含量的废水监测装置

本实用新型公开了一种便于检测磷含量的废水监测装置,包括监测盒、第一试纸室和第二试纸室,还包括留样室、料板和弹簧,所述监测盒内一侧通过分隔板分隔有留样室,所述监测盒内另一侧通过分隔板分隔有第一试纸室和第二试纸室,所述第一试纸室和第二试纸室内分布设有料板,所述第一试纸室和第二试纸室顶部均通过铰链安装有扣盖,所述扣盖顶部一端开设有滚槽,所述滚槽内通过轴承转动安装有橡胶辊。整体废水监测装置使用灵活便捷,可助于人员便捷的进行废水磷含量检测,有助于工作人员对废水进行良好的监测工作,优化传统检测试纸的存放装置,助于人员更便捷的对试纸进行取纸和存放,具有较高的实用性。

标签:
废水处理
广东 - 东莞 来源:中冶有色网 2023-03-19
上一页 15 16 17 18 19 ... 36 下一页
共36页    到第

中冶有色为您提供最新的广东东莞有色金属废水处理技术理论与应用信息,涵盖发明专利、权利要求、说明书、技术领域、背景技术、实用新型内容及具体实施方式等有色技术内容。打造最具专业性的有色金属技术理论与应用平台!

全国热门有色金属设备推荐
展开更多 +
全国热门有色金属技术推荐
展开更多 +

 

江西省隆恩特环保设备有限公司
宣传

报名参会
更多+

报告下载

有色专家
更多+

中国科学院赣江创新研究院
院长
矿冶科技集团有限公司
中国工程院院士
江西理工大学
副处长/教授
中国矿业大学
副院长/教授
中国有色金属工业协会
副会长兼秘书长
赤泥综合利用研究报告2025
推广

热门技术
更多+

推荐企业
更多+

福建省金龙稀土股份有限公司
宣传

发布

在线客服

公众号

电话

顶部
咨询电话:
010-88793500-807