青岛垚鑫智能科技有限公司
宣传

位置:中冶有色 >

有色技术频道 >

> 废水处理技术

分类:
全部
矿山技术
冶金技术
材料制备及加工技术
环境保护技术
分析检测技术
 
全部
废水处理技术
大气治理技术
固/危废处置技术
土壤修复技术
地区:
全部
北京
天津
上海
重庆
河北
山西
辽宁
吉林
黑龙江
江苏
浙江
安徽
福建
江西
山东
河南
湖北
湖南
广东
海南
四川
贵州
云南
陕西
甘肃
青海
内蒙
广西
西藏
宁夏
新疆
其他
其他
展开
 
全部
广州
韶关
深圳
珠海
汕头
佛山
江门
湛江
茂名
肇庆
惠州
梅州
汕尾
河源
阳江
清远
东莞
中山
潮州
揭阳
云浮

广东东莞有色金属废水处理技术理论与应用

免费发布技术信息>>
旋转过滤的废水处理装置

本发明公开了一种旋转过滤的废水处理装置,包括圆柱状的支撑架、药剂喷撒装置和搅拌过滤装置;支撑架的上部成型有圆环槽状的药剂蓄存槽;药剂蓄存槽的下侧壁成型有若干上下贯穿的均匀设置的药剂上出料孔;药剂喷撒装置包括圆环状的药剂开闭环;药剂开闭环上成型有与药剂上出料孔配合的药剂下出料孔;搅拌过滤装置包括旋转升降设置的圆柱状的旋转中心块;旋转中心块的圆柱面上成型有垂直设置的一对长连接杆和一对短连接杆;长连接杆和短连接杆相邻设置并且一对长连接杆和一对短连接杆圆周均匀设置在旋转中心块的圆柱面;长连接杆和短连接杆的外侧端可拆卸式安装有过滤框。本发明具有搅拌均匀、药剂喷撒均匀、反应彻底、可有效过滤杂质的特点。

标签:
废水处理
广东 - 东莞 来源:中冶有色网 2023-03-19
高效生化一体化废水处理设备

本实用新型公开了一种高效生化一体化废水处理设备,包括支架,所述支架上部连接一级生化池,所述一级生化池右侧连接连接管,所述连接管另一端连接二级生化池,所述二级生化池右侧连接消毒过滤装置,所述消毒过滤装置外表面连接连接杆,所述连接杆另一端连接操作台,所述操作台下部连接扶梯,所述消毒过滤装置包括进水管,所述进水管一端连接壳体,所述壳体内壁连接沙石过滤层,所述沙石过滤层下部设有紫外线消毒层,所述紫外线消毒层下部设有V形出水接口,所述V形出水接口下部连接出水管,本实用新型通过消毒过滤装置的设置,处理效果明显,可达到过滤效果,提高工作效率,从而完善功能多样性,达到最佳使用效果。

标签:
废水处理
广东 - 东莞 来源:中冶有色网 2023-03-19
废水除尘除油系统
废水除尘除油系统 1206     
 0

本实用新型公开了一种煤化工废水除尘除油系统,其特征在于,其包括除尘机械过滤器和除油装置,所述除尘机械过滤器与除油装置通过水管相互连通,所述除尘机械过滤器,包括筒体外壳、过水通道、格网、除尘滤料和中心布水器,所述除尘滤料设于格网内,过水通道设于格网与筒体外壳内壁之间,中心布水器设于筒体外壳内部中间;所述除油装置包括罐体,于该罐体内设有除油颗粒膜,罐体上部设有除油进水阀,于罐体下端设有除油出水阀,于罐体上端设有排油阀。

标签:
废水处理
广东 - 东莞 来源:中冶有色网 2023-03-19
热电联供的造纸废水处理系统

本发明涉及造纸污水处理技术领域,具体涉及热电联供的造纸废水处理系统,其包括依次连接的污水收集池、格栅池、高效浅层气浮装置、水解酸化池、厌氧塔、接触氧化池、二沉池以及热电发生装置,水解酸化池的出水口通过污水泵与厌氧塔的底部进水口连通,厌氧塔的上部设置有三相分离器,三相分离器的沼气出口连接沼气回收装置;热电发生装置包括甲醇水存储器、甲醇水制氢重整器、换热器、燃料电池、空气余气混合器和控制装置。本发明采用高效浅层气浮‑水解酸化‑厌氧‑好氧的综合处理方法,有效去除造纸污水中的SS、COD和BOD,同时利用沼气‑甲醇水‑重整制氢反应‑燃料电池的过程实现了系统内电能、热能的高效转化和利用。

标签:
废水处理
广东 - 东莞 来源:中冶有色网 2023-03-19
电镀废水危险重金属去除剂的制备方法及应用

本发明公开了一种电镀废水危险重金属去除剂的制备方法,包括以下步骤:1)将四乙烯五胺与二硫化碳在碱性环境中进行充分反应;2)在步骤1)的反应产物中加入环氧氯丙烷进行充分的反应,最后用氮气吹去多余的二硫化碳即可;其中,四乙烯五胺与二硫化碳的质量比为1:(1.8-3.2),二硫化碳与环氧氯丙烷的质量比为1:(7.5-10)。本发明产品危险重金属去除剂应用范围广,沉淀效果好、彻底,且具有一剂型,不用添加其他的辅助絮凝剂即可把重金属离子分子出来,不产生二次污染,使用方法简单、成本低;制备工艺简单,容易操作;可以直接还原六价铬成三价铬并络合去除,无需加破铬剂。

标签:
废水处理
广东 - 东莞 来源:中冶有色网 2023-03-19
用于有机废水处理用的一体化净化装置

本实用新型提供了一种用于有机废水处理用的一体化净化装置,包括净化过滤筒,净化过滤筒内部设置有净化过滤装置和防堵塞装置,净化过滤装置包括有过滤板,过滤板底部外壁连接设置有杂质承接板,杂质承接板呈S型结构设置,防堵塞装置包括有第一转轴和第一套筒,第一套筒外部连接设置有第二套筒,第二套筒外壁均匀连接设置有刮板,每个刮板底部与过滤板相切,刮板对过滤后过滤板上沉淀的杂质进行刮除,刮板刮动限位齿进行限位输送,将颗粒杂质输送到杂质承接板上,杂质承接板的S型结构方便对杂质进行滑动输送,最后通过杂质出料管进行排除,通过刮板和限位齿对过滤板上进行杂质清除,防止杂质将过滤板进行堵塞,影响过滤速度,提高过滤效率。

标签:
废水处理
广东 - 东莞 来源:中冶有色网 2023-03-19
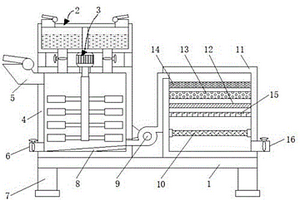
高酸废水改良沉淀池设备

本实用新型公开了一种高酸废水改良沉淀池设备,包括一个配药池,所述配药池上端固定连接有一个存储机构,所述配药池内部固定连接有一个反应机构,所述存储机构内部固定安装有一个输送机构,所述存储机构远离输送机构的一侧固定连接有一个过滤机构,本实用新型的有益效果是:通过设置配药罐、出水管、自吸泵和进水管方便将药液分别注入石灰反应池、混凝池和絮凝池内可以快速对污水进行反应,同时通过若干个凹凸不平的缓冲块可以多角度降低水流的冲击性,增加沉淀池的抗冲击性,同时通过若干根斜管和若干块斜板方便对沉淀池内部的水进行过滤,从而可以对浮泥拦截,过滤效率快,且过滤效果好,保证出水的质量。

标签:
废水处理
广东 - 东莞 来源:中冶有色网 2023-03-19
用于废水处理的过滤膜结构

本实用新型公开了一种用于废水处理的过滤膜结构,包括固定框体、第一过滤网膜和第二过滤网膜,所述固定框体的内部固定安装有限位块,所述第一过滤网膜和第二过滤网膜分别设置于限位块的两侧,所述固定框体靠近第一过滤网膜的一侧活动连接有可翻转的第一压框,所述固定框体靠近第二过滤网膜的一侧活动连接有可翻转的第二压框,所述第一压框和第二压框的内部均开设有滑槽,所述滑槽的内部设置有可滑动的滑块,所述滑块的一侧固定连接有插杆,所述固定框体的内壁开设有与插杆相适配的插槽。本实用新型通过固定框体、限位块、压框、滑块、插杆、插槽、复位弹簧和活动杆的配合设计,便于对过滤网膜进行清洗和更换,保证过滤效果。

标签:
废水处理
广东 - 东莞 来源:中冶有色网 2023-03-19
废水的人工湿地净化方法

本发明公开的废水的人工湿地净化方法,根据自然湿地生态系统中物理、化学、生物的三重共同作用来实现对污水的净化作用,实现对污水的生态化处理,人工湿地与传统的污水处理方法相比,具有处理效果好、氮磷去除能力强、运转维护管理方便、工程基建和运转费用低,以及对负荷变化适应能力强、能耗少、无须化学药剂等优点,同时它可以促进农业、渔业的发展,又可供公共娱乐、野生动植物保护和科学研究使用。

标签:
废水处理
广东 - 东莞 来源:中冶有色网 2023-03-19
新型三维电极生物膜废水处理装置

本实用新型公开了一种新型三维电极生物膜废水处理装置,包括反应器,所述反应器为长方体,其两组对角均设有出水口,另外两组对角设有进水口,所述反应器内设有正电极和阴电极,所述正电极和阴电极外接直流稳压电源,所述阴电极表面裹绕若干层生物膜,所述反应器内设有隔膜,将正电极和阴电极隔离开来,隔膜与阴电极之间填充粒子电极,克服了分隔式反应器阳极区和阴极区传质慢的缺点,充分利用阳极,提高反应器的电流效率,电极导电性能良好且不易被氧化,电极电位高于水电解析氧电位,有效去除NH4+-N,能耗低。

标签:
废水处理
广东 - 东莞 来源:中冶有色网 2023-03-19
含煤废水处理装置
含煤废水处理装置 800     
 0

本实用新型提供了一种含煤废水处理装置,包括煤水调节池,该煤水调节池接入煤水进水管,所述煤水调节池内设置有煤泥提升系统,该煤泥提升系统将煤水调节池内的煤泥抽出;在所述煤水调节池上设置有煤水提升系统,所述煤水提升系统经第一出水浑浊仪、电磁流量计以及第一电动蝶阀连接至电子絮凝器,该电子絮凝器通过排污管回流至煤水调节池;所述电子絮凝器通过第二电动蝶阀连接至离心澄清反应器,所述离心澄清反应器连接中间水池,所述中间水池上设置有中间水池提升系统,该中间水池提升系统连接至多介质过滤器组,所述多介质过滤器组通过第四电动蝶阀和第二出水浑浊仪连接至清水池,所述清水池处设置有回用水提升系统。

标签:
废水处理
广东 - 东莞 来源:中冶有色网 2023-03-19
含重金属废水的净化装置

本实用新型公开了一种含重金属废水的净化装置,包括底座、主体箱和回收反应箱,所述底座内底部设置有蓄电盒,所述底座内顶部通过连接件连接有电机,所述底座顶部设置有主体箱,所述主体箱内设置有搅拌轴且搅拌轴连接电机的输出轴,所述搅拌轴上设置有搅拌杆,所述主体箱内底部设置有电加热器,所述主体箱一侧通过安装架安装有温度控制器和pH测量仪且pH测量仪的工作端位于主体箱内,所述主体箱顶部设置有坡形顶盖,所述坡形顶盖顶部设置有太阳能电池板且太阳能电池板与蓄电盒电性相连,所述底座顶部一端设置有回收反应箱。本实用新型操作简单,节能环保,且能够将含氰废水中氰回收利用,适合推广使用。

标签:
废水处理
广东 - 东莞 来源:中冶有色网 2023-03-19
清洗废水反应沉淀过滤一体机

本实用新型公开了一种清洗废水反应沉淀过滤一体机,包括装置外壳、投料槽、固定架和推杆,所述装置外壳上螺栓连接有进水管,且装置外壳上焊接有驱动电机,所述驱动电机上轴连接有固定轴,且固定轴上焊接有固定块,所述固定块上开设有投料槽,且固定块上设置有存储箱,所述固定轴上焊接有第一锥形齿轮,且第一锥形齿轮上啮合连接有第二锥形齿轮,所述第二锥形齿轮焊接在搅拌杆上,且搅拌杆连接在固定架上。该清洗废水反应沉淀过滤一体机设置有投料槽,在固定块的转动过程中,固定块上的投料槽能够将存储箱内的沉降剂间歇且等量的投放至装置外壳内,能够有效防止一次性投放大量沉降剂导致混合不均匀,增加了一体机的工作效率。

标签:
废水处理
广东 - 东莞 来源:中冶有色网 2023-03-19
建筑废水渣处理装置
建筑废水渣处理装置 1003     
 0

本发明涉及建筑设备技术领域,尤其涉及一种建筑废水渣处理装置,包括箱体、滚筒网筛、电机、支架、支撑机构,所述滚筒筛网置于所述箱体中,所述箱体固定在所述支架上,所述滚筒网筛的两端分别固定有传动轴,所述传动轴通过支撑机构固定在所述支架上,其中一根传动轴上固接有从动轮,所述从动轮通过皮带与固定在所述电机上的主动轮连接,所述电机固定在所述机架底部,所述箱体和滚筒网筛的上部分别设有进料口,所述进料口上连接有进料法兰,所述进料法兰与进料管连接,所述箱体的下部设有排水口。本发明结构简单,结构紧凑,占用空间小,此时的废水还能够进行建筑使用,节约了用水。

标签:
废水处理
广东 - 东莞 来源:中冶有色网 2023-03-19
具有旁路水系统的无废水净水机

本实用新型涉及净水机技术领域,具体涉及一种具有旁路水系统的无废水净水机,包括通过管道依次连接的前置过滤器、进水电磁阀、增压泵、滤芯机构和RO膜,前置过滤器与原水管线连接,RO膜的浓水出口连接有浓水出水管,浓水出水管设置有循环泵,浓水出水管的出口端分别连接有浓水回水管和生活用水管线,浓水回水管的出水端与增压泵的出水端连接,浓水回水管设置有单向阀;原水管线与生活管线之间设置有旁路管线,旁路管线设置有水流开关和单向阀,水流开关、常开电磁阀、常闭电磁阀、增压泵和循环泵分别与电控装置电连接。该净水机能实现在制取纯水时浓水不必排出,达到无废水排放的功能,当使用生活用水时,浓水被合理使用。

标签:
废水处理
广东 - 东莞 来源:中冶有色网 2023-03-19
水墨废水处理装置
水墨废水处理装置 1007     
 0

本实用新型涉及一种水墨废水处理装置,包括电控箱、集水箱、立式提升泵、电解箱、第一反应池、第二反应池、第三反应池、板框压滤机、沙滤罐以及活性炭吸附罐。集水箱通过管道依次经电解箱、第一反应池、第二反应池以及第三反应池与板框压滤机连接,集水箱与电解箱连接的管道上设有立式提升泵,在第三反应池与板框压滤机连接的管道上设有气动隔膜泵。板框压滤机通过管道与沙滤罐连接,活性炭吸附罐通过管道与板框压滤机连接,电控箱电性连接立式提升泵、气动隔膜泵以及板框压滤机。本实用新型采用多级沉淀及多级过滤,处理后的废水能够达到国家排放的标准。

标签:
废水处理
广东 - 东莞 来源:中冶有色网 2023-03-19
石墨烯连续过滤吸附处理废水装置

本实用新型涉及废水处理装置技术领域,尤其涉及一种石墨烯连续过滤吸附处理废水装置;它包括装置本体,所述装置本体由上而下设置有出水堰、过滤吸附装置、支承装置、进水装置,所述出水堰设有排水口,所述过滤吸附装置设有由金属填料或者金属氧化物填料中的一种或者两种,及石墨烯材料构成的吸附过滤层。本实用新型采用石墨烯材料结合金属填料或者金属氧化物填料中的一种或者两种进行微电解,实现非常高的净化效率;且具有结构简单、运行稳定、操作维护简便的特点,能适用于各种污水、饮用水和应急水处理场合。

标签:
废水处理
广东 - 东莞 来源:中冶有色网 2023-03-19
废水净化回用装置
废水净化回用装置 814     
 0

本实用新型提供一种废水净化回用装置,涉及废水净化技术领域,它是由框架、过滤器、进水管、导管、净化器、控制面板、排水管、滑轨、滑块和限位框构成,所述框架的内部固装有过滤器,所述过滤器的底端连通有进水管,所述过滤器的顶端连通有导管,所述导管的一端连通有净化器,所述净化器的表面固装有控制面板,所述净化器的一侧连通有排水管,所述框架的表面固定安装有滑轨,所述滑轨的表面滑动连接有滑块,所述滑块的表面固装有限位框,所述限位框的内部转动连接有横杆。本实用新型,通过滑块与横杆之间的相互配合,方便工作人员单独对过滤器进行更换,操作简单,提高了工作人员的工作效率。

标签:
废水处理
广东 - 东莞 来源:中冶有色网 2023-03-19
三维电极生物膜与光电复氧协同处理污废水的装置与方法

本发明涉及一种三维电极生物膜与光电复氧协同处理污废水的反应装置及方法,所述装置过滤区和反应区,所述过滤区和反应区由隔板分开且两者通过隔板上的过水孔连通;所述反应区包括极板系统、隔离膜、第一填料和第二填料;所述极板系统包括设置在反应区中部的正极板和所述正极板两侧平行等距设置的两个负极板;所述两个负极板表面裹绕若干层生物膜;所述隔离膜包裹所述正极板并位于所述正极板和负极板中间;在所述隔离膜和所述反应区的壳体的空间填充所述第一填料,在隔离膜内部空间填充所述第二填料。采用本发明反应装置来处理废水;实现了光电化学处理、曝气生物滤池和电化学氧化的协同效果;简化了操作流程,使电耗降低,处理成本降低。

标签:
废水处理
广东 - 东莞 来源:中冶有色网 2023-03-19
废水余热循环利用装置

本实用新型公开了一种废水余热循环利用装置,包括主体箱、螺杆膨胀机和换热器,所述主体箱底部设置有橡胶减震垫,所述主体箱内设置有一号仓、二号仓和三号仓,所述一号仓内底部设置有螺杆膨胀机,所述螺杆膨胀机一侧设置有发电机,所述二号仓内底部设置有蓄电盒,所述蓄电盒一侧设置有电量显示器,所述三号仓内底部设置有换热器,所述三号仓内底部一端通过安装架安装有压力泵,所述压力泵进水端通过管道连接螺杆膨胀机出水端且压力泵出水端通过管道连接换热器,所述换热器底部通过管道连接螺杆膨胀机的进水口,所述主体箱顶部设置有过滤箱。本实用新型能够对废水余热进行有效的循环回收利用,从而节约了生产成本,不会造成能源的过多浪费。

标签:
废水处理
广东 - 东莞 来源:中冶有色网 2023-03-19
利用高浓度氨氮废水进行硝化菌扩增的生物发生器

本实用新型涉及环保微生物技术领域,尤其涉及一种利用高浓度氨氮废水进行硝化菌扩增的生物发生器,包括罐体、进气管、曝气管、进水管、水泵和搅拌器,搅拌器从罐体的上端伸入罐体内腔,罐体侧壁的上端设置有连通罐体内腔的溢流管,溢流管开设溢流出口,进水管的进水端与水泵连接,进气管和进水管均从罐体上部伸入罐体内腔的底部,曝气管设置于在罐体底部,曝气管的进气端与进气管连接。本实用新型使用时,用高浓度氨氮废水作为硝化菌扩增的营养液,无需人工配制,省时省力,且培养过程不会产生增量的污水,更加环保;罐体内营养液更换方便,无需人工操作,运行简便;本实施新型结构简单紧凑,使用方便,实用性强。

标签:
废水处理
广东 - 东莞 来源:中冶有色网 2023-03-19
化工用的废水处理装置

本实用新型属于化工技术领域,尤其为一种化工用的废水处理装置,包括处理箱,所述处理箱的一端设置有进水管,所述处理箱的底部设置有减震机构,所述处理箱的内部设置有隔板,所述隔板的顶部设置有空腔,所述隔板的内部设置有转杆,所述转杆的表面设置有第一搅拌板。该化工用的废水处理装置,通过启动进步电机,使进步电机在工作时带动转动盘进行转动,进而通过连接杆带动齿板进行移动,由于限制板的限制,齿板在限制板的内部水平往复移动,增加了齿板移动时的稳定性,齿板与齿轮啮合连接,使得齿轮带动转杆进行转动,第一搅拌板与第二搅拌板相配合,能够很好地对废液中的药剂进行搅拌,使其充分混合反应,加快反应分解的速度,提高了净化的效率。

标签:
废水处理
广东 - 东莞 来源:中冶有色网 2023-03-19
含硫废水用纳滤膜
含硫废水用纳滤膜 1082     
 0

本发明涉及污水处理领域,具体公开了一种含硫废水用纳滤膜及其制备方法。其制备方法为:将纳米无机粒子与其他原料添加到溶剂中,进行超声分散后,水浴加热直到溶剂被蒸发掉,得到中间物;处理后的中间物与磺化聚醚砜粉末、添加剂在混料机中共混,然后用挤出机将混合料熔融挤出后通过喷丝板,纺织成纳滤膜基材,将膜分别通过有机物、去离子水清洗;然后将涂覆填充用料倒入流化床中熔融;将纳滤膜基材浸入到流化床中反应,制得含硫废水用纳滤膜。采用本发明的方法制备的纳滤膜,解决了现有技术中纳滤膜对硫组分截留率不高的问题,提高了纳滤膜的污水净化能力。

标签:
废水处理
广东 - 东莞 来源:中冶有色网 2023-03-19
废水机械破乳除油除尘系统

本实用新型公开了一种废水机械破乳除油除尘系统,其包括相互连通的机械破乳装置、除油斜管沉降分离装置和除尘机械过滤器,其中,所述机械破乳装置包括罐体,于罐体内设有机械破乳机构,于罐体顶部设有机械破乳进水阀,于罐体侧面中部设有机械破乳出水阀;所述除油斜管沉降分离装置包括箱体,于箱体内设有斜管,箱体一侧上部设有油水分离进水阀,箱体另一侧中部设有多个油水分离出水阀,于箱体顶部设有自动刮油排油机。本实用新型的机械破乳可以大大降低破乳剂的用量。含油废水经超声波机械处理后,流动性大大增加,而且长时间放置原油黏度不恢复。经超机械处理后,原油静置停留时间可以大大缩短。

标签:
废水处理
广东 - 东莞 来源:中冶有色网 2023-03-19
吸附法‑光催化降解法联合处理有机染料废水的方法

本发明公开了一种吸附法‑光催化降解法联合处理有机染料废水的方法,首先制备氧化石墨/多孔碳球复合吸附剂;然后制备Cu2O/石墨烯/α‑Fe2O3纳米管阵列复合物;最后将有机染料废水经格栅除渣初沉淀之后,将上清液泵入到装有复合吸附剂的吸附处理池中,30℃下搅拌吸附处理1‑3h,然后静置沉淀,沉淀后的上清液泵入到反应器中;向反应器中加入上述制得的Cu2O/石墨烯/α‑Fe2O3纳米管阵列复合物作为催化剂,并泵入空气,在光照条件下降解处理10‑16h,然后在黑暗状态下搅拌处理4‑6h,最后静置沉淀,上清液达到排放标准。本发明公开的方法脱色率高,COD去除率高,成本低。

标签:
废水处理
广东 - 东莞 来源:中冶有色网 2023-03-19
电镀废水系统的沉淀池结构

本实用新型公开一种电镀废水系统的沉淀池结构,包括用于收集电镀废水的沉淀池,沉淀池的侧旁设置有焦粉反应池、混凝池和污泥井,所述焦粉反应池和混凝池均设置有曝气装置,该沉淀池中安装刮泥机,刮泥机连接污泥管,污泥管连通至污泥井,该沉淀池中还安装浮渣板、排渣斗和浮渣管,该浮渣管连通至污泥井。藉由在沉淀池的侧旁还增加了前期处理的焦粉反应池和混凝池,增加了后期的污泥井,布置合理,结构紧凑。

标签:
废水处理
广东 - 东莞 来源:中冶有色网 2023-03-19
带有快速更换过滤结构的防污染盐废水处理装置

本实用新型涉及污水处理技术领域,且公开了一种带有快速更换过滤结构的防污染盐废水处理装置,包括壳体,所述壳体顶部固定连接有进水管,所述壳体前侧通过合页铰接有门板,所述壳体前侧固定连接有控制盒,所述壳体底部固定连接有支撑腿,所述壳体内侧固定连接有更换机构,所述壳体内侧设置有处理机构。该带有快速更换过滤结构的防污染盐废水处理装置,通过设置更换机构,可以在过滤网损坏后及时对其进行更换,并且该机构结构简单,可以降低更换过滤盒所花费的时间,提高了工作效率,增加了该装置的实用性,通过设置处理机构,通过可以对污水中的固体漂浮物以及污泥的处理,避免了固体漂浮物以及污泥堵塞污水处理装置的现象。

标签:
废水处理
广东 - 东莞 来源:中冶有色网 2023-03-19
具有强排保护功能的无废水净水机

本实用新型涉及净水机技术领域,具体涉及一种具有强排保护功能的无废水净水机,包括通过管道依次连接的前置过滤器、进水电磁阀、增压泵、滤芯机构和RO膜,前置过滤器与原水管线连接,RO膜的浓水出口连接有浓水出水管,浓水出水管设置有循环泵,浓水出水管的出口端分别连接有浓水回水管和生活用水管线,浓水回水管的出水端与增压泵的出水端连接,浓水回水管设置有单向阀;强排保护管线设置有常闭电磁阀,常开电磁阀、常闭电磁阀、增压泵和循环泵分别与电控装置电连接。该净水机能实现在制取纯水时浓水不必排出,达到无废水排放的功能,当使用生活用水时,浓水被合理使用。

标签:
废水处理
广东 - 东莞 来源:中冶有色网 2023-03-19
高效的造纸废水污水处理装置

本实用新型公开了一种高效的造纸废水污水处理装置,包括沉淀装置,所述沉淀装置包括沉淀箱,所述沉淀箱一侧设置有电加热箱,所述沉淀箱与电加热箱之间设置有离心装置,所述电加热箱另一侧设置有净化箱,所述沉淀箱内设置有滤网,所述沉淀箱一侧顶部设置有第一进水口,所述第一进水口底部设置有第一排污口。本实用新型通过设有沉淀箱,将造纸废水中的杂质与废渣静置,初次处理污水,之后进入离心装置进行水分脱离,分离出有机物再次利用,减少资源浪费,分离出的水在电加热箱内加热蒸煮配合消毒罐内的消毒液进行杀菌消毒,冷却后进入净化箱由活性炭吸附水中杂质和异味,高效的完成造纸污水的处理。

标签:
废水处理
广东 - 东莞 来源:中冶有色网 2023-03-19
处理效果好的废水处理设备

本实用新型公开了一种处理效果好的废水处理设备,包括底板,所述底板顶部的左侧固定连接有箱体,所述箱体的顶部设置有溶剂机构,所述箱体的内腔设置有混合机构,所述底板顶部的右侧固定连接有过滤箱,所述箱体右侧的下端固定安装有泵机,所述泵机的进液端通过管道与箱体右侧的下端连通,所述泵机的出液端通过管道与过滤箱左侧的顶部连通。本实用新型通过储液箱、破络剂腔、隔板、重金属捕捉剂腔、电机、转杆、搅拌叶、等离子发生器、KDF过滤层、活性炭层、砂砾层和玻璃纤维滤网层的作用,解决了现有的废水处理设备处理效果差,不仅处理效率低,而且处理不精细,以导致处理后的水依旧存在较多细小杂质的问题。

标签:
废水处理
广东 - 东莞 来源:中冶有色网 2023-03-19
上一页 13 14 15 16 17 ... 36 下一页
共36页    到第

中冶有色为您提供最新的广东东莞有色金属废水处理技术理论与应用信息,涵盖发明专利、权利要求、说明书、技术领域、背景技术、实用新型内容及具体实施方式等有色技术内容。打造最具专业性的有色金属技术理论与应用平台!

全国热门有色金属设备推荐
展开更多 +
全国热门有色金属技术推荐
展开更多 +

 

江西省隆恩特环保设备有限公司
宣传

报名参会
更多+

报告下载

有色专家
更多+

蒙纳士苏州校区
中国工程院外籍院士/校长
武汉理工大学
外籍院士/教授
重庆大学
副院长/教授
南京理工大学、中国科学院
院士
清华大学
研究员
赤泥综合利用研究报告2025
推广

热门技术
更多+

推荐企业
更多+

福建省金龙稀土股份有限公司
宣传

发布

在线客服

公众号

电话

顶部
咨询电话:
010-88793500-807