青岛垚鑫智能科技有限公司
宣传

位置:中冶有色 >

有色技术频道 >

分类:
全部
矿山技术
冶金技术
材料制备及加工技术
环境保护技术
分析检测技术
 
全部
废水处理技术
大气治理技术
固/危废处置技术
土壤修复技术
地区:
全部
北京
天津
上海
重庆
河北
山西
辽宁
吉林
黑龙江
江苏
浙江
安徽
福建
江西
山东
河南
湖北
湖南
广东
海南
四川
贵州
云南
陕西
甘肃
青海
内蒙
广西
西藏
宁夏
新疆
其他
其他
展开
 
全部
济南
青岛
淄博
枣庄
东营
烟台
潍坊
济宁
泰安
威海
日照
滨州
德州
聊城
临沂
菏泽

山东淄博有色金属环境保护技术理论与应用

免费发布技术信息>>
利用废旧锂离子电池三元正极材料制备三元材料前驱体及回收锂的方法

本发明属于三元材料前驱体制备技术领域,具体涉及一种利用废旧锂离子电池三元正极材料制备三元材料前驱体及回收锂的方法。将废旧锂离子电池正极原料焙烧,筛分得到三元正极材料和铝箔;将三元正极材料用苛性碱溶液浸出,过滤得到滤液和滤渣;滤液中加入碳酸盐反应,得到碳酸锂固体;用易挥发性酸浸出滤渣;向浸出液中加入还原剂,加热至沸腾除去易挥发性酸;调整浸出液中镍、钴、锰摩尔比;将调整镍、钴、锰摩尔比以后的浸出液与氨水溶液、苛性碱溶液并流加入至含有氨水溶液的反应釜中,在惰性气体保护下共沉淀。本发明实现了制备三元材料前驱体的同时,又回收了锂,降低了生产成本,产品质量高,经济性好,实现了镍钴锰锂资源的定向循环。

标签:
固废
山东 - 淄博 来源:中冶有色网 2023-03-19
光催化氧化降解硫化矿选矿废水中丁基黄药的方法

本发明公开了一种光催化氧化降解硫化矿选矿废水中丁基黄药的方法。该方法是以石墨和钛酸丁酯为原料,分别制备氧化石墨烯和二氧化钛纳米管,然后通过水热法将两种材料复合,其步骤如下:(1)将制备的氧化石墨烯加水稀释;(2)按复合比例将二氧化钛纳米管和氧化石墨烯分散液加入聚四氟乙烯内胆中,然后放入超声清洗器内超声;(3)放入烘箱中反应3小时;(4)反应结束待其冷却至室温,将反应液离心,然后抽滤得到固体,在烘箱中烘干,即为石墨烯/二氧化钛复合材料。该复合材料在可见光照射下,能高效降解硫化矿选矿废水中丁基黄药。本发明具有催化剂制备简单,成本低,光催化降解速度快,污染物去除效果显著,而且不产生二次污染的优点。

标签:
固废
山东 - 淄博 来源:中冶有色网 2023-03-19
燃煤废气的净化及综合利用装置

本发明涉及一种燃煤废气的净化及综合利用装置。本发明利用空气、氮气、氧气在超临界状态下,燃煤废气的中的有害气体及颗粒物在富氧的均一相中充分反应,最终生成CO2、H20、N2、微量硫酸、硝酸及固体颗粒后,在氨吸收器的喷雾净化下,氨吸收液制取碳酸氢氨、硫酸铵、硝酸铵等化肥,而且超临界氧化反应在氧化过程中释放出大量的热量,利用塞贝克效应,充分利用反应热量及余热温差发电,所得到的电能可以用来供气泵、火花塞及外部设备,如照明等。排气管出口有多层铁片缕空过滤网及活性炭过滤网,气体过滤清洁后排出。

标签:
固废
山东 - 淄博 来源:中冶有色网 2023-03-19
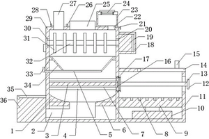
废纸输送均匀卸料辊
废纸输送均匀卸料辊 1059     
 0

本发明涉及一种固体废物的处理装置,具体涉及一种废纸输送均匀卸料辊,包括壳体,壳体固定在链板输送机倾斜段末端的支架上,壳体内通过主轴固定卸料辊,壳体两侧对应主轴设置弧形高度调节通孔,主轴两端穿过高度调节孔并分别连接支撑杆中间位置,且减速电机转轴与主轴一端相连接,壳体两侧对应支撑杆对称设置支撑支座、导向杆和导向支座,支撑杆末端与支撑支座铰接,支撑杆远离支撑支座的一端与导向杆一端铰接,导向杆另一端与导向支座铰接,导向支座固定在壳体底部侧边,其中一根支撑杆前端通过起重装置连接吊梁,吊梁固定在壳体上方。本发明结构简单,使用方便,可有效控制链板输送机输送物料的数量,提升后续设备处理效果。

标签:
固废
山东 - 淄博 来源:中冶有色网 2023-03-19
医疗卫生院内科用废弃物收集容器

本实用新型公开了一种医疗卫生院内科用废弃物收集容器,包括箱体,所述箱体的中部开设有卡槽,所述卡槽的内部设置有过滤板,所述过滤板的一侧固定连接有把手,所述箱体的顶部搭接有分类箱,所述分类箱的两侧均固定连接有卡块,所述分类箱的数量为若干个,若干个所述分类箱与箱体的内径相适配,所述箱体顶部的一侧通过铰链活动连接有箱盖,所述箱体内部的底部设置有内箱体,所述内箱体一侧的中部固定连接有拉手。通过分类箱、和过滤板的设置,方便人员分类丢弃垃圾,同时因为分类箱的底部开设有细密的孔洞则液体与固体分离,便于后期人员的处理,通过密封盖和密封圈的设置,打开密封盖方便人员排出内箱体内收集的废液。

标签:
固废
山东 - 淄博 来源:中冶有色网 2023-03-19
从氧化铝基含钼废催化剂中回收钼的方法

本发明涉及一种从氧化铝基含钼废催化剂中回收钼的方法,依次按照下列步骤进行:(1) 将氧化铝基含钼废催化剂与循环母液、NaOH溶液和Na2CO3配料后入球磨机混合粉磨、煅烧得 熟料,用调整液搅拌溶出,溶出液实施固液分离,得铝酸钠粗液;(2)将铝酸钠粗液稀释后, 实施碳酸化分解得氢氧化铝浆液;浆液经分离后得低品位氢氧化铝和含钼碳分母液;(3)将 高浓度碳酸钠溶液引入碳化塔实施碳酸化分解;碳酸钠与二氧化碳、水进一步反应后,析出 碳酸氢钠结晶,形成碳酸氢钠浆液;碳酸氢钠浆液经沉降浓密后,过滤分离,得到固体碳酸 氢钠和含钼碳化母液;(4)含钼碳化母液经蒸汽加热进行湿分解,将溶液中的碳酸氢钠热分 解转换为碳酸钠后蒸发;(5)经过(1)至(4)步骤循环,调整pH值后用离子交换法提取钼。 可以从钼含量很低的废催化剂中回收钼,节约资源,科学合理,简单易行。

标签:
固废
山东 - 淄博 来源:中冶有色网 2023-03-19
加气混凝土砌块生产用废弃浆料处理装置

本实用新型公开了一种加气混凝土砌块生产用废弃浆料处理装置,包括第四壳体,所述第四壳体内部位于第一隔板上方安装有两个滑轨,所述滑轨的内部滑动连接有滑杆,所述第四壳体内部位于两个滑杆之间设有滤网板,所述第四壳体的外表面一侧焊接有第一壳体,所述第四壳体内部靠近连杆的一侧螺纹连接有两个第一螺纹盖,所述连杆靠近第一螺纹盖的一端与第一螺纹盖焊接;本装置在使用时,通过滤网板将废弃浆料进行筛分,使其固体残渣与液体残渣分离,对废弃浆料进行处理,便于后续对其进行回收处理,设置滑杆配合滑轨、第一螺纹盖和连杆便于工作人员将滤网板从第四壳体中抽出至第一壳体中,便于工作人员对其进行清理或更换。

标签:
固废
山东 - 淄博 来源:中冶有色网 2023-03-19
从废旧锂离子电池负极片中回收石墨片和金属的方法

本发明涉及回收废旧锂离子电池技术领域,具体涉及一种从废旧锂离子电池负极片中回收石墨片和金属的方法。将废旧锂离子电池的负极片缠绕在绝缘板上与外电源的正极相连,导电基体与外电源的负极相连,电解液为铜盐溶液,进行电解,得到含锂溶液;将惰性电极与外电源的正极相连,自制电极与外电源的负极相连,电解液为含锂溶液,通电电解得到锂离子镶嵌的自制电极;将锂离子镶嵌的自制电极与外电源的正极相连,惰性电极与外电源的负极相连,电解液为氢氧化锂溶液,进行电解,金属锂进入溶液中,蒸发溶液,得到氢氧化锂固体。本发明得到的氢氧化锂纯度高,金属锂的回收率高,同时也回收了金属铜和石墨片。

标签:
固废
山东 - 淄博 来源:中冶有色网 2023-03-19
钢丝表面处理产生废液的循环处理再利用设备

一种钢丝表面处理产生废液的循环处理再利用设备,本实用新型属于金属表面处理领域。其特征在于包括沉淀池、补酸池、成品工作液池、废液收集箱和膜处理器;在沉淀池的下部设置除渣分离过滤设备;所述除渣分离过滤设备能够将沉淀池内的液体和固体残渣分离;经过除渣分离过滤设备分离的清液能够通过清液泵注入补酸池,所述补酸池内经过补充浓酸后的清液通过膜处理器浓缩后,产生的浓缩液注入成品工作液池中,经过膜处理器分离出的清液导入废液收集箱中;成品工作液池通过回流导液管和回流导液泵连接沉淀池。本实用新型能够有效处理旧工作液,令其能够循环再利用。此外,本实用新型通过合理高效的工艺处理旧工作液,降低生产成本,达到环保节约的目的。

标签:
固废
山东 - 淄博 来源:中冶有色网 2023-03-19
采用黄金尾矿废渣制备的聚氯乙烯木方及其制备方法

本发明属于聚氯乙烯建筑材料技术领域,具体的涉及一种采用黄金尾矿废渣制备的聚氯乙烯木方及其制备方法。以质量份数计,原料由聚氯乙烯树脂50‑55份、黄金尾矿85‑95份、塑钢回料30‑35份、发泡剂0.3‑0.5份、发泡调节剂4‑6份、稳定剂3‑4份、增韧剂2‑3份、增强剂2‑3份、钛白粉2‑4份、润滑剂1‑2份和偶联剂2‑3份组成。本发明所述的采用黄金尾矿废渣制备的聚氯乙烯木方,握螺钉力高、成本低、抗冲击性及刚性好,采用黄金尾矿和塑钢回料作为主要原料,大大降低生产成本的同时,减少了固体废弃物对环境的污染,生产的聚氯乙烯木方能够代替木材并可重复利用。

标签:
固废
山东 - 淄博 来源:中冶有色网 2023-03-19
利用盐酸和氢氟酸的废酸制备氟化钙的方法

本发明涉及一种氟化钙的生产方法,尤其涉及一种利用盐酸和氢氟酸的废酸制备氟化钙的方法,步骤主要有:滴加废酸和氯化钙溶液,控制氯化钙与氟化氢的摩尔比为1:2.1‑2.15,滴加完毕后,继续反应1‑1.5小时;保温至40‑50℃,搅拌,反应2小时;静置沉淀得到氟化钙固体,所得滤液为增浓至12%~18.6%的盐酸溶液;沉淀洗涤,过滤,得到氟化钙产品。本发明的方法具有氟化钙颗粒度大,容易过滤,工艺简单,生产成本低,可以回收氟化钙和盐酸,彻底解决目前工业含氟废酸的污染问题。

标签:
固废
山东 - 淄博 来源:中冶有色网 2023-03-19
废旧锂电池正极材料制备耐高温黑色无机色料的方法

本发明属于陶瓷色料技术领域,具体涉及一种废旧锂电池正极材料制备耐高温黑色无机色料的方法,包括以下步骤:(1)将废旧锂电池正极材料粉碎筛选后,得到粉料;(2)将步骤(1)所得的粉料与硝化剂进行硝化反应,得到硝酸金属盐;(3)将步骤(2)所得的硝酸金属盐焙烧后用水溶解,浸出后进行固液分离,将分离出的固体烘干后,得到黑色半成品材料;(4)向步骤(3)所得的黑色半成品材料中加入氧化铁、氧化铬和铬铁渣进行混合,混合后经煅烧、冷却、破碎和研磨后,即得耐高温黑色无机色料。本发明能够将废旧锂电池有效回收利用,同时制备的黑色无机色料的耐热性能够达到1200℃以上。

标签:
固废
山东 - 淄博 来源:中冶有色网 2023-03-19
废水检测固液分离器
废水检测固液分离器 1081     
 0

本实用新型公开了一种废水检测固液分离器,包括外壳体和过滤网,所述外壳体右侧下端位置水平固定穿插设置有排水管,所述外壳体上端左侧位置垂直固定设置有支撑板,所述支撑板上水平穿插固定设置有软管,所述外壳体上端中心位置开设有槽体,所述槽体内部位置活动卡接设置有滚珠,所述槽体内部位置活动卡接设置有活动筒,所述软管右侧端位置固定安装设置有连接阀。本实用新型使用时废水通过软管注入,然后通过注入管注入过滤网内部位置,同时注入冲击力冲击延伸板,冲击力使得活动筒与过滤网转动,从而使得过滤网产生离心力,加速废水的过滤,从而有效提高废水的过滤处理效率,过滤后的废水通过排水管被排出,之后固体留在过滤网内部位置。

标签:
固废
山东 - 淄博 来源:中冶有色网 2023-03-19
利用陶瓷辊棒废料和城市污泥制备烧结透水砖的方法

本发明公开了一种利用陶瓷辊棒废料和城市污泥制备烧结透水砖的方法。所述烧结透水砖,包括以下重量份数的原料:陶瓷辊棒废料35‑45份、城市污泥20‑30份、长石5‑10份、水玻璃8‑12份、水12‑18份。其制备方法包括配料、混合、陈腐、成型、微波干燥、烧制。本发明实现了固体废弃物的资源化利用,降低了透水砖的生产成本,而且,制备工艺简单、生产效率高、环保节能。

标签:
固废
山东 - 淄博 来源:中冶有色网 2023-03-19
从废旧锂离子电池正极片中回收高纯锂的方法

本发明涉及回收废旧锂离子电池技术领域,具体涉及一种从废旧锂离子电池正极片中回收高纯锂的方法。将废旧锂离子电池的正极片与外电源的正极相连,惰性电极与外电源的负极相连,电解液为铝盐溶液,通电电解得到含锂混合溶液;将惰性电极与外电源的正极相连,自制电极与外电源的负极相连,电解液为含锂混合溶液,通电电解得到锂离子镶嵌的自制电极;将锂离子镶嵌的自制电极与外电源的正极相连,惰性电极与外电源的负极相连,电解液为氢氧化锂溶液,通电电解,金属锂进入溶液中,蒸发溶液,得到氢氧化锂固体。本发明得到的氢氧化锂纯度高,金属锂的回收率高。

标签:
固废
山东 - 淄博 来源:中冶有色网 2023-03-19
利用废氧化铝吸附剂和污泥制备烧结透水砖的方法

本发明公开了一种利用废氧化铝吸附剂和污泥制备烧结透水砖的方法。所述烧结透水砖,包括以下重量份数的原料:废氧化铝吸附剂35‑45份、城市污泥18‑25份、粘土8‑13份、长石5‑10份、水玻璃8‑12份、水10‑15份。其制备方法包括配料、混合、陈腐、成型、微波干燥、烧制。本发明实现了固体废弃物的资源化利用,降低了透水砖的生产成本,而且,制备工艺简单、生产效率高、环保节能。

标签:
固废
山东 - 淄博 来源:中冶有色网 2023-03-19
利用废分子筛生产硫酸铝的方法

本发明公开了一种利用废分子筛生产硫酸铝的方法,该方法包括步骤1、将废分子筛投入磨粉机中研磨至60‑80目;步骤2、开启搅拌装置,并依次向搪瓷反应釜中加入计量好的水、研磨后的废分子筛粉、消泡剂和计量好的浓硫酸,关闭搪瓷反应釜所有阀门加压反应4‑6小时,得到硫酸铝料浆;步骤3、将硫酸铝料浆输送至沉降槽中,并通过压缩空气搅拌方式将阳离子絮凝剂分散加入沉降槽中的硫酸铝料浆中,加压搅拌2分钟,关闭压缩空气阀门沉降3小时;步骤4、沉降分离后得到清溶液经检验调控后即得液体硫酸铝;步骤5、按照配比向搪瓷反应釜中加入液体硫酸铝、氢氧化铝、浓硫酸和水,保压反应1.5‑2小时,所得溶液进行冷却结晶即得到固体硫酸铝。

标签:
固废
山东 - 淄博 来源:中冶有色网 2023-03-19
钛白粉生产酸性废水的分盐系统

本实用新型涉及一种钛白粉生产酸性废水的分盐系统,包括钛白粉废水储罐,钛白粉废水储罐通过管路连接预处理装置,预处理装置通过管路连接NF装置,NF装置通过管路分别连接第一产水罐和第一浓水罐,第一产水罐通过管路连接NF装置Ⅱ,NF装置Ⅱ通过管路连接第二产水罐,第二产水罐通过管路连接蒸发结晶罐,蒸发结晶罐通过管路连接氯化钠储罐;第一浓水罐通过管路连接NF装置Ⅲ。本实用新型工艺简单,操作方便,采用的多级分盐提纯技术保证后续蒸发结晶单元无杂盐产生,分盐后的氯化钠及硫酸钠均符合相应的国家标准。处理后盐的纯度高,节省杂盐作为固体废物的处理费用。

标签:
固废
山东 - 淄博 来源:中冶有色网 2023-03-19
光催化降解煤焦油废水的连续装置

本实用新型属于环保工程中煤焦油废水治理技术领域,涉及光催化降解煤焦油废水的连续装置。该连续装置包括沿液体流通方向依次连接的煤焦油废水接口、搅拌釜、预热器、透光材质的光催化降解反应器、固液分离器和净化水储罐,还包括光催化降解催化剂循环支路;搅拌釜上设置催化剂接口,固液分离器的固体出口通过催化剂循环支路与催化剂接口连接,固液分离器的气体出口连接废气接口,固液分离器的液体出口连接净化水储罐;光催化降解反应器底部设置微米气泡发生器,微米气泡发生器入口连接氧气和预热器的液体出口;光催化降解反应器侧壁安装紫外光发光设备,紫外光发光设备向光催化降解反应器内发射紫外光。该装置的工艺路线合理、有机物降解效果好。

标签:
固废
山东 - 淄博 来源:中冶有色网 2023-03-19
钢丝表面处理产生废液的循环处理再利用工艺及设备

一种钢丝表面处理产生废液的循环处理再利用工艺及设备,本发明属于金属表面处理领域。其特征在于包括沉淀池、补酸池、成品工作液池、废液收集箱和膜处理器;在沉淀池的下部设置除渣分离过滤设备;所述除渣分离过滤设备能够将沉淀池内的液体和固体残渣分离;经过除渣分离过滤设备分离的清液能够通过清液泵注入补酸池,所述补酸池内经过补充浓酸后的清液通过膜处理器浓缩后,产生的浓缩液注入成品工作液池中,经过膜处理器分离出的清液导入废液收集箱中;成品工作液池通过回流导液管和回流导液泵连接沉淀池。本发明能够有效处理旧工作液,令其能够循环再利用。此外,本发明通过合理高效的工艺处理旧工作液,降低生产成本,达到环保节约的目的。

标签:
固废
山东 - 淄博 来源:中冶有色网 2023-03-19
头孢哌酮酸生产废水的处理方法

本发明属于废水处理技术领域,具体的涉及一种头孢哌酮酸生产废水的处理方法。向7‑TMCA母液中加入碱调节pH至7‑9,然后加入钾盐降温养晶,离心得到氟硼酸钾固体;向头孢哌酮酸母液中加入钙盐降温养晶,离心得到磷酸钙;将回收完磷酸钙的母液水分蒸出后离心得到氯化钙,对氯化钙进行后处理即得氯化钙纯品。本发明所述的头孢哌酮酸生产废水的处理方法,减少了废水中无机酸含量,降低了污水处理压力,产生了较好的经济效益和环保效益。

标签:
固废
山东 - 淄博 来源:中冶有色网 2023-03-19
医疗废物低温碳化处理系统

本发明公开了一种医疗废物低温碳化处理系统,属于医疗废物中的非感染性和损伤性废物处理技术领域,包括热解炉、喷燃炉、二燃室、换热器、半干式吸收装置、干式反应塔、布袋除尘器、喷淋洗涤塔和引风机。本发明通过设计精妙,低温炭化炉采用在绝氧状态下将垃圾中的有机物裂解成可燃气体,使固体颗粒物排放量降至最低,可实施24小时连续运转,废弃物不需分拣,提高了作业效率,保证了工作环境的安全性,由于裂解过程为绝氧状态,使二噁英产生失去了条件,达到降低了二噁英等有害物质的产生,在高温燃烧室完成高温氧化过程,而不产生二次有害气体污染,由于焚烧过程完整,残灰为完全无污染物质,有机物去除率达到99.99%,故大大降低了后续处理成本。

标签:
固废
山东 - 淄博 来源:中冶有色网 2023-03-19
从呋喃铵盐废水中回收甲氧胺的方法

本发明属于医药化工技术领域,具体涉及一种从呋喃铵盐废水中回收甲氧胺的方法。向呋喃铵盐废水中加入碳酸钙,调节pH至3.0‑3.5,得到磷酸氢钙盐乳浊液;向所得磷酸氢钙盐乳浊液中加入絮凝剂进行絮凝沉降,然后过滤得到磷酸氢钙盐固体和滤液,将该滤液减压浓缩蒸出水,过滤除去析出的氯化钠得到滤液,调节该滤液的pH至12‑14,升温,向滤液内通入氮气,采用氮气吹扫蒸馏,接收氮气带出的蒸汽得到甲氧胺水溶液。本发明能够有效的分离呋喃铵盐废水中三种盐,实现生产呋喃铵盐三种原料甲氧胺、磷酸、氯化钠的回收利用,进一步降低呋喃铵盐生产成本,减少蒸馏废渣,提高经济效益。

标签:
固废
山东 - 淄博 来源:中冶有色网 2023-03-19
铅酸蓄电池废铅膏的回收利用装置

本实用新型涉及一种铅酸蓄电池废铅膏的回收利用装置。包括和膏机,和膏机出口通过管道连接贮存容器进口,贮存容器内部设有搅拌器,贮存容器的出口通过管道连接固液分离器的进口,固液分离器的液体出口通过管道连接水罐,固液分离器的固体出口通过管道连接密度调整罐,水罐和密度调整罐分别通过管道连接和膏机进口,贮存容器和固液分离器之间的管道上设有第一泥浆泵,密度调整罐和和膏机之间的管道上设有第二泥浆泵,水罐和和膏机之间的管道上设有水泵。本实用新型实现了废铅膏的回收利用,减少了废铅膏(铅泥)在下水道中的沉积,节省成本。

标签:
固废
山东 - 淄博 来源:中冶有色网 2023-03-19
对废硫酸回收再利用的硫酸镁生产系统

本实用新型公开了一种对废硫酸回收再利用的硫酸镁生产系统,包括依次连接的预混罐、反应罐、沉淀罐、结晶罐、离心装置、干燥装置、包装装置,所述沉淀罐、结晶罐、离心装置分别设有管道连通废硫酸储罐,所述沉淀罐为两个,并联连接;所述预混罐上部设有入口连接废硫酸储罐和氧化镁投料罐,所述预混罐由动力装置驱动框式搅拌轴,所述搅拌轴的中上部位设有伞状结构用于分散固体和液体物料。本实用新型的有益效果是:本实用新型能够充分利用资源,避免污水等的产生,减轻对环境的污染压力,生产系统整体简单,满足不同企业生产的需求,具有较好的社会效益。

标签:
固废
山东 - 淄博 来源:中冶有色网 2023-03-19
测定固定污染源废气中金属元素时所用过滤装置

本实用新型涉及过滤技术领域,具体为测定固定污染源废气中金属元素时所用过滤装置,包括支架,所述支架内插接有气体样品皿,所述气体样品皿的上端螺纹连接有二级过滤装置,所述二级过滤装置的上方通过开关装置连接有一级过滤装置,所述一级过滤装置螺纹连接有密封盖,所述密封盖上固定设置有连接头,所述连接头上套接有软管,通过本技术方案的实用,在使用滤膜过滤废气之前,在滤筒中添加滤板,对废气进行粗过滤,这样就会使得一些固体颗粒附着在滤板上,然后在采用滤膜对废气进行过滤,可以使得滤膜的使用时间变长,不容易堵塞滤膜,且采用气囊加压的方式使得活塞下压,将废气压入到二级过滤装置中,非常的省力,且效率高。

标签:
固废
山东 - 淄博 来源:中冶有色网 2023-03-19
舒巴坦酸废水的处理方法

本发明具体涉及一种舒巴坦酸废水的处理方法,属于药物废水处理技术领域。本发明包括以下步骤:(1)将合成6‑溴青霉烷酸反应废水升温,滴加浓硫酸,产生的气体去降膜吸收器吸收处理,剩余母液调节pH=7,然后浓缩得到硫酸钠;(2)将合成6‑溴青霉烷砜酸反应废水加入高锰酸钾,反应完毕,调节pH=7,过滤得到二氧化锰,剩余母液减压浓缩,先析出硫酸钾,离心后剩余母液继续减压浓缩得到硫酸钠;(3)将合成舒巴坦酸反应废水滴加双氧水,同时升温通氮气,冷凝得到液溴,用于合成6‑溴青霉烷酸反应,将剩余母液降温过滤,得到氢氧化锌固体。本发明简单易行,减轻污水处理压力,降低污水处理成本,具有较好的环保效益。

标签:
固废
山东 - 淄博 来源:中冶有色网 2023-03-19
兽用中药生产废水处理装置

本实用新型涉及中药生产废水处理技术领域,具体公开了一种兽用中药生产废水处理装置,包括电机、壳体一、壳体二、圆管、夹套、主轴、螺旋叶和挤压组件;所述壳体一下端侧壁上设置漏孔;所述壳体二配合设置在壳体一下部;所述圆管一端连接壳体一设置;所述主轴同轴设置在壳体一和圆管内;所述螺旋叶配合设置在壳体一内;所述螺旋叶固定设置在主轴上;所述电机设置在壳体一外,且输出轴连接主轴;所述圆管上设置出气管;所述夹套配合出气管套设在圆管外;所述挤压组件配合设置在圆管尾端。与现有技术相比,通过圆管、夹套和挤压组件的设置,提高了固体废料和液体废物分离的效果。

标签:
固废
山东 - 淄博 来源:中冶有色网 2023-03-19
陶瓷厂废砖淤泥再次利用系统

本发明涉及地板砖技术领域,具体涉及一种陶瓷厂废砖淤泥再次利用系统,包括废砖破碎产线和淤泥再次利用产线,废砖破碎产线包括选料装置和喂料斗,喂料斗的下端设置给料机,给料机的出口处设置初级破碎机,还包括振动破碎装置和研磨装置;淤泥再次利用产线包括沉淀池、搅拌罐、柱塞泵、滤泥机、滤水池、传动皮带和储料仓;本发明结构新颖,设计合理,使用方便,废砖破碎产线能够对地板砖进行精细破碎,再次利用,淤泥再次利用产线能够对陶瓷厂抛光线产生的淤泥、水煤浆灰等废物进行重新利用,固体物质再次添加到原料当中去,不需要外排,有利于环境保护。

标签:
固废
山东 - 淄博 来源:中冶有色网 2023-03-19
对提取鹿骨胶原蛋白的酸浸槽中废渣液进行处理的设备

本实用新型涉及一种对提取鹿骨胶原蛋白的酸浸槽中废渣液进行处理的设备,包括依次设置、相邻连接的酸浸槽、第一、二反应池、过滤设备、第三、四反应池,第一反应池上设置有碳酸钠投料口,第二反应池上设置有碳酸氢铵投料口,过滤设备的固体排出口与第三反应池相连接,第三反应池上设置有烧碱溶液注入口,第四反应池上设置有氢氧化钙溶液注入口,第四反应池的出液口与烧碱储液槽相连接。上述技术方案中,可有效对酸浸槽中的废渣液进行处理,且处理后的产物为盐水、氯化铵、烧碱;烧碱和盐水可以用于鹿骨胶原蛋白提取的其他工序,氯化铵可以作为养鹿牧草的肥料进行施肥,实现变废为宝,废物利用。

标签:
固废
山东 - 淄博 来源:中冶有色网 2023-03-19
上一页 14 15 16 17 18 ... 40 下一页
共40页    到第

中冶有色为您提供最新的山东淄博有色金属环境保护技术理论与应用信息,涵盖发明专利、权利要求、说明书、技术领域、背景技术、实用新型内容及具体实施方式等有色技术内容。打造最具专业性的有色金属技术理论与应用平台!

全国热门有色金属设备推荐
展开更多 +
全国热门有色金属技术推荐
展开更多 +

 

江西省隆恩特环保设备有限公司
宣传

报名参会
更多+

报告下载

有色专家
更多+

江西理工大学
副处长/教授
中国矿业大学
副院长/教授
矿冶科技集团
中国工程院院士
中国有色金属工业协会
教授级高级工程师
清华大学
教授
赤泥综合利用研究报告2025
推广

热门技术
更多+

推荐企业
更多+

福建省金龙稀土股份有限公司
宣传

发布

在线客服

公众号

电话

顶部
咨询电话:
010-88793500-807