青岛垚鑫智能科技有限公司
宣传

位置:北方有色 >

有色技术频道 >

分类:
全部
矿山技术
冶金技术
材料制备及加工技术
环境保护技术
分析检测技术
 
全部
废水处理技术
大气治理技术
固/危废处置技术
土壤修复技术
地区:
全部
北京
天津
上海
重庆
河北
山西
辽宁
吉林
黑龙江
江苏
浙江
安徽
福建
江西
山东
河南
湖北
湖南
广东
海南
四川
贵州
云南
陕西
甘肃
青海
内蒙
广西
西藏
宁夏
新疆
其他
其他
展开
 
全部
济南
青岛
淄博
枣庄
东营
烟台
潍坊
济宁
泰安
威海
日照
滨州
德州
聊城
临沂
菏泽

山东淄博有色金属环境保护技术理论与应用

免费发布技术信息>>
吸收液循环利用的环保废气处理装置

本实用新型公开了一种吸收液循环利用的环保废气处理装置,涉及废气处理技术领域。本实用新型主要包括承载机构、过滤机构、搅拌机构和循环喷淋机构,承载机构包括一水平设置的且内部盛装有吸收液的装置箱,装置箱的顶部铰接有一箱盖,装置箱的一侧设置有一用于进气的进气管,装置箱一侧的顶部设置有一出气管,过滤机构设置在进气管上,其用于过滤环保废气中的固体颗粒,搅拌机构用于搅拌装置箱内部的吸收液,循环喷淋机构设置在装置箱的内部。本实用新型在使用时,先通过过滤机构将废气过滤一遍,接着通过循环喷淋机构循环不断的对装置箱内部的废气进行净化,同时搅拌机构的增加,能够增加吸收液吸收废气中有害物质的速率。

标签:
固废
山东 - 淄博 来源:北方有色网 2023-03-19
用于核废料分拣手套箱的压实装置

本实用新型涉及一种用于核废料分拣手套箱的压实装置,包括:固定件,其上开设有用于盛放料桶的容纳腔;压块,用以压实料桶内的固体核废料;第一动力件,为压块对料桶内的固体核废料的压动提供动力;保护罩,当压块压动料桶内的固体核废料时,所述保护罩始终罩住料桶的顶部,且此时,另外,所述保护罩上开设有通孔,所述通孔与料桶相互连通;抽风件,其抽风口与所述通孔相互连通,以解决固定废料在压缩过程中出现核气体泄漏的技术问题。

标签:
固废
山东 - 淄博 来源:北方有色网 2023-03-19
环保处理TRC废胶液的方法

本发明涉及一种环保处理TRC废胶液的方法,属于工业废液的环保处理领域,将废胶液利用外部热源加热,添加处理药剂,保持动态处理,使TRC废胶液发生物理的变化,产生固体,并最终与水分离。环保处理TRC的方法,使得以水为分散介质的TRC柔性丙烯酸乳液胶结成固体,容易与水分离,并且,反应生成的固体是稳定的无害的,反应生成的水完全可以循环利用。TRC废胶液经过此种处理,既杜绝了其对环境的潜在危害,又节约利用了循环水。

标签:
固废
山东 - 淄博 来源:北方有色网 2023-03-19
硫酸亚铁提纯除杂废弃物的综合利用方法

本发明涉及废弃物综合利用领域,具体涉及一种利用硫酸法钛白粉生产过程中的硫酸亚铁提纯除杂废弃物的综合利用方法。其包括以下步骤:(1)废弃物经酸化分离得人造金红石;(2)滤液经沉淀分离、焙烧得氧化铁红;(3)上一工序所得滤液经浓缩烘干得氯化铵。本发明利用硫酸法钛白粉生产过程中的硫酸亚铁提纯除杂废弃物进行综合利用,实现了固体废弃物的综合利用和产品价值的提升,使硫酸法钛白粉生产过程中的硫酸亚铁提纯除杂废弃物进行增值,由单一的固体废物,通过分离沉淀合成得到三种化工产品,易于实施,变废为宝。

标签:
固废
山东 - 淄博 来源:北方有色网 2023-03-19
含叔丁醇废水的深度氧化处理方法

本发明属于废水处理技术领域,具体涉及一种含叔丁醇废水的深度氧化处理方法。将无机盐和水配制成无机熔盐水合物,无机熔盐水合物和均相催化剂混合均匀后升温,加入含叔丁醇废水和氧化剂进行第一次氧化反应得到小分子有机物,小分子有机物、氧化剂与固体催化剂进行第二次氧化反应,得到水和二氧化碳;无机盐为CaCl2或Ca(NO3)2中的一种或两种。本发明以无机熔盐水合物为溶剂,无机熔盐水合物具有温升效应,可以实现常压或低压状态下反应,反应条件温和;二次氧化可以使小分子的有机物彻底氧化为水和二氧化碳,COD去除率高。

标签:
固废
山东 - 淄博 来源:北方有色网 2023-03-19
废旧CO耐硫变换催化剂的再生方法

本发明涉及一种回收利用废旧耐硫变换催化剂的方法。大部分废旧耐硫变换催化剂被作为垃圾处理掉,不仅污染环境,而且浪费资源。在本发明中,首先将废旧耐硫变换催化剂粉碎,然后加入拟薄水铝石等固体胶溶剂和硝酸等液体胶溶剂,进行焙烧,再用碱性物质溶液、Co-Mo活性组分溶液或Co-Mo-碱金属化合物溶液进行活化处理,烘干和/或焙烧后即得到能满足工业生产要求的再生催化剂。

标签:
固废
山东 - 淄博 来源:北方有色网 2023-03-19
工业废料制备水煤气的系统

本实用新型涉及一种工业废料制备水煤气的系统,包括称重机,所述称重机用于称重固体废料和原料煤的质量;破碎机,所述破碎机用于接收所述称重机输送过来的固体废料和原料煤的混合物并将其破碎搅拌;磨煤机,所述磨煤机上设置有轻度废料液注入口,所述磨煤机用于接收所述破碎机输送过来的混合物和轻度废料液并产生水煤浆;气流床气化炉,所述气流床气化炉用于接收水煤浆并生产出水煤气。本实用新型将多种工业废料与原材料混合后制备水煤气,不但减少环境污染,且简化操作流程。

标签:
固废
山东 - 淄博 来源:北方有色网 2023-03-19
去甲氨噻肟酸乙酯生产废水回用方法

本发明属于废水回用技术领域,具体的涉及一种去甲氨噻肟酸乙酯生产废水回用方法。将肟化反应母液减压蒸馏得到的水用于环合反应,环合反应母液回收乙醇后,剩余废水加入脱色剂脱色,再加入萃取剂萃取,然后减压蒸馏回收水用于下一批环合反应,得到的固体醋酸钠用于下一批环合反应。本发明减少了环合工艺用水量,同时得到固体硫酸钠;减少废水排放量,降低了排放废水的COD和废水含盐量,减轻了污水处理压力;得到的醋酸钠,套用于环合反应,循环使用,减少了生产投入成本,具有较好的经济效益和环保效益。

标签:
固废
山东 - 淄博 来源:北方有色网 2023-03-19
甲烷氯化物生产废碱的处理回收系统及方法

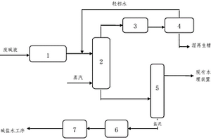
本发明涉及一种甲烷氯化物生产废碱的处理回收系统及方法,属于废水处理及回收技术领域,该方法包括步骤:甲烷氯化物废碱水送入汽提塔经过汽提,得到了去除大部分甲烷氯化物的废碱,废碱进入三效蒸发器;蒸发后的固体废盐经过溶解罐溶解、过滤器过滤,过滤后的溶液进入氯碱车间作为原料使用,过滤后得到含NaOH、NaCl、Na2CO3的溶液,其中有机物质量含量小于1ppm。本发明中甲烷氯化物生产废碱水经过汽提、蒸发、溶解、过滤等步骤得到的溶液可作为氯碱工业原料使用,实现变废为宝;通过生产废碱的资源化利用,减少了废水的处理成本,克服了现有水处理投资大、对环境压力大的缺点。

标签:
固废
山东 - 淄博 来源:北方有色网 2023-03-19
利用相图分离提纯硼酸锌生产废水的方法

本发明属于废水处理技术领域,具体涉及一种利用相图分离提纯硼酸锌生产废水的方法。所述方法包括以下步骤:测定绘制70‑80℃之间任一温度T下Na2SO4‑H3BO3‑H2O三元体系相图:将硼酸锌生产废水在温度T下恒温蒸发,当蒸发体系点达到共饱和点时,停止恒温蒸发,过滤得到Na2SO4固体和一次母液;将一次母液冷却到40‑50℃,过滤得到H3BO3固体和二次母液;将二次母液重复恒温蒸发和降温结晶,完成废水中Na2SO4和H3BO3的分离。本发明通过三相图分析,将硼酸锌生产废水中的硫酸钠和硼酸分离提纯,硫酸钠和硼酸纯度达到100%,冷却水回用硼酸锌生产中,达到零排放。

标签:
固废
山东 - 淄博 来源:北方有色网 2023-03-19
连续式废液灭活系统
连续式废液灭活系统 1083     
 0

本发明提供一种连续式废液灭活系统,属于废液灭活系统领域。包括框架、外罩、气动角座阀、接水盘,外罩包裹在框架外,接水盘位于框架底部,其特征在于,在框架内设有固体过滤器、缓冲罐组件、泵组件、换热器组件、sip在线灭菌系统、cip在线清洗系统,固体过滤器、缓冲罐组件、泵组件、换热器组件通过废液管道依次连接,sip在线灭菌系统通过蒸汽管道分别连接到固体过滤器、缓冲罐组件、泵组件、换热器组件,cip在线清洗系统通过清洗水管道分别连接到固体过滤器、缓冲罐组件、泵组件、换热器组件。连续废液灭活系统克服了现有技术只能在升温换热器内进行灭活,采用sip在线清洗技术进行全程分区灭活,便于某个部件损坏时进行安全更换。

标签:
固废
山东 - 淄博 来源:北方有色网 2023-03-19
巯基乙酸异辛酯生产废水的处理方法及其处理装置

本发明属于有机废水处理技术领域,具体的涉及一种巯基乙酸异辛酯生产废水的处理方法及其处理装置。将颗粒状活性炭负载的Fe催化剂作为吸附剂预先装填至吸附塔,巯基乙酸异辛酯生产废水流经吸附塔,废水中的有机物被吸附剂充分吸附,实现废水中有机物和盐的分离;再进入蒸发装置进行脱盐,蒸出水经冷凝后作为中水回用;蒸发母液经除盐过滤器得到固体盐作为副产品销售。本发明中含盐有机废水经过吸附和脱盐处理后,蒸出水COD去除率在99%以上,固体盐中TOC含量极少。本发明所述的处理装置,采用两个吸附塔A和B交替使用,吸附塔A达到吸附饱和后升温通空气进行催化氧化降解,废水进入吸附塔B进行有机物和盐的分离,装置可以连续运行。

标签:
固废
山东 - 淄博 来源:北方有色网 2023-03-19
利用微通道反应器深度催化氧化连续处理高盐高COD有机废水的方法及其装置

本发明属于有机废水处理技术领域,具体涉及一种利用微通道反应器深度催化氧化连续处理高盐高COD有机废水的方法及其装置。该处理方法为预先在高盐高COD有机废水中混入催化氧化助剂,经预热进入微通道反应器中,与氧化剂发生氧化反应,从而将废水中的有机物氧化为H2O和CO2,反应后的反应液经闪蒸、蒸发浓缩进行脱盐;本发明同时提供其装置。本发明将可溶性铜盐和MoO3/γ‑Al2O3相结合,充分发挥了二者间的协同作用,从而将废水中的有机物快速深度氧化而去除;大大降低有机废水中COD的含量,能够有效分离水和固体盐,且水和固体盐中有机物的含量低,分离出的水能够回用,固体盐也能够作为副产品使用。

标签:
固废
山东 - 淄博 来源:北方有色网 2023-03-19
高盐高COD有机废水的处理方法及其处理装置

本发明属于有机废水处理技术领域,具体涉及一种高盐高COD有机废水的处理方法及其处理装置。该处理方法为预先在高盐高COD有机废水中混入催化氧化助剂,经预热进入固定床反应器中,与氧化剂发生氧化反应,从而将废水中的有机物氧化为H2O和CO2,反应后的反应液经闪蒸、蒸发浓缩进行脱盐;本发明同时提供高盐高COD有机废水的处理装置。本发明将可溶性亚铁盐和V2O5/SBA‑15相结合,充分发挥了二者间的协同作用,从而将废水中的有机物快速深度氧化而去除;大大降低有机废水中COD的含量,能够有效分离水和固体盐,且水和固体盐中有机物的含量低,分离出的水能够回用,固体盐也能够作为副产品使用。

标签:
固废
山东 - 淄博 来源:北方有色网 2023-03-19
粗甘油提纯产生的高盐废水的处理方法及其处理装置

本发明属于有机废水处理技术领域,具体涉及一种粗甘油提纯产生的高盐废水的处理方法及其处理装置。该处理方法为预先在粗甘油提纯产生的高盐废水中混入催化氧化助剂,经预热进入氧化反应器中,与氧化剂发生氧化反应,从而将废水中的有机物氧化为H2O和CO2,反应后的反应液经闪蒸、蒸发浓缩进行脱盐;本发明同时提供粗甘油提纯产生的高盐废水的处理装置。本发明将可溶性铜盐和V2O5/SiO2相结合,充分发挥了二者间的协同作用,从而将废水中的有机物快速深度氧化而去除;大大降低有机废水中COD的含量,能够有效分离水和固体盐,且水和固体盐中有机物的含量低,分离出的水能够回用,固体盐也能够作为副产品使用。

标签:
固废
山东 - 淄博 来源:北方有色网 2023-03-19
聚四氟乙烯分散树脂生产废水的处理方法

本发明涉及一种聚四氟乙烯分散树脂生产废水的处理方法,属于工业废水处理技术,是将聚四氟乙烯分散树脂生产废水输送到溶气气浮机,空气通过压缩机送到压力溶气罐中,压力控制在0.5~1.0Mpa,随后进入气浮水槽突然降低溶气压力至常压,溶解在废水中的空气析出,形成大量致密的微气泡,同时在水槽中加入质量浓度为5~50%有絮凝作用的盐,使得废水破乳析出树脂,并在盐的作用下形成絮状固体,微气泡在缓慢上升过程中吸附在絮状固体表面,将絮状固体带到废水表面,脱出树脂的废水由气浮机底部排出。不仅能够使废水排放符合要求、保护环境,而且还能够较好地回收分散树脂,变废为宝。

标签:
固废
山东 - 淄博 来源:北方有色网 2023-03-19
环氧氯丙烷生产废水的处理方法

本发明属于有机废水处理技术领域,具体涉及一种环氧氯丙烷生产废水的处理方法。该处理方法为预先在环氧氯丙烷生产废水中混入催化氧化助剂,经预热进入氧化反应器中,与氧化剂发生氧化反应,从而将废水中的有机物氧化为H2O、CO2和HCl,反应后的反应液经闪蒸、蒸发浓缩进行脱盐。本发明将可溶性钴盐和Nd2O5/SBA‑15相结合,充分发挥了二者间的协同作用,从而将废水中的有机物快速深度氧化而去除;大大降低有机废水中COD的含量,能够有效分离水和无机固体盐,且水和无机固体盐中有机物的含量低,分离出的水能够回用,无机固体盐也能够作为副产品使用。

标签:
固废
山东 - 淄博 来源:北方有色网 2023-03-19
DDNP起爆药生产废水处理方法

一种DDNP起爆药生产废水处理方法,属于起爆药污水环保处理技术领域。其特征是:包括以下步骤:1)分类:将起爆药DDNP生产过程产生的污水根据有毒化合物浓度进行分流处理,得到高浓度废水和低浓度废水,分别盛放;2)高浓度废水处理:包括将高浓度废水喷洒在固体燃料上,进行蒸发浓缩,将蒸发后含少量水的固体燃料放入锅炉焚烧;3)低浓度废水处理:包括将低浓度废水输入沉淀池进行沉淀处理,将其上层清液用锅炉蒸发;4)定期掏捞、清理沉淀池,将沉淀池中的固体沉淀物掺和到固体燃料中,一起焚烧。本发明安全环保处理污水,达到DDNP起爆药污水零排放,并且节约能源,对生产设备使用寿命没有影响。

标签:
固废
山东 - 淄博 来源:北方有色网 2023-03-19
利用脱硫废水制备融雪剂的系统、方法及应用

本发明涉及一种利用脱硫废水制备融雪剂的系统,包括絮凝池,所述絮凝池与离心机、砂滤罐、蒸发器、烘干机依次连接。可实现将脱硫废水中的盐分,转化为复合使用标准和光伏板化雪使用要求的融雪剂,避免了固废的形成和处理或影响粉煤灰等资源型固体物质的品质。

标签:
固废
山东 - 淄博 来源:北方有色网 2023-03-19
脱硫废水用于制备融雪剂并用于风机叶片化冰的方法

本发明属于污水处理领域,涉及脱硫废水用于制备融雪剂并用于风机叶片化冰的方法,并且基于本发明融雪剂制备工艺,可实现脱硫废水零排放过程,并对脱硫废水中的盐分建立合理的去向,包括有机物深度分离、重金属深度分离、浓缩蒸发、融雪剂制备等过程。本发明不仅将脱硫废水中的盐分,转化为融雪剂,避免了固废的处理或影响粉煤灰等资源型固体物质的品质。本发明所述融雪剂制备过程,较传统脱硫废水零排放工艺而言,具有更低的运行成本和占地面积,更为简化的工艺路线。因此该工艺不仅实现了当前脱硫废水处理过程中,盐分无合理化处理路线的问题,同时大幅简化了脱硫废水零排放工程建设,避免了固体废弃物的处置或影响其它资源型固体物质。

标签:
固废
山东 - 淄博 来源:北方有色网 2023-03-19
废纸回收用纸浆废水处理设备

本实用新型涉及一种废纸回收用纸浆废水处理设备,特别涉及废纸回收设备的技术领域,包括过滤箱,所述过滤箱两侧设置有固体容纳腔,所述过滤箱顶部设置有安装件,所述过滤箱顶部和安装件法兰连接,所述过滤箱底部设置有出水口,所述过滤箱内部安装有过滤件,所述过滤件为折叠过滤板,所述折叠过滤板包括多个单片的折叠板转动连接而成,所述折叠板的宽度大于过滤箱的宽度,安装于过滤箱内的所述折叠板的过滤空隙由上至下依次减小,本实用新型具有便于清洁过滤片的技术效果。

标签:
固废
山东 - 淄博 来源:北方有色网 2023-03-19
树脂砂轮烧结及废气处理装置

本发明涉及一种树脂砂轮烧结及废气处理装置,包括外护装置,外护装置内设有传送装置,传送装置上轴接设有驱动装置,驱动装置上电气连接设有控制装置;外护装置包括外壳,外壳内壁设有电热装置,外壳上设有进料口、出料口、排气罩,排气罩上设有补风嘴,并连通设有排气管、总排气管、送风机、换热器、尾气处理设备、增压风机、缓冲罐;传送装置包括限位机构,限位机构上设有支撑脚、同步轮、同步链,同步链上设有多圈环状结构的支撑机构,并通过限位机构实现各圈环状结构的升、降。本发明的一种树脂砂轮烧结及废气处理装置,重复利用烧结尾气的温度;吹扫防止废气中的固体颗粒高温聚集并堵塞;双面烧结,加快有害物质的气化,并且提高烧结效率高。

标签:
固废
山东 - 淄博 来源:北方有色网 2023-03-19
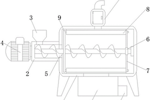
防止物料堆积的固体无机盐溶解反应过滤装置

本实用新型公开了一种防止物料堆积的固体无机盐溶解反应过滤装置,包括反应箱,反应箱一端的中心位置安装有进料管,进料管顶部远离反应箱的一端开设有倒料口。本实用新型,通过螺旋杆带动混合物匀速运输进入反应箱,能够防止混合物一次性倒入产生堆积,在下料过程中刮刀能够对反应箱的内壁进行刮动,并将反应箱底部的混合物扬起,能够有效减少反应箱内壁混合物粘连和堆积,活性炭板能够对混合物反应产生的废弃中的颗粒进行吸附,使排放至室外的空气达标,卡块卡入活性炭板上的卡槽能够使活性炭板固定,方便工作人员后期更换活性炭板,通过第二电机、圆盘和传动杆的配合使用,能够带动过滤板的一端抖动,使过滤出的残渣滚至回收箱中。

标签:
固废
山东 - 淄博 来源:北方有色网 2023-03-19
新型固体氯化剂(氯亚甲基)二甲基氯化铵的制备方法

本发明属于精细化工领域,涉及一种新型固体氯化剂(氯亚甲基)二甲基氯化铵的制备方法,是由等摩尔N,N-二甲基甲酰胺与氯化亚砜反应后减压脱除SO2制得。这是一种反应活性极高的氯化剂,能够完成SOCl2活性所不能完成的反应;本品中SO2≤0.5%,客户使用时基本无废气SO2产生,符合绿色环保要求;本公司是生产氯化亚砜的专业企业,生产本品时产生的SO2经回收套用于氯化亚砜的生产,实现循环经济;根据本发明生产的新型固体(氯亚甲基)二甲基氯化铵,活性氯含量≥99.0%,SO2≤0.5%,收率>95%。

标签:
固废
山东 - 淄博 来源:北方有色网 2023-03-19
低成本可回收CaO/Al<Sub>2</Sub>O<Sub>3</Sub>固体碱催化剂的制备方法

本发明公开了一种制备低成本、可回收利用、催化活性高的CaO/Al2O3固体碱催化剂的方法。使用废弃物水垢作为CaO的来源,与Al2O3混合,由于金属载体的相互作用,负载在载体上的CaO具有更好的分散性,即更有效的催化活性位点和更好的稳定性以及更好的抗中毒性。采用溶胶凝胶法制备催化剂,溶胶‑凝胶法能促进体系中金属氧化物的均匀混合。催化剂煅烧过程中,形成了惰性物质Ca5Al6O14,能有效抑制CaO的积聚,使其分散更加均匀,可以使得活性位点更加分散,催化效率更高,催化剂稳定性更高,且气体的存在有助于催化剂形成较大的孔径。该方法变废为宝,生产成本低,形成的催化剂催化效率高,可回收再利用,绿色环保。

标签:
固废
山东 - 淄博 来源:北方有色网 2023-03-19
固体酸催化剂及利用固定床生产石油树脂的方法

本发明公开固体酸催化剂及利用固定床生产石油树脂的方法,使用的固体酸催化剂,是经过固载成型适合于固定床使用的催化剂。与通常的固体酸催化剂相比,由于固体酸活性中心受到更好的保护,具有酸不容易脱落,使用寿命更长的特点。固定床的使用,使石油树脂的生产更加简化,无需过滤、碱洗,水洗过程,没有固体废料产生,有效地减少了环境污染。

标签:
固废
山东 - 淄博 来源:北方有色网 2023-03-19
低热值固体粉料燃烧装置

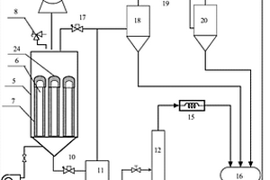
一种低热值固体粉料燃烧装置,它包括壳体以及固结在壳体端部的入料管,其结构特点是,壳体为中空的管状结构,入料管与壳体相连通,壳体连接有入料管的一端还设有用于提供助燃空气的风管装置、用于通入助燃剂的助燃剂输入装置以及用于点火的脉冲点火器,脉冲点火器位于壳体内的一端连有用于将助燃空气、助燃剂和固体粉料的混合物发散扩散在壳体的燃烧腔体内的分散帽。本实用新型采用PLC自动控制,助燃风和辅助燃料用量不需要人工干预;采用两次切向旋流助燃风助燃,燃烧稳定、高效,保证低热值物料自持燃烧。它可实现对煤泥、污泥等大宗固体粉料进行焚烧处置,并充分利用固体粉料的热值,实现固体废弃物的资源化利用。

标签:
固废
山东 - 淄博 来源:北方有色网 2023-03-19
以聚乙烯醇为粘结剂的牦牛粪固体成型燃料的制备方法

本发明属于生物质废弃物资源化利用技术领域,具体的涉及一种以聚乙烯醇为粘结剂的牦牛粪固体成型燃料的制备方法。新鲜牦牛粪经晾晒处理,然后于103‑107℃干燥至水分恒定;将干燥后的牦牛粪经粉碎、筛分,得到粒径为0.5‑2.5mm的粉碎牦牛粪;添加调质剂并搅拌均匀,得到调质牦牛粪;将调质牦牛粪与回收聚乙烯醇于搅拌机中搅拌均匀,得到成型原料;将成型原料于室温条件下投入成型机内压制成型得到以聚乙烯醇为粘结剂的牦牛粪固体成型燃料。本发明所述的以聚乙烯醇为粘结剂的牦牛粪固体成型燃料的制备方法,简单易行、操作简单、成本低;采用该方法制备的固体成型燃料,密度大、强度高、热值高,便于存储和使用。

标签:
固废
山东 - 淄博 来源:北方有色网 2023-03-19
用于制备5-羟甲基糠醛的酸碱双功能固体催化剂及其制备方法和应用

本发明涉及化工催化技术领域,具体涉及一种用于制备5‑羟甲基糠醛的酸碱双功能固体催化剂及其制备方法和应用。所述的酸碱双功能固体催化剂以胺基功能化的烷基咪唑离子液体为阳离子前驱体,以H3PW12O40杂多酸为阴离子前驱体,利用水热合成制得。然后将制备的酸碱双功能固体催化剂用于5‑羟甲基糠醛的制备。本发明不仅保留了离子液体和杂多酸的高催化活性,实现了固体催化剂内的酸碱协同催化,而且催化剂制备方便,用量少,稳定性好。本发明工艺简单、原料生物质糖选择范围宽、反应条件温和,三废排放量少,有利于实现生物质糖脱水制备HMF的工业化应用。

标签:
固废
山东 - 淄博 来源:北方有色网 2023-03-19
固体无铁硫酸铝生产系统

本实用新型涉及一种固体无铁硫酸铝生产系统,属于硫酸铝生产设备技术领域。本实用新型解决了现有固体无铁硫酸铝生产中存在的废气处理不完全、自动化程度不高的问题。本实用新型包括铝土矿石前处理,铝土矿石前处理的出料端连接反应釜,反应釜顶部通过管路与硫酸储罐相连通,反应釜通过顶部设置的废气排出管路与尾气冷凝回收装置相连,尾气冷凝回收装置后端连通尾气处理装置,反应釜的底部的出料端与压滤机相连通,压滤机的后部与干燥机相连,干燥机的底部与产品罐相连。

标签:
固废
山东 - 淄博 来源:北方有色网 2023-03-19
上一页 16 17 18 19 20 ... 40 下一页
共40页    到第

北方有色为您提供最新的山东淄博有色金属环境保护技术理论与应用信息,涵盖发明专利、权利要求、说明书、技术领域、背景技术、实用新型内容及具体实施方式等有色技术内容。打造最具专业性的有色金属技术理论与应用平台!

全国热门有色金属设备推荐
展开更多 +
全国热门有色金属技术推荐
展开更多 +

 

江西省隆恩特环保设备有限公司
宣传

报名参会
更多+

报告下载

有色专家
更多+

北方民族大学
院长/教授
西北稀有金属材料研究院宁夏有限公司
党委书记 / 董事长
太原理工大学
院长/教授
湖南有色金属研究院
教授级高工/原总工程师
中南大学
教授、博士生导师
赤泥综合利用研究报告2025
推广

热门技术
更多+

推荐企业
更多+

福建省金龙稀土股份有限公司
宣传

发布

在线客服

公众号

电话

顶部
咨询电话:
010-88793500-807