青岛垚鑫智能科技有限公司
宣传

位置:中冶有色 >

有色技术频道 >

> 加工技术

分类:
全部
矿山技术
冶金技术
材料制备及加工技术
环境保护技术
分析检测技术
 
全部
功能材料技术
复合材料技术
新能源材料技术
合金材料技术
加工技术
地区:
全部
北京
天津
上海
重庆
河北
山西
辽宁
吉林
黑龙江
江苏
浙江
安徽
福建
江西
山东
河南
湖北
湖南
广东
海南
四川
贵州
云南
陕西
甘肃
青海
内蒙
广西
西藏
宁夏
新疆
其他
其他
展开
 
全部
成都
自贡
攀枝花
泸州
德阳
绵阳
广元
遂宁
内江
乐山
南充
眉山
宜宾
广安
达州
雅安
巴中
资阳
阿坝藏族羌族自治州
甘孜藏族自治州
凉山彝族自治州

四川绵阳有色金属加工技术理论与应用

免费发布技术信息>>
高温干燥气体闭式循环超微粉碎干燥磷酸铁锂的方法及装置

本发明公开了一种高温干燥气体闭式循环超微粉碎干燥磷酸铁锂的方法及装置;本发明对生产磷酸铁锂的烧结系统、粉碎系统、包装系统进行全封闭处理,磷酸铁锂在烧结、粉碎、包装等工序中封闭输送;同时,本发明粉碎系统设置气流粉碎机,采用高温干燥气体为粉碎气源,对磷酸铁锂进行对喷流式瞬间烘干,使磷酸铁锂粉碎和烘干同时进行。本发明解决了磷酸铁锂生产过程中阶段性产品需要不断干燥的问题,节约了能源,降低了生产成本。

标签:
加工技术
四川 - 绵阳 来源:中冶有色网 2023-03-18
锂离子电芯组装用工装

本实用新型公开了一种锂离子电芯组装用工装,属于锂离子电池领域,提供一种装配效率高、装配一致性好、装配安全性高的锂离子电芯组装用工装,包括底座、定位台和基准柱,所述定位台设置在底座的一端,并且定位台上的定位面与底座的上表面形成“L”形的装配面;所述基准柱的一端安装在定位台的一侧,另一端延伸至底座上远离定位台的一端,并且定位面和上表面所形成的交线与基准柱垂直;在底座的上表面侧设置有电极定位孔。通过采用本实用新型可使锂离子电芯组装的装配效率提高,并且装配一致性更好,并可节约生产成本。

标签:
加工技术
四川 - 绵阳 来源:中冶有色网 2023-03-18
航空用大容量动力锂离子电池的一致性控制方法

本发明涉及航空用大容量动力锂离子电池。本发明针对现有技术难以对锂电池内各单体电池管理、均衡来保证各单体电池的一致性的缺点,提供航空用大容量动力锂离子电池的一致性控制方法,首先,系统对小容量锂离子电芯进行一致性筛选,筛选出一致的小容量锂离子电芯;然后,系统根据一致的小容量锂离子电芯容量的配组,将一致的小容量锂离子电芯组装成大容量动力锂离子电池。通过采用小容量的锂离子电池并联成大容量的单体锂电池,将锂电池组能量隔离成多个小单元,提高了锂电池组的安全性。适用于基于小容量锂离子电芯并联成航空用大容量动力锂离子电池的一致性控制方法。

标签:
加工技术
四川 - 绵阳 来源:中冶有色网 2023-03-18
新型柔性纤维状锂-二氧化碳气体电池及制备方法

本发明公开了一种新型柔性纤维状锂‑二氧化碳气体电池,所述新型柔性纤维状锂‑二氧化碳气体电池从里到外的结构组成分别是含锂线性负极、凝胶电解液、工作电极、多孔热缩管。本发明还提供了所述新型柔性纤维状锂‑二氧化碳气体电池的制备方法。本发明具有以下优点:本发明利用自支撑碳纳米材料薄膜及其复合物薄膜制备了新型柔性纤维状锂‑二氧化碳气体电池,原料成本低廉,制备过程简单,工艺可控性强。所制备的锂‑二氧化碳电池具有良好的电化学性能,在100mA/g电流密度下,500mAh/g的截止容量下可稳定循环10次以上。同时,该新型柔性纤维状锂‑二氧化碳气体电池具备优异的柔韧性,能在各种大变形条件下正常工作。

标签:
加工技术
四川 - 绵阳 来源:中冶有色网 2023-03-18
基于LED灯特性的多节锂电池均衡修复方法

本发明公开了基于LED灯特性的多节锂电池均衡修复方法,涉及锂电池均衡修复领域,包括锂电池,所述锂电池用于电动交通工具的动力单元,还包括以下修复方法:S1、取出锂电池;S2、分选信号线;S3、连接均衡修复工具;S4、执行均衡电压修复;S5、复原锂电池。本发明能够避免采用开关以及集成电路的复杂控制,使整个均衡处理过程变得更为简便,并且达到同样的均衡锂电池的效果;通过设置报警器,既可直观看出当前的电压值,也可以通过蜂鸣声提示均衡修复完成;有效降低了均衡修复工具的成本。

标签:
加工技术
四川 - 绵阳 来源:中冶有色网 2023-03-18
改性锂皂石及其制备方法

本发明公开了一种改性锂皂石,通过纳米改性混合液对锂皂石进行纳米结构化改性而制得的,具体包括如下步骤:(1)将溶解于水中的锂皂石进行纯化处理;(2)将十六烷基三甲基溴化铵溶液、镧离子盐溶液以及铈离子盐溶液加热混合反应得有机/无机混合镧系金属溶液;将可溶性金属铝溶液与可溶性金属锌溶液加热混合反应得混合过渡金属溶液;将有机/无机混合镧系金属溶液与混合过渡金属溶液加热混合反应得到纳米改性混合液;(3)将纳米改性混合液加入到纯化后的锂皂石悬浮液中充分反应,分离产物;(4)将产物冻结后真空干燥,高温烧结、研磨,得到改性锂皂石。本发明方法制备的改性锂皂石遇水不形成凝胶,易于吸附污染物后进行固液分离。

标签:
加工技术
四川 - 绵阳 来源:中冶有色网 2023-03-18
防水散热型锂电池
防水散热型锂电池 825     
 0

本实用新型公开了一种防水散热型锂电池,包括壳体,所述壳体内设有锂电池包,所述锂电池包外包裹有锂电池包安装套,所述锂电池包安装套包括内面层和吸水层,所述锂电池安装套的四壁上均与开设有若干组三角形的透气通孔,所述透气通孔相对于锂电池包呈内高外低的倾斜设置,所述透气通孔贯穿内面层和吸水层,所述壳体的四壁上设有外透气孔,所述外透气孔与透气通孔一一对应设置;本实用新型通过内面层和吸水层的设置,可将外部的水通过吸水层进行吸收,保证了锂电池包的干燥,同时通过透气通孔和外透气孔的设置,起到很好的散热效果,同时可以很好的避免外部的灰尘进入壳体内,保证了使用的效果,将透气通孔设置为三角形的方式可以有效保证整体装置的强度。

标签:
加工技术
四川 - 绵阳 来源:中冶有色网 2023-03-18
便于固定的锂电池组
便于固定的锂电池组 960     
 0

本实用新型公开了一种便于固定的锂电池组,包括充电盒,充电盒的右侧开设有配合槽,配合槽的内部固定安装有控制机构和固定机构,充电盒的顶部开设有方形槽。本实用新型通过设置充电盒、配合槽、控制机构、转轴、旋转杆、手柄、固定机构、挡板、弹簧、T型杆、方形孔、方形槽、卡槽、滑盖、卡块、锂电池、充电线、固定槽、半圆形槽、配合孔、滑块和滑槽的配合使用,解决了现有的锂电池组,不方便使用者对锂电池组进行固定,固定效果不够稳定,影响充电效率的问题,该便于固定的锂电池组,具备方便使用者对锂电池组进行固定,固定过程轻松,避免锂电池组来回晃动,从而影响充电效率的优点。

标签:
加工技术
四川 - 绵阳 来源:中冶有色网 2023-03-18
锂氧化物的离心制球方法和装置

本发明公开了一种核聚变包层中锂氧化物小球的离心制球方法,属于材料成型与控制技术领域;所述锂氧化物的离心制球方法包括如下步骤:将熔融态或浆料态的锂氧化物滴入或流入到旋转的轴盘上,锂氧化物在离心力作用下飞离轴盘形成小球,用冷媒对小球进行收集冷却固定成型;本发明的锂氧化物的制球工艺和装置,操作简单,具有普适性和经济性,适用于熔融法或湿法制备多种锂氧化物小球,其出料、成球速度快,避免出料口与小球成型装置的设计和加工难度,并通过调节锂氧化物的物料流量或/和轴盘的转速来灵活调节制球的产量与粒径,方便且高效,大大地提高了锂氧化物氚增殖剂小球的制备规模。

标签:
加工技术
四川 - 绵阳 来源:中冶有色网 2023-03-18
碳纳米管与磷酸亚铁锂复合正极材料的制备方法

本发明提供一种碳纳米管与磷酸亚铁锂复合正极材料的制备方法,属于能源材料制备领域。制备方法是将Fe、Ni催化剂、滑石粉与磷酸亚铁锂颗粒混合,高温下催化裂解碳源,在颗粒表面生长出碳纳米管,制备LiFePO4/CNT复合正极材料。本发明改善了磷酸亚铁锂的电子和离子电导率较低、大功率充放电时性能显著下降的缺点;本发明工艺简单、产物复合均匀,为锂电池提供一种新型正极材料,具有一定的应用前景。

标签:
加工技术
四川 - 绵阳 来源:中冶有色网 2023-03-18
航空锂电池组充电管理系统

本发明涉及蓄电池充电技术领域,公开一种航空锂电池组充电管理系统,用于提高航空锂电池组充电安全性并确保装机长航时能力。本发明包括锂电池组、连接器、充电单元、数据采集单元、中央处理器以及总线通讯单元;其中,充电单元与连接器相连接,锂电池组与连接器相连接,连接器与数据采集单元相连接,数据采集单元与中央处理器相连接,总线通讯单元与中央处理器相连接,系统采用恒流限压充电模式,配合充电控制保护策略,充电快速高效,热耗低,自然散热。本发明适用于航空锂电池组充电管理。

标签:
加工技术
四川 - 绵阳 来源:中冶有色网 2023-03-18
锂离子电池一致性的筛选方法

本发明公开了一种锂离子电池一致性的筛选方法,它包括:ⅰ)从被测组中随机选取数量为N的样本组,在25℃±5℃环境下,以0.2C~1C恒流放电至预设的放电终止电压,搁置一段时间;ⅱ)再以0.2C~1C的恒流充至预设的充电终止电压,转恒压充电至电流降为0.05C,记录容量数据,并求取相应的均值ⅲ)使用测试仪测其开路电压,获得Ui, (i=1,2,……N),并求取相应的均值ⅳ)进行置信区间计算:ⅴ)根据置信区间对本批次电池进行配组筛查,将位于置信区间内的电池配对成组。本发明在筛选过程中,综合考虑内阻、容量,以及测试环境的温湿度等多项因素,提高了锂电池组的使用寿命。

标签:
加工技术
四川 - 绵阳 来源:中冶有色网 2023-03-18
基于集成学习的锂电池剩余使用寿命预测方法及系统

本发明公开了一种基于集成学习的锂电池剩余使用寿命预测方法及系统,属于装备综合保障的剩余使用寿命预测技术与计算科学交叉领域,解决现有技术采用单一的机器学习算法很难精确预测锂电池的剩余使用寿命的问题。本发明对获取的锂电池的原始数据进行转换,转换后得到时间序列数据集,其中,原始数据是指某块锂电池随时间周期的充放电数据;基于时间序列数据集训练多个基本学习器;基于遗传算法集成训练后的多个基本学习器,得到集成模型;将待预测的锂电池的时间序列数据输入集成模型进行预测,得到锂电池的剩余使用寿命。本发明用于锂电池的剩余使用寿命预测,也可推广应用于其他单部件以及装备系统剩余使用寿命预测。

标签:
加工技术
四川 - 绵阳 来源:中冶有色网 2023-03-18
纳米氟化锂/铁酸镍阴极材料复合物及其制备方法

本发明公开了一种纳米氟化锂/铁酸镍阴极材料复合物及其制备方法,包括氟化锂和铁酸镍,所述的氟化锂和铁酸镍摩尔比为1:1‑1:5,通过将氟化锂与铁酸镍材料研磨按比例混合后压片制成脉冲激光沉积所用的靶,激光器产生的脉冲激光波经透镜聚焦后入射至所述靶上,在氩气气氛中沉积得到氟化锂‑铁酸镍纳米复合物薄膜。本发明纳米复合物膜材料的厚度为0.1‑2μm,可直接制成锂离子电池薄膜电极,该薄膜制成的电极具有良好的充放电循环可逆性,首次比容量为200‑300mAh/g,可逆比容量为250mAh/g,电极经50次循环后容量仍有200mAh/g。且具有化学稳定性好、比容量高、制备方法简单的特点,适用于锂离子电池。 1

标签:
加工技术
四川 - 绵阳 来源:中冶有色网 2023-03-18
基于钛酸锂电池的电梯能量回收系统

本实用新型公开了一种基于钛酸锂电池的电梯能量回收系统,包括:与系统控制主板通信连接以实现能量回收的第一BUCK降压电路;串联设置在第一BUCK降压电路的输出端上用于储能的钛酸锂电池组S1;对S1输出的基准电压进行辅助调整的第二BUCK降压电路;其中,在第二BUCK降压电路中,通过与所述钛酸锂电池组一端串接的电容C1实现基准电压的稳定,以使得与钛酸锂电池组连接的直流母线电压抬高并稳定在一预定电压值范围内。本实用新型提供一种基于钛酸锂电池的电梯能量回收系统,其通过将储能单元储能器件的串数降低到现有电梯能量回收系统方案的一半以下,从而达到降低系统成本的目的。

标签:
加工技术
四川 - 绵阳 来源:中冶有色网 2023-03-18
多节一次性锂电池组保护电路

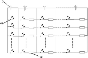
一种多节一次性锂电池组保护电路,包括若干并列的锂电池组,每个所述锂电池组包括串联的多个锂电池,每个所述锂电池组的正极均串联有保护二极管,所述保护二极管的阳极与对应的锂电池组的正极连接;每节所述锂电池均并联有旁路二极管,所述旁路二极管的阳极与对应的锂电池的负极连接,所述旁路二极管的阴极与对应的锂电池的正极连接;解决了锂电池组因部分锂电池故障导致的电池互冲的问题和锂电池组缺少自动排除故障电池功能的问题。本实用新型能够防止故障锂电池组之间互相充电,实现电路的自我恢复,结构简单且电路的物料成本低。

标签:
加工技术
四川 - 绵阳 来源:中冶有色网 2023-03-18
液相制备纳米氟化锂的方法

本发明涉及一种液相制备纳米氟化锂的方法,该发明以氢氧化锂和氟化铵为原料,常温下,将两者溶于有机溶剂中,在有机溶剂液相中反应形成纳米氟化锂;待原料反应完全,将溶液离心,取沉淀经过烘干作为前驱体;前驱体经过加热反应以及去除杂质后得到高纯度纳米氟化锂产品。本发明的方法生产工艺简单、生产成本低、对设备的要求较低,操作安全,可以在较低的温度下制备纳米级氟化锂;制备的产品氟化锂为纳米级,粒径尺寸分布均匀,样品颗粒饱满、形貌良好。

标签:
加工技术
四川 - 绵阳 来源:中冶有色网 2023-03-18
锂离子蓄电池集流板
锂离子蓄电池集流板 940     
 0

本实用新型公开了一种锂离子蓄电池集流板,涉及锂离子蓄电池领域,提供一种能够散出锂离子蓄电池内部热量的锂离子蓄电池集流板。锂离子蓄电池集流板包括集流体、集流体凸台和集流柱,集流体凸台设置在集流体的外表面上,集流柱设置在集流体凸台上,还包括散热结构,散热结构连接在集流体的外表面上。在集流体的外表面上设置散热结构,大大提高了集流板的散热能力。锂离子蓄电池内部热量传递给集流体再传递给散热结构,即可向外散发。可见本实用新型利于降低锂离子蓄电池内部温度,在一定程度上提高了锂离子蓄电池在高温、大倍率、长时间供电条件下的可靠性,保证锂离子蓄电池的寿命、安全性、可靠性。

标签:
加工技术
四川 - 绵阳 来源:中冶有色网 2023-03-18
锂离子电池组复合电化学极化模型的构建方法

本发明公开了一种锂离子电池组复合电化学极化模型的构建方法,包括:S1,建立锂离子电池组的等效电路模型;S2,基于基尔霍夫电路定律,构建所述等效电路模型的状态空间方程式;S3,根据所述等效电路模型的状态空间方程式,计算锂离子电池组在k时刻的闭路电压UL(k)的离散式子;S4,采用最小二乘法求解锂离子电池组在k时刻的闭路电压UL(k)的离散式子中需要辨识的参数。本发明通过综合考虑表征准确度和计算复杂度,结合不同等效电路模型的优点,实现了锂离子电池组工作状态的准确描述。

标签:
加工技术
四川 - 绵阳 来源:中冶有色网 2023-03-18
高低温性能兼顾高功率的锂离子电池

本发明公开了一种高低温性能兼顾高功率的锂离子电池。该电池包括负极极片和复合电解液,所述负极极片包括负极集流体和附着于负极集流体上的负极膜片;所述负极膜片由含有负极活性物质的基础层和主要由非晶态V2O5、导电材料、陶瓷填料混合制成的多孔层所构成。所述复合电解液由电解质锂盐、基础溶剂和功能添加剂组成;所述电解质锂盐主要成分为六氟磷酸锂;所述功能添加剂是由碳酸亚乙烯酯、1, 3-丙烷酸内酯、亚硫酸乙酯、氟代碳酸乙烯酯、乙酸甲酯五种有机化合物组成。本发明多孔层有利于提升电池的倍率性能;本发明复合电解液兼顾高低温放电性能,从而可使电池在-55℃到70℃的温度范围内正常工作,且具有较高的功率性能。

标签:
加工技术
四川 - 绵阳 来源:中冶有色网 2023-03-18
硼氢化锂的合成方法
硼氢化锂的合成方法 961     
 0

本发明公开了一种硼氢化锂的合成方法,目的在于解决现有硼氢化锂的制备方法存在工艺复杂、合成条件苛刻等缺点的问题,该方法包括如下步骤:在保护气氛中,将氢化锂、二硼化镁、催化剂按配比混合后,进行球磨处理,得球磨后的产物;将球磨后的产物进行吸氢反应,得到硼氢化锂和氢化镁的混合物,记为反应产物;将反应产物中的氢化镁、硼氢化锂分离,即得硼氢化锂。本发明解决了传统方法制备硼氢化锂时存在的工艺复杂、合成条件苛刻、产物纯度低等缺点。本发明方法简单、反应条件温和、反应时间短、合成出的LiBH4的产率和纯度高。同时,本发明能够缩短LiBH4的生产周期,降低生产成本,实现硼氢化锂的大规模、工业化生产,促进硼氢化锂的应用具有重要意义。

标签:
加工技术
四川 - 绵阳 来源:中冶有色网 2023-03-18
三元锂陶瓷微球的聚合成型制备方法

本发明提供了一种三元锂陶瓷微球的聚合成型制备方法。其特点包括:以高分子单体、交联剂、引发剂和催化剂等聚合成交联的网状大分子支撑骨架,并起到一定粘结作用,将固相反应物紧紧粘结在一起形成陶瓷微球前驱体;将已成型的微球在一定温度下焙烧一定时间,使其发生固相反应完全生成三元锂化合物,形成陶瓷微球坯体;高温煅烧、烧结,将微球坯体陶瓷化,得到三元锂陶瓷微球。本发明的制备方法中固体原料是制备三元锂陶瓷微球的固体反应物原料,但也可以适用三元锂陶瓷粉体。本发明的制备方法成型工艺简单,成本低,陶瓷微球的球形度好,具有良好的内部孔道结构,微球粒径可控,粒径分散性好,具有高的表观密度、高相纯等特点。

标签:
加工技术
四川 - 绵阳 来源:中冶有色网 2023-03-18
气液交换式液态锂铅合金鼓泡器

本发明公开了一种气液交换式液态锂铅合金鼓泡器,属于聚变反应堆液态包层技术领域。气液交换式液态锂铅合金鼓泡器含有主回路系统和辅助系统两部分。主回路系统包括锂铅饱和器、填料塔、锂铅收集器、气体回路和液态流路。辅助系统包括测量-控制系统和真空系统。本发明的气液交换式液态锂铅合金鼓泡器设置有填料塔,氢同位素饱和后的锂铅合金熔体经多孔分散器后,自上而下流经不锈钢填料,与自下而上的载带气发生交换。氢同位素提取效果明显,氢同位素在液态锂铅中的溶解度测量准确,高温密封性能良好,杂质不易堵塞。

标签:
加工技术
四川 - 绵阳 来源:中冶有色网 2023-03-18
土壤中活动态锂的浸提方法

本发明提供一种土壤中活动态锂的浸提方法,包括以下步骤:步骤1:采集土壤,获得‑200目或‑60目粒级的土壤组分用于活动态锂的浸提;步骤2:取步骤1得到的土壤按照1:5‑1:15的固液比加入硫酸钾浸提剂,摇匀后放入恒温振荡器,在20‑25℃,150‑200r/min浸提10‑72h;步骤3:将浸提液过0.45μm微孔滤膜,测定滤液中锂的浓度来计算土壤样品中活动态锂的含量;步骤4:根据土壤样品中活动态锂的含量指示隐伏锂矿体。本发明采用硫酸钾溶液浸提表层土壤中的活动态锂,其所形成的地球化学异常能够有效指示深层隐伏锂矿体,对于我国锂矿产资源勘探具有重要意义,同时此浸提方法大大降低了活动态锂的浸提成本,且操作简便。

标签:
加工技术
四川 - 绵阳 来源:中冶有色网 2023-03-18
基于远程断电和带主动均衡的锂电池及工作方法

本发明公开了一种基于远程断电和带主动均衡的锂电池及工作方法,具体涉及电池管理技术领域。本发明包括锂电池组、电压采集模块、温度采集模块、电池选通矩阵、双向DC‑DC模块、超级电容、主控MCU模块、蓝牙模块和GPS定位模块,电压采集模块和温度采集模块的输出端均与MCU模块连接,蓝牙模块和GPS定位模块均与MCU模块连接,锂电池组包括n个单体电池,通过高压单体电池对超级电容进行恒流充电,再选低压单体电池进行放电,实现了主动均衡的目的。本发明还提供一种锂电池的均衡方法,通过这种均衡方法可以保证能量转移都是取最高的补最低的,避免了无效充放电循环,能够延长锂电池的寿命。

标签:
加工技术
四川 - 绵阳 来源:中冶有色网 2023-03-18
利用锂辉石浮选尾矿制备免烧地聚物材料的方法

本发明公开了一种利用锂辉石浮选尾矿制备免烧地聚物材料的方法,包括以下步骤:(1)按重量百分比称取75~80%锂辉石浮选尾矿和20%~25%的活性调节剂;(2)向步骤(1)的原料中添加占原料总重量30~50%的增强剂,混合均匀;(3)加入模数为3.3、质量浓度40%的硅酸钠溶液,并搅拌至稀泥状,所述硅酸钠溶液的加入量为锂辉石浮选尾矿重量的40%;(4)将步骤(3)所得物进行常压注模成型;(5)将步骤(4)所得物采用烘干装置进行烘干,取出后自然冷却至室温,制得锂辉石浮选尾矿免烧地聚物材料。本发明方法制备了力学性能优异的免烧地聚物材料,节省了高温烧结制备材料的能耗,同时锂辉石浮选尾矿的利用率高。

标签:
加工技术
四川 - 绵阳 来源:中冶有色网 2023-03-18
废动力锂电池的回收处理方法

本发明涉及一种废动力锂电池的回收处理方法,其包括如下步骤:a、将废动力锂电池进行拆解,得到单体电芯;b、将单体电芯进行放电处理;c、将单体电芯通过破碎机破碎,得到破碎电芯体,喷水装置对单体电芯及破碎电芯体进行喷淋,喷淋对产生的六氟磷酸锂进行喷淋处理,减少有害气体的排放,保护环境;d、将破碎电芯体加入搅拌釜中通水搅拌处理,得到悬浮液;e、将悬浮液经过抽滤、蒸干处理,实现钴酸锂的回收;f、将破碎电芯体通过螺旋输送机输送至清洗釜中;g、将清洗釜中的破碎电芯体进行搅拌清洗,实现铜、铝有色金属的回收利用。可见,本发明的动力锂电池的回收处理方法简单、方便实施、回收效率高,利于推广。

标签:
加工技术
四川 - 绵阳 来源:中冶有色网 2023-03-18
航空用大容量动力锂离子蓄电池

本发明涉及蓄电池,特别涉及锂离子蓄电池,目的是为了解决现有软包装聚合物锂离子电池容易被损伤引发安全事故以及输出极端在飞机的振动及冲击等苛刻机械环境下会断裂的问题。本发明的航空用大容量动力锂离子蓄电池,包括电池壳及小容量动力型锂离子电池,小容量动力型锂离子电池位于电池壳内部,电池壳内有空隙,电池壳内的空隙填充有填缝剂,填充剂填满电池壳内的空隙。本发明适用于蓄电池。

标签:
加工技术
四川 - 绵阳 来源:中冶有色网 2023-03-18
锂离子电池组等效模型构建方法

本发明涉及一种锂离子电池组等效模型构建方法,属于新能源测控领域。该方法针对锂离子电池组工作状态描述目标,提出并构建了一种针对性等效模型(S‑ECM,Special Equivalent Circuit),通过对电池不同效应的模拟,实现了锂离子电池组的工作过程的准确数学表达;该方法在一阶RC等效基础上,增加并联电阻以表征自放电效应,引入串有反向二极管的电阻并联回路以表征充放电内阻差异,增添并联电容以表征表面效应,全面准确地表征锂离子电池组的工作过程;该方法在充分考虑锂离子电池成组工作基础上,结合S‑ECM模型构建,融入状态空间方程数学描述,利用工作特性实验分析进行状态参数辨识,实现对锂离子电池组的有效状态空间数学描述。

标签:
加工技术
四川 - 绵阳 来源:中冶有色网 2023-03-18
航空用锂电池散热系统

本实用新型公开了航空用锂电池散热系统,包括导热板组、散热器和冷却管路;冷却管路与冷却液源连通后连通在导热板组和散热器之间形成循环管路;导热板组由多个间隔排列的导热板组成,冷却管路分支成多个与导热板一一对应的冷却支管,冷却支管与相对应导热板连接后再与冷却管路连通。本实用新型通过导热板组、散热器和冷却管路组成一个锂电池的散热循环管路;本实用新型采用多个导流板与冷却管路分支的冷却支管进行配合,极大提高了冷却液进行热交换的面积,可以有效提高散热效果;本实用新型解决了锂电池组热量散发的问题,使航空用锂电池的工作温度得到有效控制,延长了锂电池的使用寿命、性能衰减速度得到有效控制、保证了锂电池工作的安全性。

标签:
加工技术
四川 - 绵阳 来源:中冶有色网 2023-03-18
上一页 13 14 15 16 17 下一页
共17页    到第

中冶有色为您提供最新的四川绵阳有色金属加工技术理论与应用信息,涵盖发明专利、权利要求、说明书、技术领域、背景技术、实用新型内容及具体实施方式等有色技术内容。打造最具专业性的有色金属技术理论与应用平台!

全国热门有色金属设备推荐
展开更多 +
全国热门有色金属技术推荐
展开更多 +

 

江西省隆恩特环保设备有限公司
宣传

报名参会
更多+

报告下载

有色专家
更多+

有研科技集团有限公司
中国工程院 院士
郑州大学
校长/党委书记
北京科技大学
主任/教授
辽宁忠旺集团
教授级高工
重庆大学
副院长/教授
赤泥综合利用研究报告2025
推广

热门技术
更多+

推荐企业
更多+

福建省金龙稀土股份有限公司
宣传

发布

在线客服

公众号

电话

顶部
咨询电话:
010-88793500-807