青岛垚鑫智能科技有限公司
宣传

位置:中冶有色 >

有色技术频道 >

> 加工技术

分类:
全部
矿山技术
冶金技术
材料制备及加工技术
环境保护技术
分析检测技术
 
全部
功能材料技术
复合材料技术
新能源材料技术
合金材料技术
加工技术
地区:
全部
北京
天津
上海
重庆
河北
山西
辽宁
吉林
黑龙江
江苏
浙江
安徽
福建
江西
山东
河南
湖北
湖南
广东
海南
四川
贵州
云南
陕西
甘肃
青海
内蒙
广西
西藏
宁夏
新疆
其他
其他
展开
 
全部
南宁
柳州
桂林
梧州
北海
崇左
来宾
贺州
玉林
百色
河池
钦州
防城港
贵港

广西南宁有色金属加工技术理论与应用

免费发布技术信息>>
无人机锂电池集中充电安全管理柜及充电控制方法

本发明公开了一种无人机锂电池集中充电安全管理柜及充电控制方法,所述集中充电管理柜包括柜体和门体,在柜体的内设置有充电管理控制模块,在柜体的内且位于充电管理控制模块的下方水平设置有相对可抽拉的相同和/或不同类型的多层充电抽屉,在每层充电抽屉内设置有充放电控制单元和用于放置锂电池的充电放置口,每个充放电控制单元与所述充电管理控制模块电气连接。并公开了充电控制方法,读取每个充电位上锂电池的电量数据,并对锂电池按照电量大小进行排序,然后比较每个锂电池的当前电量的大小,根据当前电量向锂电池发出充电或放电控制信号。本发明能实现多组电池进行无人自动充放电管理控制。

标签:
加工技术
广西 - 南宁 来源:中冶有色网 2023-03-18
用于高极压条件的石墨烯锂基润滑脂及其制备方法

本发明公开了一种用于高极压条件的石墨烯锂基润滑脂,按质量百分比由以下成分构成:石墨烯0.001~0.5%、分散剂0.01~2.5%、抗磨剂1.5~2.5%、防锈剂1~1.5%、抗氧剂1~1.5%、润滑剂10~20%、稠化剂5~15%、皂化剂1~1.5%、其余为基础油。本发明还公开了上述石墨烯锂基润滑脂的制备方法。本发明的石墨烯锂基润滑脂具有优异的润滑和极压性能和高滴点,而且不含有环保法限制使用、排放的元素,是一种高性能、环保的润滑脂。

标签:
加工技术
广西 - 南宁 来源:中冶有色网 2023-03-18
基于灰色粒子滤波的锂离子电池剩余寿命预测方法

本发明涉及一种基于灰色粒子滤波的锂离子电池剩余寿命预测方法,能够利用较少数据量进行老化建模,准确估计电池容量状态,提高电池寿命预测的准确度。包括步骤:首先提取预测所需的电池容量数据为样本数据输入到灰色预测模型,计算锂离子电池容量衰减的灰色发展系数a,并以此建立锂离子电池容量在老化过程中的状态转移方程和观测方程;然后利用粒子滤波算法跟踪并更新电池容量状态变化;最后在预测开始时,根据灰色发展系数,外推每个粒子容量随循环次数的变化值,根据每个粒子的权重预测电池剩余寿命并给出概率密度分布。

标签:
加工技术
广西 - 南宁 来源:中冶有色网 2023-03-18
纳米锂离子电池活性电极材料前驱体的制备方法及应用

本发明提供一种纳米锂离子电池活性电极材料前驱体产品的制备方法,制备方法采用有机溶剂法,将锂源化合物和其它金属源化合物,在加碳源化合物或不加碳源化合物的条件下,在有机溶剂中混合,加温反应一定时间后停止反应,分离有机溶剂,干燥即得所述前驱体。该法所制备的电极材料前驱体具有生产工艺简单,安全,成本低的特点;所得前驱体的是一种颗粒分布均匀的纳米粉体。由此纳米前驱体经过锻烧得到的电极材料性能优良,这些性能包括高容量、高倍率以及较长的循环寿命。

标签:
加工技术
广西 - 南宁 来源:中冶有色网 2023-03-18
具有高能量、防爆功能的磷酸铁锂电池系统

本发明公开一种具有高能量、防爆功能的磷酸铁锂电池系统,包括:磷酸铁锂电池组,包括若干个磷酸铁锂电池;防爆电池盒,包括盒盖、内盒和外盒;所述内盒之间设有若干个隔断,每个隔断内安装有一个磷酸铁锂电池;所述内盒固定安装于外盒内;所述每个隔断内设有第一压强传感器;设于每个隔断上之间的内盒上设有连通外盒的排气通道;所述排气通道上设有防爆装置;所述内盒内设有热敏电阻;所述外盒内设有第二压强传感器、温度传感器、处理器、接触开关、电源模块、若干个消防材料喷罐和消防灭火反馈器;所述消防材料喷罐上设有用于打开消防材料喷罐喷出消防材料的电磁阀;电池管理系统,安装在盒盖内的顶部,所述磷酸铁锂电池分别连接电池管理系统。

标签:
加工技术
广西 - 南宁 来源:中冶有色网 2023-03-18
双余度锂电池充放电保护电路

本发明涉及电池技术领域,具体而言,涉及一种双余度锂电池充放电保护电路。该方法包括:两个锂电池保护模块;每一组锂电池都接到两个保护模块;一个逻辑模块;一个指示模块;逻辑模块连接两个保护模块、控制模块和指示模块;控制模块连接逻辑模块、电池负极、保护板负极。本发明提供的方法,只有当两个保护模块都判定锂电池组电压在正常范围,逻辑模块才会输出控制信号接通控制模块,这时电池组才可进行充、放电,从而对锂电池起到保护作用。

标签:
加工技术
广西 - 南宁 来源:中冶有色网 2023-03-18
基于机器视觉的聚合物软包锂电池底角检测装置

本实用新型涉及一种基于机器视觉的聚合物软包锂电池底角检测装置,包括:图像采集装置、锂电池固定运输装置和主体结构,所述的图像采集装置、锂电池固定运输装置均位于主体结构上端,主体结构包括支柱、环形支撑座、圆形底板和L型连接件,所述的圆形底板下端对称设置有四个支柱,所述的圆形底板与环形支撑座之间通过L型连接件相连接图像采集装置包括CCD相机和支持架,所述的主体结构用于支撑本实用新型的装置,图像采集装置用于采集聚合物软包锂电池底角的图像供计算机识别、处理和判断。本实用新型解决了现有聚合物软包装锂电池底角需要人工肉眼检测、检测效率低等难题,实现了聚合物软包锂电池底角的自动检测功能。

标签:
加工技术
广西 - 南宁 来源:中冶有色网 2023-03-18
石墨烯锂电池材料及其制备方法

本发明公开了一种石墨烯锂电池材料及其制备方法,所述电池材料包括以下重量份数的原料:钛酸锂100份、石墨烯3‑6份、粘结剂0.5‑2份、稀土化合物0.5‑1.5份、分散剂2‑5份、消泡剂1‑3份和有机溶剂30‑50份。本发明制备的石墨烯锂电池,可将石墨烯与其他组分进行很好的混合分散,各组分的相容性好,电池具有电容量大、导电性能优异、使用寿命长、充电放电过程中不发热等优点,制备工艺简单、容易实现工业化生产,具有较好的经济效益和社会效益。

标签:
加工技术
广西 - 南宁 来源:中冶有色网 2023-03-18
基于单片机的锂电池充电控制电路

本实用新型公开的一种基于单片机的锂电池充电控制电路,包括电源电路、单片机模块、继电器电路、锂电池接口模块、A/D转换模块、显示模块、太阳能接口模块,电源电路输出端与单片机模块、继电器电路、锂电池接口、A/D转换模块、显示模块分别连接,单片机模块与继电器电路、锂电池接口模块、A/D转换模块、显示模块、太阳能接口模块分别连接,本系统采用模块化的“C”源代码和极紧凑的汇编代码;具有低成本的制造、支持多数电池类型、快速充电算法、可选的串行接口、充电参数易修改、片内EEPROM可用于存储电池信息等功能。

标签:
加工技术
广西 - 南宁 来源:中冶有色网 2023-03-18
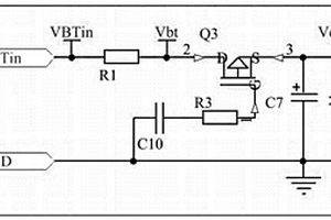
锂电池充放电电路以及LED灯控制装置

本实用新型公开了一种锂电池充放电电路以及LED灯控制装置,该电路包括第一电阻、第二PMOS管、第三电阻、第十电容、第七电容以及第三电容;所述第一电阻的另一端与第二PMOS管的漏极连接,所述第二PMOS管的源极分别与第七电容的正极和第三电容的一端连接,栅极与第三电阻的一端连接,所述第三电阻的另一端与第十电容的一端连接;所述第十电容的另一端、第七电容的负以及第三电容的另一端均接GND端。该装置包括MCU处理电路以及上述锂电池充放电电路。本实用的锂电池充放电电路具有基于MOS管的防反接保护电路,不仅功耗小,而且可避免发生器件损坏,甚至烧掉的情况。本实用新型作为一种锂电池充放电电路以及LED灯控制装置可广泛应用于LED控制领域中。

标签:
加工技术
广西 - 南宁 来源:中冶有色网 2023-03-18
锂电池涂油机构
锂电池涂油机构 1004     
 0

本实用新型公开了一种锂电池涂油机构,属于锂电池加工设备技术领域。该锂电池涂油机构包括操作平台,操作平台上端安装有安装架,操作平台安装有链条输送机,链条输送机的表面安装有安装网板。通过密封机构与回收机构的配合使用,当链条输送机将带有锂电池的安装网板输送至密封桶的正下方后,伺服电机可通过齿轮和链条和双向丝杠同时带动密封桶和引导斗与安装网板相抵触,使得密封桶、安装网板和引导斗配合密封锂电池,实现均匀涂油,即使高压喷涂机将油喷到密封桶的内部或安装网板的表面,油也会顺着引导斗被收集到收集箱中,可以除去多余的油液,避免多余油液对后续工艺的影响,不仅降低油被浪费的概率,还能够降低锂电池涂油的成本。

标签:
加工技术
广西 - 南宁 来源:中冶有色网 2023-03-18
基于埃尔米特插值法的锂离子电池开路电压曲线拟合方法

本专利公开了一种基于埃尔米特插值法的锂离子电池开路电压曲线拟合方法。该方法在实验获取锂离子电池开路电压(OCV)和荷电状态(SOC)的情况下,插值拟合OCV随SOC变化曲线,实现精确的OCV随SOC变化的映射关系。具体来说,该方法首先对满充的锂离子电池采用间隔放电法进行开路电压特性实验,获取部分插值节点数值,其次利用三次埃尔米特插值法依次对相邻两个节点进行插值,获得多个含有未知微商值的开路电压插值函数,最后通过选取边界条件,求解插值函数中的微商值,建立完整的开路电压曲线。本发明能够精确描述OCV随SOC变化的映射关系,对锂离子电池的SOC估算和容量筛选等问题具有重要的意义。

标签:
加工技术
广西 - 南宁 来源:中冶有色网 2023-03-18
智能锂电池包及电动工具

本实用新型涉及锂电池应用技术领域,具体公开了一种智能锂电池包及电动工具,其中智能锂电池包包括壳体、设于壳体内的锂电池组和电池控制板。电池控制板包括:机器识别电路、放电电路、主控制器及连接座,所述机器识别电路连接所述主控制器,所述放电电路分别连接所述主控制器和所述锂电池组,所述机器识别电路和放电电路分别连接所述连接座。当锂电池包连接电动工具,电池通过机器识别功能识别出电动工具的类型,然后内部的控制板根据对应的机器类型输出对应的控制模式,从而使得一个智能锂电池包能够自动匹配不同的电动工具。

标签:
加工技术
广西 - 南宁 来源:中冶有色网 2023-03-18
高压固态锂电池及其制备方法

本发明公开了一种高压固态锂电池及其制备方法,包括负极板、正极板、正极材料、负极材料和电解质;所述正极材料为富锂锰基材料,所述负极材料包括石墨、中间相炭微球和硅碳负极的一种或多种混合;所述电解质由聚合物基体、锂盐、无机固态填料和高压功能添加剂组成;所述高压功能添加剂由环状磷酸酯、甲基丙烯基聚氧乙烯醚和月桂基羧甲基钠型咪唑啉醋酸盐组成。本发明在电解质中加入高压功能添加剂,可提高正电极的离子传导能力,同时可避免电解质与富锂锰基材料高电压正极材料之间的副反应,有效保证了高压锂电池的循环稳定性能,还能够抑制锂枝晶生长造成的短路问题,有效减小界面电阻,实现在高倍率下能够稳定循环,安全性好,使用寿命长。

标签:
加工技术
广西 - 南宁 来源:中冶有色网 2023-03-18
纳/微结构磷酸锰锂/碳复合正极材料的制备方法

本发明公开了一种纳/微结构磷酸锰锂/碳复合正极材料的制备方法。该制备方法将锂化合物、锰化合物、磷化合物、碳源和配位剂溶解或分散到水中,然后在搅拌下用浓硝酸或者浓氨水调节溶液pH值得到溶胶;将得到的溶胶喷雾干燥后得到微米级多孔前驱体粉末;将前驱体粉末在惰性气氛或还原性气氛中热处理后得到纳/微结构磷酸锰锂/碳复合正极材料。本发明采用溶胶-喷雾干燥法既能避免模板法制备纳/微结构电极材料工艺复杂、成本高的不足,又可避免水热法对高压的要求,易于实现工业化生产。根据本方法制备的纳/微结构磷酸锰锂/碳复合正极材料的放电比容量高,循环稳定性好。

标签:
加工技术
广西 - 南宁 来源:中冶有色网 2023-03-18
高纯六氟磷酸锂的制备方法

本发明公开了一种高纯六氟磷酸锂的制备方法,包括五氟化磷的制备,高纯氟化锂的制备以及六氟磷酸锂的合成三个步骤,通过精确控制原料纯度、用量以及反应条件,制备出高纯度的五氟化磷和氟化锂,二者在密闭条件下进行反应即可得到高纯六氟磷酸锂。在反应的过程中,通过控制氯气、氟化氢气体相对PCl3均过量,可以有效提高五氟化磷的产率,降低生产成本;将氟化锂在氮气保护下在电阻炉中加热,促使未反应的硝酸铵完全分解成气体并释放,有利于中间产物氟化锂纯度的提高,进而提高产物的纯度。本发明制备方法简单易控,对生产设备要求低,得到的产物六氟磷酸锂纯度高,是一种优良的锂电池电解质材料,是一种具有广阔前景的制备方法。

标签:
加工技术
广西 - 南宁 来源:中冶有色网 2023-03-18
多元素掺杂改性的碳包覆锂离子电池正极材料的制备方法

本发明公开了一种多元素掺杂改性的碳包覆锂离子电池正极材料的制备方法,包含以下操作:将锂离子电池正极材料粉末、有机碳源溶于水中,锂离子电池正极材料粉末与有机碳源的质量比为1:0.05~0.08,经后续处理后,在惰性气氛下500~1000℃煅烧5~12h,得到多元素掺杂改性的碳包覆锂离子电池正极材料。本发明方法制备所得多元素掺杂改性的碳包覆锂离子电池正极材料比容量高、循环性能好、重复性高、加工性能优良,能够满足实际生产中对高储能器件的需求。

标签:
加工技术
广西 - 南宁 来源:中冶有色网 2023-03-18
锂电池的太阳能路灯
锂电池的太阳能路灯 771     
 0

本实用新型公开了一种锂电池的太阳能路灯,涉及太阳能应用技术领域,包括太阳能电池板、灯杆、灯架、灯罩、锂电池组、太阳能控制器;所述太阳能电池板呈一角度安装在灯杆顶端,所述灯架的一端穿过灯杆固定在灯杆上端,另一端与灯罩固定连接,所述灯罩上安装有灯管;所述太阳能控制器分别与太阳能电池板、灯管、锂电池连接;所述锂电池组设置在灯杆底部内;所述锂电池组外设有电池壳和铝盖板;所述铝盖板内设置有多层防爆膜;所述电池壳和铝盖板外侧设有防水层。本实用新型节能环保,能保证路灯的高效、安全使用,且固定可靠、占用空间小。

标签:
加工技术
广西 - 南宁 来源:中冶有色网 2023-03-18
改善水系磷酸铁锂电池正极片的制造方法

本发明提供一种改善水系磷酸铁锂电池正极片的制造方法,属于锂电池技术领域,将浆料和水性分散剂按一定比例混合并放入特制的砂磨装置中,采用3段式高速球磨工艺并固定时间循环,浆料固体颗粒则被有效分散、剪切研磨,经动态大流量转子缝隙分离过滤器后,充分打散浆料中的材料组分,得到状态均一、粘度稳定的母料,经本球磨工艺研磨后涂布,可获得表面光洁、无凸起颗粒的磷酸铁锂正极极片。相对于同行业中技术添加纳米碳管/碳纤维等辅助材料来改善水系磷酸铁锂电池正极极片外观,本发明专利具有加工成本低、工艺简单、浆料稳定性好等优点。

标签:
加工技术
广西 - 南宁 来源:中冶有色网 2023-03-18
阴阳离子二元掺杂尖晶石锰酸锂的制备方法

本发明涉及材料化学领域,提供了一种阴阳离子二元掺杂尖晶石锰酸锂的制备方法,其中包括原料选择;研磨压片;分段升温加热;冷却步骤,提供了此种阴阳离子二元掺杂尖晶石锰酸锂的制备方法通过分开研磨,先将碳酸锂、电解二氧化锰和五水硝酸铋混合均匀置于研钵中研磨,再添加氟化锂能够使得原料混合接触得充分,让Bi+和F-更好地掺杂进混合原料当中,达到了提高材料电学性能的作用。

标签:
加工技术
广西 - 南宁 来源:中冶有色网 2023-03-18
基于灰色扩展卡尔曼的锂离子电池SOC估算方法

本发明公开了一种基于灰色扩展卡尔曼滤波算法用于估算锂离子电池SOC的方法,包括步骤:首先通过灰色预测模型,预测当前时刻电池模型极化电压和SOC状态量的先验估算值,替代扩展卡尔曼滤波算法中Jacobian矩阵;然后利用扩展卡尔曼滤波算法通过观测值对先验估算值进行更新、修正得当前时刻锂离子电池SOC估算值。本发明为电动汽车电池管理系统提供了一种锂离子电池SOC估算方法,能提高锂离子电池SOC估算精度。

标签:
加工技术
广西 - 南宁 来源:中冶有色网 2023-03-18
光伏UPS锂电池储能系统

本实用新型公开一种光伏UPS锂电池储能系统,包括若干个锂电池的锂电池组,还包括光伏组件、并网逆变器、双电源自动转换开关、电能表、锂电池管理系统、电池组均衡装置和电源管理模块;所述锂电池管理系统包括CPU、电压检测模块、电流检测模块、温度检测模块、安时积分估算模块、开路电压估算模块、存储模块和显示模块;所述电压检测模块、电流检测模块和温度检测模块分别连接每块锂电池;所述开路电压估算模块分别连接电压检测模块和温度检测模块;所述安时积分估算模块分别连接电流检测模块和温度检测模块。本实用新型不间断供电,管理每块锂电池,获取锂电池较为精确的电池剩余量,为锂电池进行精准光伏充电或放电,防止过充过放。

标签:
加工技术
广西 - 南宁 来源:中冶有色网 2023-03-18
基于锂电动力的长续航无人机

本实用新型公开了一种基于锂电动力的长续航无人机,包括机体,机体的底部连接有固定架,固定架开口处固定安装有锁紧机构,固定架的后端安装有限位板,外置挂载电池仓安装于固定架内部,外置挂载电池仓包括相互卡扣连接成方形盒状的仓体板,仓体板之间安装有第一锂电池,开口处的仓体板上成型有若干第一电源线引出口;机体的内部连接有内置电池仓,内置电池仓包括相互卡扣连接成方形盒状的侧面板和底板,侧面板和底板之间安装有第二锂电池,侧面板上成型有若干第二电源线引出口,侧面板的上端卡扣连接有安装板,安装板安装于第二锂电池的上方;机体同时安装有单独工作的内置电池仓和外置挂载电池仓,延长机体续航时间,提高巡线人员的工作效率。

标签:
加工技术
广西 - 南宁 来源:中冶有色网 2023-03-18
锂离子电池快速筛选的方法

本发明涉及一种锂离子电池快速筛选的方法。该方法包括以下步骤:(1)测得恒流放电后的开路电压值和放出的电量值,查表获得对应的荷电状态数值。(2)测得动态工况放电后的开路电压值和放出的电量值,查表获得对应的荷电状态数值。(3)估算锂离子电池最大可用容量。(4)利用获得的动态工况数据结合等效电路模型对锂离子电池欧姆内阻进行参数辨识。(5)根据所得出的锂离子电池最大可用容量及其欧姆内阻对锂离子电池进行筛选。该方法实现锂离子电池在最大可用容量和欧姆内阻两个参数的快速筛选,相对于现有技术中的锂离子电池快速筛选方法具有判断快捷,简便,精确度高的优点。对后续筛选电池进行构建具有较好一致性的电池组有重要意义。

标签:
加工技术
广西 - 南宁 来源:中冶有色网 2023-03-18
提高锰酸锂电池正极材料压实密度的方法

本发明公开了一种提高锰酸锂电池正极材料压实密度的方法,属于电极材料制备领域。本发明包括如下步骤:取已经烧结并粉碎、筛分好的锰酸锂物料,将所述锰酸锂物料在气流分级机中做分级处理,分级后的旋风料即为锰酸锂成品物料,布袋细颗粒料为去除物料;分级过程中通过调节气流分级机的分级频率以及风量,控制所述布袋细颗粒料的量为所述锰酸锂物料重量的8‑15%;所述布袋细颗粒料返回锰酸锂生产配料系统重新烧结后继续使用。通过本发明的方法处理后,锰酸锂产品的物理性能得到了改善,压实密度得到有效提高,利于提高电池的体积能量密度,提高产品的竞争力。本发明工艺简单,操作方便,能耗低,成本低,效果好。

标签:
加工技术
广西 - 南宁 来源:中冶有色网 2023-03-18
锂电池组放电均衡装置
锂电池组放电均衡装置 1117     
 0

本实用新型公开一种锂电池组放电均衡装置,包括由若干锂电池串联形成的锂电池组、MCU、电流传感器、电池监控器BQ76920、放电开关电路、蜂鸣器和光电耦合器;所述锂电池组的正极连接正极电源VBAT+,所述锂电池组的负极接地;所述每个锂电池之间连接电池监控器BQ76920;所述锂电池组连接放电开关电路,所述放电开关电路连接电池监控器BQ76920;所述电流传感器一端连接放电开关电路,另一端连接光电耦合器;所述MCU分别连接电流传感器、放电开关电路、蜂鸣器和光电耦合器。本实用新型能够实时检测锂电池组状态并进行智能均衡放电,能够有效防止锂电池组过放,且保持每个锂电池一致性。

标签:
加工技术
广西 - 南宁 来源:中冶有色网 2023-03-18
太阳能防爆锂电池
太阳能防爆锂电池 977     
 0

本实用新型公开了一种太阳能防爆锂电池,涉及锂电池装置技术领域,包括太阳能电池板、电池盒、锂电池组、能量转换器、充电接头、输出接头;所述锂电池组、能量转换器、充电接头、输出接头安装在电池盒内,所述锂电池组、充电接头、输出接头分别通过连接线与能量转换器连接;所述太阳能电池板位于电池盒外,且与能量转换器连接;所述锂电池组设置在电池壳内,所述电池壳上设有带防爆孔的铝盖板、防爆膜和缓冲膜;所述防爆膜、缓冲膜、铝盖板依次层叠于锂电池组正负极上方,且与电池壳密封连接;所述电池壳外涂有防水层。本实用新型能将太阳能转换为电能,同时合理的设计,使得电池具有防爆的作用。

标签:
加工技术
广西 - 南宁 来源:中冶有色网 2023-03-18
锂硫二次电池用新型隔膜材料及制备方法

本发明涉及锂硫二次电池隔膜材料技术领域,且公开了一种锂硫二次电池用新型隔膜材料及制备方法,包括:以苯乙烯、亚甲基双丙烯酰胺、甲苯和偶氮异丁腈、二氯乙烷和硫酸锂(Li2SO4)为主要原料,制备出硫酸锂型阳离子交换树脂;将制备的硫酸锂型阳离子交换树脂与高密度聚乙烯、增塑剂、稳定剂、润滑剂一起制成均匀混合粉,采用热压成型方法,制备出新型隔膜材料,即硫酸锂型阳离子交换树脂‑聚乙烯共混单层膜。本发明解决了目前锂硫二次电池在充放电过程中,溶解的多硫阴离子会通过隔膜在正负两极间来回扩散迁移,分别被还原和氧化,导致充电容量远高于放电容量,库伦效率变差,同时导致电池内部发热的技术问题。

标签:
加工技术
广西 - 南宁 来源:中冶有色网 2023-03-18
硫酸铵闭路循环碳酸锂生产工艺

本发明公开了一种硫酸铵闭路循环碳酸锂生产工艺,将锂矿石于高温煅烧,粉磨,配入硫酸铵制作成球团并烘干;然后,用加热使硫酸铵分解为NH3、NH4HSO4、H2SO4,分解后的物料用水浸出,经压滤分离出浸出液;NH3经冷却转变为氨水,部分氨水用于吸收烘干工序中产生的二氧化碳制成碳酸铵;浸出液用双氧水将二价铁氧化为三价铁,然后用另一部分氨水调节浸出液以沉淀铁和铝,除去铁铝后用制成的碳酸铵将浸出液中的硫酸锂转变为碳酸锂,分离碳酸锂后的废水蒸发浓缩结晶出硫酸铵,硫酸铵重新配入煅烧粉磨后的锂矿石粉中。本发明可实现硫酸铵循环利用并零产生金属盐副产品,成本低、效益高,适于广泛推广应用。

标签:
加工技术
广西 - 南宁 来源:中冶有色网 2023-03-18
电动车锂电池出租管理系统

本发明公开一种电动车锂电池出租管理系统,包括出租电池,为用于租赁的锂电池,包括安装于出租电池上的安装件和二维码;用户电池,包括用于充电的锂电池、用于回收的锂电池、用于申请出租的锂电池;锂电池存储柜,包括若干个预先编号的存储柜、用户操作面板和控制中心;数据服务器,用于存储出租电池的ID号、租赁点和存储柜的编号,接收和记录存储柜的使用情况以及出租电池的当前状态和租用情况,并能远程控制出租电池和锂电池存储柜;客户端,用于接收安装件、数据服务器和锂电池存储柜传送的信息。本发明能够随时随地更换锂电池,能对电量不足的锂电池进行充电,能对借出的电池进行定位和收费,能将闲置的电池进行回收或出租给其他用户以获得返利。

标签:
加工技术
广西 - 南宁 来源:中冶有色网 2023-03-18
上一页 11 12 13 14 下一页
共14页    到第

中冶有色为您提供最新的广西南宁有色金属加工技术理论与应用信息,涵盖发明专利、权利要求、说明书、技术领域、背景技术、实用新型内容及具体实施方式等有色技术内容。打造最具专业性的有色金属技术理论与应用平台!

全国热门有色金属设备推荐
展开更多 +
全国热门有色金属技术推荐
展开更多 +

 

江西省隆恩特环保设备有限公司
宣传

报名参会
更多+

报告下载

有色专家
更多+

西北稀有金属材料研究院宁夏有限公司
党委书记 / 董事长
矿冶科技集团江苏北矿金属循环利用科技有限公司
书记 / 总经理
辽宁忠旺集团
教授级高工
中南大学
教授、博士生导师
国家钨与稀土产品质量检验检测中心
主任
赤泥综合利用研究报告2025
推广

热门技术
更多+

推荐企业
更多+

福建省金龙稀土股份有限公司
宣传

发布

在线客服

公众号

电话

顶部
咨询电话:
010-88793500-807