青岛垚鑫智能科技有限公司
宣传

位置:北方有色 >

有色技术频道 >

> 加工技术

分类:
全部
矿山技术
冶金技术
材料制备及加工技术
环境保护技术
分析检测技术
 
全部
功能材料技术
复合材料技术
新能源材料技术
合金材料技术
加工技术
地区:
全部
北京
天津
上海
重庆
河北
山西
辽宁
吉林
黑龙江
江苏
浙江
安徽
福建
江西
山东
河南
湖北
湖南
广东
海南
四川
贵州
云南
陕西
甘肃
青海
内蒙
广西
西藏
宁夏
新疆
其他
其他
展开
 
全部
南宁
柳州
桂林
梧州
北海
崇左
来宾
贺州
玉林
百色
河池
钦州
防城港
贵港

广西南宁有色金属加工技术理论与应用

免费发布技术信息>>
铝锂合金板带材热轧润滑剂

一种铝锂合金板带材热轧润滑剂,采用聚a-烯烃与聚内烯烃复合作为基础油,复合多种添加剂而调配制成。添加剂包括:抗磨剂、油性剂、抗氧防腐剂、抗泡剂、杀菌剂、乳化剂、助剂、金属钝化剂、缓蚀剂等。其粘度较低,可以加快冷却过程;氧化稳定性优异、摩擦力适当;退火时不形成污痕;高闪点、低终馏点、窄馏程;抛光作用良好,可保持高的光洁度;不粘轧辊且容易过滤。

标签:
加工技术
广西 - 南宁 来源:北方有色网 2023-03-18
铝锂合金板带材冷轧润滑剂

一种铝锂合金板带材冷轧润滑剂,采用10号工业白油作为基础油,复合多种添加剂而调配制成。添加剂包括:抗磨剂、油性剂、抗氧剂、抗泡剂、分散剂、抗氧防腐剂、金属钝化剂等。本润滑剂具有粘度较低的性能,可以加快冷却过程;氧化稳定性优异、摩擦力适当;退火时不形成污痕;高闪点、低终馏点、窄馏程;抛光作用良好,可保持高的光洁度;不粘轧辊且容易过滤。

标签:
加工技术
广西 - 南宁 来源:北方有色网 2023-03-18
实验室用锂电池电解液阻燃剂混合装置

本实用新型公开了一种实验室用锂电池电解液阻燃剂混合装置,其包括壳体和氮气接口,壳体的上端为开放式结构,壳体内设有正极板和负极板,壳体的四周侧壁内部均设有电热板,壳体内设有多个立杆,立杆的下端固定连接到壳体的底壁,每个立杆上均设有上温度感应器和下温度感应器,壳体四周侧壁上端的内部开有布气道。本实用新型的有益效果有:通过将电热板设置在壳体内,能够准确的控制实验温度,另通过电级接电模拟充放电过程,便于模拟真实使用环境;壳体上部可接入氮气,保证实验的安全性;设有多个上下温度感应器,能准确控制实验的温度条件。

标签:
加工技术
广西 - 南宁 来源:北方有色网 2023-03-18
高倍率锂离子电池
高倍率锂离子电池 850     
 0

本发明公开了一种高倍率锂离子电池,包括盖帽、集流体、正极极耳、正极片、隔膜、负极片、钢壳、扣圈、泡沫镍,所述集流体上开设有若干缝隙,且缝隙内设置有向下的毛刺,所述负极片绕设成卷状后最外圈贴合在钢壳的内表面;所述负极片底端呈锯齿状以将负极片低端插入到泡沫镍上,本发明的可以有效的降低电池的内阻,提高了电池的性能;提高电池放电容量,进而提高电池倍率性能,并且本发明可以提高电池放电效率,降低电池放电时的表面温度,提高安全性,提高了循环寿命,提高电池的耐用程度。

标签:
加工技术
广西 - 南宁 来源:北方有色网 2023-03-18
磷酸铁锂生产用研磨设备

本实用新型提供了一种磷酸铁锂生产用研磨设备,包括筒体,所述筒体的上方设有搅拌电机和延伸至筒体内腔的进料管,所述搅拌电机的输出轴端连接一联轴杆,所述联轴杆延伸至筒体内腔的杆体上设有多个搅拌棒,所述筒体的内腔中横向设置一个用于将筒体内腔分隔成初次研磨层和二次研磨层的过滤网膜,所述初次研磨层内放置多个初次研磨球,所述二次研磨层内放置多个二次研磨球,所述过滤网膜的孔径介于所述初次研磨球和所述二次研磨球的球径之间,筒体的底部设有出料管。本实用新型在对磷酸铁锂前驱体进行加工作业时,既能实现高颗粒细度要求,又能保证研磨效率。

标签:
加工技术
广西 - 南宁 来源:北方有色网 2023-03-18
新型锂电池一体化路灯

本实用新型公开了一种新型锂电池一体化路灯,包括箱体,所述箱体内部安装有锂电池和路灯控制器,所述箱体内部还安装有立柱,在立柱的表面安装有人体红外传感器,所述人体红外传感器的靠近立柱的上方安装有斜三角支撑,在斜三角支撑的上方设有灯壳,所述灯壳的内部安装有LED灯,所述立柱的顶端安装有步进电机,步进电机的转子与转向装置相连接,所述转向装置的上表面安装有太阳能板,在太阳能板的四个边上设有四个光敏传感器;本实用新型提再太阳能板上设置了四个可以检测不同方向上光强的光敏传感器,使太阳能光电转换的效率更高,同时设置了人体红外传感器,当长时间没有人经过时,路灯会自动关闭,节省电能。

标签:
加工技术
广西 - 南宁 来源:北方有色网 2023-03-18
圆柱锂电池新型汇流片结构、电芯及其制造工艺

本发明涉及锂离子电池技术领域,尤其涉及一种圆柱锂电池新型汇流片结构、电芯及其制造工艺,该汇流片结构的汇流片激光焊接位置厚度高于壳底激光焊接位置厚度,汇流片增加厚度的位置与卷芯的中心孔位置对应;采用上述汇流片结构的电芯及其制造工艺包括,将固定好汇流片的卷芯端朝向壳底放入壳体中,使汇流片的激光焊接位置与壳底接触,并与卷芯的中心孔位置对应,壳底激光焊接位置厚度比壳底的其他区域厚度薄;本发明实现了在不影响电芯有效空间和容量的基础上显著提升壳底与汇流片焊接的结合强度、焊接良率,降低报废、返修成本,保障电芯长期密封性和安全性能。

标签:
加工技术
广西 - 南宁 来源:北方有色网 2023-03-18
锂离子电池带电预处理设备

本实用新型涉及锂离子电池回收处理领域,公开了一种锂离子电池带电预处理设备,包括废料箱,所述废料箱的顶端一侧固定连接有水箱,所述水箱的一侧固定连接有电机,所述电机的输出端固定连接在花辊轴的一端,所述花辊轴的上表面设有PVC传送带,所述花辊轴的另一端转动连接在固定块的一侧,所述固定块的一侧固定连接在水箱的另一侧,所述废料箱的顶部一侧设有水泵。本实用新型中,通过传送带、水箱、双电机和双轴破碎刀的设置,解决了电池破碎后可能出现的正负极片互相接触短路而带来的安全隐患,另一方面,也降低了后续破碎分选处理的风险,还可提高处理效率,减少人工干预,杜绝对人体造成危害。

标签:
加工技术
广西 - 南宁 来源:北方有色网 2023-03-18
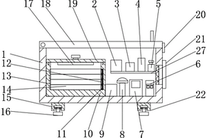
磷酸铁锂煅烧过程的除尘装置

本实用新型提供了一种磷酸铁锂煅烧过程的除尘装置,包括中空设置的筒体,所述筒体的顶端设有进气管道,所述进气管道内设有进气隔板,形成多条进气分路,每条所述进气分路内均设有用于喷射净化液体的雾化喷嘴,所述筒体内设有多个过滤板,所述过滤板的底部与所述筒体的底部之间形成通气口,所述筒体的侧面下部还设有排气口、排污口和用于检查过滤板上液体附着情况的观察孔。本实用新型能有效对磷酸铁锂干燥作业后的尾气进行除尘,解决直接排放会污染环境的技术问题。

标签:
加工技术
广西 - 南宁 来源:北方有色网 2023-03-18
软包锂离子电池制作方法

本发明提供一种软包锂离子电池制作方法,属于锂离子电池制造技术领域。所述方法包括卷芯卷绕、卷芯烘烤、浸液、入包装壳封装密封、化成;所述方法的步骤具体如下:(1)卷芯卷绕;(2)卷芯烘烤;(3)浸液;(4)入包装壳封装密封;(5)化成。本发明方法不仅可以使电解液充分浸润卷芯,而且可以避免电解液污染,节省包装膜的用量,保证化成充分;另外,还能节约生产周期,提高电池生产的效率。本发明的电池化成效果更好,电压、内阻、电压衰减比K值数值更加集中,且相对更小;而容量发挥相对更好。

标签:
加工技术
广西 - 南宁 来源:北方有色网 2023-03-18
基于灰色理论的锂离子电池荷电状态预测方法

本发明提供一种基于灰色理论的锂离子电池荷电状态(State?of?Charge简写SoC)预测方法。为解决现有方法在复杂工况下难以实现在线预测,精度较低等问题,本发明方法首先读取影响SoC的因素的数据以及SoC数据,构建灰色关联矩阵,然后运用灰色关联理论计算各影响因素与SoC的关联度ξi,再确定各影响因素对SoC影响程度的权值ωi,接下来建立各影响因素与SoC值的二维灰色预测模型GM(1,2)预测K+1时刻的SoC值,记为SoCi(K+1),最后将得到的ωi和SoCi(K+1)数据,进行加权平均计算得到电池K+1时刻SoC(K+1)的预测值。本发明方法对电池荷电状态的预测,具有结构简单,预测精度高等特点。

标签:
加工技术
广西 - 南宁 来源:北方有色网 2023-03-18
碳酸锂提取的沉降分离装置

本发明公开了一种碳酸锂提取的沉降分离装置,涉及碳酸锂提取沉降分离技术领域,包括壳体、提升组件,其中提升组件包括电机、转轴、挂环,所述壳体的顶端设置有盖体,所述壳体的内部设置有框体,所述框体的侧壁开设有多组通孔,所述框体的内部位于通孔的一侧设置有海绵垫,所述框体的顶端设置有水管。本发明通过设置的框体、通孔、水管,液体通过框体侧边的通孔进入其内部,并通过水管从框体顶端抽出,使得可以增大液体流动的距离,从而起到了一定的缓冲效果,且可以使框体内部的液体与沉淀物相对稳定隔离,使得可以减小抽动过程中对沉淀物造成的扰动,从而可以提高后续的分离效果,海绵垫可以起到进一步的缓冲效果。

标签:
加工技术
广西 - 南宁 来源:北方有色网 2023-03-18
无人机锂电池集中充电安全管理柜

本实用新型公开了一种无人机锂电池集中充电安全管理柜,包括柜体和门体,在柜体的内设置有充电管理控制模块,在柜体的内且位于充电管理控制模块的下方水平设置有相对可抽拉的相同和/或不同类型的多层充电抽屉,在每层充电抽屉内设置有充放电控制单元和充电放置口,每个充放电控制单元与充电管理控制模块电气连接;每层充电抽屉分别包括抽屉壳体、充电控制板卡、在充电控制板卡上设置的电源输入接头以及用于盖封所述充电控制板且沿抽屉壳体的口部内壁卡接的充电护罩,在抽屉壳体的底部内且沿抽拉方向设置多块所述充电控制板卡,在每块充电控制板卡上分布有多个用于锂电池充电的充电位。本实用新型能实现多组电池进行无人自动充放电管理控制。

标签:
加工技术
广西 - 南宁 来源:北方有色网 2023-03-18
锂离子电池管状草酸锰负极材料及其制备方法

本发明提供一种锂离子电池管状草酸锰负极材料及其制备方法,采用微通道反应器强化生成MnC2O4·2H2O的沉淀反应过程,并利用颗粒‑流体作用力形成管状结构,MnC2O4·2H2O脱水后形成纳米MnC2O4颗粒,不仅保留管状结构,而且在纳米MnC2O4颗粒之间留有大量的相互连通孔道,使一次纳米级MnC2O4颗粒可以在纳米尺度上实现Li+的高效传输。本发明使用该方法制备的复合材料,具有较高的比容量和电化学循环性能。

标签:
加工技术
广西 - 南宁 来源:北方有色网 2023-03-18
碳酸锂提纯用的高效碳化塔

本实用新型公开一种碳酸锂提纯用的高效碳化塔,一种碳酸锂提纯用的高效碳化塔,包括塔体,在塔体的顶部设置进料口和出气口,底部设置出料口和进气口,在出气口下方的塔体内部设置冷却盘管,在冷却盘管的下方设置横向的搅拌装置;所述的进气口与塔体外的二氧化碳供气管连通,在塔体内设置与进气口连通的散气管,所述的散气管横向设置,散气管包括主管道和支管,主管道一端与进气口连通,另一端与塔体内部链接,支管间隔设置于主管道上且与主管道连通,支管上设置多个通气孔。

标签:
加工技术
广西 - 南宁 来源:北方有色网 2023-03-18
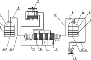
制备磷酸铁锂电池材料用回转炉装置

本实用新型涉及一种制备磷酸铁锂电池材料用回转炉装置,其包括回转炉炉体、冷水塔、第一烟气净化冷却罐、第二烟气净化冷却罐以及抽真空机;其中,于所述回转炉炉体的表面设置有若干组独立的冷却水列管;各组冷却水列管通过一水管和冷水塔联接;所述回转炉炉体的左端通过第一排气管道和第一烟气净化冷却罐连接,右端通过第二排气管道和第二烟气净化冷却罐连接;所述第二烟气净化冷却罐通过第三排气管道和抽真空机连接;于所述第一排气管道和第二排气管道上分别设有一防气液回流装置。本实用新型的制备磷酸铁锂电池材料的回转炉装置具有高效、粉尘回收效率高、节能环保等诸多优点。

标签:
加工技术
广西 - 南宁 来源:北方有色网 2023-03-18
蓖麻基可降解塑胶复合锂基润滑脂组合物

本发明公开了一种蓖麻基可降解塑胶复合锂基润滑脂组合物,采用聚内烯烃与蓖麻基癸二酸二异癸酯复合作为基础油,配合多种复合添加剂,包括:12-羟基硬脂酸、抗氧剂、助剂、氢氧化锂、粘温特性改进剂、光稳定剂、防霉剂、抗静电剂、光屏蔽剂和补强剂。本发明的润滑脂组合物具有良好的与塑胶制品相容性、润滑性、安定性、耐久性、低的扩散性、安定性、较宽的使用温度范围,对金属材料无腐蚀、不会造成接触点的接触不良。

标签:
加工技术
广西 - 南宁 来源:北方有色网 2023-03-18
制备锂离子电池负极材料的方法

本发明公开了一种制备锂离子电池负极材料的方法,包括以下步骤:1)制备前驱体MnCO3:将浓度比为1:1-2.5的MnSO4和NH4HCO3两种反应溶液分别注入微通道反应器的两个进口,两种溶液在微通道反应器的两个进口的相交节点处进行碰撞并发生快速共沉淀反应,所得反应产物经微通道反应器的出口流出,对反应产物进行收集,过滤,并用去离子水洗涤后在水中旋转蒸发,得到MnCO3前驱体;2)制备MnO/C:将步骤1)所制备的MnCO3与碳源按质量比为1:0.15-0.4进行混合,混合后在温度为400-600℃的氮气环境下煅烧3-8小时,得到MnO/C。该制备方法不仅工艺简单,大大缩短了反应时间,适合大规模生产,提高了材料的性能。

标签:
加工技术
广西 - 南宁 来源:北方有色网 2023-03-18
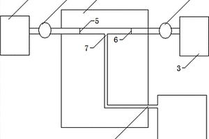
锂离子电池用铝箔的生产方法

本发明涉及有色金属熔炼、铸轧和压延,尤其是一种锂离子电池用铝箔的生产方法。所述的方法在改善锂离子电池的铝箔力学性能和提高塑性,同时,减薄铝箔厚度,提升电池容量。该方法简单,不但能改善铝箔力学性能和提高塑性,而且能减薄铝箔厚度,提升电池容量。

标签:
加工技术
广西 - 南宁 来源:北方有色网 2023-03-18
能自清洁的锂电池浆料过滤装置

本发明公开了一种能自清洁的锂电池浆料过滤装置,属于过滤器技术领域。该能自清洁的锂电池浆料过滤装置,包括外壳,所述外壳的底部固定连接有均匀分布的支撑腿,所述外壳的内壁固定连接有隔板,所述隔板的底部设置有过滤结构,所述过滤结构的表面设置有均匀分布的辅助结构,所述外壳的顶部设置有清洁结构,所述隔板的底部固定连接有环形分布的磁棒;所述过滤结构的内侧、所述隔板的底部和所述外壳的内壁之间形成过滤腔,所述过滤结构的外侧、所述隔板的底部和所述外壳的内壁之间形成排出腔。本发明能够快速对磁棒和过滤板进行清洁,减少了拆卸清洁的次数,操作简便,有效提高了工作效率,降低了工作强度。

标签:
加工技术
广西 - 南宁 来源:北方有色网 2023-03-18
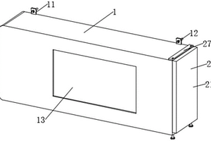
锂电池组的充电主动均衡修复装置

本实用新型公开了一种锂电池组的充电主动均衡修复装置,其包括箱体,箱体的上表面设有翻转盖,箱体的底部内壁固定连接有充电箱,充电箱的上表面设有箱盖,箱盖的下表面设有照明灯,充电箱的左侧内壁固定连接有第二接头,充电箱右侧内壁固定连接有压紧弹簧。通过打开翻转盖,打开箱盖,将锂电池放置在充电箱的内部,利用第一接头与第二接头进行充电,利用压紧弹簧进行卡紧,使电池在充电过程中,不易抖动,有利于提高充电效率,可快速充电,利用均衡器线路板和电池充电修复器,可使电池在长时间多次充电过程中进行修复和均衡作用,提高电池组的性能,延长电池组的使用寿命,降低安全隐患。

标签:
加工技术
广西 - 南宁 来源:北方有色网 2023-03-18
无人机锂电池智能充电柜

本实用新型涉及一种无人机锂电池智能充电柜,包括防爆柜体、分别安装在防爆柜体前后的正面可视门和背门、安装在防爆柜体顶部的控制显示器、以及分层整齐排列布置在防爆柜体内的充电模块;所述的防爆柜体两侧设有排风扇,用于对防爆柜体进行散热;所述的防爆柜体内在控制显示器底部安装有防火球,当遇到明火时防火球能够自动灭火;所述的正面可视门设有可视窗口,通过可视窗口能够观察防爆柜体内的充电情况;所述的控制显示器与充电模块连接,控制显示器能够控制并显示充电模块的充电状态;所述的充电模块用于为锂电池供应电源。本实用新型使用便利,具有通风、防火、防爆、防过充、以及放电功能。

标签:
加工技术
广西 - 南宁 来源:北方有色网 2023-03-18
锂离子电池剩余寿命在线预测方法

本发明涉及一种锂离子电池剩余寿命在线预测方法。包括步骤:(1)首先对电池进行动态工况循环放电,根据等效电路模型在线辨识电池开路电压OCV;然后计算设定时间间隔内电池荷电状态差值和累计放出电量值,并以此估算电池当前所在循环状态容量值。(2)提取预测所需的电池容量数据为样本数据输入到灰色预测模型,计算锂离子电池容量衰减的灰色发展系数a,并以此建立锂离子电池容量在老化过程中的状态转移方程和观测方程;然后利用粒子滤波算法跟踪并更新电池容量状态变化;最后在预测开始时,根据灰色发展系数,外推每个粒子容量随循环次数的变化值,根据每个粒子的权重预测电池剩余寿命并给出概率密度分布。此方法能够实现电池准确在线寿命预测,对电池健康管理有重要意义。

标签:
加工技术
广西 - 南宁 来源:北方有色网 2023-03-18
太阳能锂电池智能控制系统

本发明公开了一种太阳能锂电池智能控制系统,涉及太阳能铝电池管理技术领域,包括控制单元,控制单元的第一接口与调压单元的控制端连接,控制单元的第二接口与放电单元的控制接口连接,控制单元的第三接口与采样单元的输出端连接。调压单元的电源输入端与太阳能板的电源输出端连接,调压单元的电源输出端与锂电池组的输入端连接。锂电池组的输出端分别与采样单元的输入端、放电单元、防反二极管D2的阳极连接,防反二极管D2的阴极分别与接触器K1的触头一端、放电单元的一端连接。超级电容并联在太阳能板的输出端,还与防反二极管D1的阳极连接,防反二极管D1的阴极与接触器K1的触头另一端连接然后与逆变单元的输入端连接。其结构简单,成本低廉。

标签:
加工技术
广西 - 南宁 来源:北方有色网 2023-03-18
纳米磷酸铁前驱体以及超细纳米电极材料磷酸铁锂的制备方法

本发明提供一种纳米磷酸铁前驱体制备方法,以及用所制前驱体制备超细纳米尺寸电极材料磷酸铁锂的制备方法,首先制备具有纳米尺寸的磷酸铁前驱体(简称FP),再用具有纳米尺度的前驱体FP制备更小尺寸超细纳米磷酸铁锂正极材料。本发明提供的FP生产工艺简单,所得的纳米前驱体为进一步制备更精细颗粒纳米球形或类球形颗粒磷酸铁锂起了很重要的作用,制备的前驱体制成的电极材料性能优良,具有高容量、高倍率下放电容量和电压平台性好,循环寿命长等特点。

标签:
加工技术
广西 - 南宁 来源:北方有色网 2023-03-18
便于调节的光伏锂电控制器

本实用新型公开了便于调节的光伏锂电控制器,具体涉及光伏锂电控制器领域,包括防护箱体和控制器本体,所述控制器本体的外壁和防护箱体的内壁活动接触,所述防护箱体的表面设有安装组件,所述防护箱体的内部设有压紧组件;所述安装组件包括有盖板,所述盖板的一侧和防护箱体的一侧活动接触,与现有的技术相比,通过转动螺纹杆,使得导向块沿着导向槽的内壁向上滑动,导向块带动盖板移动,然后将控制器本体插入至防护箱体的内部,控制器本体使得压板移动,同时,伸缩杆和伸缩弹簧收缩,然后再反向转动螺纹杆,使盖板关闭,从而方便的完成了控制器本体的安装,进而有效的提高了后续维护控制器本体时的便捷性。

标签:
加工技术
广西 - 南宁 来源:北方有色网 2023-03-18
磷酸铁锂动力电池极片难渗液的体系配方及实验方法

本发明提供一种磷酸铁锂动力电池极片难渗液的体系配方及实验方法,属于锂电池技术领域,方法为将LiPF6按一系列质量比分别均速添加到固定配比的溶剂体系混合,制成不同含量的LiPF6混合液,然后测定粘度、电导率和润湿角,确定最优的LiPF6含量;将LiPF6按一系列质量比分别均速添加到不同配比的有机溶剂体系中混合,控制每个混合液中的LiPF6为前面确定的最优含量,测定粘度、电导率和润湿角,确定最优溶剂体系配比;将前面确定混合液与不同的配比的辅助剂进行混合,然后测定粘度、电导率和润湿角,确定最优的电解液体系配方。本专利提出的电解液配方体系具有体系兼容性好、改善效果显著优点,对不同材料体系电池极片具有普适性。此外,相比于目测法、称重法等普通方法表征电解液浸润性能,采用俘虏气泡法测定润湿角具有简便性和准确性。

标签:
加工技术
广西 - 南宁 来源:北方有色网 2023-03-18
石墨烯改性锂锰电池的方法

本发明公开了一种石墨烯改性锂锰电池的方法,包含以下操作步骤:(1)电解二氧化锰与石墨烯按比例混合;(2)向步骤(1)中混合后无得物质加入乙醇,球磨1h,冷却;(3)待步骤(2)中冷却后所得物质用筛将研磨球与石墨烯改性电解二氧化锰(G‑EMD)分离,即得到石墨烯改性电解二氧化锰材料。本发明方法得到的石墨烯改性二氧化锰材料具有良好的导电性能,且制备方法简单,易于批量生产;本发明解决了当前电解二氧化锰(EMD)用作锂‑二氧化锰电极材料时电导率低、在放电过程大倍率放电时性能差等问题;本发明方法简单易行,经济环保,易于规模化,具有广阔的应用前景、经济效益价值和社会环保价值。

标签:
加工技术
广西 - 南宁 来源:北方有色网 2023-03-18
锂离子电池正极材料的制备方法

本发明公开了一种锂离子电池正极材料的制备方法,利用原料Li2CO3、NH4H2PO4、TiO2和蔗糖制备得到LiFePO4正极材料,并进行Ti掺杂。LiFePO4属于多阴离子型正极材料,拥有橄榄石型结构,作为锂离子电池的正极材料具有良好的电化学性能,充放电平台十分平稳、且充放电过程中结构稳定、无毒无污染、温度范围宽、原材料广泛成本低廉,经过Ti掺杂改性后,使材料粒径分布均匀,有效改善导电性能。

标签:
加工技术
广西 - 南宁 来源:北方有色网 2023-03-18
采用锂电池供电的电磁感应加热器

本实用新型公开了一种采用锂电池供电的电磁感应加热器,包括电磁感应加热器和温控器。使用时可以将传统卷烟或烟丝放入烟草加热腔中,通过电磁感应加热的方式,对卷烟或烟丝进行加热,产生的挥发物质经吸嘴进入口腔,让使用者获得满足感。本实用新型的加热器可使用锂电池,同时确保温度维持在规定要求的精度范围内,完成对放入金属加热管内的香烟或烟草材料进行恒温加热。

标签:
加工技术
广西 - 南宁 来源:北方有色网 2023-03-18
上一页 9 10 11 12 13 ... 14 下一页
共14页    到第

北方有色为您提供最新的广西南宁有色金属加工技术理论与应用信息,涵盖发明专利、权利要求、说明书、技术领域、背景技术、实用新型内容及具体实施方式等有色技术内容。打造最具专业性的有色金属技术理论与应用平台!

全国热门有色金属设备推荐
展开更多 +
全国热门有色金属技术推荐
展开更多 +

 

江西省隆恩特环保设备有限公司
宣传

报名参会
更多+

报告下载

有色专家
更多+

武汉理工大学
副主任/研究员
有研科技集团有限公司
首席科学家
南方科技大学
外籍院士
中冶沈勘秦皇岛工程技术有限公司
原矿山院院长/教授级高工
有研资源环境技术研究院(北京)有限公司
副总经理/教授级高工
赤泥综合利用研究报告2025
推广

热门技术
更多+

推荐企业
更多+

福建省金龙稀土股份有限公司
宣传

发布

在线客服

公众号

电话

顶部
咨询电话:
010-88793500-807