青岛垚鑫智能科技有限公司
宣传

位置:北方有色 >

有色技术频道 >

> 废水处理技术

分类:
全部
矿山技术
冶金技术
材料制备及加工技术
环境保护技术
分析检测技术
 
全部
废水处理技术
大气治理技术
固/危废处置技术
土壤修复技术
地区:
全部
北京
天津
上海
重庆
河北
山西
辽宁
吉林
黑龙江
江苏
浙江
安徽
福建
江西
山东
河南
湖北
湖南
广东
海南
四川
贵州
云南
陕西
甘肃
青海
内蒙
广西
西藏
宁夏
新疆
其他
其他
展开
 
全部
福州
厦门
漳州
泉州
三明
莆田
南平
龙岩
宁德

福建泉州有色金属废水处理技术理论与应用

免费发布技术信息>>
去除废水中难降解有机物的处理装置

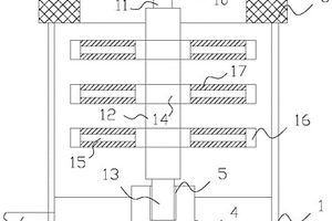
本实用新型公开了一种去除废水中难降解有机物的处理装置,包括:一混合部,包括一用以盛装过硫酸盐溶液的第一储液槽和一用以盛装废水的第二储液槽;至少一反应管,其内具有一承托板,承托板下为混合区,承托板上填充有铁屑以构成反应柱,承托板具有若干阵列排布的通孔,反应管的进水口位于承托板的下方,反应管的出水口位于反应柱之上,以使出水均匀且防止铁屑的流失;和一收集装置;第一储液槽通过一第一输送泵和一进液管与反应管的进水口相连通,第二储液槽通过一第二输送泵与反应管的进水口相连通,收集装置与反应管的出水口相连通。本实用新型工艺简单、能好少、运行成本低、操作方便等优点,同时实现废铁屑的再利用。

标签:
废水处理
福建 - 泉州 来源:北方有色网 2023-03-19
用于处理废水的复合菌种包埋固定试剂

本发明公开了一种用于处理废水的复合菌种包埋固定试剂。复合菌种包埋固定试剂主要选用了酵母菌、放线菌、光合细菌,包埋固定载体使用聚乙烯醇(PVA)、角叉胶、膨润土以及交联剂H2BO3、Ca2+、K+盐溶液等。包埋固定化使得复合菌抵抗极端条件的能力增强,稳定性高,反应速度快,适宜温度、pH值和进水COD浓度范围变宽。在适宜条件下,经过6天的处理,包埋复合菌对废水COD的去除率能达到85%左右。

标签:
废水处理
福建 - 泉州 来源:北方有色网 2023-03-19
印染废水循环再利用装置

本实用新型公开了一种印染废水循环再利用装置,其技术方案要点是:包括处理箱,处理箱的顶部固定连接有进料管与进水管,处理箱的上方的中部固定设置有电机,电机的输出端上转动连接有转动杆,转动杆上活动连接有转动刮板,转动杆的下方活动连接有挡板,挡板的右方固定连接有过滤网层,挡板的下方活动连接有收集框,收集框的下方固定连接有支撑板,支撑板的右方固定连接有活性炭层,斜块的右方固定连接有传输水管,传输水管的进水口固定连接有超滤膜过滤层,传输水管内固定设置有水泵,传输水管的右方固定设置有储水箱,储水箱的顶部固定设置有高压泵;本实用新型将废水净化的彻底且杂质易于清理。

标签:
废水处理
福建 - 泉州 来源:北方有色网 2023-03-19
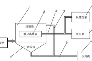
浸没式电镀废水膜处理装置

一种浸没式电镀废水膜处理装置,包括废液池,浸没于废液池内具有进液口和输出管道的膜分离装置以及压滤机,所述废液池底部设有沉淀区和第一排出管道,所述压滤机与所述第一排出管道相连将来自沉淀区的沉淀物进行固液分离,所述膜分离装置输出管道连接有负压泵,通过负压泵工作将经进液口进入膜分离装置内的电镀废液分离出清水。本实用新型的浸没式电镀废水膜处理装置采用一体化浸没式膜装置,结构简单,由于是采用吸抽式过滤方式,运行能耗比采用外置式加压过滤方式的分置式滤膜组件减少了10-20倍。

标签:
废水处理
福建 - 泉州 来源:北方有色网 2023-03-19
智能控制电渗析处理电镀废水设备

本发明属于废水治理技术领域,尤其涉及一种智能控制电渗析处理电镀废水设备,其便于电渗析装置与安装架之间进行拆卸和安装,便于对电渗析装置进行整体拆卸而进行内部清理,提高清洗作业效率;同时可以对水泵进行缓震处理,减少设备运转噪音的污染,提高使用可靠性;并且其整体便于改变作业使用位置区域,提高适应能力,降低使用局限性,包括废液槽、电渗析装置、PC控制器和安装架;包括两组前铰接座、两组后铰接座、两组前紧固装置和两组后紧固装置;还包括工型钢、四组减震胶垫和减震板;还包括四组万向滚轮、四组丝杠和四组挡板,底板顶端的四角位置区域均纵向设置有上下贯穿的调节通孔,并且四组丝杠分别贯穿设置在四组调节通孔内部。

标签:
废水处理
福建 - 泉州 来源:北方有色网 2023-03-19
泵站废水循环装置
泵站废水循环装置 1126     
 0

本实用新型涉及泵站废水循环装置领域,特别是指一种泵站废水循环装置,包括有沉淀池和净化池,净化池上设有水泵,其中水泵的抽水管设于沉淀池内,水泵的出水管与净化池相连接,沉淀池内设有相对沉淀池水平移动的隔板,沉淀池的池底设有用于清理沉淀物的清理机构,沉淀池池底对应清理机构的一侧设有排污门,本实用新型由隔板的作用下,能够将沉淀池内沉淀后的沉淀物与已沉淀好的污水隔开,再通过清理机构的清理板的作用下,能够将沉淀物从沉淀池的池底推出至排污口进行清理,使清理沉淀池池底的沉淀物能够更加快捷方便,从而有效的缩短清理的时间,使废水处理的效率有所提高。

标签:
废水处理
福建 - 泉州 来源:北方有色网 2023-03-19
污泥基催化剂活化过一硫酸盐降解分散染料废水的方法

本发明公开了一种污泥基催化剂活化过一硫酸盐降解分散染料废水的方法,包括以下步骤:(1)将净水厂污泥自然风干后经机械粉碎、过筛选出粒径为1‑2mm的颗粒;(2)将所得颗粒置于马弗炉中进行有氧煅烧;(3)将所得煅烧产物冷却至室温,用去离子水清洗后干燥,研磨、过筛得到污泥基催化剂;(4)将制得的污泥基催化剂加入到印染废水中,并加入过一硫酸盐,调节pH值为3‑9,在加热条件下震荡降解。本发明通过有氧煅烧制备污泥基催化剂,该催化剂可与过一硫酸盐耦合,高效降解甚至矿化分散染料等难降解有机污染物,能够通过简单的固液分离即可实现催化剂的回收利用,催化剂稳定性好、可重复利用率较高,有效解决了有机物污染水体问题,达到了“以废治废”。

标签:
废水处理
福建 - 泉州 来源:北方有色网 2023-03-19
高效环保废水回收处理设备

本实用新型提供一种高效环保废水回收处理设备,包括壳体、第一净化室、第二净化室、第一水泵、阳极板和蓄水箱,所述壳体内设置有第一净化室,所述壳体内还设置有第二净化室,且第二净化室设置在第一净化室的下方,所述第一净化室的顶部设置有盖门,所述第一净化室内水平安装有吸筒,所述壳体的左侧面上安装有支撑座,且支撑座上安装有第一水泵,且第一水泵的进口与吸筒连通连接,所述第一水泵的出口与第二净化室内通过第一导水管连通连接,所述壳体的左侧顶端设置有进水管。本实用新型通过太阳能电池板的设置,使得设备避免使用煤电进行供能,采用太阳能进行供电,能够达到节能环保的要求,通过吸筒的设置,能够使得废水进行物理过滤。

标签:
废水处理
福建 - 泉州 来源:北方有色网 2023-03-19
废水沉淀净化箱
废水沉淀净化箱 1087     
 0

本实用新型公开了一种废水沉淀净化箱,其结构包括箱体、盖体、第一下药箱、第二下药箱、连接杆、第一过滤网、隔板、第一轴承、进水口、出水口,所述盖体盖设于所述箱体上,所述第一下药箱位于所述箱体内腔的一侧,所述第二下药箱位于所述箱体内腔的另一侧,所述连接杆下端通过第一轴承转动连接于所述第一过滤网上,所述隔板位于所述箱体内腔的中间,所述进水口位于所述箱体内腔的上方一侧,所述出水口位于所述箱体内腔的下方一侧,隔板将箱体分成上下两层,上层箱体由第一下药箱投放药物,从而对废水进行第一次净化,通过拧动转杆上的螺纹,可以使得上层箱体内被净化的废水流进下层箱体内。

标签:
废水处理
福建 - 泉州 来源:北方有色网 2023-03-19
含油废水处理设备
含油废水处理设备 1195     
 0

本实用新型公开了一种含油废水处理设备,其特征在于:包括进水泵、液‑液分离装置、增压泵和固‑液分离装置,所述的液‑液分离装置包括水平放置的油水分离罐、油池和中间水池;所述的油水分离罐的前半部分圆柱型,后半部分为圆锥形;所述的固‑液分离装置包括竖直放置的旋流除砂罐、砂池和净水池;所述的旋流除砂罐上半部分圆柱型,下部为圆锥形,竖直放置。本实用新型所述的含油废水处理设备,具有的有益效果为:对废弃的含油废水进行处理,回收资源,有利于保护环境,同时具有一定经济效益。

标签:
废水处理
福建 - 泉州 来源:北方有色网 2023-03-19
畜禽养殖废水预处理装置

本实用新型公开了一种畜禽养殖废水预处理装置,包括三个第一支架,三个第一支架的侧面顶端通过固定环连接,所述固定环的内部侧面固定有过滤箱,所述过滤箱的前侧顶端设有进水管,所述过滤箱的内部底侧中间设有挡板,位于进水管的下方在过滤箱的内部侧面设有倾斜板,所述倾斜板远离过滤箱侧面的一侧与挡板的左侧底端连接,位于挡板与倾斜板的连接处在倾斜板上设有凹槽,所述挡板的右侧中部设有过滤板,所述过滤板的底侧高于挡板与倾斜板的连接处,所述过滤板的另一侧与过滤箱的内部侧面连接,结构简单,管理运行成本低,同时,可以过滤悬浮物,给畜禽废水处理奠定基础,同时,便于更换吸附剂,给去除磷、氮成分带来便利。

标签:
废水处理
福建 - 泉州 来源:北方有色网 2023-03-19
APMP制浆废水的处理装置

一种APMP制浆废水的处理装置,由顺次连接的格栅渠、调节初沉池、浅层气浮装置、中间水池、冷却塔、UASB污泥床、水解酸化池、中沉池、CASS生化池、二沉池和深度氧化池组成,二沉池连接有污泥浓缩池,污泥浓缩池接入一带式脱水机,CASS生化池包括采用厌氧环境的生物选择区、对水质具有缓冲作用的兼氧区以及降解有机物的主反应区,主反应区设有一使泥龄长、污泥负荷低的供氧系统,所述深度氧化池内置臭氧组合物以降低COD。本发明采用“UASB+水解酸化+CASS+深度氧化”的工艺组合装置,能有效地处理APMP制浆产生的废水,出水指标达到GB3544-2008的要求。

标签:
废水处理
福建 - 泉州 来源:北方有色网 2023-03-19
方便清洗的废水处理装置

本实用新型属于废水处理技术领域,具体公开了一种方便清洗的废水处理装置,包括处理池、升降支撑杆和主支撑杆;处理池底部为沉淀槽,沉淀槽侧边连接有排泥管道;将待处理的废水通入处理池内,经过混凝沉淀等处理,污染物等杂质沉积在沉淀槽内,通过排泥管道排出;所述主支撑杆外侧边设置有若干个对应的固定卡环,限位卡环和固定卡环之间设置有吸附层,通过总控制按钮控制转动电机带动主支撑杆在处理池内匀速转动,通过吸附层将处理池内的絮凝物吸附收集,处理完成后,通过总控制按钮关闭转动电机,然后控制升降电机带动升降支撑杆上升,卡接插轴与卡接孔槽分离,将主支撑杆上升至处理池上方,方便清洁和更换吸附层。

标签:
废水处理
福建 - 泉州 来源:北方有色网 2023-03-19
利用碱/固体氧化剂体系脱色降解染料废水的方法

本发明公开了一种多功能醚类聚羧酸减水剂及其制备方法,包括:用碱将待处理染料废水的pH值调为9~13,然后加入固体氧化剂,在温度为10~40℃下均匀搅拌反应10~60min,即成。本发明不需要额外进行紫外辐照、微波辐照、超声空化、外加电磁场及加热,只需要投加少量的碱就可以极大的提高固体氧化剂对染料废水中污染物的去除率。

标签:
废水处理
福建 - 泉州 来源:北方有色网 2023-03-19
印染助剂生产车间用废水处理装置

本实用新型提供一种印染助剂生产车间用废水处理装置。所述印染助剂生产车间用废水处理装置包括:调节池;加药气浮池,所述加药气浮池位于所述调节池的一侧;厌氧处理池,所述厌氧处理池位于所述加药气浮池的远离所述调节池的一侧;悬浮生物滤池,所述悬浮生物滤池位于所述厌氧处理池的远离所述加药气浮池的一侧;沉淀物化池,所述沉淀物化池位于所述悬浮生物滤池的远离所述厌氧处理池的一侧;排水池,所述排水池位于所述沉淀物化池的远离所述悬浮生物滤池的一侧;出水口,所述出水口位于所述排水池的远离所述沉淀物化池的一侧。本实用新型提供的印染助剂生产车间用废水处理装置具有清理难度小,节省人力的优点。

标签:
废水处理
福建 - 泉州 来源:北方有色网 2023-03-19
一体化造纸废水处理系统

本申请涉及一种一体化造纸废水处理系统,包括通过输送管依次连接的电絮凝装置、沉淀装置和氧化处理装置,所述电絮凝装置包括絮凝筒,所述絮凝筒的下端为进水端,所述絮凝筒的上端为出水端,所述絮凝筒内设有多个沿竖向间隔排布的阳极板和阴极板,其中阳极板和阴极板间隔交错设置;所述絮凝筒的底部还设有向上曝气的曝气组件。本申请通过阴极板和阳极板作为电极,电解产生金属阳离子,在废水中产生氢氧化物絮体,无需投加絮凝剂,避免引入不需要的阴离子,减少了后续废水处理的麻烦。

标签:
废水处理
福建 - 泉州 来源:北方有色网 2023-03-19
印染高浓废水无害化处理系统

本实用新型公开一种印染高浓废水无害化处理系统,该系统包括依次连接的臭氧氧化设备、Fenton处理设备、过滤设备、电渗析设备和蒸发结晶设备,所述的臭氧氧化设备包括臭氧发生器和臭氧反应塔,所述的过滤设备包含砂滤装置和保安过滤器装置。本实用新型具有水回收率高,无有害物资排放等优势,为印染行业废水膜法处理后高COD高盐废水无害化处理开辟了一条全新的技术途径。

标签:
废水处理
福建 - 泉州 来源:北方有色网 2023-03-19
化工废水处理用分层调质池

本实用新型提出了一种化工废水处理用分层调质池,包括环绕套设的内池和外池,所述外池内沿周向均匀分布有4个隔板,所述隔板将所述外池按顺时针方向分为第一容腔、第二容腔、第三容腔、第四容腔,所述内池侧壁上对应于所述第一容腔、第四容腔分别设有开口一、开口二,所述隔板上均设有溢流口,所述内池内设有轴杆,所述轴杆侧壁上设有多组搅拌杆,所述轴杆底端贯穿所述内池底部并连有电机,所述内池底端连通设有进液管,所述内池上部连通设有排液管,本实用新型可将化工废水分步逐级调质,均匀性好,且整体流动性强,可循环处理,有效提高了调质效率。

标签:
废水处理
福建 - 泉州 来源:北方有色网 2023-03-19
废水处理曝气系统
废水处理曝气系统 837     
 0

本实用新型公开一种废水处理曝气系统,包括废水处理池以及多根铺设在所述废水处理池内的底部的曝气管道,各根所述曝气管道上安装有多个旋混式曝气器,所述旋混式曝气器包括与所述曝气管道相连接的曝气器底座以及位于所述曝气器底座上方的曝气盘,所述曝气盘的下端设置有一套接头,所述套接头通过连接件与所述曝气器底座固定在一起,所述曝气器底座内形成有曝气室,所述曝气室内设置有以所述连接件为旋转轴的旋混芯,所述套接头外套设有一扩散齿罩,所述扩散齿罩的下端通过多根格栅柱与所述曝气器底座连接在一起,各根所述格栅柱之间形成供空气排出所述曝气室的间隙。本实用新型一种废水处理曝气系统,充氧效率高、曝气面积大且曝气效果好。

标签:
废水处理
福建 - 泉州 来源:北方有色网 2023-03-19
炼油废水再生系统
炼油废水再生系统 1055     
 0

本实用新型提供一种能有效去除水中溶解盐类、胶体及COD的,降解水中致色物质,污水中COD可达标排放的炼油废水再生系统,包括废水收集池、隔油装置、气浮装置、污油回收池、多介质过滤器、臭氧发生器、生物接触氧化池、保安过滤器、反渗透膜系统及回水池,废水收集池的出口连接于隔油装置的进口,气浮装置的进口连接隔油装置的出口,多介质过滤器的进口连接气浮装置的出口,臭氧发生器的进口连接多介质过滤器的出口,生物接触氧化池的进口连接臭氧发生器的出口,保安过滤器的进口连接生物接触氧化池的出口,反渗透膜系统的进口连接保安过滤器的出口,回水池的进口连接反渗透膜系统的出口,隔油装置与气浮装置的废油出口分别连接污油回收池的进口。

标签:
废水处理
福建 - 泉州 来源:北方有色网 2023-03-19
环保通用废水处理设备
环保通用废水处理设备 1076     
 0

本实用新型公开了一种环保通用废水处理设备,其结构包括沉淀罐、进水口、投料口、开关阀、抽水泵、第一通水管、第二通水管、回流管、超滤膜过滤器、排水管、支撑架、电控箱、开关、中央处理器、回流装置和杀菌装置,本实用新型的一种环保通用废水处理设备,通过设置了回流装置,水质检测仪对第一通水管内流来的水进行检测,如水质化学物质超过国家排放标准,则关闭第一电磁阀并且打开第二电磁阀使得水重新回到沉淀罐与药物进行重新反应,最终使得排出的水质符合标准;启动杀菌装置使得LED驱动器启动紫外线杀菌灯,对流过的水进行杀菌防止水中细菌大量滋生造成二次污染。

标签:
废水处理
福建 - 泉州 来源:北方有色网 2023-03-19
复合式多管膜超滤的处理废水装置

本实用新型提供一种复合式多管膜超滤的处理废水装置,所述处理废水装置设有过滤网、微滤膜和中空纤维超滤膜,罐过滤网镶嵌在罐体上部并延伸至罐体外侧与过滤网夹紧件连接,过滤网夹紧件的下方设有震动装置,微滤膜的右下方设有与中空纤维超滤膜连接的出水管道,中空纤维超滤膜的右侧贯穿罐体侧壁开设有清水出口,清水出口通过排水管连接至清水池中,微滤膜和中空纤维超滤膜的左下方均设有排污出口,且排污出口通过污水管道连接到污水池中。本实用新型结构简单,废水经过三层过滤,能过滤的到干净的水,且通过加入震动装置,防止过滤网被堵塞,便于水的过滤,且通过加药水对超滤和微滤膜进行防堵处理,而且可以对清洗装置,简单方便,便于推广。

标签:
废水处理
福建 - 泉州 来源:北方有色网 2023-03-19
复合式多管膜超滤处理废水装置

本发明涉及废水处理领域,具体为一种复合式多管膜超滤处理废水装置,包括罐体和震动装置所述罐体的上端设有进水口,所述罐体的侧壁上安装有加药桶,加药桶通过管道分别与微滤膜和中空纤维超滤膜的上端进行连通,所述罐体的内腔从上到下依次设有过滤网、微滤膜和中空纤维超滤膜,所述微滤膜和中空纤维超滤膜的侧壁设有清水出口,所述清水出口通过水管连接至清水池中,所述微滤膜和中空纤维超滤膜的下方均设有出水口。本发明结构简单,废水经过三层过滤,能过滤的到干净的水,且通过加入震动装置,防止过滤网被堵塞,便于水的过滤,且通过加药水对超滤和微滤膜进行防堵处理,简单方便,便于推广。

标签:
废水处理
福建 - 泉州 来源:北方有色网 2023-03-19
油墨废水处理装置
油墨废水处理装置 1096     
 0

本实用新型涉及废水处理技术领域,提供一种油墨废水处理装置,包括蓄水池、PLC控制器、多个电磁阀、絮凝剂投药箱、第一抽水泵、第二抽水泵、第三抽水泵、絮状物沉淀分离池、输送泵、高压板框压滤机、储泥仓和第一过滤塔,所述第一过滤塔包括塔体、设于塔体内上部的石英砂颗粒层和设于塔体内下部的活性炭,所述第一过滤塔的出水口设有控制通断的电磁阀,所述第一抽水泵、第二抽水泵、第三抽水泵、各个电磁阀、搅拌机、输送泵和高压板框压滤机均连接并受控于PLC控制器。本实用新型解决现有油墨废水装置无法有效处理、处理效果差、结构复杂的问题。

标签:
废水处理
福建 - 泉州 来源:北方有色网 2023-03-19
造纸废水动态纤维分离器

本发明涉及造纸机械领域,具体涉及造纸废水动态纤维分离器,包括筒体、设于筒体上端开口处外壁的支架、设于支架上的导向柱、套设于导向柱上的弹簧、安装于弹簧上端的振动板、安装于振动板上的振动器、固定于振动板下面的固定环、固定于固定环下端的筛网筒,所述筛网筒内设有出水管,所述弹簧上端突出筒体上沿,所述筒体中下部设有进水管,所述筒体中上部设有溢水管,所述筒体底部设有高浓细小纤维出浆口,所述筒体下端设有支撑脚,由于设有上述结构,该分离器可回收废水中的细小纤维,且回收率高、分离快,完全再利用白水,大量减少废水排放。

标签:
废水处理
福建 - 泉州 来源:北方有色网 2023-03-19
味精浓废水治理和综合回收方法

味精浓废水治理和综合回收方法, 涉及环境保护 技术领域。其工艺过程为 : (1)浓废水预处理, 提取蛋白质; (2)沉淀清液加入有效Ca(OH)2或CaO, 沉淀CaSO42H2O; (3)沉淀清液去除NH3-N; (4)沉淀的CaSO42H2O湿泥、NH3、CO2混合反应, 生成(NH4)2SO4和CaCO4沉淀。最后的清液, 进行厌氧、好氧生化处理, 排放。具有高效、节能、降耗的特点, CODcr、BOD5、SS、NH3-N、PH等五项指标达国家GB8978—96二级排放标准, 环境效益、经济效益十分显著。

标签:
废水处理
福建 - 泉州 来源:北方有色网 2023-03-19
有机废水用高效催化降解装置

本发明公开了一种有机废水用高效催化降解装置,包括底板、支架、槽架、罩壳、盖体、动力结构、传动机构、支撑组件、控制开关和电源线,本发明通过优化设置了传动机构和支撑组件,以驱动电机作为动力源,通过转盘上卡柱与小齿条的配合使前齿条和后齿条分别带动第一齿轮和第二齿轮转动,第一齿轮和第二齿轮分别带动第一搅拌杆和第二搅拌杆通过齿轮在齿条架表面上下往复移动,从而第一搅拌杆和第二搅拌杆在转动的同时上下移动,加快了废水的流动和增强了与空气的接触,从而加快了废水的催化降解效率。

标签:
废水处理
福建 - 泉州 来源:北方有色网 2023-03-19
多相循环一体化造纸废水处理设备

本申请涉及废水处理技术领域,且公开了一种多相循环一体化造纸废水处理设备,包括外桶和过滤桶,所述过滤桶设置于外桶的内部,所述外桶的底部固定设置有驱动机构,所述过滤桶的内部设置有第一转杆,所述第一转杆的下端杆壁通过第一密封轴承与过滤桶的底板转动连接,所述第一转杆的杆壁对称固定设置有多个搅拌杆,所述第一转杆的下端贯穿过滤桶并与驱动机构传动连接,所述外桶的一侧外壁固定设置有循环机构。本申请实现了对废水的循环过滤,有效的保证了过滤效果。

标签:
废水处理
福建 - 泉州 来源:北方有色网 2023-03-19
石板材加工废水的处理系统

本实用新型公开了一种石板材加工废水的处理系统,其废水集水池中的废水由潜水泵通过管道泵出,废水集水池之后依序以管道连通初级絮凝剂加药系统、综合絮凝剂加药系统和预沉器,预沉器的杂质出口由管道连通集泥池,预沉器的处理水出口连通多介质净水器,多介质净水器的清水出口连通清水池该系统处理量大,可以达到100-110吨/小时,处理效率高,可将特高浊度水处理至3mg/L的清水。使得石板材加工废水污水排放量减少,循环利用率提高,有效地节约了资源,保护了环境。

标签:
废水处理
福建 - 泉州 来源:北方有色网 2023-03-19
用于印染废水处理的处理装置

本申请涉及用于印染废水处理的处理装置,包括依次连接的进水管道、过滤单元、连接管道、脱色单元和出水管道,过滤单元包括安装于过滤单元内的搅拌筒,搅拌筒为封闭的中空筒体,搅拌筒的外侧连接有用于驱动搅拌筒转动的转动电机;连接管道插接于搅拌筒的内部,连接管道安装有抽水泵;搅拌筒的外周侧设有用于过滤废水的微孔。本申请的用于印染废水处理的处理装置具有过滤效率高以及微孔不容易被堵塞的优点。

标签:
废水处理
福建 - 泉州 来源:北方有色网 2023-03-19
上一页 10 11 12 13 14 ... 23 下一页
共23页    到第

北方有色为您提供最新的福建泉州有色金属废水处理技术理论与应用信息,涵盖发明专利、权利要求、说明书、技术领域、背景技术、实用新型内容及具体实施方式等有色技术内容。打造最具专业性的有色金属技术理论与应用平台!

全国热门有色金属设备推荐
展开更多 +
全国热门有色金属技术推荐
展开更多 +

 

江西省隆恩特环保设备有限公司
宣传

报名参会
更多+

报告下载

有色专家
更多+

中南大学
中国工程院 院士
中南大学
中国工程院院士
矿冶科技集团有限公司
所长/研究员级高工
北京科技大学
副院长/教授
北京工业大学、中国工程院
中国工程院 院士
赤泥综合利用研究报告2025
推广

热门技术
更多+

推荐企业
更多+

福建省金龙稀土股份有限公司
宣传

发布

在线客服

公众号

电话

顶部
咨询电话:
010-88793500-807