青岛垚鑫智能科技有限公司
宣传

位置:中冶有色 >

有色技术频道 >

分类:
全部
矿山技术
冶金技术
材料制备及加工技术
环境保护技术
分析检测技术
 
全部
功能材料技术
复合材料技术
新能源材料技术
合金材料技术
加工技术
地区:
全部
北京
天津
上海
重庆
河北
山西
辽宁
吉林
黑龙江
江苏
浙江
安徽
福建
江西
山东
河南
湖北
湖南
广东
海南
四川
贵州
云南
陕西
甘肃
青海
内蒙
广西
西藏
宁夏
新疆
其他
其他
展开
 
全部
广州
韶关
深圳
珠海
汕头
佛山
江门
湛江
茂名
肇庆
惠州
梅州
汕尾
河源
阳江
清远
东莞
中山
潮州
揭阳
云浮

广东江门有色金属材料制备及加工技术理论与应用

免费发布技术信息>>
高倍率三元掺锰体系启动型锂离子电池

本发明属于电池技术领域,具体涉及一种高倍率三元掺锰体系启动型锂离子电池,包括电池壳、设置在电池壳的正极、负极、用于分隔正极和负极的隔膜及填充于电池壳内的电解液;正极包括70‑100份的正极活性物质、0.8‑1.7份的正极粘接剂及0.5‑4.5份的正极导电剂,正极活性物质包括55‑70份的镍钴锰三元材料和15‑30份的锰酸锂,镍钴锰三元材料中镍、钴、锰的含量比例为8:1:1;负极包括91‑98份的负极活性物质、2.3‑4.2份的负极粘接剂及0.5‑4.5份的负极导电剂。本发明的技术效果是:正极采用镍钴锰三元材料掺杂锰酸锂材料的体系,降低含钴材料的比例和使用,降低电池成本。

标签:
加工技术
广东 - 江门 来源:中冶有色网 2023-03-18
薄型锂离子电池保护板

本实用新型涉及电子技术领域,具体地涉及一种锂离子电池保护板,该保护板的焊盘(3)与电子元件(2)布置在PCB板(1)的同一侧。本实用新型的结构可以使保护板在锂离子电池包中所占的厚度空间更小,使锂离子电池能够做得更薄。

标签:
加工技术
广东 - 江门 来源:中冶有色网 2023-03-18
软包聚合物锂电池生产用除尘装置

本实用新型公开了一种软包聚合物锂电池生产用除尘装置,涉及锂电池领域,包括操作盒体,所述操作盒体的底面螺栓连接有支撑垫块,所述操作盒体的一侧边斜焊接有进料漏斗,所述操作盒体的一侧边水平插接有收集抽屉,所述操作盒体在靠近收集抽屉的一侧边螺栓连接有启动按钮,所述操作盒体的侧边水平开设有传输槽道,所述传输槽道的内侧边水平插接有传动滚轴,所述传动滚轴的两端插接有转动插杆,所述操作盒体在远离进料漏斗的一侧边螺栓连接有收纳箱体。本实用新型装置设计一体化结构简单操作方便,在采用了底吸的方式使得吸尘的效果更好,同时在采用了清扫配合的情况下使得除尘的效率更高,能够彻底的对锂电池的表面灰尘进行去除作用。

标签:
加工技术
广东 - 江门 来源:中冶有色网 2023-03-18
密封性好的组合式锂电池外部防护结构

本实用新型涉及锂电池技术领域,且公开了一种密封性好的组合式锂电池外部防护结构,包括下壳体,所述下壳体的内壁底部、左侧和右侧均固定安装有第一限位块,所述第一限位块的外壁活动安装有电池组本体,所述电池组本体的外壁套接有密封包装膜,所述下壳体的顶部固定安装有第一密封圈,所述第一密封圈的顶部活动安装有第二密封圈,所述第二密封圈的顶部固定安装有上壳体,所述上壳体的内壁顶部、左侧和右侧均固定安装有延伸至电池组本体外壁的第二限位块。该密封性好的组合式锂电池外部防护结构,通过密封包装膜初步对电池组本体进行密封,再通过下壳体和上壳体对电池组本体进行二次密封,达到多重密封的效果。

标签:
加工技术
广东 - 江门 来源:中冶有色网 2023-03-18
废旧富镍型锂离子电池的回收方法

本发明公开了一种废旧富镍型锂离子电池的回收方法,属于废料回收领域。该方法以硫酸化焙烧、萃取、冷冻析晶等多种步骤结合,最后可从废料中转化制备出可直接用作工业生产的高纯度球形Ni(OH)2和LiPF6有机溶液(可直接用于锂离子电池电解液的制备原料);所述方法引入杂质少,操作步骤简单且安全环保,产品产率高且制备成本低。本发明还公开了所述方法制备的球形氢氧化镍和高纯度LiPF6有机溶液。本发明还公开了所述方法在在废旧电池回收利用中的应用。

标签:
加工技术
广东 - 江门 来源:中冶有色网 2023-03-18
利用电弧炉回收废旧车用电池中锂金属的方法

一种利用电弧炉回收废旧车用电池中锂金属的方法,本发明公开了一种利用电弧炉回收电池中锂金属的方法,包括电池的放电处理、拆解、电芯粗破和熔炼工序;所述的熔炼工序具体操作步骤如下:1)将粗破后的电芯置于电弧炉中,升温至1400?1500℃,反应30?60min;2)向电弧炉中加入熔剂和碳粉,继续反应30?45min,得到含Co和/或Ni的合金、炉渣及飞灰;3)收集飞灰,加入去离子水溶解,过滤,得到滤液;4)向步骤3)得到的滤液中加入盐酸调pH值至4,过滤;5)向步骤4)得到的滤液中加入Na2CO3,得到产物Li2CO3。本发明的方法不但回收镍钴铜等金属,同时极大简化了锂回收以及提纯工艺,大大降低生产成本,实现电池中有价金属的循环再利用。

标签:
加工技术
广东 - 江门 来源:中冶有色网 2023-03-18
高平整度锂电池
高平整度锂电池 718     
 0

本实用新型公开了一种高平整度锂电池,包括:电池主体,电池主体包括正极片、负极片、正极耳、负极耳、隔膜和包装壳,正极片和负极片固定在包装壳上,负极耳固定在负极片上,隔膜位于正极片和负极片之间;正极片设置有正极集流体,正极集流体上粘结有电极膏;正极集流体有用于设置正极耳的安装位;正极片设置有用于与负极耳进行匹配的凹槽,凹槽的截面积大于负极耳的截面积。本实用新型实施例中,避免锂电池的极耳处偏厚,提高锂电池的平整度。

标签:
加工技术
广东 - 江门 来源:中冶有色网 2023-03-18
具有防水效果的玩具用锂电池组

本实用新型公开了一种具有防水效果的玩具用锂电池组,包括上电池盒,上电池盒的下方设有下电池盒,上电池盒与下电池盒的内部设有锂电池,上电池盒与下电池盒的一侧铰接,上电池盒的另一侧下方向上开设有上腔室,下电池盒上与上腔室对应处向下开设有下腔室,下腔室与上腔室内部相互连通,下腔室的底部外侧开设有外通槽,外通槽与下电池盒的外部连通,上腔室的上端内侧开设有与上电池盒内部连通的内通槽,上电池盒内设有散热机构,本实用新型能够通过内通槽、外通槽、上腔室和下腔室的相互配合对电池盒内部进行通风散热,避免电池盒内部处于密闭空间不散热,使得锂电池长期处于高温的工作环境,降低其使用寿命。

标签:
加工技术
广东 - 江门 来源:中冶有色网 2023-03-18
锂电池生产用产品移动结构

本实用新型公开了锂电池生产用产品移动结构,包括底座,底座上设有产品移动结构;其中产品移动结构包含有:支撑柱、操作箱、旋转轴、第一电动推杆、连接板、轴承、支撑板、第二电动推杆、夹子以及驱动组件;支撑柱安装在底座上,操作箱安装在支撑柱上,第一电动推杆安装在操作箱上壁面上,连接板安装在第一电动推杆伸缩端上,轴承安装在连接板上,操作箱上下壁面开设有通孔,旋转轴穿过操作箱上下壁面开设的通孔,本实用新型涉及锂电池生产技术领域,解决了现有的锂电池生产后产品移动需要人工进行,人工进行产品移动大大增加了生产成本的问题。

标签:
加工技术
广东 - 江门 来源:中冶有色网 2023-03-18
内置锂电池的便携式风扇

本实用新型提供了一种内置锂电池的便携式风扇,包括呈一字形的壳体一和壳体二,壳体一的一端和壳体二的一端通过旋转定位组件连接;壳体二通过旋转定位组件可以绕一轴线相对壳体一旋转,并且具有和壳体一重叠的收回状态、和壳体一展开呈一字的打开状态、以及和壳体一展开呈交叉的半打开状态;在半打开状态时,壳体一横卧并且作为壳体二的支架;壳体二的另一端设有电机,扇叶可拆卸地设于电机的转轴上,壳体二的内部还设有锂电池,锂电池为电机进行供电;壳体一面向壳体二的一侧设有供扇叶拆卸后进行容纳的容纳槽。本实用新型提出的风扇以及风扇组件,其中风扇在使用时扇叶是裸露的,在不使用时扇叶是不裸露的,并且具有三种状态。

标签:
加工技术
广东 - 江门 来源:中冶有色网 2023-03-18
废弃锂电池用石墨棒清洗装置

本发明公开了一种废弃锂电池用石墨棒清洗装置,包括清洗箱,所述清洗箱的上部固定安装有防护罩,且防护罩的上部固定安装有储水箱,并且储水箱的端面设置有进水管和水泵,所述进水管的一端端部与水泵的输出端一侧固定连接,所述水泵的输出端另一侧固定安装有回流管,且回流管的一端贯穿清洗箱的端面,所述防护罩的内部设置有升降洒水箱,所述清洗箱的内部贯穿旋转安装有多组辊轮,所述清洗箱的端面安装有多组微型减速电机。有益效果:本发明通过上料凹槽板,通过设置的上料凹槽板,能够便于将重量较重的石墨棒导入清洗箱内部,为废弃锂电池用石墨棒清洗装置石墨棒的上料工作带来便利。

标签:
加工技术
广东 - 江门 来源:中冶有色网 2023-03-18
具有三维负极集流体的熔断型锂电池

本实用新型公开了一种具有三维负极集流体的熔断型锂电池,包括:外壳,设有开口,开口向内延伸形成电芯腔室;盖帽,盖合至开口处,与外壳绝缘相连,且能够密封外壳;电芯,放置于电芯腔室中;正极耳,设置于电芯内,且伸出电芯设置,并与盖帽电性相连,正极耳上设有熔断结构和辅助熔断结构,熔断结构上套设有绝缘固定套,熔断结构用于在承载过载电流时熔断,辅助熔断结构与熔断结构相对应,用于在电池内部气压过大时主动切断熔断结构;负极耳,设置于电芯内,且伸出电芯设置,并与外壳电性相连。能够使得锂离子电池在外部短路时,快速熔断,并且熔断后不影响锂离子电池的正常使用。本实用新型应用于锂离子电池领域。

标签:
加工技术
广东 - 江门 来源:中冶有色网 2023-03-18
安装稳固的新型锂电池
安装稳固的新型锂电池 1042     
 0

本实用新型涉及新型锂电池技术领域,且公开了一种安装稳固的新型锂电池,包括安装板,所述安装板的顶部开设有两个定位槽,所述定位槽的内部插接有定位块,两个所述定位块的顶部之间固定安装有锂电池本体,所述安装板的顶部固定安装有两个侧板,所述侧板的左右两侧均固定安装有两个限位筒,所述限位筒的内侧滑动连接有限位杆,所述限位杆的外侧固定安装有连接块,同侧两个所述连接块相对的一侧均固定安装有固定筒,所述固定筒的内侧螺纹连接有固定杆,同侧两个所述固定杆的相背一端均固定安装有固定块。该安装稳固的新型锂电池,安装简单方便,省时省力,并且安装稳固性好,防止在使用时发生晃动,从而提高了使用效果。

标签:
加工技术
广东 - 江门 来源:中冶有色网 2023-03-18
锂离子电池极耳软胶结构

本实用新型公开了一种锂离子电池极耳软胶结构,其包括安装在极耳上的软胶,所述软胶分为上部和下部,下部的宽度小于上部的宽度,且大于或等于极耳的宽度。本实用新型将极耳上的软胶下部制成较其上部窄,使得软胶的底端面可直接抵触在正、负极片上,让锂离子电池隔膜伸出正、负极片的部分卷绕在软胶的下部,避免了隔膜在卷绕时被软胶划破;同时摒弃了传统技术中通过划线控制软胶同极片距离的模式,软胶的下部起到定位的作用,提高了生产效率,且具有结构简单紧凑、操作方便、成本低的特点。

标签:
加工技术
广东 - 江门 来源:中冶有色网 2023-03-18
铕锂激发硼酸锶紫外荧光粉及其制备方法

本发明公开了一种铕锂激发硼酸锶紫外荧光粉的制备,荧光粉的化学组成为:SrBxO7:Euy,Liz,其在紫外线激发下的发光光谱峰值波长约为370nm,谱带的半高宽为17~19nm。它的发光强度比四硼酸锶铕荧光粉高约10%。本发明方法制备的荧光粉在600℃灼烧30分钟后,它的发光强度几乎没有衰减。本发明的铕锂激发硼酸锶紫外荧光粉的制备方法,工艺相对简单,降低了生产成本。

标签:
加工技术
广东 - 江门 来源:中冶有色网 2023-03-18
废旧锂电池破碎物料外壳分选及清洗装置

本实用新型公开了一种废旧锂电池破碎物料外壳分选及清洗装置,涉及废旧电池外壳清洗技术领域,针对现有的破碎分选时由于电池外部占有大量的灰尘,影响电池破碎分选的问题,现提出如下方案,其包括支撑机构,所述支撑机构的顶端设置有上料板,且所述上料板呈倾斜结构,所述支撑机构的顶端设置有传送机构,且所述传送机构位于上料板的一侧,所述传送机构的顶端设置有烘干机构,且所述传送机构的顶端设置有清洗机构,所述清洗机构为滑动式伸缩结构,所述支撑机构的顶端设置有破碎分选箱。本实用新型结构新颖,且避免废旧锂电池上沾染的灰尘或杂物影响锂电池破碎分选的情况,操作简单,且节省资源。

标签:
加工技术
广东 - 江门 来源:中冶有色网 2023-03-18
锂电池用连接片
锂电池用连接片 766     
 0

本实用新型涉及锂电池技术领域,具体涉及一种锂电池用连接片;包括连接片及其两端设置的用于套装在相邻锂电池正极外的焊接组件;所述焊接组件包括贴合在锂电池位于正极一侧的环形板,所述环形板中部设置有供正极穿过的通孔;所述环形板上端设置有与通孔同轴布置的环状凸起,所述环状凸起内径大于通孔的内径;所述环状凸起内设置有套装于正极外的套环,所述套环与连接片端部连接;本实用新型通过焊接组件的设置,能够在焊接前快速实现连接片的安装及稳定固定,为后续的焊接提高有利条件,降低出现漏焊、虚焊、炸火等焊接异常的几率,进而降低废品率。

标签:
加工技术
广东 - 江门 来源:中冶有色网 2023-03-18
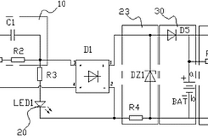
低成本锂电池充电电路
低成本锂电池充电电路 1124     
 0

本实用新型公开一种低成本锂电池充电电路,包括:滤波电路D1、电阻R4、二极管D5、稳压管DZ1和用于连接待充电锂电池BAT的正极a和负极b接线端子;所述电阻R4和稳压管DZ1串联连接于所述滤波电路D1的输出端,所述用于连接待充电锂电池BAT的正极a和负极b接线端子并联连接于所述稳压管DZ1;所述二极管D5阴极连接所述待充电锂电池BAT的正极a,二极管D5阳极电连接所述稳压管DZ1的阴极。以上电路在满足了充电需求的前提下,力求结构简单,其所采取的关键保护器件也简洁化,可以避免冗余的电子设计及其复杂的电子器件布局所带来的容易损坏发热等问题,成本低廉,实用。

标签:
加工技术
广东 - 江门 来源:中冶有色网 2023-03-18
高放电电压平台锂离子电池正极材料制备方法

本发明公开了一种高放电电压平台锂离子电池正极材料制备方法,该方法是选取类部分纳米钴源和大颗粒四钴钴源混合使用作为钴源料,在过量锂配比的条件下焙烧出大颗粒正极材料。通过较强的气流粉碎,用气流粉碎机将制备的正极材料进行左偏态粉碎处理,再经过二次焙烧、粉碎、筛分处理得到锂离子电池正极材料。该锂离子电池正极材料中心粒度为12~18um,粒度分布为左偏态分布,粉体振实密度大于2.7g/cm3,做成全电池加工性能良好,极片压实密度可达到4.1g/cm3,3.0V~4.2V全电池性能检测1C放电克容量发挥146mAh/g,1C放电3.6V平台比率可达到80~90%。

标签:
加工技术
广东 - 江门 来源:中冶有色网 2023-03-18
软包聚合物锂电池生产用卷绕装置

本实用新型公开了一种软包聚合物锂电池生产用卷绕装置,涉及锂电池领域,包括支撑盒体,所述支撑盒体的一侧边开设有出料通孔,所述出料通孔的内侧边插接有卷曲轴杆,所述支撑盒体在靠近出料通孔的一侧边螺栓连接有收集箱体,所述支撑盒体的一侧边开设有送料槽,所述支撑盒体在靠近送料槽的一侧边水平焊接有支撑横板,所述支撑横板的顶面均匀水平开设有放料横槽,所述支撑横板的顶面对接有推料齿板,所述支撑横板在远离送料槽的一端水平焊接有固定底板。本实用新型装置设计简单操作方便,采用了批量式的设计使得在进行卷曲时可以一次进行大量的操作,让工作效率和生产效率大大提高,同时实现自动化脱料使得更加的省时省力。

标签:
加工技术
广东 - 江门 来源:中冶有色网 2023-03-18
防漏的锂离子电池封装装置

本实用新型公开了一种防漏的锂离子电池封装装置,包括封装箱、真空泵、工作台、上封头和下封头,所述工作台底端的四个拐角处均安装有支腿,所述工作台顶端的一侧安装有封装箱,且封装箱一侧的工作台的顶端安装有真空泵,所述真空泵的输出端通过抽空管与封装箱靠近真空泵一侧的顶端连接,且抽空管上安装有开关阀,所述封装箱的顶端靠近抽空管的一侧安装有控制箱。本实用新型通过安装有真空泵,且真空泵通过抽空管与封装箱的内部连通,使得便于将封装箱内部的空气吸除,进行真空封装,避免铝塑膜在封装锂离子电池时出现气泡,发生漏液等情况,影响封装效果和电池的性能。

标签:
加工技术
广东 - 江门 来源:中冶有色网 2023-03-18
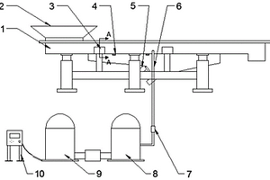
锂电池盐溶液放电设备

本实用新型公开了一种锂电池盐溶液放电设备,包括有盐池箱、水流增压泵、升降装置、镂空筐,盐池箱具有溶液槽;输送水流增压泵具有输入口和输出口,输入口和输出口均连通溶液槽;升降装置具有升降吊钩;镂空筐钩挂在升降吊钩上。盐池箱的溶液槽盛放有盐溶液,水流增压泵利用输入口吸入盐溶液,从而可以在输出口输出高压的盐溶液水流;锂电池的正极柱的金属溶解在盐溶液中并水解产生絮状物,絮状物将会被输出口输出的高压盐溶液水流冲散,让盐溶液更好地与正极柱的金属进行放电反应,从而防止出现因絮状物包裹在正极柱周围影响放电的继续进行的情况,让放电时间缩短,提高锂电池放电效率。

标签:
加工技术
广东 - 江门 来源:中冶有色网 2023-03-18
软包装高功率型圆柱形锂锰电池

本实用新型涉及一种锂锰电池,更具体地涉及一种软包装高功率型圆柱形锂锰电池,它采用圆柱形的铝塑复合膜(1)作为锂锰电池的外壳,圆柱形铝塑复合膜(1)内由正极片(2)、隔膜(3)、负极片(4)卷绕而成的圆柱形电芯(5),所述隔膜(3)位于正极片(2)和负极片(4)之间,所述正极片(2)和负极片(4)上均通过极耳胶粘贴有极耳(6),极耳(6)伸出密封圆柱形铝塑复合膜(1)外。本实用新型采用圆柱形铝塑复合膜的软包装外壳,它克服了现有钢壳圆柱形锂锰电池在使用过程中安全性差等不足之处,并且尺寸设计灵活,能够满足不同顾客个性化要求。

标签:
加工技术
广东 - 江门 来源:中冶有色网 2023-03-18
动力锂电池组
动力锂电池组 890     
 0

本实用新型提供一种动力锂电池组,包括多个锂电池单体,其中所述的多个锂电池单体形成并联结构的并联组;支架,用于固定形成并联结构的锂电池单体的相对位置,并控制多个锂电池单体之间的间隔以保证绝缘性;以及保护电路板,其存储有每个并联组和电池组整体的最佳充电和放电截止电压,并控制所述电池组的充电和放电。所述的支架可以保证每个电池单体的间隔并保证绝缘,增加的保护电路板可存储有动力锂电池工作的基本参数,例如每个并联组和电池组整体的最佳充电和放电截止电压,并根据这些参数控制电池组的充电和放电,避免了过度的充放电,改善了电池的整体结构和性能。

标签:
加工技术
广东 - 江门 来源:中冶有色网 2023-03-18
锂电池高温夹具化成柜

本实用新型公开了一种锂电池高温夹具化成柜,包括化成柜,所述化成柜的内部由上至下依次焊接有多个支撑板,且支撑板的顶部焊接有多个正极夹具,底部焊接有多个负极夹具;所述正极夹具包括限位筒和接触块,所述接触块位于限位筒的内侧,且接触块的底部通过第一挤压弹簧与支撑板弹性连接。本实用新型中,将限位筒外部套设的接触块向下进行拨动,此时的钢珠由于失去了推环的限制,从而可以在活动槽中进行自由的运动,进而失去对于限位筒内侧的卡接作用,通过推块和接触块的共同作用,对锂电池的位置进行稳定,随后松开推环,在推环的内壁的作用下,钢珠对锂电池进行接触,以此实现对于锂电池的稳定就夹持作用。

标签:
加工技术
广东 - 江门 来源:中冶有色网 2023-03-18
锂电池制片机
锂电池制片机 733     
 0

本发明公开了锂电池制片机,包括极片放卷机构、极耳送料机构、极耳焊接机构和极耳贴胶机构,极片放卷机构包括支架、第二夹盘、第二气缸、第二转轴和转换器,第二气缸设置在第二转轴的一端并推动第二转轴沿第二转轴的轴线方向移动;转换器包括套筒、圆锥块和第一夹盘,套筒和第二气缸安装在支架上,第二夹盘固定在套筒上,圆锥块固定在第二转轴上,套筒设有容置圆锥块活动的空腔,套筒的圆周面上设有连通空腔的导向孔,第一夹盘具有斜面,第一夹盘的斜面贴合在圆锥块的锥形面上并且第一夹盘可移动地设置在导向孔内。本发明的锂电池制片机,通过第二气缸控制转换器中第一夹盘的伸缩升降,实现极片的夹紧和松开,简化了极片更换操作。

标签:
加工技术
广东 - 江门 来源:中冶有色网 2023-03-18
废旧锂离子电池带电破碎防火灭火的装置

本发明涉及废旧电池破碎领域,提供了一种废旧锂离子电池带电破碎防火灭火的装置,包括振动输送机、振动马达、红外线火焰探测器、温度传感器、液氮输送管、液氮电磁阀、液氮机、制氮机和电控柜,该振动输送机设有进料口以及与进料口连通的腔体,腔体内设有液氮喷射管,制氮机、液氮机、液氮电磁阀、液氮喷射管依次通过液氮输送管连接,液氮喷射管上设有多个间隔设置的液氮喷头,红外线火焰探测器、温度传感器和液氮电磁阀皆与电控柜通信连接。本发明采用的是液氮隔绝氧气和降温保护来对废旧锂离子电池破碎料进行防火灭火,不需用水对带电电池进行特殊处理,生产周期短,且氮气挥发不影响后续分选,分离效果好,自动化程度更高更安全。

标签:
加工技术
广东 - 江门 来源:中冶有色网 2023-03-18
与无线麦克风锂电池配套的仿真电池及其无线麦克风装置

本实用新型公开了与无线麦克风锂电池配套的仿真电池及其无线麦克风装置,仿真电池中设有一降压二极管,该降压二极管具有压降,因此仿真电池与锂电池形成了串联结构,将锂电池的输出降低,能为无线麦克风提供合适、稳定的电源。采用本实用新型的仿真电池,用户可直接使用一节锂电池为无线麦克风供电,而无需对麦克风电池仓的内部结构进行改进,而且锂电池的容量大、寿命长,能重复使用,经济环保,延长了无线麦克风的使用时间,且大大方便了用户的使用。

标签:
加工技术
广东 - 江门 来源:中冶有色网 2023-03-18
废旧锂电池破碎分离装置

本实用新型公开了一种废旧锂电池破碎分离装置,包括底座,所述底座的上表面固定连接有分离箱,所述分离箱的上表面固定连通有破碎箱,所述破碎箱的正面固定安装有驱动电机,所述分离箱的内部设有分离筛板,所述分离箱的右侧面开设有排料口,所述分离箱的内顶壁固定安装有两个第一弹簧,每个所述第一弹簧的底端均与分离筛板的上表面固定连接。该废旧锂电池破碎分离装置,在分离箱的内部设置分离筛板,由于分离筛板通过固定板安装有振动电机,利用第一弹簧和第二弹簧配合分离筛板进行振动,能够将破碎之后的锂电池进行固液分离,锂电池中的电解液通过分离筛板漏入分离箱底部,而固体废料通过排料口排出,从而实现破碎分离回收的效果。

标签:
加工技术
广东 - 江门 来源:中冶有色网 2023-03-18
用于减小固态电解质/锂界面电阻的方法

本发明涉及一种用于减小固态电解质/锂界面电阻的方法,包括以下步骤:S1)、选择合适的固态电解质作为沉积的基底;S2)、在固态电解质上溅射碳靶;S3)、将固态电解质基底放置于沉积工作区内,利用沉积方法进行碳沉积,沉积厚度大约1nm‑100nm;S4)、然后将锂片与处理后的固态电解质紧密结合,通过碳过渡层直接与锂接触,从而大大降低界面电阻。本发明方法简单,实用性强,通过在固态电解质与锂金属之间溅射一层碳原子颗粒,从而达到减小界面电阻的目的,并且碳靶可自行制备,相对现有技术更加经济,并且通过改变溅射形貌,满足不同界面电阻需求。

标签:
加工技术
广东 - 江门 来源:中冶有色网 2023-03-18
上一页 10 11 12 13 14 ... 29 下一页
共29页    到第

中冶有色为您提供最新的广东江门有色金属材料制备及加工技术理论与应用信息,涵盖发明专利、权利要求、说明书、技术领域、背景技术、实用新型内容及具体实施方式等有色技术内容。打造最具专业性的有色金属技术理论与应用平台!

全国热门有色金属设备推荐
展开更多 +
全国热门有色金属技术推荐
展开更多 +

 

江西省隆恩特环保设备有限公司
宣传

报名参会
更多+

报告下载

有色专家
更多+

南昌航空大学
副院长/教授
武汉科技大学
校学术委员会主任 / 教授
昆明理工大学
教授
北京科技大学
副院长/教授
重庆大学
副院长/教授
赤泥综合利用研究报告2025
推广

热门技术
更多+

推荐企业
更多+

福建省金龙稀土股份有限公司
宣传

发布

在线客服

公众号

电话

顶部
咨询电话:
010-88793500-807