青岛垚鑫智能科技有限公司
宣传

位置:中冶有色 >

有色技术频道 >

分类:
全部
矿山技术
冶金技术
材料制备及加工技术
环境保护技术
分析检测技术
 
全部
功能材料技术
复合材料技术
新能源材料技术
合金材料技术
加工技术
地区:
全部
北京
天津
上海
重庆
河北
山西
辽宁
吉林
黑龙江
江苏
浙江
安徽
福建
江西
山东
河南
湖北
湖南
广东
海南
四川
贵州
云南
陕西
甘肃
青海
内蒙
广西
西藏
宁夏
新疆
其他
其他
展开
 
全部
广州
韶关
深圳
珠海
汕头
佛山
江门
湛江
茂名
肇庆
惠州
梅州
汕尾
河源
阳江
清远
东莞
中山
潮州
揭阳
云浮

广东江门有色金属材料制备及加工技术理论与应用

免费发布技术信息>>
锂电池正极原料生产的反应罐

本实用新型涉及锂电池技术领域,具体公开了一种锂电池正极原料生产的反应罐,包括罐体、搅拌电机、搅拌装置及电机传动机构,所述搅拌装置设置于所述罐体内,所述电机传动机构分别与所述搅拌装置及搅拌电机连接,所述搅拌电机及电机传动机构均设置于所述罐体的上端,所述罐体的外侧设置有挡板,所述罐体上设置有进料口,所述罐体的底部设置有出料口。本实用新型结构简单,减少了废料的污染,更加环保,运转稳定性高,用户体验效果好。

标签:
加工技术
广东 - 江门 来源:中冶有色网 2023-03-18
汽化热完全回收式溴化锂中央空调

一种汽化热完全回收式溴化锂中央空调,包括高压发生器、高温热交换器和吸收蒸发腔体,高压发生器蒸汽腔、过热蒸汽降温减压室、降温减压膨胀阀、高压冷剂泵和冷剂水盘依次连通;蒸汽压缩机与过热蒸汽降温减压室连通,蒸汽压缩机、压缩过热蒸汽降温减压室、冷凝换热器、冷凝控制膨胀阀、冷剂水冷却器和冷剂水盘依次连通;冷凝换热器设置在高压发生器的浓溶液腔内;压缩过热蒸汽降温减压室还与降温减压膨胀阀和高压冷剂泵之间连通;采用这样的结构,高压发生器蒸发的冷剂蒸汽的潜热能被完全利用,蒸汽压缩机消耗的功也能被高压发生器吸收用于弥补散热损失和传热损失,溴化锂空调运行期间除蒸汽压缩机在连续消耗电能外,发生器不再需要其它热源加热。

标签:
加工技术
广东 - 江门 来源:中冶有色网 2023-03-18
圆柱形聚合物锂离子电池顶封结构

本实用新型涉及电池技术领域,具体地涉及一种圆柱形聚合物锂离子电池顶封结构,该结构是在对聚合物锂离子电池进行顶部封装后,将铝塑复合膜和极耳进行弯折,形成“之”字形结构,从而降低了电池高度,提高了电池的体积比容量,另一个优点是保证了正极端极耳在后续工序中不断裂,从而提高产品的可靠性和成品率。

标签:
加工技术
广东 - 江门 来源:中冶有色网 2023-03-18
锂离子电池正极极耳材料及制备工艺

本发明公开的一种锂离子电池正极极耳材料及制备工艺,正极极耳材料包括铝材金属体,所述铝材金属体之间通过非铝金属体连接组成复合材料基带,非铝金属体的两端与铝材金属体重叠焊接固定,上述结构中,非铝金属体为镍金属材质,在镍金属上容易焊锡,具有良好的导电率和机械性能,有效解决锂离子电池正极极耳可焊性差的问题,还公开特殊的工艺将两种金属材料连续连接形成正极极耳材料卷料,生产工艺得到简化,降低生产成本,提高经济效益。

标签:
加工技术
广东 - 江门 来源:中冶有色网 2023-03-18
针状式聚合物锂离子电池

本实用新型涉及一种锂离子电池,更具体地涉及一种针状式聚合物锂离子电池,它采用软包装铝塑复合膜作为锂离子电池的外壳,铝塑复合膜内由正极片、隔膜、负极片卷绕而成电芯,正极片和负极片上均连接有极耳,正负极极耳采用圆形金属丝,呈针状从外壳引出,使电池易于插拔,从而能实现快速更换。

标签:
加工技术
广东 - 江门 来源:中冶有色网 2023-03-18
软包装锂电池铝塑膜注液装置

一种软包装锂电池铝塑膜注液装置,包括工作台、设置在工作台上的放置机构、设置在工作台上且位于放置机构上方的升降机构、设置在升降机构上的注液机构及吸盘机构,注液机构包括设置在升降机构上的注液管及设置在注液管底部输出端的扩口导管;放置机构包括设置在工作台上的定位座及设置在定位座上方的保持架,定位座内设有贯通其上部的容纳槽,保持架包括后限位杆及连接在后限位杆前部的限位扣,限位扣包括连接在后限位杆上且向前延伸的侧限位杆及连接在侧限位杆前端且沿横向延伸的前限位杆。本实用新型放置机构能够用于定位待注液锂电池的铝塑膜。

标签:
加工技术
广东 - 江门 来源:中冶有色网 2023-03-18
超塑性半固态挤压成型镁锂合金及其制备方法

本发明提供一种超塑性半固态挤压成型镁锂合金及其制备方法。本发明的镁锂合金通过Li、Zn、Al、RE、Si等元素配比设计,以及系列热处理工艺,使其制备的铸件具有较好的力学性能,抗拉强度达到312Mpa,屈服强度达到257Mpa,延伸率达到21%,具有良好的半固态挤压性能和重量轻、阻尼大等特点,能够用于航空、航天、3C电子壳体、军事装备等领域中减震降噪、屏蔽干扰的零件的制造。

标签:
加工技术
广东 - 江门 来源:中冶有色网 2023-03-18
锂电池卷绕机
锂电池卷绕机 1079     
 0

本发明公开了一种锂电池卷绕机,包括机架、隔膜放卷机构、极片导向机构、隔膜压紧机构、热切刀、卷绕机构、卷芯压紧机构、切纸刀、贴胶纸机构和下料机构,所述贴胶纸机构包括支架、放纸组件、张紧组件和出纸组件,放纸组件包括支撑轴、第一夹盘、第二夹盘、复位弹簧、锁紧块和安装座。本发明的一种锂电池卷绕机,通过在第二夹盘上设置第一通孔、第二通孔和转换通道,需要拆卸或装上第二夹盘时,采用第二通孔与支撑轴间隙配合,便于第二夹盘的移动;需要固定第二夹盘时,通过转换通道,使支撑轴由第二通孔转移到第一通孔中并与第一通孔紧密配合,整体便于装夹胶纸,操作简便。

标签:
加工技术
广东 - 江门 来源:中冶有色网 2023-03-18
溴化锂制冷系统
溴化锂制冷系统 1193     
 0

本发明公开了一种溴化锂制冷系统,包括:发生器,具有储液腔,发生器连接加热装置,发生器的上端设置有排气管;吸收器,具有内腔,吸收器设置有位于内腔下部的冷却机构;蒸发器,位于吸收器的上方,蒸发器具有连通内腔的蒸发室,蒸发器连接有进水管,进水管用于向蒸发室输入水,蒸发器连接送风装置;真空泵,连接于吸收器,真空泵由于对内腔抽真空;其中,发生器设置有连通储液腔的喷洒管,喷洒管的出口位于内腔的上部;吸收器设置有连通内腔的抽液管,抽液管的出口位于储液腔的上部;换热器,用于喷洒管与抽液管进行热交换。本发明相比于传统的溴化锂制冷设备,除去了冷凝器,简化了结构,减小了设备体积,有利于小型化。

标签:
加工技术
广东 - 江门 来源:中冶有色网 2023-03-18
改进的溴化锂空调高压发生器

一种改进的溴化锂空调高压发生器,包括高压发生器,高压发生器上有高压发生器汽包,还包括一过热蒸汽降温减压室、冷剂水止回板、喷嘴和膨胀阀;所述过热蒸汽降温减压室一端与高压发生器汽包连通,另一端与低压发生器的换热器连通;喷嘴设置在过热蒸汽降温减压室内,喷嘴固定在一导管上,导管伸出过热蒸汽降温减压室外与膨胀阀连接;冷剂水止回板设置在喷嘴与高压发生器汽包之间。由于采用这样的结构,使高过热度蒸汽成为低过热度蒸汽或饱和蒸汽,减少低压发生器的换热器换热面积;同时,有利于高压发生器内溶液蒸发,也提高高压发生器效率。

标签:
加工技术
广东 - 江门 来源:中冶有色网 2023-03-18
用于锂离子正极材料的包覆装置

本实用新型涉及锂离子正极材料领域,公开了一种用于锂离子正极材料的包覆装置,包括锅体、加热器、雾化喷头、搅拌装置和包覆剂供料装置,锅体的顶部设有锅盖,加热器设置在锅盖上,加热器的内部设有加热腔,锅盖上开设有将加热腔与锅体的内部连通的进雾口,雾化喷头设置在加热腔的顶部,雾化喷头与包覆剂供料装置连接,搅拌装置设有在锅体的底部,锅体的底部设有出料口,出料口处设有出料阀。采用本实用新型,以喷雾的形式对正极材料进行包覆,包覆剂的细度高且成本低,正极材料的包覆效果好。

标签:
加工技术
广东 - 江门 来源:中冶有色网 2023-03-18
锂离子电池LiTi<sub>2</sub>(PO<sub>4</sub>)<sub>3</sub>/C/Ti<sub>3</sub>SiC<sub>2</sub>复合负极材料的制备方法

本发明提供一种锂离子电池LiTi2(PO4)3/C/Ti3SiC2复合负极材料的制备方法,本发明基于在活性物质中形成分布均匀的导电网络,有利于提高材料的电子电导率和锂离子扩散系数,本发明以LiOH·H2O、TiO2、H3PO4为原料,本发明采用水热法合成LiTi2(PO4)3负极材料颗粒分布均匀、形貌规则;碳包覆LiTi2(PO4)3,使其电子电导率提高。将Ti3SiC2与LiTi2(PO4)3负极材料球磨混合均匀,使得LiTi2(PO4)3颗粒均匀分布在Ti3SiC2上,形成三维导电网络;在充放电过程中,层状结构的Ti3SiC2为锂离子提供了宽阔的双层传输通道,提高了大倍率充放电性能。

标签:
加工技术
广东 - 江门 来源:中冶有色网 2023-03-18
磷酸锂沉淀反应设备
磷酸锂沉淀反应设备 1199     
 0

本实用新型公开了一种磷酸锂沉淀反应设备,包括釜体,所述釜体外套有夹套,所述夹套内设有冷却循环水,所述釜体上设有减速电机,所述减速电机通过夹壳联轴器连接釜体内的搅拌器,所述搅拌器由搅拌轴和搅拌桨组成,所述釜体底部设有与搅拌桨相匹配的涡流槽,所述釜体上方设有用于加入十水磷酸钠到釜体内的投料仓,所述釜体还设有进料管和出料管,所述出料管连接有用于固液分离的压滤机。本实用新型不但实现对磷酸锂废料的回收利用,提高了资源回收利用率的同时对环境无危害,而且全程自动化操作,作业效率高。

标签:
加工技术
广东 - 江门 来源:中冶有色网 2023-03-18
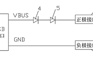
磷酸铁锂充电电池的充电电路

本发明公开了一种磷酸铁锂充电电池的充电电路,包括用于引入外部电源的USB接口、正极接线端以及负极接线端,所述USB接口的地接线GND与负极接线端连接,USB接口的正电压接线VBUS和正极接线端之间串接有第一二极管和第二二极管,第一二极管和第二二极管的其中一个为硅二极管,另一个为锗二极管。本发明通过简单的电路一方面解决了USB接口和充电电池之间的电压匹配问题,另一方面也实现了必要的充电控制功能,这种电路简单制作成本低下,可以有效地取代现有各种复杂的充电电路结构,另外,基于本发明的充电电路所制成的磷酸铁锂充电电池充电器还具有方便、使用范围广的优点。

标签:
加工技术
广东 - 江门 来源:中冶有色网 2023-03-18
圆柱形软包装锂离子电池

本实用新型涉及一种锂离子电池,更具体地涉及一种圆柱形软包装锂离子电池,它采用正极盖帽和负极触片代替极耳作为与用电设备的连接端子,安装更换方便,并采用铝塑复合膜和热缩膜作为锂离子电池的外壳,同硬壳电池相比,减少了爆炸的危险,可以取代硬壳电池,直接安装在电池仓中,方便电池与用电设备间的装配,能够满足顾客个性化要求。

标签:
加工技术
广东 - 江门 来源:中冶有色网 2023-03-18
锂离子电池极片除尘装置

本实用新型涉及一种锂离子电池极片除尘装置。所述锂离子电池极片除尘装置包括工作台、抽风系统、上下两个毛刷和气缸;所述工作台四周密封,下部带有抽风装置;所述下毛刷设置在工作台里;所述除尘装置的吸尘口设置在工作台下方;所述上下两个毛刷带有动力装置;所述气缸位于工作台上方,气缸带着上毛刷上下移动,以控制上下毛刷的间隙。本实用新型提供的锂离子电池极片除尘装置清除粉尘彻底,提高了极片性能,同时减轻了劳动强度。

标签:
加工技术
广东 - 江门 来源:中冶有色网 2023-03-18
电动摩托车锂电池抗压测试装置

本实用新型涉及锂电池测试领域,公开了一种电动摩托车锂电池抗压测试装置,包括工作盒和测试机构,所述工作盒顶部固定设置有门架,所述门架顶部固定设置有驱动电机一,所述驱动电机一上连接有驱动轴,所述门架上固定设置有两个滑筒,所述滑筒内滑动接触有滑杆,两个滑杆底端固定设置有一个覆盖板,所述覆盖板底部固定设置有压板,所述覆盖板顶部固定设置有螺纹筒,所述驱动轴外侧开设有外螺纹,所述驱动轴上的外螺纹与螺纹筒螺纹连接,所述覆盖板与工作盒相适配,所述测试机构设置在工作盒内,所述测试机构包括驱动电机二和内盒。本实用新型具有以下优点和效果:能够方便提高对锂电池测试准确性,提高测试安全性。

标签:
加工技术
广东 - 江门 来源:中冶有色网 2023-03-18
锂离子电池电极浆料自动真空加料系统

本实用新型涉及电池技术领域,具体地涉及一种锂离子电池电极浆料自动真空加料系统,该系统中含有抽真空、搅拌、储存装置。该系统有效地抑制了水分进入锂离子电池电极浆料,同时防止浆料的沉降,且不引入气泡,从而保证了电极浆液的均匀性,提高了电极极片厚度的稳定性;另外,电极浆料的储存时间得到了延长,提高了锂离子电池电极浆液的利用率。本实用新型操作性强,成本较低,重现性好,所得的产品质量稳定,性能优良。

标签:
加工技术
广东 - 江门 来源:中冶有色网 2023-03-18
锂电池卷绕机
锂电池卷绕机 1056     
 0

本发明公开了锂电池卷绕机,包括机架、隔膜放卷机构、极片导向机构、隔膜压紧机构、热切刀、卷绕机构、卷芯压紧机构、切纸刀、贴胶纸机构和下料机构,出纸组件包括夹嘴和推动夹嘴移动的第六气缸,夹嘴包括基板、上夹块和下夹块,上夹块和下夹块之间设有允许胶纸通过的间隙,间隙包括进料口和出料口,下夹块设有风道和出气口,出气口连通风道并且出气口朝向出料口;支架上设有滑轨,滑轨上装有滑块,基板通过螺钉固定在滑块上,滑块上设有与螺钉配合的螺纹孔,基板设有容置螺钉的腰孔,腰孔的长度方向与滑块的移动方向垂直;第六气缸与滑块铰接。本发明的锂电池卷绕机,解决粘胶纸问题,提高效率。

标签:
加工技术
广东 - 江门 来源:中冶有色网 2023-03-18
带过流自断功能的锂电池极耳

本发明公开了一种带过流自断功能的锂电池极耳,包括极耳片,所述极耳片一端接入电芯外部电路,另一端连接电池电极,极耳片中部通过打孔开设有通孔。本发明的锂电池极耳通过打孔在极耳片中部开设通孔,使极耳片中部导电部分变窄,当由于短路而导致过大的电流通过极耳片时,极耳片在通孔两侧边的部分能及时熔断,起到保护电池的作用。

标签:
加工技术
广东 - 江门 来源:中冶有色网 2023-03-18
用于锂电池卷绕机的贴胶纸设备

本发明公开了一种用于锂电池卷绕机的贴胶纸设备,包括机架、放纸机构、张紧机构和出纸机构,张紧机构包括固定架、设置在固定架上导向杆、可滑动地设置在导向杆上的滑块以及套设在导向杆上的两个复位弹簧,滑块上固定有张紧辊,固定架包括两块固定块,导向杆的两端分别固定在两块固定块上,复位弹簧的两端分别与滑块和固定块连接;固定架上设有限位杆,滑块上设有限位凸起,限位杆上设有容置限位凸起的限位槽。本发明的一种用于锂电池卷绕机的贴胶纸设备,通过将张紧辊固定在滑块上,滑块套设在导向杆上,滑块的相对的两侧设有两个复位弹簧,使得滑块在移动的两个方向都能保持稳定,即保持张紧力的稳定。

标签:
加工技术
广东 - 江门 来源:中冶有色网 2023-03-18
LIR钮扣式可充式锂离子电池

本实用新型公开了LIR钮扣式可充式锂离子电池,其包括:金属壳体、隔膜纸、密封胶圈、金属负极盖帽、负极材料组成部和正极材料组成部,将两种材料组成彼此隔离设置。所述壳体具有正极端面和负极端面,靠近正极端面的壳体内具有的正极材料像蜂巢式腔室,靠近负极端面的盖帽内具有负极材料像蜂巢式腔室,所述负极材料组成部由发泡铜充填后制成粉饼是将石墨粉体颗粒填塞于发泡铜空穴内所制成的;所述正极材料组成部,充填于所述正极蜂巢式腔室内,所述正极材料组成部由发泡铝所制成的粉饼及是将锂锰氧化物颗粒填塞于铝发泡空穴内的。本实用新型的作用提除能提高产品使用质量,亦能增加LIR纽扣电池的续航能力。

标签:
加工技术
广东 - 江门 来源:中冶有色网 2023-03-18
碳包覆的磷酸钛锂负极材料的制备方法

本发明提供一种碳包覆的磷酸钛锂负极材料的制备方法,包括将Ti(OC4H9)4、Li2CO3、NH4H2PO4和C6H8O7混合得到混合溶液;随后将其移至在水浴锅中,加热得到凝胶,然后通过真空干燥得到干凝胶,并将干凝胶煅烧块状的LiTi2(PO4)3;将其球磨为粉末状;将β‑环糊精溶解后与LiTi2(PO4)3混合均匀;随后经过真空干燥,在氩气气氛保护下,煅烧得到黑色的LiTi2(PO4)3/C复合负极材料。本发明采用溶胶‑凝胶法制备的负极材料颗粒分布均匀、形貌规则;本发明将LiTi2(PO4)3负极材料表面包覆碳层,提高了负极材料的电子电导率和锂离子扩散系数,提高了大倍率充放电性能。

标签:
加工技术
广东 - 江门 来源:中冶有色网 2023-03-18
全密封一次性锂二氧化锰电池

本实用新型公开了一种全密封一次性锂二氧化锰电池,涉及锂二氧化锰电池领域,包括电池外壳和电池芯体,所述电池外壳的上端端口设置有玻璃封密封组件,所述玻璃封密封组件的中部镶嵌有负极柱;所述电池外壳的上部内壁设置有内凸环,所述电池外壳的内壁设置有防腐镀膜层,所述玻璃封密封组件的边缘与电池外壳之间通过激光焊接工艺进行熔融密封焊接,所述玻璃封密封组件的下侧面固定有防腐层。本实用新型电池只有一个壳体,电池芯体制作完成后直接装入电池外壳内,减少一次电池芯体先装入电池的内壳,再装入电池外壳的工序,且玻璃封密封组件与电池外壳之间通过激光焊接工艺进行熔融密封焊接,这样电池芯体被完全密封与外界隔绝,电池使用寿命长。

标签:
加工技术
广东 - 江门 来源:中冶有色网 2023-03-18
软包聚合物锂电池生产用原料搅拌装置

本实用新型公开了一种软包聚合物锂电池生产用原料搅拌装置,涉及锂电池领域,包括支撑外框,所述支撑外框的外侧边斜焊接有支撑斜杆,所述支撑外框的内侧边竖直向固定卡接有主混合箱体,所述主混合箱体的底面垂直向下焊接有排料管道,所述排料管道的外侧边螺栓连接有排料阀门,所述主混合箱体的顶面垂直向上焊接有进料管道,所述进料管道的外侧边螺栓连接有进料阀门,所述主混合箱体的顶面对称固定焊接有固定底座,所述固定底座的顶端螺栓连接有搅动电机。本实用新型装置设计结构简单操作方便快捷,在采用了一体化设计使得混合更加的快速高效,且在进行搬运和移动时更加的便捷,同时重复翻转原料使得搅拌更加的均匀便于后期的使用。

标签:
加工技术
广东 - 江门 来源:中冶有色网 2023-03-18
软包聚合物锂电池生产用原料上料装置

本实用新型公开了一种软包聚合物锂电池生产用原料上料装置,涉及锂电池领域,包括支撑箱体,所述支撑箱体的顶面开设有收集开口,所述支撑箱体的顶面开设有取料开口,所述支撑箱体的一侧边斜焊接有控制面板,所述支撑箱体的顶面水平螺栓连接有支撑底板,所述支撑底板的顶面水平固定焊接有卡接横条,所述卡接横条的一端纵向焊接有阻挡条,所述支撑底板的顶面对接有移动底板,所述移动底板的一侧边固定插接有拉动把手,所述移动底板的顶面均匀开设有置物槽孔。本实用新型装置设计一体化结构简单操作方便,在采用了弹性支撑的作用下使得在进行收集和取料更加的方便高效,同时在采用了批量的填充使得生产效率更加的快速,让工作和生产均能够满足现在生产的需要。

标签:
加工技术
广东 - 江门 来源:中冶有色网 2023-03-18
锂离子电池正极材料高温反应用匣钵

本发明公开了一种锂离子电池正极材料高温反应用匣钵,涉及锂离子电池正极材料辊道窑炉的辅助装置技术领域,包括钵体,所述钵体包括钵底和围设在所述钵底上四周的钵壁,所述钵壁上开设有流通口,所述钵底下表面开设有流通槽。本发明提供的一种锂离子电池正极材料高温反应用匣钵,不仅钵壁上设有流通口,而且在钵底设有流通槽,在钵体进行叠加时,增强了气氛流通效果,改善下层物料的高温反应效果,利于碱性气体排放,极大的增加了钵体的寿命,降低了生产成本。

标签:
加工技术
广东 - 江门 来源:中冶有色网 2023-03-18
锂电池生产用自动注液机

本实用新型公开了一种锂电池生产用自动注液机,包括外筒和工作台,所述工作台的顶部中心位置处焊接有外筒,且工作台的底部设置有四个环形阵列的传送带,所述外筒的内部顶端转动连接有转盘,且转盘的底部活动连接有四个柱塞,并且四个柱塞与外筒的内部滑嵌连接。本实用新型中,转盘在转动的过程中,对柱塞进行推动,当柱塞向下进行运动时,其内部的第二钢珠堵塞输液道,进而使得被挤压的液体向限位环的一侧进行运动,使得液体通过输出管向外部进行流动,并最终流动至锂电池中,由于柱塞设置有多个,在转动时,始终有一个或多个输出管向外部进行液体的输出,进而实现对于四个传送带上锂电池的逐次输液,提升装置的工作效率。

标签:
加工技术
广东 - 江门 来源:中冶有色网 2023-03-18
新型手提式锂电池
新型手提式锂电池 943     
 0

本实用新型涉及锂电池技术领域,且公开了一种新型手提式锂电池,包括落地板,所述落地板的顶部开设有限制槽,所述限制槽的内壁左右两侧均安装有开设在落地板上的第一滑槽,所述第一滑槽的内部活动安装有一端贯穿并延伸到限制槽内部的第一滑块。该新型手提式锂电池,通过设置U型杆、活动杆、第二滑块和缓冲套杆,使用者在使用设备时,如果设备摔落,落地板底部与地面接触,锂电池本体按照惯性继续下移,下移中第二滑块受力左移,第二滑块压缩第二滑块相背一侧的缓冲套杆,缓冲套杆缓冲一部分冲击,锂电池本体下移中压杆压缩气筒内的空气并反弹,冲击力慢慢抵消,如此,锂电池本体不会因此损坏,更加便于写道,方便了使用者的使用。

标签:
加工技术
广东 - 江门 来源:中冶有色网 2023-03-18
带过流保护的锂电池极耳

本实用新型公开了一种带过流保护的锂电池极耳,包括第一金属带、第二金属带,所述第一金属带和第二金属带前后搭接在一起,第一金属带和第二金属带在搭接处分别设置有相对的下凹部,第一金属带或第二金属带的下凹部上设置有PTC材料,第一金属带和第二金属带通过PTC材料电连接。本实用新型的带过流保护的锂电池极耳在金属带之间设置PTC材料,PTC材料在金属带之间形成串联的热敏电阻,当锂电池在使用中遇到过流或过热的情况时,PTC材料的阻值变大,保护锂电池内部不受影响;PTC材料冷却后可恢复到最初状态,便于重复使用。本实用新型的带过流保护的锂电池极耳能有效提高锂电池的使用寿命和安全性能。

标签:
加工技术
广东 - 江门 来源:中冶有色网 2023-03-18
上一页 9 10 11 12 13 ... 29 下一页
共29页    到第

中冶有色为您提供最新的广东江门有色金属材料制备及加工技术理论与应用信息,涵盖发明专利、权利要求、说明书、技术领域、背景技术、实用新型内容及具体实施方式等有色技术内容。打造最具专业性的有色金属技术理论与应用平台!

全国热门有色金属设备推荐
展开更多 +
全国热门有色金属技术推荐
展开更多 +

 

江西省隆恩特环保设备有限公司
宣传

报名参会
更多+

报告下载

有色专家
更多+

江西理工大学
副校长
广西大学
处长/教授
中国矿业大学(北京)
院长/教授
长沙矿冶研究院
总经理
江西理工大学
教授
赤泥综合利用研究报告2025
推广

热门技术
更多+

推荐企业
更多+

福建省金龙稀土股份有限公司
宣传

发布

在线客服

公众号

电话

顶部
咨询电话:
010-88793500-807