青岛垚鑫智能科技有限公司
宣传

位置:中冶有色 >

有色技术频道 >

分类:
全部
矿山技术
冶金技术
材料制备及加工技术
环境保护技术
分析检测技术
 
全部
废水处理技术
大气治理技术
固/危废处置技术
土壤修复技术
地区:
全部
北京
天津
上海
重庆
河北
山西
辽宁
吉林
黑龙江
江苏
浙江
安徽
福建
江西
山东
河南
湖北
湖南
广东
海南
四川
贵州
云南
陕西
甘肃
青海
内蒙
广西
西藏
宁夏
新疆
其他
其他
展开
 
全部
其他

其他有色金属环境保护技术理论与应用

免费发布技术信息>>
废水处理设备和用于处理废水的方法

本发明涉及废水处理设备和用于其的方法。所述设备包括至少一个具有多个堆叠式过滤器模块(50)的主反应器模块(30),各个过滤器模块通过用废水单独地分批填装而独立地净化废水。所述废水借助参照过滤器模块(50)的偏流板(44)排放到每个过滤器模块上,所述偏流板依赖于所述废水的重力流力产生背压,导致所述废水分别以相对于水平面的出口角从所述偏流板(44)均匀地涌出到每个独立的过滤器模块上。

标签:
废水处理
其他 - 其他 来源:中冶有色网 2023-03-19
溶液或废水的处理
溶液或废水的处理 872     
 0

一种处理包含有机物质或无机物质的废水流的方法,其包含将废水流通向生物电化学系统的阳极或阴极从而改变废水流的pH使得:a)降低通向阳极的流的pH来最小化或抑制溶解的阳离子的沉淀;或b)提高通向阴极的流的pH以产生碱性流;或c)降低通向阳极的流的pH以产生含酸的流。在一个实施方案中,在阴极处制备苛性钠溶液并将其回收用于储存和随后的利用。

标签:
废水处理
其他 - 其他 来源:中冶有色网 2023-03-19
处理污/废水的颗粒状载体、处理装置及制造载体的方法

本发明涉及颗 粒状载体和制造这种载体的 方法以及使用这种颗粒状载 体处理污水或废水的装置。颗 粒状载体包含100份重量的轮 胎粉、30-50份重量的EVA 或它的衍生物和5-10份重 量的活性碳或无机物超细 粉。制造这种颗粒状载体的方 法包含下述步骤:混合上述前 两种物质,在100-250℃溶 解混合物中的EVA,将活性碳 粘接在混合物表面上,挤压并 切割混合物,再在混合物表面 附着活性碳粉。本发明还公开了处理污水或废水的装置。

标签:
废水处理
其他 - 其他 来源:中冶有色网 2023-03-19
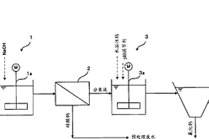
含氟和硅的废水的处理方法、氟化钙的制造方法和含氟废水处理设备

本发明的目的(第一目的)是提供不对含氟和硅的废水进行稀释处理,即,即使在高浓度的状态下对含氟和硅的废水进行处理,也能以高回收率以高纯度的氟化钙的形式回收氟的废水处理技术(特别是预处理技术)。将含氟和硅的废水供给至pH调整槽1,添加氢氧化钠(NaOH)使硅酸钠沉淀。之后,供给至固液分离器2从而将硅酸钠固液分离。

标签:
废水处理
其他 - 其他 来源:中冶有色网 2023-03-19
废水处理设备和处理废水的方法

本发明涉及一种废水处理设备,其中机械净化装置整合于生物净化反应容器中,包括这种废水处理设备的澄清设备,以及净化废水的方法。通过将机械净化装置设置在生物净化反应容器的平面图区域之上,降低该设备的面积和空间需求。

标签:
废水处理
其他 - 其他 来源:中冶有色网 2023-03-19
废水处理装置和废水处理方法

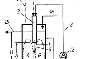
提供一种能够防止水垢成分在催化剂表面析出,从而能够高度维持催化剂处理性能的废水处理装置以及废水处理方法。一种处理装置,该处理装置为废水处理装置,从废水供应侧起,依次具有分散板(2)、分散板(1)、填充物层和催化剂层,将所述分散板(2)与所述分散板(1)之间的距离设为H1,将所述分散板(1)与所述填充物层的废水供应侧界面之间的距离设为H2,将所述填充物层的层长设为H3,并将所述H2与所述H3的总和设为H6时,所述H6大于100mm,且所述H6与所述H1的比(H6/H1)为0.1以上且100以下。

标签:
废水处理
其他 - 其他 来源:中冶有色网 2023-03-19
含油废水处理装置以及使用该装置的含油废水处理方法

本发明提供一种含油废水处理装置以及使用该装置的含油废水处理方法,本发明能够顺利地进行废水处理并降低处理成本,能够将废水净化到等于或小于公共用水区域的排放标准值,从而能够实现对环境影响较少的废水处理。含油废水处理装置1包括:一次过滤器部7,对含油废水中含有的含油乳状液执行超滤处理,将含油乳状液分离为油分和一次处理水;二次过滤器部8,对由上述一次过滤器部分离的一次处理水执行使用反渗透膜的过滤处理,将一次处理水分离为未在一次过滤器部中除去的低分子量杂质和二次处理水。上述一次过滤器部7是具有管状膜式或螺旋状膜式的超滤膜过滤器结构的过滤器,并且,上述二次过滤器部8是具有通过重叠多层圆片状反渗透膜而成的过滤器结构的过滤器。

标签:
废水处理
其他 - 其他 来源:中冶有色网 2023-03-19
处理缩醛反应过程废水的方法

本发明涉及用已将PH调整为0-6的缩醛反应过程废水的有机液体通过单级或多级萃取而处理来自缩醛反应过程,受水溶性和/或分散的有机杂质污染的废水的方法,其中通过酸化的缩醛反应过程废水或酸化且萃取的缩醛反应过程废水汽提,汽提的化合物冷凝并且冷凝物相分离而得到的有机液体用作萃取来自酸化的缩醛反应过程废水的有机杂质的萃取剂,并且将与供入萃取的缩醛反应过程废水相比具有更低有机杂质含量的废水从汽提设备中取出。

标签:
废水处理
其他 - 其他 来源:中冶有色网 2023-03-19
废水处理物质、废水处理方法、污泥脱水剂和污泥处理方法

本发明公开了磺化苯乙烯聚合物和/或其盐、分别包含磺化苯乙烯聚合物和/或其盐作为有效组分的废水处理物质和污泥脱水剂。在使用废水处理物质时,将磺化苯乙烯聚合物和/或其盐加入每种废水中,然后纯化,其中:在将满足0.01-5N数量中性盐加入磺化苯乙烯聚合物和/或其盐的1%重量的水溶液之后,所述磺化苯乙烯聚合物和/或其盐在25℃下的粘度为10-20000MPa·s。如果需要污泥脱水剂,则将重均分子量为1100000或更高的磺化苯乙烯聚合物和/或其盐与阳离子聚合物絮凝剂或无机絮凝剂结合使用。

标签:
废水处理
其他 - 其他 来源:中冶有色网 2023-03-19
含有机酸类的废水的处理

处理从例如生产芳香族羧酸例如对苯二酸的车间产生的含酸性有机物的废水(12),回收碱和水返回到生产过程。这种处理包括用碱性介质调节废水的pH,氧化(10)废水中所含的有机物,将其转化成水、二氧化碳和碳酸(氢)根离子,将处理的废水加到反渗透膜(28、30),产生包含碳酸(氢)根离子和由碱性介质产生的阳离子的渗余液和基本上不含这些成分的渗透液。返回渗余液(46),用于调节废水的pH,如果需要,可用于不需纯水的耗水设备。也可返回经过或未经过进一步处理的渗透液(44),用于生产车间内的和/或与生产车间有关的耗水设备。

标签:
废水处理
其他 - 其他 来源:中冶有色网 2023-03-19
废水布水系统和具有该废水布水系统的反应器

本实用新型涉及一种废水布水系统和包括有该废水布水系统的反应器。该废水布水系统包括反应池、至少一布水管、至少一通管和至少一滗水器。布水管具有布水孔且设置于反应池的底部,通管的一端连接布水管,另一端超出反应池的运行水面,滗水器设置在布水管的上方。废水进入所述布水管由布水孔排向反应池,均匀布水后产生竖向推流,反应后的废水从滗水器排出。通管用于将所述布水管中的气体释放,并可连接增压设备引入压缩流体,从而清除所述布水管内的积垢或堵塞。本实用新型建设成本低,清洁时无需中断或者暂停废水处理作业。此外,可以对各个布水管的堵塞程度进行监控,确保及时展开维护工作,避免不必要的无效维护。

标签:
废水处理
其他 - 其他 来源:中冶有色网 2023-03-19
利用二硫胺基类螯合剂处理废水中重金属的方法

本发明是关于一种利用二硫胺基类螯合剂处理 废水中重金属的方法,详细地讲是利用一种二硫胺基 类螯合剂与废水中的各种重金属离子形成螯合物沉 淀而去除。本发明所提供的方法能将废水中的铜、 镍、镉、铅、锰、钴、铁、锌及六价铬等重金属离子快速 产生沉淀而去除。

标签:
废水处理
其他 - 其他 来源:中冶有色网 2023-03-19
使用废轮胎载体的生物学方法下·废水处理装置

本发明提供一种使用废轮胎载体的生物学方法下·废水处理装置,其特征是由用于使反应槽内的下·废水及载体循环流动的混合器、用于向反应槽内供给必要的空气的空气供给装置、防止反应槽内的载体向外部流出地构成的内筒、用于将下·废水供给到反应槽内的适当的场所的原水流入管和原水导引管、将在反应槽内处理过的处理水流出到外部的处理水排出管构成,根据本发明,通过同时地使混合器和空气供给装置(曝气装置)工作而使载体和下·废水循环,曝气时的空气供给量通过只供给除去下·废水所含有的有机物氮所需要的量,与只使用曝气装置使载体流动的现有的反应槽相比可以促进载体的循环所需要的动力的节俭及提高装备的使用效率。在不供给空气只运转混合器的情况下,反应槽内成为没有氧供给的厌气或无氧状态,可以起到下·废水的高度处理(同时处理氮·磷)所需要的脱氮槽的作用。

标签:
废水处理
其他 - 其他 来源:中冶有色网 2023-03-19
用于对含有IPA的废水进行IPA的浓缩及废水处理的复合膜分离方法

本发明涉及一种用于对含有IPA的废水进行IPA的浓缩及废水处理的复合膜分离方法,更具体涉及将渗透蒸发膜分离工序和反渗透膜分离工序结合起来,能够从含有IPA的废水中分离及浓缩IPA并且同时处理废水的复合膜分离方法。根据本发明的复合膜分离方法,能够从IPA清洗废水中选择性地分离IPA,将其浓缩至30重量%以上来回收再用,并且,能够将0.5重量%以下的低浓度的IPA清洗废水不进行其它稀释而在已有的废水处理厂直接进行处理。

标签:
废水处理
其他 - 其他 来源:中冶有色网 2023-03-19
用于电解和氧化法处理废水的设备,此处所用的导电过滤膜,它的制造以及借助该装备和/或过滤膜处理废水的方法

本发明公开了一种处理废水的设备,包括至少一个第一反应室(1),它具有至少一个导电过滤膜(2)和至少一个进口(3),并通过隔膜(4)与阳极空间(5)分开。包含在废水中的分散固体和物质大部分被截留,并在过滤膜(2)入口侧上电解还原,同时净化的预处理废水被输送到至少一个位于排出侧的第二反应室(6)。所述的第二反应室(6)由至少一个含有至少一种氧化剂(7)和出口(8)的用于处理废水的池组成。

标签:
废水处理
其他 - 其他 来源:中冶有色网 2023-03-19
通过用于减少污泥含水量和改善旁流性质的自动控制型声波法处理污废水的装置和方法

本发明涉及通过用于减少污泥含水量和改善旁流性质的自动控制型声波法处理污废水的装置和方法,揭示了用于处理污废水的装置和方法,它们适用于在污废水处理过程中减少污泥饼,在水处理当中的污泥处理过程中改善旁流效果,其中自动测量对应于为降低污泥含水量所需的CST的污泥粘度,或者自动测量与改善旁流性质相关的pH、COD或粘度,声波处理根据测量值进行,由此控制污泥饼的含水量,改善旁流的性质,从而提高处理厂的运行效率。

标签:
废水处理
其他 - 其他 来源:中冶有色网 2023-03-19
废水的微生物分解处理方法以及废水处理剂的混入装置

一种废水的微生物分解处理方法以及废水处理剂的混入装置,该废水处理剂的混入装置在连接水管路(1)的不锈钢容器(2)内的基准水面下设置含有氢氧化铝的直径为10mm左右的矿物质粒子(3)的堆积层,在该堆积层的下方隔着由穿孔金属构成的透水性隔台(4)设置散气部件(5),并在该散气部件(5)上连接由气泵(12)压送来的压缩空气的供给管(14),且设置了处理剂混入管路(6),其在由从散气部件(5)放出到水中的气泡流使矿物质粒子(3)振动时,将分散了由矿物质粒子(3)之间的摩擦所产生的粉状处理剂的水供给容器外的被处理水中。该分解处理方法,能够在充分清洁的状态下进行污水处理,该混入装置为比较简单的小型化结构。

标签:
废水处理
其他 - 其他 来源:中冶有色网 2023-03-19
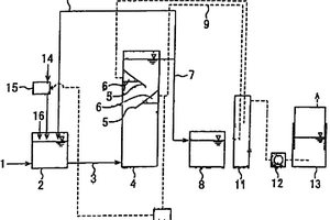
采用好氧和厌氧微生物进行废水处理并能进行废气处理的装置和方法

本发明提供了一种废水处理装置,它能够处理高浓度的含有含氮和表面活性剂的长效化学物质,同时还带有少量废气的废水,而且该装置结构简单。该装置包括一个第一生物反应器,它包括一个带有引入被处理废水的进水管和一个曝气部件的下层区域,以及一个装填有1,1-二氯乙烯填料的上层区域;该装置还包括一个第二生物反应器,它有一个装填有炭和碳酸钙填料的填料装填区域;该装置还有一个将第一生物反应器的最高层区域中产生的废气引入上述填料装填区域的废气输送扩散管。被处理的废水在下层区域接受厌氧处理,在上层区域既接受好氧处理又接受厌氧处理。此外,在第二生物反应器,对被处理水再进行好氧处理,与此同时,对来自第一生物反应器的废气也进行好氧处理。

标签:
废水处理
其他 - 其他 来源:中冶有色网 2023-03-19
含被氧化性物质废水的处理方法以及含被氧化性物质废水的处理装置

本发明的目的在于提供一种用过氧化氢、铁盐以及活性炭高效地分解废水中的难分解性的被氧化性物质的方法。一种含被氧化性物质废水的处理方法,其包括下述工序(I)和(II),工序(I):在下述条件(A)下将过氧化氢、铁盐、活性炭以及含被氧化性物质废水混合,在酸性条件下分解被氧化性物质而得到反应液的分解工序;工序(II):将反应液在下述条件(B)下分离为含有亚铁盐、三价铁盐以及活性炭的污泥和处理水的分离工序;条件(A):过氧化氢相对于活性炭的总质量的添加速度Vh在下述式(1)的范围;条件(B):过氧化氢相对于反应液的总质量的浓度为25ppm以下,(式中,HF是活性炭的过氧化氢分解因子。)。

标签:
废水处理
其他 - 其他 来源:中冶有色网 2023-03-19
含硫化合物废水的厌氧处理方法和设备

本发明的目的是提供针对含有无机硫化合物的有机废水的高效能的上流式厌氧污泥床处理(甲烷发酵处理)方法,以及用于该方法的设备。本发明涉及含有硫化合物的有机废水的甲烷发酵处理方法,所述方法包括:检测来自甲烷发酵处理步骤产生的生物气中的硫化氢的浓度;和在所述生物气中的硫化氢的浓度超过预定值的情况下,使所述有机废水经受脱硫处理操作以进行控制,还涉及用于所述方法的设备。优选所述硫化氢浓度的预定值是1%至4%,更优选是1%至2%,并且所述脱硫处理操作包括加入含有铁离子的脱硫剂,以使铁离子与硫的摩尔比例为0.05至1。

标签:
废水处理
其他 - 其他 来源:中冶有色网 2023-03-19
有机废水的处理方法和废水处理装置

本发明提供有机废水的处理方法和废水处理装置。所述方法使用从流淌有机废水的上游侧起至少配置有第1生物处理槽和第2生物处理槽的废水处理装置,该方法包括:第1生物处理工序,在第1生物处理槽中进行曝气处理,将有机废水中的有机物转换成分散菌体;第2生物处理工序,将转换得到的分散菌体输送到第2生物处理槽,进行絮凝化的同时得到共存有微小生物的污泥;和污泥返送工序,测定第1生物处理槽中的发泡量,在发泡量超过预先设定的基准值的阶段,将通过第2生物处理工序得到的污泥的一部分返送到第1生物处理槽中。所述污泥返送工序中的污泥的返送量是根据第1生物处理槽内的发泡量、每单位时间的发泡量之中的至少任意一个参数进行控制的。

标签:
废水处理
其他 - 其他 来源:中冶有色网 2023-03-19
用于生物地净化废水的方法

本发明涉及一种用于生物地净化废水的方法,其中通过一个仅具有两个稳定的、彼此同心布置的管子的双料喷嘴(2)将废水和气体输送给一个包含有微生物的反应容器(1),所述双料喷嘴没有附加的输送元件,并以垂直轴线地伸进到反应容器(1)中、直到位于该容器中的废水中。所述位于内部的、引导气体的双料喷嘴(2)的内部管子并包括一个敞开的环形间隙被引导借助于一个泵而输送的废水的外部管子包围。借助一个鼓风机(13)给内部管子输送气体,该内部管子以到外部管子的出口孔(3)的一个距离在该外部管子的内部中结束,该距离比在出口孔(3)部位处的外部管子的内径至少大“5”倍。外部管子的出口孔(3)、并因此双料喷嘴(2)的出口孔(3)到除了双料喷嘴(2)外没有其它装入件的反应容器(1)的底部(4)有一个距离,该距离比位于反应容器中的废水的高度的一半要大。

标签:
废水处理
其他 - 其他 来源:中冶有色网 2023-03-19
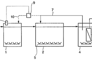
用于减少废水处理设施产生的污泥的系统及方法

本发明涉及改善污泥的去除并维持排放质量的方法和系统。该方法包括:将输入的废水流引入处理设施,所述废水流的流量为至少20,000加仑/天;输入的废水流含有至少50mg/L的固体和100mg/L的BOD;在该处理设施中,从输入的废水流中除去固体和BOD以提供最终的排出流体;该最终的排出流体中的固体少于废水流中固体的10%,并且其BOD少于废水流中BOD的10%;固体和BOD的去除产生相对于每磅被除去的BOD为小于约0.25磅的二次污泥。

标签:
废水处理
其他 - 其他 来源:中冶有色网 2023-03-19
液体有机废水的生物-化学处理

本发明涉及包含有机氮化合物的废水的生物和化学处理的系统和方法。系统可以包括:有氧反应器,用于分离所述废水的液体和固体组分的第一分离模块,用于从所述废水去除有机物质的氧化模块,以及用于对所述废水的至少一部分脱硝化的后-无氧反应器。系统可以包括第二分离模块和所述组件之间的多个反馈再循环管线。方法可以包括:通过有氧反应器将超过95%的有机化合物降解为氨,通过氧化模块将所述氨的至少一部分氧化为硝酸盐,以及通过后-无氧反应器将所述硝酸盐的至少一部分降解为氮气和水。系统和方法可以将所述废水的总有机碳减少超过90%,并将所述废水的总氮减少超过90%。

标签:
废水处理
其他 - 其他 来源:中冶有色网 2023-03-19
用于废水处理的催化剂以及使用所述催化剂的废水处理方法

本发明涉及一种用于废水处理的催化剂和一种使用该催化剂的废水湿式氧化处理方法,特别是,本发明的催化剂能够在高温和高压条件下,适用于废水湿式氧化处理。本发明提供了一种用于废水处理的催化剂,该催化剂包含选自包括锰、钴、镍、铈、钨、铜、银、金、铂、钯、铑、钌和铱的组的至少一种元素或者其化合物的催化活性成分,以及包含选自包括铁、钛、硅、铝和锆的组的至少一种元素或者其化合物的载体成分,其特征在于载体成分的固体酸量等于或者大于0.20MMOL/G。

标签:
废水处理
其他 - 其他 来源:中冶有色网 2023-03-19
废水的处理装置以及废水处理系统

本实用新型提供一种废水处理装置以及废水处理系统。所述废水处理装置是处理至少含有重金属以及与所述重金属配位结合形成金属络合物的化合物的废水装置,具有:对至少含重金属及形成金属络合物的化合物的废水W0中的形成所述金属络合物的化合物,进行氧化处理的氧化处理单元(20);对经氧化处理过的废水W0中的重金属,进行不溶化处理的不溶化处理单元(30);对经不溶化处理过的废水W0,进行膜分离的膜分离单元(40)。所述废水处理系统,包含上述废水处理装置以及金属表面洗净单元。所述废水处理装置以及废水处理系统能够不添加凝聚剂的高度处理含重金属及形成金属络合物的化合物的废水,能充分降低重金属浓度。

标签:
废水处理
其他 - 其他 来源:中冶有色网 2023-03-19
还原性水净化材料、用于生产还原性水净化材料的方法、用于处理废水的方法和废水处理设备

该还原性水净化材料具有还原性铁基沉淀物,所述铁基沉淀物选自绿锈、铁氧体、还原性氢氧化铁和其混合物。该废水处理方法具有向废水添加还原性铁化合物的还原性铁化合物添加步骤、将其中添加了还原性铁化合物的废水引到反应罐和形成沉淀物的沉淀步骤、通过固液分离来分离所形成的沉淀物而获得污泥的固液分离,和使全部或者部分分离后的污泥碱化而形成碱性污泥、随后回流到反应罐的污泥回流步骤,其中在沉淀步骤中,混合其中添加了还原性铁化合物的废水和碱性污泥并且在非氧化气氛中在碱性条件下使其反应而形成作为沉淀物的还原性铁化合物沉淀物,由此将污染物引入沉淀物中而从废水中除去污染物。

标签:
废水处理
其他 - 其他 来源:中冶有色网 2023-03-19
废水处理用催化剂和使用该催化剂的废水处理方法

本发明的目的在于,提供一种在对废水进行湿式氧化处理时能长期维持优异的催化活性和耐久性的催化剂、以及使用该催化剂的废水湿式氧化处理方法。而且,本发明的目的在于,还提供一种新的含有含氮化合物的废水的处理方法,该方法使用催化剂成本更低的催化剂,能以高净化性来处理含有含氮化合物的废水,并且能维持高净化性。本发明的废水处理用催化剂包含A成分和B成分,所述A成分是铁以及选自钛、硅、铝、锆和铈中的至少一种元素的氧化物,所述B成分是选自银、金、铂、钯、铑、钌和铱中的至少一种元素,至少70质量%的B成分存在于从A成分的氧化物的外表面到1000μm以内的位置,B成分的平均粒径为0.5~20nm,且A成分的氧化物的固体酸量为0.20mmol/g以上。另外,本发明的废水处理方法是对含有含氮化合物的废水,在氧化剂的存在条件下,并在大于等于100℃且小于370℃的温度、并且该废水保持为液相的压力条件下,在相对于废水流动方向的上游一侧,使用将含氮化合物转换为氨态氮的催化剂(前段催化剂),以及在下游一侧,使用对含有氨态氮的废水进行处理的下游一侧的催化剂(后段催化剂)。

标签:
废水处理
其他 - 其他 来源:中冶有色网 2023-03-19
废水处理方法以及废水处理装置

本发明的课题在于提供一种可以抑制分离膜的阻塞、得到高水质的处理水的废水处理方法以及废水处理装置。本发明的解决方法是提供一种废水处理方法以及废水处理装置,所述废水处理方法使用膜分离活性污泥处理装置10通过凝集剂添加装置16向膜分离槽11中添加凝集剂来处理废水,所述膜分离活性污泥处理装置10中,通过活性污泥中的微生物进行的生物处理与通过膜组件15进行的固液分离处理在同一膜分离槽11内进行,通过污泥添加装置17向膜分离槽11中添加相对于凝集剂的添加量的50倍以上的MLSS相当量的未添加凝集剂的活性污泥,或者,通过凝集剂添加装置16向膜分离槽11中添加相对于将要供给膜分离槽11的废水中的难分解性物质的量的0.1~2.75倍量的凝集剂。

标签:
废水处理
其他 - 其他 来源:中冶有色网 2023-03-19
处理废水的方法和废水处理装置

一种处理废水的方法,包括步骤:将供应至活性污泥槽内并在此被生物处理的废水在安装于活性污泥槽外部的膜组件中进行过滤;在膜组件经由阀断开与活性污泥槽的连接时,用膜清洗剂化学药品清洗膜组件;和在经由阀断开膜组件与活性污泥槽相互之间的连接时,水冲洗掉废水中所含的与膜清洗剂反应形成有毒物质和/或抑制操作物质的物质,或者水冲洗掉膜组件中残留的膜清洗剂,其中,防止了膜清洗剂接触废水中所含的物质,该废水中所含的物质与膜清洗剂反应形成有毒物质和/或抑制操作的物质。

标签:
废水处理
其他 - 其他 来源:中冶有色网 2023-03-19
上一页 112 113 114 115 116 ... 117 下一页
共117页    到第

中冶有色为您提供最新的其他有色金属环境保护技术理论与应用信息,涵盖发明专利、权利要求、说明书、技术领域、背景技术、实用新型内容及具体实施方式等有色技术内容。打造最具专业性的有色金属技术理论与应用平台!

全国热门有色金属设备推荐
展开更多 +
全国热门有色金属技术推荐
展开更多 +

 

江西省隆恩特环保设备有限公司
宣传

报名参会
更多+

报告下载

有色专家
更多+

有研科技集团有限公司
首席科学家
长沙矿冶研究院有限责任公司
中国工程院院士
昆明理工大学
教授
矿冶科技集团有限公司工程公司
副总经理
赣州江钨钨合金有限公司
副总经理
赤泥综合利用研究报告2025
推广

热门技术
更多+

推荐企业
更多+

福建省金龙稀土股份有限公司
宣传

发布

在线客服

公众号

电话

顶部
咨询电话:
010-88793500-807