青岛垚鑫智能科技有限公司
宣传

位置:中冶有色 >

有色技术频道 >

> 废水处理技术

分类:
全部
矿山技术
冶金技术
材料制备及加工技术
环境保护技术
分析检测技术
 
全部
废水处理技术
大气治理技术
固/危废处置技术
土壤修复技术
地区:
全部
北京
天津
上海
重庆
河北
山西
辽宁
吉林
黑龙江
江苏
浙江
安徽
福建
江西
山东
河南
湖北
湖南
广东
海南
四川
贵州
云南
陕西
甘肃
青海
内蒙
广西
西藏
宁夏
新疆
其他
其他
展开
 
全部
南京
无锡
徐州
常州
苏州
南通
连云港
淮安
盐城
扬州
镇江
泰州
宿迁

江苏泰州有色金属废水处理技术理论与应用

免费发布技术信息>>
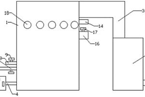
废水臭氧催化氧化装置

本实用新型公开的属臭氧催化氧化装置技术领域,具体为一种废水臭氧催化氧化装置,包括催化箱、通气管和尾气破坏装置,所述催化箱与尾气破坏装置通过通气管连接,所述通气管左端贯穿催化箱右侧壁上端,所述通气管内部的左侧设置有排气扇,所述催化箱的内腔底部设置有臭氧输送管,所述臭氧输送管的上端面均匀设置有爆气盘,所述臭氧输送管的左端贯穿催化箱左侧壁并延伸至外部,所述臭氧输送管位于催化箱外部的一端设置有臭氧生成装置,所述催化箱的内腔中部设置有催化剂层,所述催化箱的左侧壁设置有进水管,所述进水管贯穿催化箱左侧壁,所述催化箱的左侧壁设置有废水管,且废水管位于进水管的上方。

标签:
废水处理
江苏 - 泰州 来源:中冶有色网 2023-03-19
颜料生产的废水环保设备

本实用新型公开了一种颜料生产的废水环保设备,包括底座,所述底座的上表面一端设置有废水处理装置,所述废水处理装置与所述底座通过焊接固定连接,所述底座的上表面另一端设置有固定环形架,所述固定环形架与所述底座为一体式结构,所述固定环形架的内部设置有水处理桶体;通过在固定环形架的内表面设计夹片和在固定环形架与夹片的连接处设计丝杆与手轮,避免废水环保设备在使用时由于在操作中上表面放置的水处理桶体不稳定,导致操作中装置不稳定,效果变差,可以将水处理桶体放置在固定环形架的内部时,夹片与水处理桶体的外表面接触,手握手轮开始转动丝杆,使得丝杆旋转至夹片的内部,将夹片紧压在水处理桶体的外表面。

标签:
废水处理
江苏 - 泰州 来源:中冶有色网 2023-03-19
原料废水过滤装置
原料废水过滤装置 739     
 0

本发明公开了一种原料废水过滤装置,包括废水箱,包括箱体,所述箱体内设置有滤网,所述箱体底部设置有出水口;所述出水口连接有排放阀,所述排放阀连接有排水管;所述排放阀包括与所述出水口连接的固定座、与所述排水管连接的连接头,所述固定座与所述连接头可拆卸连接;废水箱连接的排放阀能够快速和水管进行连接,并且在不排水时,直接将排放阀分离即可,排放阀内部结构会自动闭合。

标签:
废水处理
江苏 - 泰州 来源:中冶有色网 2023-03-19
具有减小滤膜形变量功能的废水处理装置

本发明涉及纳滤膜技术领域,尤其涉及一种具有减小滤膜形变量功能的废水处理装置。针对进水侧的压力波动过大对纳滤膜造成不可逆转的物理损伤的技术问题。通过以下技术方案解决:一种具有减小滤膜形变量功能的废水处理装置,包括有固定壳体,固定壳体的上端可拆卸式安装有工型固定件,工型固定件设置有锥形孔,工型固定件内滑动连接有环形固定架,环形固定架的外壁卷有纳滤膜,工型固定件滑动连接有缓冲板,缓冲板的下侧面固接有缓冲件。本发明利用缓冲板带动四个缓冲件移动,使废水在锥形孔的流通面积适应进水侧压力的波动,并适应性改变经锥形孔进入的废水压力,避免纳滤膜在急速波动的压力作用下不可逆转的形变。

标签:
废水处理
江苏 - 泰州 来源:中冶有色网 2023-03-19
乳液废水处理装置
乳液废水处理装置 764     
 0

本实用新型公开了一种乳液废水处理装置,它包括厌氧池和好氧池,厌氧池和好氧池之间通过管道连通,厌氧池一端设有自流管道,好氧池一端设有第一沉池和第二沉池,厌氧池通过厌氧自流管道与第一沉池相连接,好氧池一端设有好氧管道,好氧池通过好氧管道与第二沉池相连接,第二沉池一端设有污泥池,好氧池与污泥池之间设有污泥管道,好氧池上设有污泥回流管道,污泥回流管道延伸至厌氧自流管道上,采用该废水处理装置后,好氧生化工艺以悬浮生长的微生物在好氧条件下对污水中的有机物、氨氮等污染物进行降解的废水生物处理工艺,生物接触氧化法,处理效率高;耐冲击,适应性较强;挂膜简单,启动快;污泥产量少,没有污泥膨胀,管理简便。

标签:
废水处理
江苏 - 泰州 来源:中冶有色网 2023-03-19
用于磷酸三乙脂生产的废水处理净化设备

本实用新型公开了一种用于磷酸三乙脂生产的废水处理净化设备,包括机架主体,所述机架主体的一侧外表面设置有双层防护外壳,所述机架主体的下端外表面设置有支撑脚柱,所述双层防护外壳的一侧外表面设置有放药箱,所述机架主体的上端外表面设置有预处理室,所述预处理室的上端外表面设置有进水管道,所述机架主体的一侧内表面设置有快速搅拌机构与优质净化机构,所述快速搅拌机构位于优质净化机构的上端,所述双层防护外壳的另一侧外表面设置有排水口。本实用新型所述的一种用于磷酸三乙脂生产的废水处理净化设备,能够高效彻底地处理掉废水中的各种有害物质,净化效果好,提高了废水处理效果,带来更好的使用前景。

标签:
废水处理
江苏 - 泰州 来源:中冶有色网 2023-03-19
含磷废水的处理装置
含磷废水的处理装置 743     
 0

本实用新型公开了一种含磷废水的处理装置,包括箱体,所述箱体底部的两侧均固定连接有支撑结构,所述箱体的两侧均设置有出水结构,所述箱体顶部的右侧设置有进水结构,所述箱体的顶部设置有旋转结构,所述箱体底部的两侧均设置有出料结构。本实用新型通过箱体、支撑结构、出水结构、进水结构、旋转结构和出料结构的设置,使含磷废水的处理装置具有处理速度快的优点,加快了处理装置对废水的处理速度,提升了处理装置的工作效率,同时解决了现有的含磷废水的处理装置处理速度慢的问题,通过支撑腿和底座的配合使用,可以对箱体进行支撑,增强箱体的稳定性,通过水泵、支撑板、第一出水管、第二出水管和过滤板的配合使用。

标签:
废水处理
江苏 - 泰州 来源:中冶有色网 2023-03-19
用于发电厂的锅炉废水净化装置

本实用新型公开了一种用于发电厂的锅炉废水净化装置,包括净化筒,所述净化筒底部设有进水口,所述进水口内设有用于加压的第一旋转叶桨,所述连接杆间隔设有用于扰流的导流板,所述导流板上方设有用于容纳吸附剂的钢丝笼,所述钢丝笼上方设有用于加压的第二旋转叶桨,所述第二旋转叶桨上方设有杀菌搅拌器,其中两相对矩形框上设有储药灌,其余所述矩形框铺设有滤网,所述杀菌搅拌器上方设有与净化筒内壁相适配的隔离板,所述隔离板均匀设有若干通孔,所述通孔内设有单向阀。本实用新型的用于发电厂的锅炉废水净化装置,导流板使得水流向钢丝笼直喷,提高过滤效率,电动机带动杀菌搅拌器转动,转动的滤网搅拌初步净化的废水与储药灌释放的杀菌剂。

标签:
废水处理
江苏 - 泰州 来源:中冶有色网 2023-03-19
用于火力发电厂的废水净化器

本实用新型公开了一种用于火力发电厂的废水净化器,包括净化筒,所述净化筒底部设有进水口,所述进水口内设有用于加压的第一旋转叶桨,所述连接杆间隔设有用于扰流的导流板,所述导流板上方设有用于容纳吸附剂的格栅笼,所述格栅笼上方设有用于加压的第二旋转叶桨,所述第二旋转叶桨上方设有杀菌搅拌器,其中两相对矩形板上设有储药灌,所述杀菌搅拌器上方设有与净化筒内壁相适配的隔离板,所述隔离板均匀设有若干通孔,所述通孔内设有单向阀。本实用新型的用于火力发电厂的废水净化器,导流板使得水流向格栅笼直喷,提高过滤效率,电动机带动杀菌搅拌器转动,转动的滤网搅拌初步净化的废水与储药灌释放的杀菌剂。

标签:
废水处理
江苏 - 泰州 来源:中冶有色网 2023-03-19
聚酰胺废水反渗透膜及其制备方法

为提升聚酰胺废水反渗透膜的处理能力,本发明提供了一种聚酰胺废水反渗透膜及其制备方法,本发明包括将多孔支撑体依次接触多官能胺水相溶液和多官能酰氯有机相溶液使其在多孔支撑体表面界面聚合成聚酰胺废水反渗透膜,多官能酰氯有机相溶液包含无定型态的NaA颗粒,本发明通过将微米级的分子筛机械破碎成纳米级,不用制备合成条件苛刻的纳米分子筛,既降低了制膜成本,同时又显著提升了废水处理的水通量和抗污染性能。

标签:
废水处理
江苏 - 泰州 来源:中冶有色网 2023-03-19
含镍废水的回用及金属回收装置

本发明公开了一种含镍废水的回用及金属回收装置,包括依次通过管道连通的含镍废水的预处理系统、镍回收系统、膜分离处理系统和输送系统,所述含镍废水的预处理系统包括依次通过管道连通的含镍废水收集池(1)、原水泵(2)和袋式过滤器(3),所述镍回收系统包括镍吸附装置(4)、精滤器(5)、超滤器(6)和中间水箱(7),所述膜分离处理系统包括依次通过管道连通的增压泵(8)、碳滤器(9)、膜分离精滤器(10)、高压泵(11)和膜分离装置(12),所述输送系统包括依次通过管道连通的回用水箱(13)和输送泵(14)。本发明具有环保、能够回收金属镍且废水回用的优点。

标签:
废水处理
江苏 - 泰州 来源:中冶有色网 2023-03-19
利用多孔纤维素气凝胶固定化微生物菌处理氨氮废水的方法

本发明公开了一种利用多孔纤维素气凝胶固定化微生物菌处理氨氮废水的方法,属于废水处理制备领域。本发明制备得多孔纤维素气凝胶,采用载体结合法将硝化菌和反硝化菌吸附固定在多孔纤维素气凝胶上,本发明将微生物固定在多孔纤维素气凝胶处理氨氮水,固定化微生物污水根据曝气条件的不同使废水处于好氧态或厌氧态,有利于同步硝化和反硝化反应地进行,有很好的氨氮去除能力,反应效率高、稳定性强。

标签:
废水处理
江苏 - 泰州 来源:中冶有色网 2023-03-19
用于发电厂的废水脱污脱重金属装置及其处理系统

本发明公开了一种用于发电厂的废水脱污脱重金属装置,包括壳体内由下至上依次设置的第一过滤室、第二过滤室和第三过滤室,所述第一过滤室、第二过滤室和第三过滤室之间通过滤水板分隔,所述第二过滤室和第三过滤室之间设有回流过滤室,所述第一过滤室内设有静态吸附层,所述第二过滤室设有曝气装置以及喷液装置,所述第三过滤室设有动态沉淀层,所述回流过滤室设有水质检测部以及回流过滤部,还公开了其处理系统。本发明的用于发电厂的废水脱污脱重金属装置及其处理系统,通过第一过滤室、第二过滤室、第三过滤室以及有回流过滤室,有效的对火力发电厂各种脱硫、脱污的废水进行过滤,将其中的重金属污染物固定下来集中处理。

标签:
废水处理
江苏 - 泰州 来源:中冶有色网 2023-03-19
免冲洗数码印刷版材的废水处理工艺

本发明涉及到一种免冲洗数码印刷版材的废水处理工艺,通过废水分类,将浓酸废水加入浓酸废水收集池中再混合至混合池中,混合后进入反应池,添加聚丙烯酰胺,压滤后形成滤饼;在液碱贮池一端分类为调节池,冲洗淡水连续排入调节池中,在混凝池中添加聚丙烯酰胺进行反应,反应后进入斜板沉淀池;砂滤系统过滤;沉淀后,进入砂滤池,出水采用石英砂过滤,过滤后进入排放池;斜板沉淀池中排入污泥进入污泥池中,通过板框压滤机压滤,压滤形成滤饼,由于设计到两道分类处理工艺,再加上增加砂滤系统,充分利用了化学反应和物理处理优点,使得含铝废水去除率达到90%以上,出水达到《污水综合排放标准》,可回收水直接用于生产和二次处理。

标签:
废水处理
江苏 - 泰州 来源:中冶有色网 2023-03-19
不锈钢酸洗废水处理方法

本发明提供一种不锈钢酸洗废水处理方法。本发明包括:(1)过滤、调节:将酸洗废水过滤掉大的悬浮物后送入调节池,对废水的水量水质进行调节,然后采用防腐泵抽入反应沉淀池;(2)反应沉淀:在反应沉淀池中加入亚硫酸钠、氢氧化钙、絮凝剂进行充分反应;(3)过滤:对沉淀池出来的废水进行过滤,过滤后滤液加硫酸进行pH值调节以后进行排放;(4)污泥处理:过滤后的污泥脱水后外运处理。本发明处理效果好、投资少、操作简便。

标签:
废水处理
江苏 - 泰州 来源:中冶有色网 2023-03-19
含氰银废水的回收装置

本实用新型公开了含氰银废水的回收装置,包括依次通过管道连通的含氰银废水预处理系统、一级膜分离处理系统、二级膜分离处理系统和输送系统,一级膜分离处理系统通过管道连接有银回收系统,含氰银废水预处理系统包括依次通过管道连通的含氰银废水收集池、原水泵、袋式过滤器、超滤器和预处理水箱,一级膜分离处理系统包括依次通过管道连通的一级增压泵、一级精滤器、一级高压泵、一级膜分离装置和一级处理水箱,输送系统包括依次通过管道连通的回用水箱和输送泵,银回收系统包括银回收处理水箱、银回收输送泵和银回收装置。本实用新型具有银回收率高且运行成本低的优点。

标签:
废水处理
江苏 - 泰州 来源:中冶有色网 2023-03-19
含氰铜废水的回用处理装置

本发明公开了一种含氰铜废水的回用处理装置,包括依次通过管道连通的含氰铜废水预处理系统、一级膜分离处理系统、二级膜分离处理系统和输送系统;所述含氰铜废水预处理系统包括依次通过管道连通的含氰铜废水收集池、原水泵、过滤器、碳滤器、预处理精滤器、超滤器、反洗泵和预处理水箱,所述一级膜分离处理系统包括依次通过管道连通的一级增压泵、一级精滤器、一级高压泵、一级膜分离装置和一级中间水箱,所述二级膜分离处理系统包括依次通过管道连通的二级增压泵、二级高压泵和二级膜分离装置,所述输送系统包括依次通过管道连通的回用水箱和输送泵,本发明具有降低成本且设置合理的优点。

标签:
废水处理
江苏 - 泰州 来源:中冶有色网 2023-03-19
洗碗机净化废水的净水结构

本发明公开了一种洗碗机净化废水的净水结构,包括出水管、净水端、过滤层及进水端,洗碗机下水口与净水结构的进水端连接,进水端下方为过滤层,过滤层与净水端的一端连接,净水端的另一端与出水管连接,所述过滤层为叠加结构,本发明一种洗碗机净化废水的净水结构,不仅能够有效分离废水中的固体杂质,还能通过离心有效将水油进行分离,本发明广泛适用于洗碗机生产加工行业。

标签:
废水处理
江苏 - 泰州 来源:中冶有色网 2023-03-19
智能型印刷废水处理一体化设备

本实用新型涉及废水处理技术领域,具体为一种智能型印刷废水处理一体化设备,包括废水处理装置,废水处理装置的内侧顶面上设置有预处理箱,预处理箱的底面开设有漏水口,漏水口的内部插接有塞头,塞头的上端连接有连接料管,连接料管的表面设置有对接架,对接架的外侧扣接有浆板,浆板的表面开设有透水孔,连接料管的表面开设有加料口,且连接料管的顶面设置有电机,电机放置在机架的内部;有益效果为:本实用新型提出的智能型印刷废水处理一体化设备内部加设预处理箱,预处理箱可对废水分批处理,将预处理后的废水向下输送至集中处理仓,提升废水处理效果。

标签:
废水处理
江苏 - 泰州 来源:中冶有色网 2023-03-19
酸碱废水除油及处理回用装置

本发明公开了一种酸碱废水除油及处理回用装置,包括依次通过管道酸碱废水预处理系统、除油系统、反渗透处理系统和输送系统,所述酸碱废水预处理系统包括通过管道依次连通的酸碱废水收集池、原水泵和过滤器,所述除油系统包括通过管道依次连通的石英砂处理器、除油器、碳滤器、精滤装置、超滤系统和中间水箱,所述反渗透处理系统包括通过管道依次连通的增加泵、高压泵和反渗透膜装置,所述输送系统包括通过管道依次连通的回用水箱和输送泵;所述原水泵和过滤器连通的管道上连通有酸碱调节装置,所述酸碱调节装置包括酸池、碱池和pH检测装置。本发明具有结构简单、能处理包含酸、碱及有机溶剂的优点。

标签:
废水处理
江苏 - 泰州 来源:中冶有色网 2023-03-19
酒店用蒸汽式洗碗机废水过滤装置

本发明公开了一种酒店用蒸汽式洗碗机废水过滤装置,包括机体,所述机体的内部设置有过滤箱,所述过滤箱的顶部连通有第一导水管,所述第一导水管靠近机体的一侧与机体连通。本发明通过设置过滤网、过滤板、阳极杆、阴极线、水泵、过滤盒和限位机构的配合使用,通过水泵带动废水依次经过过滤网、过滤板、阳极杆和阴极线,可以使废水杂质得到过滤,通过限位机构对限位板进行限位,可以方便使用者清理过滤盒内部的杂质,解决了现有的蒸汽式洗碗机没有对废水循环利用的功能,对水资源造成了浪费,而且没有对废水过滤的功能,对环境造成了污染的问题,该酒店用蒸汽式洗碗机废水过滤机构,具备循环利用和便于清理杂质的优点。

标签:
废水处理
江苏 - 泰州 来源:中冶有色网 2023-03-19
印刷废水净化再利用装置

本实用新型涉及废水净化装置技术领域,具体为一种印刷废水净化再利用装置,包括废水处理箱,废水处理箱的内侧顶面上设置有围护筒,围护筒的内环面上设置有滤板,且围护筒的下端设置有输水管,输水管的底端设置有沉淀筒,且输水管的内环面上设置有牵拉杆,牵拉杆的另一端连接在导向螺杆的表面上,导向螺杆的杆体上套接有升降环,升降环的外环面设置有连接杆;有益效果为:本实用新型提出的印刷废水净化再利用装置在沉淀筒的底部设置可拆卸的底板,并在沉淀筒内部加设可升降的清理结构,方便与沉淀筒内部粘附的污泥即使清理。

标签:
废水处理
江苏 - 泰州 来源:中冶有色网 2023-03-19
含镍废水的回用及金属回收装置

本实用新型公开了一种含镍废水的回用及金属回收装置,包括依次通过管道连通的含镍废水的预处理系统、镍回收系统、膜分离处理系统和输送系统,所述含镍废水的预处理系统包括依次通过管道连通的含镍废水收集池(1)、原水泵(2)和袋式过滤器(3),所述镍回收系统包括镍吸附装置(4)、精滤器(5)、超滤器(6)和中间水箱(7),所述膜分离处理系统包括依次通过管道连通的增压泵(8)、碳滤器(9)、膜分离精滤器(10)、高压泵(11)和膜分离装置(12),所述输送系统包括依次通过管道连通的回用水箱(13)和输送泵(14)。本实用新型具有环保、能够回收金属镍且废水回用的优点。

标签:
废水处理
江苏 - 泰州 来源:中冶有色网 2023-03-19
酒店用蒸汽式洗碗机废水过滤装置

本实用新型公开了一种酒店用蒸汽式洗碗机废水过滤装置,包括机体,所述机体的内部设置有过滤箱,所述过滤箱的顶部连通有第一导水管,所述第一导水管靠近机体的一侧与机体连通。本实用新型通过设置过滤网、过滤板、阳极杆、阴极线、水泵、过滤盒和限位机构的配合使用,通过水泵带动废水依次经过过滤网、过滤板、阳极杆和阴极线,可以使废水杂质得到过滤,通过限位机构对限位板进行限位,可以方便使用者清理过滤盒内部的杂质,解决了现有的蒸汽式洗碗机没有对废水循环利用的功能,对水资源造成了浪费,而且没有对废水过滤的功能,对环境造成了污染的问题,该酒店用蒸汽式洗碗机废水过滤机构,具备循环利用和便于清理杂质的优点。

标签:
废水处理
江苏 - 泰州 来源:中冶有色网 2023-03-19
乳液废水处理装置
乳液废水处理装置 739     
 0

本实用新型公开了一种乳液废水处理装置,涉及废水处理技术领域。该乳液废水处理装置,包括桶体、支撑腿、污水管、除锈机构、稳固槽、过滤机构、密封门和输送管,两个所述支撑腿的顶端分别与桶体两侧面的底部固定连接,所述污水管的右端与桶体左侧面的顶部连通,所述除锈机构的顶端与桶体顶面的中心处固定连接,两个所述稳固槽开设于桶体两侧内壁的底部。该乳液废水处理装置,首先可以方便完成对乳液废水中铁屑的吸附,这样就先一步完成对废水的过滤,然后还能够促使过滤网产生震动的效果,这样就可以防止过滤网出现堵塞的情况,以至于提高了废水处理的工作效率,同时,也进一步增加了乳液废水处理设备的功能性和实用性。

标签:
废水处理
江苏 - 泰州 来源:中冶有色网 2023-03-19
应用于红土镍矿制备镍铬合金的废水处理系统

本发明属于废水处理应用技术领域,具体公开了一种应用于红土镍矿制备镍铬合金的废水处理系统,由过滤处理组件,及与过滤处理组件相配合使用的污泥处理组件组成。本发明的一种应用于红土镍矿制备镍铬合金的废水处理系统的有益效果在于:其整体工艺流程设计合理,解决现有镍铬合金制备的废水处理的工艺所存在的问题,其能对废水中的CODcr以及酸洗工序中的污泥等进行高效、高质和稳定的处理。

标签:
废水处理
江苏 - 泰州 来源:中冶有色网 2023-03-19
包装印刷废水循环处理系统

本实用新型涉及废水处理相关技术领域,具体为一种包装印刷废水循环处理系统,包括处理筒,处理筒的表面螺接有连接筒,处理筒和连接筒的表面均焊接有固定板,处理筒的内部焊接有安装套,传动杆的表面焊接有促流转板,磁屑收集架的内部螺接有磁性吸附板,磁屑收集架的内壁焊接有限流板,磁屑收集架的内部设有导流孔,有益效果为:印刷废水通入到处理筒的内部后,启动电机,电机带动传动杆在转动槽的内部转动,同时促流转板发生转动,通过促流转板加快进入到处理筒内印刷废水的流动,进而提高了印刷废水的处理效率,结构简单,能够快速的对印刷废水进行有效处理,使用效果好,适合推广。

标签:
废水处理
江苏 - 泰州 来源:中冶有色网 2023-03-19
有机废水COD分离装置
有机废水COD分离装置 967     
 0

本实用新型公开了一种有机废水COD分离装置,包括壳体,所述壳体的内部左侧上方设有废水箱,所述壳体的左侧顶部贯穿设有废水进水管道,所述废水进水管道上设有废水进水阀门,所述壳体的左侧中部贯穿设有废水出水管道,所述废水出水管道上设有废水出水阀门,所述废水箱的内部设有过滤网,所述过滤网的上表面上对称设有把手,所述废水箱的底部左侧连通有循环管道的进液端,所述循环管道上分别设有循环阀门、高压水泵、第一半透膜装置和第二半透膜装置,所述循环管道的两个出液端分别与废水箱的右侧顶部和净水箱的顶部右侧连通,所述壳体的右侧底部贯穿设有净水出水管道,本实用新型通过多次循环分离保证了有机物分离的效果。

标签:
废水处理
江苏 - 泰州 来源:中冶有色网 2023-03-19
废水冷却处理系统
废水冷却处理系统 1118     
 0

本实用新型提供了一种废水冷却处理系统,包括废水池和净化装置,净化装置包括过滤室和净水室,过滤室与净水室通过过滤板隔开,废水池内设有水泵,水泵通过进水管与设置在过滤室的废水入口处的冷却机相连,在废水入口处设有水量感应装置,在净化装置上端设有石灰储存罐、次氯酸钠储存罐和盐酸储存罐,过滤室与石灰储存罐通过石灰投加泵相连,过滤室与次氯酸钠储存罐通过次氯酸钠投加泵相连,过滤室与盐酸储存罐通过盐酸投加泵相连,在净水室内设有活性炭过滤层。本实用新型结构简单、设计合理,能够快速冷却废水,同时还能够除去废水中的异味,对废水进行彻底净化。

标签:
废水处理
江苏 - 泰州 来源:中冶有色网 2023-03-19
洗碗机废水油污分离结构

本发明公开了一种洗碗机废水油污分离结构,包括连接端、过渡层、分离筛及调节钮,废水油污分离结构为分离式片状结构,废水油污分离结构的两侧分别为连接端,连接端与过渡层连接,所述过渡层为等腰梯形结构,过渡层中间所夹的部分为分离筛,分离筛与废水油污分离结构通过调节钮连接,本发明一种洗碗机废水油污分离结构,普适性好,装卸维修操作便捷,结构简单合理,能够将废水表面的油污进行分离,同时分离筛的扇面可进行替换更新,使用寿命长,本发明广泛适用于洗碗机生产加工行业。

标签:
废水处理
江苏 - 泰州 来源:中冶有色网 2023-03-19
上一页 9 10 11 12 13 ... 14 下一页
共14页    到第

中冶有色为您提供最新的江苏泰州有色金属废水处理技术理论与应用信息,涵盖发明专利、权利要求、说明书、技术领域、背景技术、实用新型内容及具体实施方式等有色技术内容。打造最具专业性的有色金属技术理论与应用平台!

全国热门有色金属设备推荐
展开更多 +
全国热门有色金属技术推荐
展开更多 +

 

江西省隆恩特环保设备有限公司
宣传

报名参会
更多+

报告下载

有色专家
更多+

矿冶科技集团有限公司
所长/研究员级高工
石家庄铁道大学
团委书记/副教授
赣州有色冶金研究所有限公司
副主任/高级工程师
武汉科技大学
院长 / 教授
重庆大学
副院长/教授
赤泥综合利用研究报告2025
推广

热门技术
更多+

推荐企业
更多+

福建省金龙稀土股份有限公司
宣传

发布

在线客服

公众号

电话

顶部
咨询电话:
010-88793500-807