青岛垚鑫智能科技有限公司
宣传

位置:中冶有色 >

有色技术频道 >

分类:
全部
矿山技术
冶金技术
材料制备及加工技术
环境保护技术
分析检测技术
 
全部
废水处理技术
大气治理技术
固/危废处置技术
土壤修复技术
地区:
全部
北京
天津
上海
重庆
河北
山西
辽宁
吉林
黑龙江
江苏
浙江
安徽
福建
江西
山东
河南
湖北
湖南
广东
海南
四川
贵州
云南
陕西
甘肃
青海
内蒙
广西
西藏
宁夏
新疆
其他
其他
展开
 
全部
其他

其他有色金属环境保护技术理论与应用

免费发布技术信息>>
在用生物强化的废水处理中用于除氨的壳聚糖包覆的海藻酸钙细菌珠

一种在用生物强化的废水处理中用于除氨的壳聚糖包覆的海藻酸钙细菌珠,其中该包括中间苍白杆菌和枯草芽孢杆菌的细菌被固定在壳聚糖包覆的海藻酸钙珠中。一种使用该壳聚糖包覆的海藻酸钙细菌小球来除氨的废水处理工艺包括在生物反应器中将废水流入物生物处理5‑8小时的步骤。该废水处理工艺还可以包括在废水流入物中预培养该壳聚糖包覆的海藻酸钙细菌小球6‑12小时的步骤。该废水处理工艺可以在优化参数下进行,其中生物反应器被补充以65‑75%v/v的新鲜的废水流入物;每2‑4小时被补充以碳源;用气泵充气;并且被保持在30‑40℃的温度。

标签:
废水处理
其他 - 其他 来源:中冶有色网 2023-03-19
从排放废水中去除微粒硅的方法

从排放废水中去除微粒硅的方法。根据各种实施例的一种从排放废水中去除微粒硅的方法可以包括:向排放废水添加碱,添加的碱的量相对于所述排放废水中所包含的全部量的硅到原硅酸或原硅酸盐离子的基本氧化反应是亚化学计量的;将排放废水和碱的所得混合物维持在预定温度范围中达一个时间段,从而形成包括硅的沉积;以及使沉积与排放废水彼此分离。

标签:
废水处理
其他 - 其他 来源:中冶有色网 2023-03-19
用于从废水回收热的方法和回路布置

本发明涉及用于从废水回收热的方法和回路布置,包括-废水回路,其具有通过原污水管线(2)连接到公用污水管(1)的污水入流井(4)、和连接到所述污水入流井(4)的至少一个热交换器(7),-具有至少一个热泵(8)的主要回路,以及-次要回路,包括至少一个储罐(9)和至少一个热利用装置,其中废水回路、主要回路和次要回路被布置为呈传热连接,且-其中污水被馈送到废水回路热交换器(2)的一侧,且主要回路的热泵(9)的工作介质被馈送到同一热交换器(9)的另一侧,且热泵(8)的工作介质被馈送到储罐(9)中,且储罐(9)连接到热利用装置。本发明的基本特征在于,废水回路与主要回路和次要回路在空间上间隔开;以及且筛选箱(5)布置于废水回路的污水入流井(4)中,其中连接着公用污水管(1)与污水入流井(4)的原污水管线(2)终止于筛选箱(5)中,且其中粗料移除器(6)的一端延伸到筛选箱(5)内,且粗料移除器(6)的另一端连接到用过的污水返回管线(3),用过的污水返回管线(3)连接污水入流井(4)与公用污水管(1);以及筛选过的污水从污水入流井(4)馈送到热交换器(7)的一侧,且离开热交换器(7)的用过的污水馈送到用过的污水返回管线(3)中从而使得其将由粗料移除器(6)移除的粗料冲回到用过的污水返回管线(3)。

标签:
废水处理
其他 - 其他 来源:中冶有色网 2023-03-19
废水的好氧微生物处理装置

本发明涉及一种废水的好氧微生物处理装置,该装置带有一个含有生物团块的反应器,该反应器具有一个上反应室和一个下反应室,待净化的废水通过一根废水进入管(1)供入该上反应器中,与生物团块的一部分进行混合,紧接着设置了一个过滤和曝气单元(6),该单元由一个至少作为膜用的多孔空心体(7)组成,该空心体具有水和生物团块的通流横截面,其中至少一个空心体(7)的空腔与一个气源和一个已过滤的净化水的出水管(10)连接,其中至少一个空心体(7)在曝气过程中用作曝气元件,而在过滤过程中则用作过滤元件。

标签:
废水处理
其他 - 其他 来源:中冶有色网 2023-03-19
用于预处理高浓度有机废水的方法和装置

本发明提供了用于生物预处理高浓度有机废水的方法和装置。所述方法包括:在反应槽中接种需氧微生物并对该反应槽曝气,同时保持废水的温度为28~45℃和溶解氧为0.5~3PPM;将反应槽的处理废水输送至沉降槽(澄清器)中,将沉降的微生物污泥送回反应槽并排出上清液;通过间歇地对沉降槽曝气来防止微生物厌氧消化;在连续供应废水至反应槽时切断废水,并通过跟踪反应槽中溶解氧的浓度检测微生物的活性;以及基于微生物活性的检测结果控制废水的流量。相比于常规方法和装置,该方法可以在高载荷下容易地处理高浓度废水。该方法是经济的并可以应用于高浓度有毒废水。

标签:
废水处理
其他 - 其他 来源:中冶有色网 2023-03-19
含有机物的废水的处理方法和装置

公开了一种新型的含有机污染物的废水的处理方法,该方法是用涉及羟基自由基的自由基反应将污染物氧化分解。该方法包括使废水流经废水处理导管(6)和施加特定频率的矩形波形式的脉冲直流电压,废水处理导管(6)包括直管构件(6)和自由基产生部分,自由基产生部分由截断棱锥形或圆锥形管状构件(1)和负极棒(4)组成,截断棱锥形或圆锥形管状构件(1)有二氧化钛的内表面层作为正极,并和直管构件的上游端连接,负极棒(4)与截断管状构件同轴。可通过提供超声部分来提高废水处理效率,超声部分由类似于上述截断管状构件的截断管状构件(7)和安装在其上的超声振荡器(8)组成,截断管状构件(7)和直管构件的下游端连接,超声振荡器(8)发射出超声波。

标签:
废水处理
其他 - 其他 来源:中冶有色网 2023-03-19
废水过滤系统
废水过滤系统 805     
 0

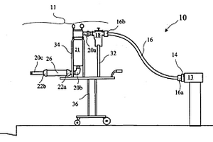
一种废水过滤系统(10),其过滤来自包括喷水灭火器系统和消防栓在内的多种废水源(13)的受污染的废水。系统(10)包括透明柔性软管(16),其将例如水泵接合器(FDC)上的母口回转接头(16A)连接到可移动的过滤系统(11)。透明软管(16)允许观察来自废水源(13)的废水流以确保完成彻底冲水。过滤系统(11)包括用于捕获大颗粒的粗滤器(18)、用于捕获小颗粒的过滤器(21)、以及用于捕获例如油并杀灭细菌的化学选择性海绵体(26)。过滤系统(11)能够符合国家消防协会标准、针对维护喷水灭火器系统的加利福尼亚州消防法19条规定、以及联邦净水法案、联邦海岸带法、以及针对将液体释放到暴雨下水道中的当地城市条例。

标签:
废水处理
其他 - 其他 来源:中冶有色网 2023-03-19
氢氟酸废水处理方法及装置

本发明提供一种高效回收包含在氢氟酸废水中的氢氟酸,同时使处理后的脱氢氟酸的水的氢氟酸浓度充分下降的氢氟酸废水处理方法和装置。作为对含氢氟酸的氢氟酸废水进行处理的氢氟酸废水处理方法,该氢氟酸废水处理方法包括通过对氢氟酸废水进行蒸发浓缩,生成浓缩氢氟酸水和含氢氟酸蒸气的氢氟酸浓缩工序S1,使氢氟酸浓缩工序所生成的含氢氟酸蒸气与溶解用水接触,使其溶解的溶解工序S2,通过使溶解工序S2中残留的含氢氟酸蒸气与碱接触,生成中和液和脱氢氟酸的蒸气的中和工序S3,和通过冷凝中和工序S3生成的脱氢氟酸的蒸气生成冷凝水的冷凝工序S4。

标签:
废水处理
其他 - 其他 来源:中冶有色网 2023-03-19
使用渗透和厌氧废水处理的发电方法

本发明公开一种用于发电的方法。该方法包括:接收包含有机物质的废水流;和将废水流传送到厌氧消化器,在厌氧消化器中包含在其中的有机物质被分解以产生生物气。在所述流通过使废水流通过渗透动力单元而进入厌氧消化器之前,所述废水流的液体含量降低。所述流经过允许水通过但不允许盐通过的半透膜的一侧,盐度高于所述废水流的含水流经过所述膜的另一侧,使得所述较高盐度的含水流中存在的潜在渗透能量转换成电能。

标签:
废水处理
其他 - 其他 来源:中冶有色网 2023-03-19
用于处理废水的系统和方法

废水处理系统包括用于接收和化学处理废水的化学处理工艺池。所述废水处理系统还包括用于接收和活化絮凝剂如聚合物的混合系统。所述废水处理系统还包括静态混合器,其用于将絮凝剂引入废水中和用于在废水从化学处理工艺池流到澄清池时促进废水发生絮凝。

标签:
废水处理
其他 - 其他 来源:中冶有色网 2023-03-19
废水脱色反应自动追踪运行操作方法与系统

一种废水脱色反应自动追踪运行操作方法,系利用废水处理脱色反应前,取得废水颜色与性质,进一步利用AI智能颜色识别主机,搜寻废水脱色反应自动运行数据库中的运行记录,取得相似运行工艺加载的处理工艺配方,进一步自动运行废水脱色反应程序操作,得到反应后废水颜色信息及运行数据信息,通过反应前后颜色变化智能比对,分析脱色反应效果,进一步调整运行工艺或直接存入废水脱色反应运行数据库中,作为未来相同颜色与性质的废水脱色反应自动运行的工艺配方。通过分析有效脱色反应颜色的变化信息,让废水处理脱色反应更精准,运用历史数据及人工智能颜色分析,掌握修正自动脱色反应操作运行,实现废水处理脱色反应自动追踪运行操作目标。

标签:
废水处理
其他 - 其他 来源:中冶有色网 2023-03-19
用于处理被污染的废水的系统和方法

本发明涉及一种用于处理被污染的废水的系统,其具有汇入分离器(5)中的进入管线(3)和离开分离器的排出管线(10),排出管线直接或间接地在输入管线(16)中汇入超过滤系统(18)中,超过滤系统(18)具有渗透物-输出管线(19)和浓缩物-输出管线(17)。根据本发明,提供或说明用于处理被污染的废水的系统和方法,其在安装花费小的情况下有效和可靠地工作。这由此实现:渗透物-输出管线(19)能可控地与所述进入管线(3)连通。相应的方法设置,在分离器(5)中,由废水分离出的水从分离器排出到排出管线(10)中,水接着供给超过滤系统(18),在超过滤系统中,水被分离为导出到浓缩物-输出管线(17)中的浓缩物和导成到渗透物-输出管线(19)中的渗透物,渗透物能往回引导到分离器(5)的进入管线(3)中以与所供给的沉淀剂反应,在分离器(5)中进行例如重金属从渗透物中的分离。

标签:
废水处理
其他 - 其他 来源:中冶有色网 2023-03-19
废水处理填料及其制备方法

本发明提供一种废水处理填料及其制备方法。按重量百分比,铁粉20-70%,铜粉2-15%,竹炭粉3-10%,高岭土2-15%,菱镁矿粉2-15%,沸石粉10%-30%,将各组份原材料分别粉碎、球磨,然后混合并造粒形成粒状混合物,再经高温烧结或经冷压制成颗粒状填料。与现有技术相比,本发明提供的废水处理填料填料有以下特点:反应速率快,废水处理时间仅需数分钟至数十分钟;处理量大;具有良好的混凝效果,COD去除率高,并且对色度的去除更佳;寿命长,成本低;作用有机污染物质范围广;运行管理方便,不钝化,不沟流,无废弃物。

标签:
废水处理
其他 - 其他 来源:中冶有色网 2023-03-19
实施反应的方法及反应颗粒

本发明涉及一种实施化学和/或物理和/或生 物反应的方法,其中借助促进反应或实现反应的反应 颗粒,使反应物实现有效化合(结合)。此外,本发明 还涉及所述反应颗粒本身。本发明采用厚度为5— 1000mm2的基本上扁平的颗粒作为反应颗粒。该反 应颗粒例如可以用作生物生长表面。特别是该反应 颗粒可以装入废水反应器中并与废水彻底混合。反 应颗粒有很大的比表面积,因而极易接触,此外,可以 借助搅拌器,使其处于运动状态。

标签:
废水处理
其他 - 其他 来源:中冶有色网 2023-03-19
从废水中回收氨的方法及系统

本申请公开一种从废水中回收氨的方法及系统。从废水中回收氨的方法,包括以下步骤:收集一废水,废水至少含有硫酸根离子(SO42‑)以及铵离子(NH4+);将废水通过阴离子交换方式去除废水中的硫酸根离子;在一真空环境下使经阴离子交换的废水中的铵离子转化为氨气并与废水分离,且真空环境具有0.5atm至0.1atm的压力以及30℃至60℃的温度;以及将与废水分离的氨气回收。借此,能够有效地回收废水中的氨,以降低氨对于环境的污染及损害。

标签:
废水处理
其他 - 其他 来源:中冶有色网 2023-03-19
油脂分离器用含油脂废水处理装置及油脂分离器

一种油脂分离器用含油脂废水处理装置(50),安装在油脂分离器上,利用固定化酶分解处理油脂分离器内的含油脂废水中的废油脂,其具有安装在油脂分离器上的支持板(10)、装有固定化酶E的固定化酶固定器(20)、搅拌含油脂废水的搅拌单元(30),含油脂废水可自由地通过上述固定化酶固定器(20),上述固定化酶固定器(20)与上述搅拌单元(30)设置在上述支持板(10)上。

标签:
废水处理
其他 - 其他 来源:中冶有色网 2023-03-19
含热解硅石的废水的处理方法

含有热解硅石的废水的处理方法,其方法为:从处理粉状的热解硅石的工序将作为废弃物的热解硅石分散于水中而回收,将回收的含有热解硅石的废水进行处理时,使热解硅石浓度为0.05~3.0质量%的含热解硅石的废水或者调整至使得热解硅石浓度达到0.05~3.0质量%的含有热解硅石的废水含有含金属的无机凝集剂,使得以金属换算计达到15~300(MG/L)的浓度,然后,添加有机高分子凝集剂。

标签:
废水处理
其他 - 其他 来源:中冶有色网 2023-03-19
有机废水处理装置及其处理方法

一种有机废水处理装置及其处理方法,有机废水处理装置其包括反应部、废水供给部以及氧化剂供给部。反应部具有处理含有有机物质的废水的至少一个反应槽。反应槽内具有至少一复合光触媒,其吸收可见光范围波长,而光催化分解或裂解废水含有的有机物质。复合光触媒包括至少一具有多孔性的触媒载体以及多个纳米粒子。这些纳米粒子包含多个纳米金属粒子及/或多个纳米金属氧化物粒子。废水供给部将废水供给到反应槽内以及氧化剂供给部将至少一氧化剂供给到反应槽内。另提出一种有机废水的处理方法。

标签:
废水处理
其他 - 其他 来源:中冶有色网 2023-03-19
从废水中除去金属的方法

一种从将至少一部分废液进行湿式燃烧处理或湿式氧化处理形成的废水中除去金属的方法,所述废液来自丙烯酸生产工艺,该工艺包括通过将丙烷、丙烯和/或丙烯醛催化气相氧化形成丙烯酸和通过蒸馏将所述丙烯酸纯化的步骤,其特征在于该方法包括下述步骤(a)-(c):(a)除去废水中的固体的步骤,(b)从步骤(a)中得到的处理液中除去碳酸根离子和碳酸盐的步骤,(c)从步骤(b)中得到的处理液中除去金属的步骤。该方法能够有效除去废水中的金属,废水是使来自丙烯酸生产工艺的废液进行湿式燃烧或湿式氧化处理形成的。

标签:
废水处理
其他 - 其他 来源:中冶有色网 2023-03-19
用于处理含有亚硝有机组分的废水的方法

本发明披露了一种处理含有亚硝有机组分的废水的方法,包括以下步骤:将加压至130-250个大气压的废水流送入水解反应器,其中将该加压的废水流在输送至水解反应器的过程中通过与水解液流的热交换进行加热;通过将废水流加热至200-370℃的液相温度范围,使废水流中的亚硝有机组分水解,其中该液相温度范围为水的临界点以下;将水解液流输送至蒸馏塔,其中在输送至蒸馏塔的过程中将水解液流通过与将被送入水解反应器的加压的废水流的热交换进行冷却;以及从蒸馏塔中分别回收作为塔顶馏分的氨、作为侧馏分的含有氨和二氧化碳的水溶液、以及作为塔底馏分的脱氨和二氧化碳的剩余物。

标签:
废水处理
其他 - 其他 来源:中冶有色网 2023-03-19
具有创能及节能功效之含油废水处理方法与设备

一种具有创能及节能功效之含油废水处理方法,至少包含下列步骤:提供具有第一COD值之含油废水;对含油废水进行酸化破乳处理,藉以使得含油废水分离成上层溶液及下层溶液;对下层溶液进行第一混凝沉淀处理,藉以形成沉淀物及上层澄清溶液;以及以生物制剂对上层澄清溶液进行接触曝气处理步骤。此含油废水处理方法可获得具有符合进流标准之第二COD值之进流溶液。本发明另提供一种具有创能及节能功效之含油废水处理设备,用以执行前述的含油废水处理方法。

标签:
废水处理
其他 - 其他 来源:中冶有色网 2023-03-19
生物净化废物或废水的方法

一种净化废物环境的方法,包括处理一部分废物环境,以使天然微生物失活或减少,将强化微生物加入到经处理的废物环境,使微生物培养物同时生长和适应环境,并将微生物培养物排到废物环境。所述方法提供改善的废物生物净化和原位生物强化。一种净化废水的方法,包括处理一部分废水,以使天然微生物失活或减少,将强化微生物加入到进一步处理部分的废水,使微生物培养物同时生长和适应环境,并将微生物培养物排到废水中,使废物环境中的微生物培养物增殖,以分解废水中的有机和无机物质,并从生物质分离经净化的废水。

标签:
废水处理
其他 - 其他 来源:中冶有色网 2023-03-19
用膜曝气生物膜侧流预处理以从高强度废水中去除氨

在将具有高氨浓度的废水排放到处理较低强度废水的废水处理厂(例如处理市政污水的活性污泥厂)之前,对其预处理。通过与膜曝气生物膜反应器中的支撑在气体转移膜上的固定膜接触,预处理所述高强度废水以氧化氨。预处理可以是间歇或连续方法。可以控制预处理以去除氨至大约材料碱度耗尽的点。可以监测一个或多个参数,例如碱度、pH或膜排出的氧浓度,以确定碱度耗尽是否已经发生或大约要发生。在一些实例中,将高强度废水与具有较少氨和较高碱度的废水(例如市政污水或初级流出物)共混。在一些实例中,所述高强度废水是一种或多种污泥的液体部分。

标签:
废水处理
其他 - 其他 来源:中冶有色网 2023-03-19
利用脉冲放电处理废污泥的废水处理装备及方法

描述了用于处理废水污泥或其他废水流体的废水装备和方法。废水装备利用放电系统,所述放电系统被配置成用于接收废水流体,并且通过所接收的废水流体产生瞬态电压和电弧电流脉冲以在废水流体内产生伴随有高电场、强烈的热和光辐射的电液冲击波。

标签:
废水处理
其他 - 其他 来源:中冶有色网 2023-03-19
废水再利用方法
废水再利用方法 827     
 0

本发明公开了一种能够从废水中稳定地获得再利用水的废水再利用方法,该方法通过按照使透过膜之前的残留臭氧浓度达到0.01~1.0MG/L来在下水道处理水等废水中添加少量的臭氧,使臭氧与废水中含有的微细固体物质接触,将微细固体物质的表面性质改性为易凝集性。此后,从凝集剂添加装置3添加PAC等凝集剂,使微细固体物质在凝集槽5或管线混合器中凝集,然后,通过耐臭氧性的分离膜6如陶瓷膜进行膜过滤,获得透过膜之后的残留臭氧浓度低于0.5MG/L的再利用水。由于臭氧消耗量少,因此,运行成本降低,而且,可以防止膜面的堵塞。

标签:
废水处理
其他 - 其他 来源:中冶有色网 2023-03-19
真空废水设备和方法
真空废水设备和方法 885     
 0

一种真空废水设备(100),具有:呈真空厕所形式的废水收集容器(102)、真空废水端口(202)、接在厕所(102)和真空废水端口(202)之间的废水阀(204)、至少一个电的调整机构(206a、206b、208),其设立用于改变真空废水设备(100)的实际状态;以及具有控制单元(106),其设立用于:根据网络通信协议接收消息(902),其中消息(902)具有关于期望状态的说明;并且根据期望状态操控至少一个电的调整机构(206a、206b、208)。

标签:
废水处理
其他 - 其他 来源:中冶有色网 2023-03-19
用于生物学废水反应器的沉积物排出系统

本发明涉及一种用于微生物学地、尤其是厌氧地清洁废水的反应器,该反应器包括:反应容器,带有至少一个基本上平的或圆的底部;至少一个设置在反应容器的下部区域中的、用于将待清洁的废水输入反应容器的馈送导管;至少一个用于从反应器排出清洁过的废水的液体排出导管和至少一个设置在反应容器的下部区域中、用于从反应器排出固体的固体排出导管;其中,在反应容器的下部区域中设置至少一个偏转器件,该偏转器件包括至少一个倾斜延伸的子部件并且这样构造和/或布置,使得在反应器中从上反应器区域向下降的固体被这样地偏转,使得固体沉积在至少一个固体排出导管的区域内并因此可通过所述至少一个固体排出导管从所述反应器排出。

标签:
废水处理
其他 - 其他 来源:中冶有色网 2023-03-19
含磷酸盐的废水的处理以及氟硅酸盐和磷酸盐的回收

一种用于处理含磷酸盐的废水,例如磷石膏池水的方法。该方法包括以下步骤(a)将第一阳离子添加到废水中以便从废水中沉淀氟硅酸盐;(b)将第二阳离子添加到废水中以便从废水中沉淀氟化物;(c)升高废水的pH值以便从废水中沉淀第二阳离子;(d)从废水中除去残留的二氧化硅;以及(e)从废水中沉淀磷酸盐。沉淀的氟硅酸盐可以是氟硅酸钠。沉淀的磷酸盐可以是鸟粪石。

标签:
废水处理
其他 - 其他 来源:中冶有色网 2023-03-19
催化裂化装置的废水处理方法

处理石油催化裂化装置废水的方法。包括接收 工序,洗提掉硫化氢和氨的废水被引入生物处理槽; 曝气工序,生物处理槽中的废水曝气预定时间;沉降 工序,生物处理槽中的活化泥浆沉降预定时间;排放 工序,将上层清液排放。曝气工序的总的持续时间每 天不长于12小时,曝气间断地进行。这样,产生假 菌丝为酵母很快生长,有利于沉降及分离活化泥浆。 本发明不仅使废水能始终如一地得到处理,且流出水 的质量不降低,所产生的过剩泥浆量大大减少,从而 降低泥浆处理负荷。

标签:
废水处理
其他 - 其他 来源:中冶有色网 2023-03-19
后处理污水净化设备排出的废水的方法和设备

本发明涉及一种用于污水后处理或用于处理从市政废水净化装置或澄清装置流出的废水的方法,其特征在于,从废水净化装置流出的废水(导入或使其)以连续流体形式通过至少一种发出选自伽玛辐射、伦琴辐射和电子辐射的辐射源产生的电离辐射的辐射场或辐射锥区,以降低该废水流中内分泌活性的和对水生环境有危险的来自雌烷、特别是雌激素的含量。本发明还涉及实施该方法的设备和该方法和该设备的应用。

标签:
废水处理
其他 - 其他 来源:中冶有色网 2023-03-19
上一页 103 104 105 106 107 ... 117 下一页
共117页    到第

中冶有色为您提供最新的其他有色金属环境保护技术理论与应用信息,涵盖发明专利、权利要求、说明书、技术领域、背景技术、实用新型内容及具体实施方式等有色技术内容。打造最具专业性的有色金属技术理论与应用平台!

全国热门有色金属设备推荐
展开更多 +
全国热门有色金属技术推荐
展开更多 +

 

江西省隆恩特环保设备有限公司
宣传

报名参会
更多+

报告下载

有色专家
更多+

矿冶科技集团江苏北矿金属循环利用科技有限公司
书记 / 总经理
江西铜业集团有限公司
党委书记、董事长
中国瑞林工程技术有限公司
中国工程院院士
有研资源环境技术研究院(北京)有限公司
副总经理/教授级高工
广东省科学院工业分析检测中心
副主任
赤泥综合利用研究报告2025
推广

热门技术
更多+

推荐企业
更多+

福建省金龙稀土股份有限公司
宣传

发布

在线客服

公众号

电话

顶部
咨询电话:
010-88793500-807