青岛垚鑫智能科技有限公司
宣传

位置:中冶有色 >

有色技术频道 >

> 新能源材料技术

分类:
全部
矿山技术
冶金技术
材料制备及加工技术
环境保护技术
分析检测技术
 
全部
功能材料技术
复合材料技术
新能源材料技术
合金材料技术
加工技术
地区:
全部
北京
天津
上海
重庆
河北
山西
辽宁
吉林
黑龙江
江苏
浙江
安徽
福建
江西
山东
河南
湖北
湖南
广东
海南
四川
贵州
云南
陕西
甘肃
青海
内蒙
广西
西藏
宁夏
新疆
其他
其他
展开
 
全部
广州
韶关
深圳
珠海
汕头
佛山
江门
湛江
茂名
肇庆
惠州
梅州
汕尾
河源
阳江
清远
东莞
中山
潮州
揭阳
云浮

广东广州有色金属新能源材料技术理论与应用

免费发布技术信息>>
新能源电力系统优化调度方法、系统、设备及计算机介质

本发明公开了一种新能源电力系统优化调度方法、系统、设备及计算机介质,所述方法包括:基于随机性需求响应模型建立随机性需求响应参与日前调度优化模型,所述随机性需求响应模型用于确定随机性需求响应的实施成本;以系统发电总成本最小化为日前调度优化模型的目标函数,负荷供需平衡约束、系统备用约束、发电机组约束和风电机组出力约束为日前调度优化模型的约束条件,对所述日前调度优化模型进行求解,确定新能源电力系统调度方法,其中系统发电总成本包括所述随机性需求响应的实施成本。上述方法通过在日前调度模型中引入不确定性的需求响应,得出基于随机性需求响应的新能源电力系统优化调度方法,提高新能源电力系统运行的稳定性。

标签:
新能源
广东 - 广州 来源:中冶有色网 2023-03-18
便于安装的新能源高速公路广告牌

本发明公开了一种便于安装的新能源高速公路广告牌,涉及新能源高速公路广告牌领域。该便于安装的新能源高速公路广告牌包括底板,所述底板的顶部固定连接有站板,所述站板的顶部固定连接有顶板,所述站板的背面靠下位置固定连接有支撑板,所述支撑板和顶板上通过轴承转动连接有丝杆,所述丝杆上活动套接有螺母套,所述螺母套的弧形壁上固定连接有升降板,所述升降板的正面固定连接有背板,所述背板的正面与站板的背面相贴合,所述背板的正面固定连接有两组限位块。该便于安装的新能源高速公路广告牌在进行使用时,可便于将广告牌主体进行提升或下降,因此便于使用者将广告牌主体降低高度进行更换,无需爬高,减少危险。

标签:
新能源
广东 - 广州 来源:中冶有色网 2023-03-18
新能源电池生产用加热装置

本实用新型公开了一种新能源电池生产用加热装置,涉及新能源电池技术领域。包括侧板,所述侧板的右侧固定连接有电机固定支架,所述电机固定支架与电机装置固定连接,所述电机装置的左侧与第一转轴固定连接,所述第一转轴上固定连接有连接支架,所述连接支架上固定连接有搅拌竖板,所述搅拌竖板上固定连接有加热丝,所述第一转轴上固定连接有第一传动轮,所述第一传动轮的顶部与传动带的顶部传动连接。该新能源电池生产用加热装置设置有转盘和传动杆,该装置只设置有一个电机装置,能够在搅拌的同时进行收集仓底部的过滤,在提高整体装置的运行效率的同时,也做到了结构更加简单,降低了生产成本。

标签:
新能源
广东 - 广州 来源:中冶有色网 2023-03-18
新能源光伏板运输保护装置

本发明涉及一种保护装置,尤其涉及一种新能源光伏板运输保护装置。本发明提供一种具有减震功能的同时,还能全方位对光伏板进行限位的新能源光伏板运输保护装置。一种新能源光伏板运输保护装置,包括有外壳、橡胶垫、盖板、连接板和第一伸缩弹簧,运输机构顶部滑动式设有外壳,外壳内壁左右两侧均设有用于保护光伏板的橡胶垫,外壳外壁左侧设有盖板,外壳内下部滑动式设有连接板,连接板底部左右两侧与外壳之间均前后对称连接有第一伸缩弹簧。橡胶垫和保护板夹紧光伏板,对光伏板进行固定限位,同时避免光伏板被夹坏,达到保护光伏板的效果,避免在运输过程中光伏板倾翻。

标签:
新能源
广东 - 广州 来源:中冶有色网 2023-03-18
新能源汽车用锂电池安全性能测试装置

本发明涉及一种测试装置,尤其涉及一种新能源汽车用锂电池安全性能测试装置。本发明提供一种能够自动挡料、自动推料且操作方便的新能源汽车用锂电池安全性能测试装置。一种新能源汽车用锂电池安全性能测试装置,包括有第一支架、第一转套、滚轮、第一拉绳、重锤、调节机构、推料机构和检测机构,地面上放置有调节机构,调节机构上设有第一支架,第一支架上设有第一转套,第一转套内侧转动式设有滚轮,滚轮与调节机构连接,滚轮上绕有第一拉绳,第一拉绳底部设有重锤,调节机构上设有推料机构,调节机构上设有检测机构。本发明通过设有推动机构和扭转机构,扭转机构运转使推动机构运转,使得锂电池向后移动,达到了自动推料的目的。

标签:
新能源
广东 - 广州 来源:中冶有色网 2023-03-18
新能源汽车用具有防撞功能的充电桩

本发明涉及一种具有防撞功能的充电桩,尤其涉及一种新能源汽车用具有防撞功能的充电桩。要解决的技术问题:提供一种可以减少用户损失的新能源汽车用具有防撞功能的充电桩。技术方案如下:一种新能源汽车用具有防撞功能的充电桩,包括有底座、框体、充电电源、充电插头、限位机构和警示机构,底座上设有框体,框体上对称设有充电电源,框体上对称放置有充电插头,充电插头均与同侧的充电电源连接。本发明通过限位机构、警示机构和移动机构之间的配合,使得充电桩可以增强警示效果,防止人们倒车技术不好撞到充电桩,对充电桩造成损坏。

标签:
新能源
广东 - 广州 来源:中冶有色网 2023-03-18
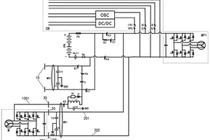
高压系统和新能源汽车

本发明提供了一种高压系统和新能源汽车,涉及新能源技术领域,所述系统包括:配电滤波单元;配电滤波单元通过充电接口与充电桩连接;通过负载端接口与电机驱动逆变器连接;通过升压线接口与电机绕组连接;多个安规电容和多个磁环分别布置于靠近配电滤波单元中各个接口的位置。本发明利用接口处的安规电容,为线路线缆传导的电压纹波、电流纹波提供了对地低阻抗泄放路径,抑制了强电磁干扰。利用第一磁环滤除了共模干扰,抑制了升压充电线产生的强电磁干扰。较好的从整体上抑制了高压系统的强电磁干扰,减小了电能损耗,以及减小了强电磁对敏感电子设备正常工作的干扰,提高了敏感电子设备产生信息的精确度,间接提升了新能源车的安全性。

标签:
新能源
广东 - 广州 来源:中冶有色网 2023-03-18
具有屏幕稳定及除尘功能的新能源广告架

本发明涉及一种广告架,尤其涉及一种具有屏幕稳定及除尘功能的新能源广告架。本发明提供一种能快速搬运广告架,同时具有清洁的功能,能避免雨水会将广告架上的广告弄湿的具有屏幕稳定及除尘功能的新能源广告架。一种具有屏幕稳定及除尘功能的新能源广告架,包括有广告板和插入机构,广告板左右两侧下部安装有插入机构,还包括有固定机构和定位销,广告板后侧下部对称设有固定机构,插入机构上安装有定位销,定位销与地面接触配合,定位销的数量为八根,定位销地面接触配合。本发明通过设有插入机构和固定机构,该广告架能有效的避免广告位移掉落;本发明通过设有稳固机构和清洁机构,可根据使用需要快速的对广告进行清理。

标签:
新能源
广东 - 广州 来源:中冶有色网 2023-03-18
新能源汽车玻璃检测设备

本发明涉及一种检测设备,尤其涉及一种新能源汽车玻璃检测设备。需要设计一种能够代替人们对质量检测,操作方便,工作效率高,且能将破碎的玻璃收集起来的新能源汽车玻璃检测设备。一种新能源汽车玻璃检测设备,包括有:底座,底座上间隔设有四个第一固定块;异形架,异形架数量为三个,异形架间隔安装在底座上。本发明通过将玻璃放置在第一输送框左侧,启动第一电机使得输送轴带动玻璃向右移动,且启动第二电机使得物料接触杆带动玻璃向上移动输送至第二输送框上,输送轴继续带动玻璃向右移动,第一推板将玻璃推出第二输送框进行检测,如此,可方便人们对玻璃进行检测,工作效率高。

标签:
新能源
广东 - 广州 来源:中冶有色网 2023-03-18
新能源汽车的电源控制设备

本实用新型属于新能源汽车技术领域,尤其是一种新能源汽车的电源控制设备,针对现有的新能源汽车的电源控制设备使用时不能对连接线进行很好的固定,容易松动,影响使用的问题,现提出如下方案,其包括控制设备本体,所述控制设备本体上固定安装有若干个接线管,控制设备本体上固定安装有侧板,侧板的顶部固定安装有若干个放置弧形板,控制设备本体上滑动安装有压固装置,压固装置上固定安装有连接板,连接板上开设有螺纹槽,侧板上转动安装有固定装置,压固装置包括滑动板和若干个压板,滑动板滑动安装在控制设备本体上。本实用新型使用时可以确保电源控制设备的连接线的稳定连接,避免了在使用时出现松动,提高了使用效率。

标签:
新能源
广东 - 广州 来源:中冶有色网 2023-03-18
新能源汽车电池的水冷结构

本实用新型提供一种新能源汽车电池的水冷结构。所述新能源汽车电池的水冷结构包括电池;U形套块,所述U形套块套装在电机上;蛇形管,所述蛇形管安装在U形套块上,所述蛇形管的两端均延伸至U形套块外;冷却器,所述冷却器安装在U形套块上,所述冷却器的进管延伸至U形套块外;输送管,所述输送管安装在冷却器上,所述输送管远离冷却器的一端与蛇形管固定连接,所述输送管与蛇形管相连通;两个转安杆,两个所述转安杆均转动安装在U形套块上;两个档杆,两个所述档杆分别固定安装在对应的所述转安杆上。本实用新型提供的新能源汽车电池的水冷结构具有使用方便、便于水冷设备进行装卸、提高水冷效果的优点。

标签:
新能源
广东 - 广州 来源:中冶有色网 2023-03-18
新能源不换向燃烧系统
新能源不换向燃烧系统 1126     
 0

本实用新型涉及一种新能源不换向燃烧系统,包括炉体、第一蓄热室和第二蓄热室,所述炉体上设置有燃料喷出装置,所述炉体通过空气喷嘴分别与第一蓄热室和第二蓄热室连通,所述第一蓄热室和第二蓄热室之间通过换向阀相连,所述换向阀一端连接有热交换器,所述热交换器连接有引风机、鼓风机和减压阀;所述燃料喷出装置包括燃料输送管、输送管套筒、旋转陀螺、密封筒和挡板,旋转陀螺上开设有入风孔。本实用新型通过设置燃料喷出装置使燃料在自身雾化之后再喷出,雾化后的燃料与助燃空气在炉体的内部空间中混合燃烧,实现了液态新能源依靠自身雾化在燃烧系统的应用,采用液态新能源不仅提高了能效比,节约了能源,而且减少了环境污染,降低了成本。

标签:
新能源
广东 - 广州 来源:中冶有色网 2023-03-18
新能源场站的一次调频方法及系统

本发明公开了一种新能源场站的一次调频方法及系统,该方法先获取电力系统中发电机组的类型和电力系统的电网频率;根据发电机组的类型获取与发电机组的类型对应的调频死区;判断电网频率与预设的标准电网频率之间的电网频差是否位于调频死区内;若电网频率与预设的标准电网频率之间的电网频差小于调频死区的下限值,则根据第一调整规则增大发电机组的有功功率,获得调频操作所需的有功功率;若电网频率与预设的标准电网频率之间的电网频差大于调频死区的上限值,则根据第二调整规则降低发电机组的有功功率,获得调频操作所需的有功功率;本发明能够提高新能源场站的一次调频的调节精度,从而提高频率质量,进而提高电能质量。

标签:
新能源
广东 - 广州 来源:中冶有色网 2023-03-18
自主降温新能源充电枪

本发明公开了一种自主降温新能源充电枪,涉及充电枪领域,针对现阶段市面上存在的以及使用的直流充电枪在使用过程中易出现温升高的情况,而充电枪无法自主降温因此引起高温报警充电桩停止给新能源汽车充电导致用户无法继续驾驶车辆的问题,现提出如下方案,其包括枪身,所述枪身的一侧贯穿设置有主线缆,且所述主线缆的内部套接有DC端线缆,所述枪身的内部设置有散热架,且所述散热架的一侧间隔设置有用于进行散热的风扇。该自主降温新能源充电枪内部设置的DC+/DC‑插针线缆套铝合金散热片,起次要散热作用,并通过该装置内部设置的风扇对着铝合金散热片吹风,热风向着枪身下方散热孔吹出起主要散热,进而实现主动散热。

标签:
新能源
广东 - 广州 来源:中冶有色网 2023-03-18
新能源汽车废旧电池回收处理装置

本发明涉及一种回收处理装置,尤其涉及一种新能源汽车废旧电池回收处理装置。本发明提供一种处理的较为彻底,同时处理之后可自动进行分类,从而方便人们进行收集的新能源汽车废旧电池回收处理装置。本发明提供了这样一种新能源汽车废旧电池回收处理装置,包括有第一固定架、第二固定架、粉碎箱、破碎滚桶和第一齿轮等;两个第一固定架上部内侧均设有第二固定架,两个第二固定架之间连接有粉碎箱,粉碎箱下部转动式设有两根破碎滚桶。本发明通过设有过滤机构,过滤机构与磁吸机构配合,磁吸机构与过滤机构可快速对废料进行分类收集,进而较大提高了回收的效率。

标签:
新能源
广东 - 广州 来源:中冶有色网 2023-03-18
可自动收线的新能源汽车充电桩

本发明涉及新能源技术领域,且公开了一种可自动收线的新能源汽车充电桩,包括设备主体,所述设备主体的两侧均设置有缓冲垫,所述缓冲垫靠近设备主体的一端固定连接有导杆,所述导杆远离缓冲垫的一端固定连接有第一弹簧杆。该可自动收线的新能源汽车充电桩,通过当充电完成后,将充电枪重新放置在卡槽中,此时充电枪向下挤压触块,则第二弹簧杆内部的开关组件抵接,电路闭合,电磁铁通电磁性增强,吸引金属滑块向上滑动并与之抵接,棘爪随之同步移动逐渐远离棘轮,则卷簧逐渐复位并驱动棘轮逆时针转动,棘轮驱动收卷辊同步转动,则收卷辊对电缆线进行收卷,避免电缆线因过多暴露在外面而脏污受损。

标签:
新能源
广东 - 广州 来源:中冶有色网 2023-03-18
基于FFT与点频扫查的新能源汽车动态工况EMI测试方法

本发明公开了一种基于FFT与点频扫查的新能源汽车动态工况EMI测试方法,包括进行第一次EMI测试,基于FFT频谱分析采集全频段EMI,EMI测量值与EMI测试标准限值相减计算EMI特征值,计算特征频点,采集汽车速度,计算汽车加速度;根据速度、加速度辨识汽车工况,计算各工况特征频点分布图;根据各工况特征频点分布图,计算各工况最大特征值对应频率及特征频点密度最大区域对应频率范围;进行第二次EMI测试,对各工况最大特征值对应频率进行点频扫查,同时对各工况特征频点密度最大区域进行FFT频谱分析。本方法只需采集全频段EMI及汽车速度,即可实现高精度新能源汽车动态工况EMI测试,保证了新能源汽车EMI测试有效性及准确性。

标签:
新能源
广东 - 广州 来源:中冶有色网 2023-03-18
新能源规划分析管理系统

本发明公开了一种新能源规划分析管理系统,包括用电量采集单元、数据规划单元、数综单元、来源监控单元、成本获取单元、控制器、显示单元、数据预估单元、存储单元、智能设备和管理单元;本发明通过用电量采集单元和数据规划单元,首先能够对最近几月的用电量进行分析比较,将满足对应要求的近若干个月的情况进行归纳、融合得到维持均值Pw和新月用量信息Yz;同时借助来源监控单元和成本获取单元,能够获取到采用传统发电方式和新能源发电两种方式的各自成本和当月占比;之后借助控制器对得到的数据进行相应分析,能够得到针对当月的传统发电方式和新能源发电的占比是否合适。

标签:
新能源
广东 - 广州 来源:中冶有色网 2023-03-18
新能源汽车用电池防护壳

本实用新型涉及新能源汽车技术领域,且公开了一种新能源汽车用电池防护壳,包括防护壳,所述防护壳的内底壁固定连接有伸缩套管,所述伸缩套管的内壁活动连接有第一缓冲弹簧,所述第一缓冲弹簧的一端固定连接有伸缩套杆,所述伸缩套杆的一端固定连接有固定块,所述固定块的正面活动连接有固定杆,所述固定杆的一端通过固定块活动连接有安装板,所述安装板的内壁活动连接有电池本体,所述安装板的内壁固定连接有隔板,所述防护壳的内侧壁固定连接有套筒。该新能源汽车用电池防护壳,能够达到缓冲效果好的目的,能够在汽车行驶产生颠簸造成电池本体晃动时,使得电池本体及时得到缓冲,从而对电池本体起到了保护作用,延长了电池本体的使用寿命。

标签:
新能源
广东 - 广州 来源:中冶有色网 2023-03-18
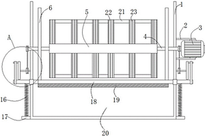
新能源电池生产用单晶硅棒烘干设备

本实用新型公开了一种新能源电池生产用单晶硅棒烘干设备,属于新能源电池生产技术领域,包括烘干箱,烘干箱内设置有内腔一和内腔二,烘干箱上设置有安装槽一,安装槽一的内侧壁上通过合页固定安装有门板,烘干箱的顶部设置有安装孔一和安装孔二,安装孔一和安装孔二分别与内腔一和内腔二连通,安装孔一的内侧壁上固定安装有连接管,连接管的另一端固定安装在安装孔二的内侧壁上,烘干箱的一侧固定安装有水箱,内腔一的内侧壁上固定安装有承接板一,承接板一上和内腔一的内侧壁上均固定安装有固定座一,内腔一内设置有吹风机,吹风机包括电动机一和扇叶,该一种新能源电池生产用单晶硅棒烘干设备,便于使用,功能多样,具有良好的发展前景。

标签:
新能源
广东 - 广州 来源:中冶有色网 2023-03-18
新能源汽车废旧电池回收用粉碎机

本实用新型涉及一种新能源汽车废旧电池回收用粉碎机,属于新能源汽车相关技术领域,包括支撑腿,支撑腿的顶部固定安装有筛选箱,筛选箱底部的内侧壁上固定安装有安装板,安装板上设置有滑动槽,滑动槽内移动安装有滑动块,滑动块的一侧固定安装有集料盒,筛选箱顶部的内侧壁上固定安装有往复电动伸缩杆,往复电动伸缩杆的底部固定安装有连接块,连接块的一侧固定安装有筛选盒,筛选箱的顶部固定安装有支撑柱,支撑柱的顶部固定安装有粉碎箱,筛选箱的顶部与粉碎箱的底部均设置有通孔一,通孔一的内侧壁上固定安装有下料管,粉碎箱的内侧壁上固定安装有电动机一,该一种新能源汽车废旧电池回收用粉碎机,结构合理,功能多样。

标签:
新能源
广东 - 广州 来源:中冶有色网 2023-03-18
新能源电动汽车用锂电池安装辅助装置

本申请提供了一种新能源电动汽车用锂电池安装辅助装置,属于锂电池安装装置领域,该一种新能源电动汽车用锂电池安装辅助装置,包括固定机构和支撑机构,所述固定机构包括安装箱和第一电动推杆,所述安装箱表面开设有若干通槽,所述安装箱内部开设有若干凹槽,所述第一电动推杆固定在所述安装箱内部,所述安装箱一侧安装有箱门,所述支撑机构包括转动杆、挡板、扭力弹簧、垫板、控制箱、第二电动推杆,所述转动杆设有若干个,所述垫板一端均固定在所述固定板表面,该一种新能源电动汽车用锂电池安装辅助装置能够将锂电池从安装箱一端直接放入即可将锂电池间隔固定在安装箱内部,安装方便且不会因个别锂电池漏液导致周围电池受损的现象发生。

标签:
新能源
广东 - 广州 来源:中冶有色网 2023-03-18
新能源汽车用电池包装外壳定位打孔设备

本实用新型涉及一种外壳定位打孔设备,尤其涉及一种新能源汽车用电池包装外壳定位打孔设备。本实用新型的技术问题:提供一种可调节位置,效率高的新能源汽车用电池包装外壳定位打孔设备。本实用新型的技术实施方案是:一种新能源汽车用电池包装外壳定位打孔设备,包括有底架、气缸、卡套、第一回力弹簧和伺服电机,底架顶部设有气缸,底架左部设有卡套,卡套与底架之间连接有第一回力弹簧,卡套内设有伺服电机,伺服电机底部连接有钻头。有益效果:通过气缸带动升降杆向下滑动,从而升降杆向下滑动对卡套进行挤压,进而卡套带动伺服电机向下滑动,伺服电机带动钻头向下滑动。

标签:
新能源
广东 - 广州 来源:中冶有色网 2023-03-18
新能源汽车用转换器散热机构

本实用新型公开了一种新能源汽车用转换器散热机构,包括转换器,所述转换器的底端左右两侧均固接有底块,所述底块的底端中心处固接有第一磁块,所述底板的左右两侧均套接有底扣块,所述底扣块与底板间隙连接,所述底扣块的外壁顶端中心处固接有第一接块,所述第一接块的顶端中心处固接有侧板,所述侧板的内壁中心处套接有第二漏板,所述第一支杆的顶端固接有托板,所述托板的顶端和顶板的底端左右两侧贴合。该新能源汽车用转换器散热机构,当需要进行散热时,通过顶板和底板的配合,通过该装置可以使转换器具备散热功能,可以使转换器外部面积增大,避免转换器与新能源汽车贴合产生热量,有效的避免了工作时容易使转换器过热损坏。

标签:
新能源
广东 - 广州 来源:中冶有色网 2023-03-18
风电新能源的汽车充电站

本实用新型提供一种风电新能源的汽车充电站,包括:底座;两个固定组件,两个所述固定组件的顶部分别滑动连接于所述底座底部的两侧;调节组件,所述调节组件的顶部固定连接于所述底座顶部的左侧;风扇,所述风扇的一侧固定连接于所述调节组件的一侧,所述风扇的数量为两个。本实用新型的一种风电新能源的汽车充电站,通过底座、固定组件和移动组件的配合使用,使得装置可以移动,方便了工作人员的操作,同时,还使得装置可以自动报警,实现了装置的防偷盗功能,通过底座、调节组件、风扇和转换模组的配合使用,实现了装置可以通过太阳能和风能来为汽车充电,并且可以根据不同时间段来调整太阳能板的角度,有效利用了新能源,节约了常规资源。

标签:
新能源
广东 - 广州 来源:中冶有色网 2023-03-18
新能源电池铝壳的打磨装置

本实用新型涉及新能源电池生产技术领域,尤其涉及一种新能源电池铝壳的打磨装置,包括顶板,顶板的外侧安装有三组辅助装置,所述顶板开设有圆形通孔,顶板的底端在圆形通孔处通过L形固定件连接有打磨机构,打磨机构包括固定盒,固定盒的内部设有电动机,电动机的输出轴竖直向下贯穿固定盒的底端,且输出轴的底端安装有磨砂块,电动机的两侧均设有夹板,夹板远离电动机的一侧均设有圆形凹槽,固定盒的顶端开设有螺纹开口,固定盒的两侧均设有螺纹通孔。本实用新型能够较为方便地对新能源电池铝壳表面进行较为全面的打磨处理,且装置便于维修以及更换配件,从而达到延长使用寿命以及提高工作效率的效果。

标签:
新能源
广东 - 广州 来源:中冶有色网 2023-03-18
超柔软新能源汽车用高压电缆

本实用新型提供一种超柔软新能源汽车用高压电缆,其由内及外依次包括一中心导体,所述中心导体包括多根线芯;一内屏蔽层,其包裹所述中心导体;一绝缘层,其包裹所述内屏蔽层,所述绝缘层为超柔软性辐照交联弹性体;一外屏蔽层,其包裹所述绝缘层;一护套层,其包裹所述外屏蔽层,所述护套层为超柔软性辐照交联弹性体。该超柔软新能源汽车用高压电缆,其机械性能优异,柔软且富有弹性,耐温性能优秀,是硅橡胶新能源汽车用高压电缆的极佳替代品。

标签:
新能源
广东 - 广州 来源:中冶有色网 2023-03-18
新能源汽车生产用零件托举装置

本实用新型涉及汽车零件生产装置技术领域,且公开了一种新能源汽车生产用零件托举装置,包括底座,所述底座的顶部固定连接有承重块,所述承重块的一侧设置有固定连接在底座顶部的平衡板,所述承重块的顶部固定连接有操作台,所述操作台的内部固定安装有升降机构。该新能源汽车生产用零件托举装置,达到了加工效率高的目的,解决了一般新能源汽车生产用零件加工效率低的问题,在加工的过程中,轮毂底部腾空,减少了轮毂与装置之间的摩擦,防止装置对轮毂造成磨损,节省了等待漆面干燥的时间,同时,升降机构将轮毂调节至使用者舒适的位置进行加工,在加工人员最舒适的条件下能够提高工作人员的工作效率,满足了使用者的使用需求。

标签:
新能源
广东 - 广州 来源:中冶有色网 2023-03-18
便于对太阳能板表面清理的新能源路灯

本实用新型公开了一种便于对太阳能板表面清理的新能源路灯,具体涉及新能源路灯技术领域,包括支撑杆,所述支撑杆的外表面上部固定安装有支架,所述支架远离支撑杆的一端固定安装有路灯本体,所述支撑杆的上端固定安装有太阳能板本体,所述太阳能板本体的左端、右端和前端分别固定安装有右连接板、左连接板和前连接板,所述前连接板的后端中部开设有储存槽。本实用新型所述的一种便于对太阳能板表面清理的新能源路灯,齿轮在转动时,因与第一齿条啮合导致自身发生移动,从而带动转动杆和电机发生移动,进而使清洁板刷前后移动,对太阳能板本体的表面进行清理,避免污渍对太阳能板本体进行遮挡,从而提高发电效率。

标签:
新能源
广东 - 广州 来源:中冶有色网 2023-03-18
汽车用新能源电源箱体
汽车用新能源电源箱体 1167     
 0

本实用新型涉及新能源汽车电源保护装置技术领域,且公开了一种汽车用新能源电源箱体,包括箱体和电源,所述箱体的内底壁固定安装有气囊,所述气囊的顶部固定安装有底夹板,所述箱体左右两侧的内壁均固定安装有外套筒。该汽车用新能源电源箱体,安装时,直接将电源从两个侧夹板之间插入,直至与底夹板接触,然后将下压板转动九十度,直至定压弹簧将电源的顶部压住,然后将卡块插入活动槽利用卡块将下压板压住,然后使用螺纹杆固定卡块,最后盖上保护顶盖即可,整个装配过程中仅需要四个螺杆即可,装配简单,且电源与箱体没有任何接触,全部通过减震结构连接,箱体与电源之间有极大的缓冲空间,为电源提供了优良的保障性。

标签:
新能源
广东 - 广州 来源:中冶有色网 2023-03-18
上一页 76 77 78 79 80 ... 92 下一页
共92页    到第

中冶有色为您提供最新的广东广州有色金属新能源材料技术理论与应用信息,涵盖发明专利、权利要求、说明书、技术领域、背景技术、实用新型内容及具体实施方式等有色技术内容。打造最具专业性的有色金属技术理论与应用平台!

全国热门有色金属设备推荐
展开更多 +
全国热门有色金属技术推荐
展开更多 +

 

江西省隆恩特环保设备有限公司
宣传

报名参会
更多+

报告下载

有色专家
更多+

中南大学
副校长
东北大学
院长/教授
武汉工程大学
教授
广西大学
处长/教授
矿冶科技集团有限公司工程公司
副总经理
赤泥综合利用研究报告2025
推广

热门技术
更多+

推荐企业
更多+

福建省金龙稀土股份有限公司
宣传

发布

在线客服

公众号

电话

顶部
咨询电话:
010-88793500-807