青岛垚鑫智能科技有限公司
宣传

位置:中冶有色 >

有色技术频道 >

分类:
全部
矿山技术
冶金技术
材料制备及加工技术
环境保护技术
分析检测技术
 
全部
废水处理技术
大气治理技术
固/危废处置技术
土壤修复技术
地区:
全部
北京
天津
上海
重庆
河北
山西
辽宁
吉林
黑龙江
江苏
浙江
安徽
福建
江西
山东
河南
湖北
湖南
广东
海南
四川
贵州
云南
陕西
甘肃
青海
内蒙
广西
西藏
宁夏
新疆
其他
其他
展开
 
全部
南京
无锡
徐州
常州
苏州
南通
连云港
淮安
盐城
扬州
镇江
泰州
宿迁

江苏南通有色金属环境保护技术理论与应用

免费发布技术信息>>
CMC生产中废水母液的处理工艺

本发明涉及一种CMC生产中废水母液的处理工艺,利用一种CMC生产中废水母液的处理装置,包括蒸馏釜A,离心机、烘干机、蒸馏釜B以及污水站,所述蒸馏釜A、离心机、烘干机依次连接,所述蒸馏釜A,离心机、蒸馏釜B以及污水站依次连接,对废水母液进行回收、处理。设计完善,使用方便,充分回收CMC母液中的溶剂以及固体,得到有较高经济价值;且同时有效处理了废液中有害物质,实现零污染排放。

标签:
废水处理
江苏 - 南通 来源:中冶有色网 2023-03-19
具有分散结构的环保型印染废水处理装置

本实用新型公开了一种具有分散结构的环保型印染废水处理装置,涉及印染废水处理技术领域,包括装置外壳,所述装置外壳的左侧安置有入料口,所述装置外壳的内部设置有安装架,所述安装架的上表面设置有过滤桶,所述过滤桶的外表面对称设置有两个固定板,两个所述固定板的内部均连接有夹持块,所述夹持块的外表面连接有夹持气缸;驱动电机,其设置在所述装置外壳的上表面,所述驱动电机的输出端连接有安装杆,所述安装杆的外表面设置有分散叶片,所述安装杆的外壁对称设置有四个连接杆。该具有分散结构的环保型印染废水处理装置过滤桶,能够对废水中的杂质进行格挡过滤,从而进行固体和液体分离,降低该环保型印染废水处理装置发生堵塞的情况。

标签:
废水处理
江苏 - 南通 来源:中冶有色网 2023-03-19
净化罗丹明B染料废水方法

本发明公开一种净化罗丹明B染料废水方法,包括以下步骤:首先通过一定方法需要先制备蓝藻生物炭材料,然后将制得的蓝藻生物炭材料与普通活性炭用于含罗丹明B染料废水处理,并计算得到蓝藻生物炭和普通活性炭对废水中罗丹明B的去除率;将上述得到的蓝藻生物炭和普通活性炭对废水中罗丹明B的去除率进行对比得出实验结论。本发明选取巢湖打捞的蓝藻生物质为原料,利用KOH为活化剂,通过管式炉炭化制得具有特定功能的蓝藻生物炭材料,本发明以废弃蓝藻生物质为原料,制备蓝藻生物炭材料,一方面使得废弃蓝藻生物质得到安全处置,避免了二次污染,蓝藻生物炭对罗丹明B具有较好吸附功能,为净化染料废水提纯提供理论与关键技术支撑。

标签:
废水处理
江苏 - 南通 来源:中冶有色网 2023-03-19
具有预处理结构的污染防治用印染废水净化设备

本实用新型涉及废水净化设备技术领域,公开了一种具有预处理结构的污染防治用印染废水净化设备,包括:曝气池,所述曝气池的一端连接有废水管,所述曝气池的另一端连接有连接管,所述连接管的另一端连接有过滤仓;煤渣滤板,其嵌装在所述过滤仓的一端内部,所述过滤仓的中部嵌装有硅藻泥滤板,所述过滤仓的另一端内部嵌装有活性炭滤板。该具有预处理结构的污染防治用印染废水净化设备设置有煤渣滤板、硅藻泥滤板、活性炭滤板,通过其材质的吸附作用,能够将废水中的阳离子染料、阴离子染料、直接染料和活性染料等进行有效吸附去除,达到较好的脱色效果,且这些滤板活动安装在过滤仓中,便于在吸附效果下降后进行更换。

标签:
废水处理
江苏 - 南通 来源:中冶有色网 2023-03-19
絮凝-超声臭氧氧化的废水处理装置及方法

本发明属于水处理技术领域,具体涉及一种絮凝‑超声臭氧氧化的废水处理装置及方法,所述装置包括弧形叶片涡旋发生器,超声空化装置,臭氧发生器,循环泵,絮凝投加口,进水口,排污口及出水管。上述的废水处理装置进行废水处理时,首先对废水进行絮凝处理,所述絮凝单元设有弧形叶片的涡旋发生器,可强化絮凝过程去除水中尺寸较大的杂质,所述絮凝单元下方设有排污口;所述臭氧协同超声氧化单元底部通过曝气管连接臭氧发生器,臭氧协同超声氧化单元四壁上错落分布有高频超声发射器,对絮凝处理后废水随后进行臭氧氧化及超声波氧化处理,以深度去除水中难降解有机物。本发明水处理装置及方法结构简单,对水质波动抗冲击性强,处理效果稳定,无二次污染,可适用于处理成分复杂的多种化工行业废水。

标签:
废水处理
江苏 - 南通 来源:中冶有色网 2023-03-19
光伏电催化有机废水处理反应器及其阳极制备方法

本发明公开了一种光伏电催化有机废水处理反应器及其阳极制备方法,所述反应器由多个反应单元串联而成,其中,每个反应单元均包括外壳、阴极、反应区、阳极、直流电源,所述外壳、阴极和阳极均为中空的管状结构,阳极设置在外壳内壁,阴极设置在阳极内部的中间,阴极和阳极之间、以及阳极和外壳间均形成反应区,反应区内设置搅拌器,阴极和阳极分别通过导线与外部的直流电源连接。所述阳极为PdAg‑掺C的TiO2纳米管/Ti阳极,采用此种阳极可以提高有机废水的处理效率。TiO2纳米管掺C和PdAg合金的协同作用,电催化性能提高,不用紫外灯照射,简化了废水处理装置。

标签:
废水处理
江苏 - 南通 来源:中冶有色网 2023-03-19
便于清理的废水处理装置

本实用新型公开了一种便于清理的废水处理装置,包括上罐体、下罐体、过滤机构和搅拌机构;在下罐体的上表面竖直设有与其相匹配的上罐体,且二者螺接形成一密封的中空腔体;在下罐体内偏上位置同轴心设有过滤机构,且过滤机构的上端与下罐体上表面螺接;在上罐体上表面中间位置竖直嵌入设有进水管,且进水管与过滤机构连通;在下罐体的右外侧壁底端还垂直嵌入连通设有出水管,且在其左外侧壁中间位置还倾斜嵌入连通设有加料管;在下罐体内偏下位置还设有搅拌机构,且废水经过滤机构过滤后进入下罐体内,在搅拌机构作用下与废水处理剂均匀混合,进行废水处理。本实用新型便于将粗过滤桶和细过滤桶拆卸下来进行清理,提高了清理效果。

标签:
废水处理
江苏 - 南通 来源:中冶有色网 2023-03-19
羊毛洗涤废水中油脂提取装置

本实用新型公开了羊毛洗涤废水中油脂提取装置,具体涉及羊毛油脂回收领域,包括初级提取滤箱,所述初级提取滤箱上方自内向外设置有离心提纯组件,所述初级提取滤箱内自输入端到输出端分别设置有滤水区、静水区和排水区,所述滤水区与静水区之间固定连接有固体杂质滤板,所述静水区和排水区之间固定连接有底部固定连接通水滤板的隔离浮油板。本实用新型通过设置初级提取滤箱,使得进入离心机内的废水提前先经过初级过滤,使得离心机降低液体的处理量,从而加快对洗涤废水的处理,使得有限时间内可以处理提取更多的羊毛脂,从而使得在有限时间内能够处理提取更多的废水,使得产能有所提高。

标签:
废水处理
江苏 - 南通 来源:中冶有色网 2023-03-19
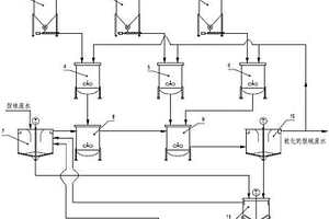
电厂脱硫废水零排放处理系统

本实用新型公开了一种电厂脱硫废水零排放处理系统,包括顺次连通的预处理设备、蒸发浓缩设备和蒸发结晶设备,所述预处理设备包括沉淀浓缩池,污泥脱水机以及顺次连接的原水沉淀池、一级软化反应器、二级软化反应器和软化沉淀池;所述蒸发浓缩设备包括顺次连通的自动反清洗过滤器、板式预热器、除气器以及降膜蒸发器;所述蒸发结晶设备包括顺次连通的浓液罐、结晶加热器和结晶器。本实用新型的脱硫水处理系统结构合理,设计紧密,通过对脱硫废水的预处理、蒸发浓缩和蒸发结晶处理,最终产物仅为蒸馏水和结晶盐,从而减少了有害物的排放,降低了能耗,实现了脱硫废水的零排放目标。

标签:
废水处理
江苏 - 南通 来源:中冶有色网 2023-03-19
耐腐蚀的废水检测设备

本实用新型公开了一种耐腐蚀的废水检测设备,包括底盘和桶盖,所述底盘下方固定连接有滚轮,且底盘右端固定连接有推把,所述底盘上方固定连接有水泵,且水泵左方固定连接有软管,所述水泵右方固定连接有连接管,且连接管右端开设有固定孔,所述连接管内固定连接有防腐管,且连接管右方设置有储水箱,所述储水箱内固定连接有防腐层,且防腐层内滑动连接有沉淀框,所述沉淀框上端固定连接有挂钩,且沉淀框右方设置有取样口,用于封闭储水箱的所述桶盖设置于储水箱上方。本实用新型通过各部分零件之间的配合,使得装置便于移动和组装,且在对废水进行处理时可以保证废水不会泄露,同时也降低了废水对装置的腐蚀情况。

标签:
废水处理
江苏 - 南通 来源:中冶有色网 2023-03-19
2-氰基吡啶废水中2-吡啶甲酸的回用方法

本发明属于化工技术领域,提供一种2‑氰基吡啶废水中2‑吡啶甲酸的回用方法,2‑氰基吡啶生产过程中的废水含有吡啶甲酸,将上述废水通过树脂吸附、脱附、精馏、膜分离,得到高含量的2‑吡啶甲酸,加入三氯化铬溶液,络合反应得到2‑吡啶甲酸铬。本发明采用树脂吸附技术及膜分离技术,废水中2‑吡啶甲酸回收,实现了资源的回收利用,降低了2‑氰基吡啶的生产成本,副产品市场价值高,有广泛用途。

标签:
废水处理
江苏 - 南通 来源:中冶有色网 2023-03-19
重金属废水处理剂
重金属废水处理剂 901     
 0

本发明公开了一种重金属废水处理剂。该重金属废水处理剂通过如下重量份的原料组成:丙烯酸高分子吸水树脂55‑75份、失水山梨醇脂肪酸酯60‑68份、硅藻土38‑47份、壳聚糖25‑31份、羟乙基纤维素15‑24份、乙二胺四乙酸二钠(苯基二甲基硅氧烷)甲基硅醇10‑17份、N,N‑二甲基甲酰胺4‑9份、过硫酸铵3‑8份、碳酸钡5‑11份、石英石粉3‑7份、茶籽粉5‑10份、康氏木霉2‑6份、地衣芽孢杆菌3‑5份、亚硫酸氢钠1‑3份、1,3‑二环己基碳二亚胺2‑4份。本发明提供的重金属废水处理剂能够显著降低废水中的重金属离子,并且原料廉价,环保安全,具有突出的适用性特点和显著的进步。

标签:
废水处理
江苏 - 南通 来源:中冶有色网 2023-03-19
膜处理化工废水预处理装置

本实用新型公开了一种膜处理化工废水预处理装置,包括处理罐;所述处理罐的内壁安装有辅助机构;本实用新型通过在处理罐的一侧安装有灭菌机构,人员通过注入口向水箱的内部加入氧化剂,可以阻止废水中部分微生物滋生,当废水输送至紫外线杀菌器内部时,通过紫外线杀菌器内部的紫外线照射到微生物时,便发生能量的传递和积累,积累结果造成微生物的灭活,在通过过滤筒可以将部分微生物进行滤除,从而避免废水中的细菌微生物及其代谢产物使膜孔完全堵塞,通过在处理罐的内壁安装有辅助机构,通过加热丝将电能转换成热能,当加热丝发生热能时,可以对处理罐内部的废水进行加热处理,然后加速絮凝剂的水解速度。

标签:
废水处理
江苏 - 南通 来源:中冶有色网 2023-03-19
高盐废水的处理方法
高盐废水的处理方法 803     
 0

本发明公开了高盐废水的处理方法,包括加料、蒸发和固气分离步骤,其创新点于:蒸发步骤为采用三效循环蒸发流程进行三效循环蒸发,三效循环蒸发流程依次包括一效循环蒸发步骤、二效循环蒸发步骤和三效循环蒸发步骤;一效、二效、三效循环蒸发步骤中分别包括预热器预加热步骤和闪蒸器蒸发步骤。本发明的这种高盐废水的处理方法,自动化程度高,净化废水效果好,废水排出无污染,能耗较小,投资小,设备不易腐蚀;经过本发明的方法处理的高盐废水,得到盐晶体的回收率可达99.5%以上,含有的化学需氧量下降至68mg/L以下,达到国家排放标准。

标签:
废水处理
江苏 - 南通 来源:中冶有色网 2023-03-19
磷酸肌酸钠用废水处理装置

本实用新型公开了一种磷酸肌酸钠用废水处理装置,涉及废水处理装置技术领域,为解决废水处理装置占地面积大,且过于笨重,不能根据所使用的环境,做出灵活的改变的问题,所述一种磷酸肌酸钠用废水处理装置包括进水管,所述进水管的底端安装有污泥沉降箱,所述污泥沉降箱的内侧安装有污泥隔离板,所述污泥沉降箱的一侧安装有颗粒吸收箱,所述颗粒吸收箱的内侧安装有吸附碳层,所述污泥沉降箱与颗粒吸收箱通过连接固定管连接,所述连接固定管有四个,所述颗粒吸收箱的一侧安装有分离过滤箱,所述分离过滤箱的内侧安装有过滤层。本实用新型通过设置有一系列的结构使得该装置占地面积小,且可以根据所要处理的废水的不同,做出灵活的调整。

标签:
废水处理
江苏 - 南通 来源:中冶有色网 2023-03-19
含铁废水的处理装置
含铁废水的处理装置 1100     
 0

本发明涉及一种含铁废水的处理装置,包括用于提供动力的动力机构,还包括用于对废水中铁渣进行收集的吸附机构、过滤机构以及用于切换吸附机构、过滤机构状态的动力切换机构,动力机构安装在外部机构上端,动力机构动力输出端连接有动力切换机构和中心分流机构,动力切换机构分为三组且每组上安装一组吸附机构,吸附机构为固定在外部机构内部,吸附机构之间中心位安装中心分流机构,吸附机构外部包围安装有过滤机构;吸附机构包括磁力固定架,磁力固定架上端轴心位安装有上端配合环,上端配合环上端通过上端固定环配合外部机构,用以解决在常见的铁屑废水处理中需要人工维护以及经常停机造成工作效率低下以及对滤板进行冲击疲劳的技术问题。

标签:
废水处理
江苏 - 南通 来源:中冶有色网 2023-03-19
降解印染废水的杂多银铌酸盐及其制备方法与应用

本发明涉及废水处理技术领域,公开了一种降解印染废水的杂多银铌酸盐及其制备方法与应用。通过将硝酸铵加入蒸馏水中,随后加入银的盐溶液,并将得到的混合溶液滴加进多铌氧酸盐前驱体的水溶液中,通过硝酸铵调节pH后加入乙二胺,最后通过水热反应和晶体培养,得到本发明杂多银铌酸盐。本发明制备过程简单,制备得到的杂多银铌酸盐在紫外光区和可见光区均有吸收,将本发明杂多银铌酸盐分散于浓度为10mg/L的罗丹明B溶液中,在200W的紫外灯光照60min后,对罗丹明B的降解率最高能达到98.1%,说明其降解印染废水的效果显著,在光催化降解领域具有较好的应用前景。而且与现有杂多铜铌酸盐相比,本发明杂多银铌酸盐的安全性更高。

标签:
废水处理
江苏 - 南通 来源:中冶有色网 2023-03-19
有机膦农药废水深度治理方法

本发明公开了一种有机膦农药废水深度治理方法,包括下列步骤:将物征为COD200-800mg/l、TP0.5-100的有机膦废水,通过预催化氧化,预氧化后去除沉淀后上清水去“定向生物驯化反应器”进行处理;再用双氧水与硫酸亚铁进行二次后氧化反应。本发明充分利用生化法处理成本低的优点,针对现有生化出水COD300左右特点再生化困难,TP超标进行适度预化学氧化提升可生化性能通过高效生化,后再二次氧化去除COD与TP使有机膦废水达到国家一级排放标准并配套现有物化技术能有足够的提标空间。

标签:
废水处理
江苏 - 南通 来源:中冶有色网 2023-03-19
利用粉煤灰处理废水、污水的方法

本发明公开了一种利用粉煤灰处理废水、污水的方法,用发电厂的粉煤灰堆存场作为渗滤床和氧化场,将待处理的废水、污水输送到发电厂的粉煤灰堆存场使其流经粉煤灰层,渗滤进入集水构筑物内,再由集水构筑物中排出,调节集水构筑物的排水流量,使废水、污水的渗滤速度不大于0.08米/每小时。利用火力发电厂排放堆存粉煤灰的设施,使废水和污水受到粉煤灰的渗滤、吸附和阳光、空气的生物氧化分解净化作用。本发明的效果达到或超过了二级生化处理,建设投资少、运营成本低、净化效果好,经济效益、社会效益和环境效益均十分显著。

标签:
废水处理
江苏 - 南通 来源:中冶有色网 2023-03-19
含有机溶剂的废水处理分离隔油箱

本实用新型公开了一种含有机溶剂的废水处理分离隔油箱,包括外壳、第一泵体、第一硝基苯存放箱和防护门,所述外壳的外部通过轴活动连接有防护门,所述防护门的外部通过螺钉固定安装有控制面板,所述控制面板的内部镶嵌有单片机,所述外壳内部底部的一侧固定安装有第一硝基苯存放箱,所述外壳内部靠近第一硝基苯存放箱的一侧固定安装有第二硝基苯存放箱,本实用新型通过把废水通入到过滤箱中,然后通过启动第一电机,第一电机就会带动第一旋转轴进行转动,第一旋转轴就会带动搅拌叶进行转动,搅拌叶就会带动废水进行旋转,通过搅拌叶的作用加快过滤速率,从而实现了对废水中的杂质进行处理的目的。

标签:
废水处理
江苏 - 南通 来源:中冶有色网 2023-03-19
印染废水深度处理回用系统

印染废水深度处理回用系统,涉及纺织印染的废水处理技术领域,一级、二级和三级氯化反应水箱相互串联,一级氯化反应水箱接废水进入管道,三级氯化反应水箱接反渗透膜组件的进液口,反渗透膜组件的出液口分别连接最终出水水箱和浓水水箱;一级、二级和三级氯化反应水箱中分别布置紫外光源,一级、二级、三级氯化反应水箱和反渗透膜组件分别通过药剂投加泵连接储药罐。废水依次流经一级、二级和三级氯化反应水箱,在紫外光源和药剂投加泵的作用下实现对水中污染物的高效协同去除,然后由高压泵进入反渗透膜组件进行反渗透处理,处理好的水由最终出水水箱收集后可以直接排放,更可以资源化再利用。

标签:
废水处理
江苏 - 南通 来源:中冶有色网 2023-03-19
等离子体飞灰熔融烟气水洗废水中硫酸钙回收系统及方法

本发明公开了一种等离子体飞灰熔融烟气水洗废水中硫酸钙回收系统及方法,包含高温过滤系统、冷却结晶器和硫酸钙沉淀池,高温过滤系统的进水口连接高盐废水,高温过滤系统的出水口连接冷却结晶器的进水口,冷却结晶器的出水口连接硫酸钙沉淀池的进口,硫酸钙沉淀池下端结晶出口排出硫酸钙晶体。本发明利用硫酸钙在盐酸中溶解度特性,实现了无添加、无二次污染的从高盐水中分离硫酸钙,简化了高盐废水处理的工艺流程并降低了回收成本。

标签:
废水处理
江苏 - 南通 来源:中冶有色网 2023-03-19
垃圾焚烧飞灰和含磷废水协同处理系统

垃圾焚烧飞灰和含磷废水协同处理系统,涉及环保技术领域。该系统包括飞灰储运装置、第一超声处理装置、第二超声处理装置和飞灰储仓;所述飞灰储运装置、第一超声处理装置连接、第二超声处理装置和飞灰储仓依次连接;所述第一超声处理装置包括含磷废水储水池、第一螺旋混料机、第一超声发生器、第一固液分离器和污水储水池。本实用新型的焚烧飞灰和含磷废水协同处理系统采用二级超声促进氯盐和金属浸出,与含磷废水混合后浸出的金属容易跟正磷酸盐形成沉淀去除重金属,同时可以使得飞灰稳定反应生成后氯盐通过蒸发回收,实现了氯盐产品价值回收,具有良好的环境效益和经济效益。

标签:
废水处理
江苏 - 南通 来源:中冶有色网 2023-03-19
化工废水除异味装置
化工废水除异味装置 1060     
 0

本实用新型公开了一种化工废水除异味装置,包括输入管道、离心泵、沉淀池、液位视窗和次级清洁器,本装置输入管道的一端设有过滤网接头,用于与产生化工废水的机器连接,输入管道的另一端设有离心泵,离心泵再与导流管连通,在离心泵的作用下,化工废水依次通过输入管道、导流管,进入沉淀池,在沉淀池内装有易溶杂质沉淀溶剂,化工废水在易溶杂质沉淀溶剂作用下,废水中的易溶杂质进行沉降,在沉降结束后,沉降下的杂质最终会通过沉淀池下方的排放阀排出,从而起到化工废水除杂、净化效果,另外,在导流管的上方开设添加漏斗,方便工作人员通过添加漏斗,向沉淀池内添加易溶杂质沉淀溶剂。

标签:
废水处理
江苏 - 南通 来源:中冶有色网 2023-03-19
纺织废水截留式预处理设备

本发明公开了一种纺织废水截留式预处理设备,属于废水处理技术领域,本发明可以通过引导芯柱对纺织废水进行引导分流,将其加速引导至预设的环形截留槽处,利用水流的冲击,其内的纤维靠可以充分的与截留磁柱进行接触,从而使得截留磁柱可以有效截留废水中的纤维,同时在进水管处设置的多个包磁球,可以随废水一起进入到环形截留槽处,利用截留磁柱对于包磁球的磁吸力,可以使得包磁球紧密套在截留磁柱上,对截留的纤维进行包覆,从而降低纤维在水流作用下重新脱落回到水中的可能性,提高对纤维的截留效果,可以极大的缓解后续处理设备的过滤压力。

标签:
废水处理
江苏 - 南通 来源:中冶有色网 2023-03-19
处理山梨酸废水的工艺方法

本发明公开了一种山梨酸废水的处理方法,包括废水处理的生化系统,厌氧工艺和好氧工艺,该处理方法包括:在所述厌氧工艺中,将山梨酸废水原水和生化系统二沉池出水混合组成混合水,将厌氧复合菌种加入到混合水中搅拌,激活菌种;控制厌氧的进水pH在6‑9之间,水温在35‑43℃,控制厌氧进水COD在3500mg/L‑4000mg/L之间;在所述好氧工艺中,将山梨酸原水和清水组成混合水,将好氧复合菌种加入到混合水中混合激活,混合温度在20‑35℃,曝气控制DO在1‑6mg/L,控制pH在6‑9之间,反应5‑50小时完成激活。本发明通过菌种复配,有效地处理了山梨酸废水,采用单一生化工艺,只产生少量生化污泥,而且运行费用低。

标签:
废水处理
江苏 - 南通 来源:中冶有色网 2023-03-19
服装印染用废水处理装置

本发明涉及废水处理技术领域,且公开了一种服装印染用废水处理装置,包括处理箱和处理箱上设置的进水口,所述处理箱上还设置有出水口,所述进水口的内部还安装有收集部件,所述收集部件用于收集废水中的丝线,所述收集部件包括转动连接在处理箱内部的旋转杆,所述旋转杆上连接有转动辊,所述转动辊上转动连接有转动轴,所述转动轴上还安装有扭矩弹簧。本发明通过旋转过滤刷向第一钩杆和第二钩杆处,其过滤刷上的丝线会先接触第一钩杆和第二钩杆的上端部分,进而大量的丝线会落在第一钩杆和第二钩杆的上端部分,方便人工进行清理,进而实现了快速处理废水中丝线,且具有自动维护过滤装置的有益效果。

标签:
废水处理
江苏 - 南通 来源:中冶有色网 2023-03-19
集成装置及采用该装置连续化预处理高COD高盐废水的方法

本发明涉及一种集成装置,还涉及一种采用该装置连续化预处理高COD高盐废水的方法,其特征在于:包括串联的脱气釜、浓缩釜、连续式压榨机,所述脱气釜、浓缩釜的釜体内壁均紧贴设置有至少一道呈圆柱螺旋状延伸的导流槽,并釜体的外壁设置有用于导入加热介质的夹套层。本发明优点是:脱气釜与浓缩釜釜体内的物料通过各自导流槽进行螺旋状流动并被加热,将废水中的低沸点溶剂以及水分脱除,最后经过连续式压榨机的脱水和除盐,完成废水的预处理,降低污水处理系统的负荷。而通过脱气釜、浓缩釜釜外介质温度以及釜内废水流量的同步控制,使得整个装置的处理负荷及工艺参数达到很好的平衡,顺利实现真正的废水连续化预处理。

标签:
废水处理
江苏 - 南通 来源:中冶有色网 2023-03-19
智能控制医疗废水处理系统

本发明涉及医疗废水处理技术领域,具体为一种智能控制医疗废水处理系统,包括机壳,处理腔,第一圆腔,第二圆腔,第三圆腔,开设于所述第一圆腔与所述处理腔之间,且与所述第一圆腔以及所述处理腔之间共同转动安装有转杆,且所述转杆的内部中空,滑腔,所述转杆的下端于处理腔的内部周向等间距固定安装有多个搅拌杆,每个所述搅拌杆的上端均等间距固定安装有多个喷头。本发明通过多个喷头喷出气泡,气泡在处理腔的内部四处飘逸,起到扰流的效果,可以将脱氯剂与医疗废水之间均匀混合,可以对处理腔内部的混合液进行反向搅拌,从而使得脱氯剂与医疗废水的混合更加的均匀,从而进一步提高对医疗废水的处理效率。

标签:
废水处理
江苏 - 南通 来源:中冶有色网 2023-03-19
含盐废水的浓缩方法
含盐废水的浓缩方法 980     
 0

本发明公开了一种含盐废水的浓缩方法,通过蒸汽机械再压缩蒸发和三效蒸发相结合来浓缩含盐废水,具体步骤如下:(1)将原料送入热交换器进行加热处理,然后进行一效蒸发(2)将一次蒸发产生的二效蒸汽进入蒸汽机械再压缩压缩机,升温升压后进入二效蒸发(3)将二次蒸发产生的三效蒸汽进入蒸汽机械再压缩压缩机,升温升压后导入三效蒸发器三次分离出的氯化钠溶液进行冷却处理。本发明的这种含盐废水的浓缩方法,通过蒸汽机械再压缩蒸发和三效蒸发相结合来浓缩含盐废水,可处理废水范围广、占地面积小、处理速度快、节能效果更好,在国内具有较大的发展前景;本发明的这种浓缩方法,氯化钠溶液的浓度为320-350g/L,浓缩效果显著。

标签:
废水处理
江苏 - 南通 来源:中冶有色网 2023-03-19
上一页 54 55 56 57 58 ... 68 下一页
共68页    到第

中冶有色为您提供最新的江苏南通有色金属环境保护技术理论与应用信息,涵盖发明专利、权利要求、说明书、技术领域、背景技术、实用新型内容及具体实施方式等有色技术内容。打造最具专业性的有色金属技术理论与应用平台!

全国热门有色金属设备推荐
展开更多 +
全国热门有色金属技术推荐
展开更多 +

 

江西省隆恩特环保设备有限公司
宣传

报名参会
更多+

报告下载

有色专家
更多+

长沙矿冶研究院有限责任公司
中国工程院院士
武汉理工大学
外籍院士/教授
紫金矿业信息化研发中心
副总经理
矿冶科技集团
中国工程院院士
长沙有色冶金设计研究院有限公司
正高级工程师/中国铝业首席工程师/全国有色金属行业设计大师/国家注册采矿工程师
赤泥综合利用研究报告2025
推广

热门技术
更多+

推荐企业
更多+

福建省金龙稀土股份有限公司
宣传

发布

在线客服

公众号

电话

顶部
咨询电话:
010-88793500-807