青岛垚鑫智能科技有限公司
宣传

位置:中冶有色 >

有色技术频道 >

分类:
全部
矿山技术
冶金技术
材料制备及加工技术
环境保护技术
分析检测技术
 
全部
废水处理技术
大气治理技术
固/危废处置技术
土壤修复技术
地区:
全部
北京
天津
上海
重庆
河北
山西
辽宁
吉林
黑龙江
江苏
浙江
安徽
福建
江西
山东
河南
湖北
湖南
广东
海南
四川
贵州
云南
陕西
甘肃
青海
内蒙
广西
西藏
宁夏
新疆
其他
其他
展开
 
全部
南京
无锡
徐州
常州
苏州
南通
连云港
淮安
盐城
扬州
镇江
泰州
宿迁

江苏南通有色金属环境保护技术理论与应用

免费发布技术信息>>
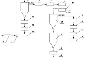
应用于废水零排放装置的低温负压蒸发浓缩系统

本实用新型是一种应用于废水零排放装置的低温负压蒸发浓缩系统,三效蒸发器进水口与废水相连接,三效蒸发器出水口通过三效循环泵与三效加热器管程顶部以及二效蒸发器进水端相连接,二效蒸发器出水端通过二效循环泵与二效加热器管程顶部以及一效蒸发器进水端相连接,一效蒸发器出水端通过一效循环泵与一效加热器管程顶部相连接,一效加热器管程蒸汽入口端与减温减压装置相连接,一效加热器管程设置有第一出气口与冷凝水储存罐相连接,二效加热器管程、三效加热器管程、冷凝器设置有第二出气口,第二出气口与二次蒸汽冷凝水罐相连接,二次蒸汽冷凝水罐的冷凝水通过二次蒸汽冷凝水泵送至冷凝水储存罐,冷凝水储存罐通过冷凝水输送泵与清水箱相连接。

标签:
废水处理
江苏 - 南通 来源:中冶有色网 2023-03-19
石油石化废水回收处理装置

本实用新型公开了一种石油石化废水回收处理装置,包括水池和壳体,所述水池内腔的下部固定安装有喷头,所述水池的左侧固定安装有气泵,所述气泵的出气口通过管道与喷头固定连接,所述水池的顶部放置有板体,所述板体上设置有格栅,所述壳体内腔的上部开设有厌氧微生物反应槽,所述壳体内腔的下部开设有过滤槽,所述过滤槽的内腔通过滑槽滑动连接有活性炭过滤网,所述过滤槽内腔右侧的底部开设有排污口。本实用新型通过水池、喷头、气泵、厌氧微生物反应槽、活性炭过滤网、水泵、板体、格栅、插槽、插块、提环、通口、第二电磁阀和过滤槽相互配合,解决了现在的石油石化废水回收处理装置净化效果不好,不便于人们使用的问题。

标签:
废水处理
江苏 - 南通 来源:中冶有色网 2023-03-19
基于可移动式车载污水处理装置的高浊度废水净化方法

本发明公开了一种基于可移动式车载污水处理装置的高浊度废水净化方法,采用聚丙乙烯塑料珠作为滤料,使澄清后的水再经过滤料过滤得到进一步的净化,该工艺采用可移动式车载污水处理装置将混合、反应、悬浮澄清、沉淀、过滤、清水汇集及污泥浓缩为一体,是一种高效的可移动式车载高浊度污水净化器,本工艺将水处理技术、自动化控制技术、计算机技术进行有机融合来处理高浊度废水,降低人员编制及劳动强度,提高企业的自动化水平,日常维护保养简单方便。

标签:
废水处理
江苏 - 南通 来源:中冶有色网 2023-03-19
可发性聚苯乙烯废水回用处理工艺

本发明公开了一种可发性聚苯乙烯废水回用处理工艺,先将经过预处理和中和反应后的可发性聚苯乙烯废水进行混凝沉淀,然后进入厌氧和好氧生物池进行生化处理,生化处理后的水再经布置在膜生物反应器中的膜组件进行膜过滤处理,最后膜过滤处理出水进入反渗透系统进行深度处理。本发明工艺具有很高的有机物和悬浮物去除效果,脱盐率达到98.5%以上;最终产水可达到《污水再生利用工程设计规范》(GB?50335-2002)中的再生水用作冷却用水的水质控制指标;工艺流程简单,适合采用可编程序控制器(PLC)进行自动控制。

标签:
废水处理
江苏 - 南通 来源:中冶有色网 2023-03-19
用于生产废水中DMF的回收利用装置

本实用新型公开了一种用于生产废水中DMF的回收利用装置,包括底座,底座的上端设置有回收箱,回收箱的顶端设置有进液管,且回收箱的内部设置有清洗管,清洗管的底端设置有喷水口,且清洗管的一端设置有进水管,进水管的下端且位于回收箱的外表壁一侧设置有排水管;该一种用于生产废水中DMF的回收利用装置通过设置清洗管、喷水口、进水管和排水管,可以达到解决了现有的回收利用装置未设置有清洗机构致使需打开回收箱手动清洗而导致工作人员吸入DMF散发的气味造成不舒适感的问题;通过设置漏斗和漏孔,可以达到过滤DMF内含有的杂质,避免了带有杂质的DMF进入回收箱内致使处理不彻底而导致DMF无法进行利用的问题。

标签:
废水处理
江苏 - 南通 来源:中冶有色网 2023-03-19
削减废水中污泥量的装置

本实用新型公开了一种削减废水中污泥量的装置,包含酸度调节罐、第一泥浆输送泵、泥浆液储存罐、第二泥浆输送泵和压滤机,酸度调节罐的泥浆进料口加入泥浆液,酸度调节罐的泥浆出料口通过第一泥浆输送泵与泥浆液储存罐的进料口连接,泥浆液储存罐的出料口通过第二泥浆输送泵与压滤机的进料口连接。本实用新型对废水泥浆液进行酸度调节,降低了因为胶体物质过多而导致压滤机滤布过早堵塞的风险,同时通过回流管结构实现对压滤机输入泥浆流量的调节,解决了现有技术压滤的泥饼不成型、含水量过大的技术问题。

标签:
废水处理
江苏 - 南通 来源:中冶有色网 2023-03-19
污水厂废水处理过程无线监控与IC卡总量控制管理系统

本实用新型涉及污水厂废水处理过程无线监控与IC卡总量控制管理系统,其特征在于:该包括污水厂过程监控子站、无线通讯网络和远程监控中心,所述远程监控中心通过无线通讯网络控制污水厂过程监控子站;所述远程控制中心包括污水厂远程监控中心和环保部门远程监控中心;本实用新型的优点是:根据污水处理厂的不同废水处理工艺进行不同的污水厂过程监控子站开发与设计,其装置采用嵌入式系统,采用柔性编程技术,使得采用同一污水厂过程监控子站,而适应了不同的废水处理工艺的监控,为了项目实施过程的可操作性与可靠性,系统采用了模块化设计,使系统满足了不同用户的需求。

标签:
废水处理
江苏 - 南通 来源:中冶有色网 2023-03-19
多晶硅废水处理方法
多晶硅废水处理方法 977     
 0

本发明公开了一种多晶硅废水处理方法,包括以下步骤:(1)将多晶硅废水经预处理池调节后,泵入一级沉淀池进行絮凝沉淀;(2)将硅粉及碳化硅混合物进行物化处理;(3)将上清液输送至过滤器进行过滤;(4)将滤液输送至弱酸阳床除去弱酸根离子,再输送至除碳器除去二氧化碳;(5)将去除二氧化碳的滤液输送至反渗透池进行浓缩分离;(6)将浓缩液输送至二级沉淀池进行絮凝沉淀处理;(7)将絮凝沉淀后的高盐废水进行蒸发结晶处理;(8)将絮凝沉淀后的污泥混合物输送至浓缩池进行浓缩;(9)将浓缩后的泥浆输送至压滤机进行固液分离;(10)将泥浆块输送至干燥机进行干燥。本发明处理过程简单可靠,降低了生产成本,保护了生态环境。

标签:
废水处理
江苏 - 南通 来源:中冶有色网 2023-03-19
处理机械加工废水的复合混凝剂

本发明涉及一种处理机械加工废水的复合混凝剂,所述复合混凝剂由硫酸亚铁,硫酸铝,阴离子型聚丙烯酰胺按质量比为(1-3):(2-3):1组成。本发明对于机械加工中产生的废水的处理具有显著的效果,能够实现高效平稳的持续处理,使得废水经处理后能够满足国家标准的相关要求。

标签:
废水处理
江苏 - 南通 来源:中冶有色网 2023-03-19
玻璃纤维废水平板膜生物反应器处理工艺

本发明公开了一种玻璃纤维废水平板膜生物反应器处理工艺,先将经过预处理的玻璃纤维废水进行加药气浮处理,然后经过好氧生物池进行生化处理,生化处理后的水再经平板膜进行膜过滤处理。本发明的平板膜能完全截留活性污泥;工艺具有较高的有机物和悬浮物的去除效果,COD去除率为90%以上,悬浮物去除率为99%以上;系统最终出水达到《污水综合排放标准》(GB8978-1996)中一级排放标准;污泥浓度保持在7~15G/L,容积负荷高,污泥产量低;工艺流程简单,适合采用可编程序控制器(PLC)进行自动控制;系统中不设二沉池,占地面积小。

标签:
废水处理
江苏 - 南通 来源:中冶有色网 2023-03-19
回收2-氰基吡啶废水中2-吡啶甲酰胺的方法

本发明属于化工领域,具体涉及一种回收2‑氰基吡啶废水中2‑吡啶甲酰胺的方法,包括如下步骤:(1)预处理:将含有2‑吡啶甲酰胺的2‑氰基吡啶废水,脱色过滤,调节pH,得到备用液;(2)吸附:将备用液通过大孔吸附树脂柱进行吸附,得到含2‑吡啶甲酰胺<100ppm的废水,去生化处理;(3)脱附、再生,大孔吸附树脂可以反复使用。4)精制:步骤(3)的高浓度脱附液浓缩、精馏得到2‑吡啶甲酰胺产品,回收的醇溶液套用至脱附;低浓度脱附液用作下一批首用脱附剂,水脱附附液套用到生产工艺中。本发明回收的2‑吡啶甲酰胺,产品纯度≥98%,回收率高于99%,提高2‑吡啶甲酰胺的附加值,能够降低2‑氰基吡啶的生产成本。

标签:
废水处理
江苏 - 南通 来源:中冶有色网 2023-03-19
印染废水预处理装置
印染废水预处理装置 867     
 0

一种印染废水预处理装置,涉及废水处理技术领域,装置的上部为圆柱形筒体,下部为圆锥体,两者连通式连接,圆锥体的下端设置排污阀;在圆柱形筒体的中部设置氧化气浮装置,在氧化气浮装置外围的圆柱形筒体内侧设置环形过滤装置,环形过滤装置的下端与圆锥体上端连通式连接,环形过滤装置的上端设置溢流堰。本实用新型结构简单,制造成本较低,对印染废水具有比较好的处理效果。

标签:
废水处理
江苏 - 南通 来源:中冶有色网 2023-03-19
含PVA印染废水处理系统

本实用新型公开了一种含PVA印染废水处理系统,包括对废水进行调节的调节池,调节池后设置对废水进行水解酸化处理的厌氧水解酸化池,厌氧水解酸化池后设置好氧预处理装置,好氧预处理装置后设置MBR池。本实用新型处理效率高、停留时间短、占地面积小、整个工艺过程无需添加额外化学药剂进行调节;整个处理系统始终维持高效运转状态。

标签:
废水处理
江苏 - 南通 来源:中冶有色网 2023-03-19
电厂废水零排放处理工艺

本发明公开了一种电厂废水零排放处理工艺,包括预处理工艺、蒸发浓缩工艺和蒸发结晶工艺,所述预处理工艺设备包括沉淀浓缩池,污泥脱水机以及顺次连接的原水沉淀池、一级软化反应器、二级软化反应器和软化沉淀池;所述蒸发浓缩工艺设备包括顺次连通的自动反清洗过滤器、板式预热器、除气器以及降膜蒸发器;所述蒸发结晶工艺设备包括顺次连通的浓液罐、结晶加热器和结晶器。本发明的脱硫水处理工艺步骤设计合理,通过对脱硫废水的预处理、蒸发浓缩和蒸发结晶处理,最终产物仅为蒸馏水和结晶盐,从而减少了有害物的排放,降低了能耗,实现了脱硫废水的零排放目标。

标签:
废水处理
江苏 - 南通 来源:中冶有色网 2023-03-19
面料印染废水处理装置

本实用新型公开了一种面料印染废水处理装置,包括外壳,所述外壳的内壁包覆有保温层,所述保温层的内侧设置有内壳,所述保温层的内壁与内壳的外壁之间设置有电加热盘管,所述内壳的顶部两侧均设置有进水管,所述进水管的顶端依次贯穿保温层和外壳,所述进水管的顶端外壁上设置有第一环状凸块,所述第一环状凸块的顶部安装有第二环状凸块,所述第二环状凸块设置在过滤桶的顶端外壁上,且过滤桶位于进水管内,所述第二环状凸块的顶部安装有顶盖,所述顶盖的顶部中心位置设置有连接管。本实用新型解决了现有的面料印染废水处理装置对废水过滤效率低的问题;本实用新型结构简单,使用方便,提高了过滤效率,实用性强。

标签:
废水处理
江苏 - 南通 来源:中冶有色网 2023-03-19
电泳涂装工艺废水处理装置

本实用新型公开了电泳涂装工艺废水处理装置,涉及废水处理技术领域,包括,包括水箱、沉淀物清理辅助单元、溶液添加单元和搅拌单元水箱内部设置有分隔板,所述分隔板将水箱内部分成左侧的过滤腔和右侧的沉淀腔,所述分隔板的下侧开设有通水管,所述过滤腔的上端开设有进水口,所述沉淀腔的右侧下端开设有出水口溶液添加单元安装在过滤腔的顶端搅拌单元:安装在过滤腔内侧下端沉淀物清理辅助单元包含有旋钮、螺纹杆一、密封轴承、活动块、连接杆、滑块一、滑块二、滑杆一、挡板一、斜杆一、斜杆二、使溶剂与废水混合充分,倒入溶液的流速可以控制,沉淀物清洗方便,过滤筒沉淀物不易堵塞。

标签:
废水处理
江苏 - 南通 来源:中冶有色网 2023-03-19
用于废水氮组分处理的电化学装置

本实用新型涉及一种用于废水氮组分处理的电化学装置,包括反应罐,所述反应罐的上罐口上盖设有密封盖,所述密封盖上开设有进水口、进酸口以及铁粉入口;所述反应罐的下端开设有出料口;所述密封盖上转动连接有用于对反应罐内腔进行搅拌的搅拌组件。通过从进酸口加入酸液和从铁粉入口投入铁粉,并且经过搅拌组件的搅拌,从而实现将废水中的硝酸盐氮去除的效果。

标签:
废水处理
江苏 - 南通 来源:中冶有色网 2023-03-19
用于含磷废水树脂的深度处理系统

本实用新型公开了用于含磷废水树脂的深度处理系统,包括底板、处理箱、FX1N‑10MTPLC控制器和存储罐。本实用新型设置了离子传感器、FX1N‑10MTPLC控制器和存储罐,离子传感器对含磷废水树脂内部的磷离子进行检测然后输送到FX1N‑10MTPLC控制器,然后FX1N‑10MTPLC控制器可以准确的计算出去除磷离子所需要的SPT‑P5特种磷去除剂用量,然后在通过FX1N‑10MTPLC控制器控制电磁阀定量的向含磷废水树脂内部加入SPT‑P5特种磷去除剂,从而保证SPT‑P5特种磷去除剂可以准确的与含磷废水树脂内部的磷离子充分反应,保证SPT‑P5特种磷去除剂不会出现过剩或者磷离子反应不彻底的现象。

标签:
废水处理
江苏 - 南通 来源:中冶有色网 2023-03-19
用于PTFE废水的处理设备

本实用新型公开了一种用于PTFE废水的处理设备,涉及PTFE废水处理领域,包括设备主体,设备主体的一侧安装有电机,电机的输出端连接有延伸至设备主体内部的驱动轴,驱动轴的外表面套接有活性炭层,设备主体的一侧设置有排料组件,设备主体的内部设置有旋转组件,设备主体的内部上方安装有滤网。本实用新型通过设置有旋转组件,当废水通过进水管进入至设备主体的内部时,废水会持续冲击叶片,而叶片受到冲击力后会通过活动轴转动,而由于叶片的的一侧与滤网相接触,叶片持续转动时会将滤网上的杂质翻起,并使杂质滑落至导料网板上,继而避免杂质长时间附着在滤网上而造成滤网堵塞,以提高后续滤网的过滤效果,且提高了对滤网的清理效率。

标签:
废水处理
江苏 - 南通 来源:中冶有色网 2023-03-19
纺织废水净化回收系统

本实用新型公开了一种纺织废水净化回收系统,包括废水存储箱、杂质沉淀箱、排水管、过滤杀菌组件、生化处理组件和净水存储罐;所述的废水存储箱通过抽水管和水泵与所述的杂质沉淀箱连接;所述的杂质沉淀箱通过排水管和水泵与所述的过滤杀菌组件连接;所述的过滤杀菌组件通过排水管与所述的生化处理组件连接;所述的生化处理组件通过排水管与所述的净水存储罐连接。本实用新型将排放的废水有效回收利用,节能,环保。

标签:
废水处理
江苏 - 南通 来源:中冶有色网 2023-03-19
废水污染源监测分析装置

本实用新型公开了废水污染源监测分析装置,包括装置主体、水泵、分析罐、监控摄像头和过滤箱,所述装置主体的内部安装有分析罐,所述分析罐底部的外壁上安装有导管,且导管的内部安装有第二电磁阀,所述分析罐下方的装置主体底部安装有水泵,所述装置主体底部的一侧设置有存污箱,所述装置主体的顶部安装有控制箱,且控制箱内部的一侧安装有存储模块,并且存储模块的一侧安装有定位芯片,所述控制箱内部的另一侧安装有无线传输模块,且无线传输模块的一侧安装有单片机。本实用新型不仅智能化程度较高,对废水污染源的监测分析效果更佳,可对废水进行过滤处理和分类存储,减少了对环境的污染,而且受日晒雨淋的影响较小,老化速率较慢。

标签:
废水处理
江苏 - 南通 来源:中冶有色网 2023-03-19
用于提高含菌废水处理率的回收利用装置

本实用新型公开了一种用于提高含菌废水处理率的回收利用装置,包括中和处理池和回收机构,所述中和处理池通过除菌机构与回收机构配合设置,其特征在于,所述除菌机构包括废菌分离池和废菌固化池,所述废菌固化池与废菌分离池连接设置,所述废菌分离池的内部设置有过滤模块,所述过滤模块的一侧通过吸菌泵与废菌固化池配合设置,所述过滤模块的另一侧通过输送管道与回收机构配合设置。本实用新型采用过滤膜过滤的方式,使生物菌有效地分离出来,通过吸菌泵将生物菌吸入至废菌固化池进行固化,固化后的菌体外运处理,无需外加杀菌装置就能处理生物菌,不仅降低了处理含菌废水中生物菌的难度,而且降低了处理生物菌的成本,有效地提高了处理含菌废水的效率。

标签:
废水处理
江苏 - 南通 来源:中冶有色网 2023-03-19
双电解废水处理装置
双电解废水处理装置 946     
 0

本实用新型公开了一种双电解废水处理装置,有一个接受废水的内电解预处理槽,内电解预处理槽的底部与一个集泥配水装置相连,集泥配水装置上装有脉冲电解槽,脉冲电解槽接有出水管接口。优点:操作安全、效率高、能耗低、电极消耗小、运行费用低、适用范围广。

标签:
废水处理
江苏 - 南通 来源:中冶有色网 2023-03-19
工艺废水处理装置
工艺废水处理装置 1149     
 0

本实用新型涉及一种工艺废水处理装置,包括:容器壳体,所述容器壳体内部设置有生物滤膜隔板,所述生物滤膜隔板左侧为污水反应池,生物滤膜隔板右侧为清水池;所述生物膜隔板上端设置有鼓风机,所述鼓风机连接有风管,风管内伸入污水反应池底端;污水反应池左侧连接有污水进口管;所述清水池右端设置有抽水泵,所述抽水泵连接有泵管,所述泵管内伸入清水池的底端,所述抽水泵还连接有清水出口管;所述抽水泵下端安装有控制器;所述容器壳体下端连接有支腿;本实用新型的有益效果是:一种工艺废水处理装置,通过在容器壳体内部设置生物膜隔板,有效对污水进行过滤;通过设置鼓风机对污水内充气产生震荡,防止大颗粒阻塞生物膜,影响反应效果同时加快反应进程;通过设置控制器对鼓风机和抽水泵进行控制,进一步控制容器壳体内液位和生物膜过滤效果;本实用新型设备简单,运行方便,造价相对较低,便于管理。

标签:
废水处理
江苏 - 南通 来源:中冶有色网 2023-03-19
用于废水处理的多级臭氧催化氧化装置及方法

本发明公开了一种用于废水处理的多级臭氧催化氧化装置及方法,所述装置包括处理池,所述处理池两侧设置有进水口与出水口,所述处理池内部依次固定设置有第一隔板、第二隔板、第三隔板以及第四隔板,以将处理池池体内部分隔为前处理区、超声混合区、催化反应区、微电解反应区以及絮凝区,方法为通过对废水进行前处理、超声混匀、搅拌充分催化、微电解反应以及絮凝后进行排出。本发明的优点在于通过多级催化氧化结构对废水进行彻底有效的处理,处理成本低,且占地面积小。

标签:
废水处理
江苏 - 南通 来源:中冶有色网 2023-03-19
利用淀粉废水生产沼气的方法

本发明公开了利用淀粉废水生产沼气的方法,按照先后顺序,废水依次经过调节池、加热回流井、厌氧池,在厌氧池中发酵分离出沼气和污水,沼气进入暂存罐暂存,进一步进入脱硫脱水装置进行处理,经脱硫脱水后的沼气再进入压缩机压缩成高压沼气,储存在高压沼气包中,最后进入锅炉燃烧系统;污水依次流入一级好氧池、沉降池、二级好氧池、终沉池中进行处理,最后达标的水通过终沉池上的接管流出,脱硫脱水装置中产生的污水也流入一级好氧池、沉降池、二级好氧池、终沉池中进行处理。本发明可减少废水COD排放量,改善水环境;减少沼气直排对环境造成的不良影响,改善环境;回收能源,降低生产成本;节能减排效果良好,创造了可持续发展的能力。

标签:
废水处理
江苏 - 南通 来源:中冶有色网 2023-03-19
火力发电厂烟气脱硫废水预处理装置

本实用新型涉及一种火力发电厂烟气脱硫废水预处理装置,包括序批式反应器、与序批式反应器连接的清水箱、通过管路A与序批式反应器连接的加药装置A、通过管路B与清水箱连接的加药装置B;序批式反应器内部设有空腔A和空腔B,该空腔A和空腔B内部分别设置防堵曝气管A和防堵曝气管B,并与外部的风机连接;空腔A与废水泵连接,空腔B内部设置滗水装置。本实用新型的优点在于:火力发电厂烟气脱硫废水预处理装置主要包括序批式反应器、清水箱、加药装置A及加药装置B,并在序批式反应器中实现进水、沉淀和排水三个阶段,同时在进水过程中进行加药处理,排水进入清水箱后加入盐酸进行中和得到成品,结构设置简单且合理。

标签:
废水处理
江苏 - 南通 来源:中冶有色网 2023-03-19
预收费智能卡污(废)水排放计量自控终端

预收费智能卡污(废)水排放计量自控终端,由箱体、底座、防腐控制球阀、电机减速执行机构、带发讯的防腐螺旋式计量装置、上弯式防腐出水管、微处理器、时钟芯片、存贮器、操作面板、卡读写接口和大屏幕液晶显示屏等构成,微处理器根据交费、排污、恶意攻击等情况自动收集信息并通知防腐控制球阀动作,可根据需要在大屏幕液晶显示屏中显示中文信息。本专利可以准确计量和自控污(废)水排放总量,对限量达标排放进行有效科学管理。

标签:
废水处理
江苏 - 南通 来源:中冶有色网 2023-03-19
去除短毛纤维的毛皮加工废水过滤器

本发明公开了一种去除短毛纤维的毛皮加工废水过滤器,属于纺织废水处理技术领域,通过在滤池内投放多个纤维过滤件,间断性施加磁场,使得磁球带动一对活塞于吸液管内上下往复运动,废水交替式通过上下设置的两组吸液口被吸入吸液管,而上下设置的两组磁性封堵球交替式对吸液口封堵,在活塞反向回退时将废水压入至中空滤芯处多层过滤,带有冲击力的挤压过滤有效提高吸附效果,此外,在滤池内投放磁性颗粒,电磁吸附带在浮动过程中对磁性颗粒吸引,磁性颗粒捕捉短毛纤维聚集吸附于电磁吸附带上,在电磁吸附带被牵引至吸液管内后,电磁吸附带断电,短毛纤维连同磁性颗粒脱落于吸液管内,有利于对短毛纤维等悬浮物起到充分吸附过滤作用。

标签:
废水处理
江苏 - 南通 来源:中冶有色网 2023-03-19
锅炉烟气湿法脱硫废水回收处理装置

本实用新型涉及锅炉废水回收技术领域,具体为锅炉烟气湿法脱硫废水回收处理装置,包括第一安装板、第二安装板和转动轴;所述的第一安装板底部的四角处安装设置有支撑腿,所述的第二安装板顶部设置有转动轴,所述的第一安装板顶部的两端与第二安装板底部的两端皆设置有第一安装槽,所述的第一安装槽的内部设置有两组安装杆,本实用新型通过转动轴、叶片、转动杆、搅拌杆、第一锥齿轮、第三连接杆、搅拌叶片和第二锥齿轮之间的相互配合,在进行废水回收处理时,利用水流对叶片的冲击带动内部的搅拌装置进行运转搅拌,减少了用电设备,节约了成本。

标签:
废水处理
江苏 - 南通 来源:中冶有色网 2023-03-19
上一页 52 53 54 55 56 ... 68 下一页
共68页    到第

中冶有色为您提供最新的江苏南通有色金属环境保护技术理论与应用信息,涵盖发明专利、权利要求、说明书、技术领域、背景技术、实用新型内容及具体实施方式等有色技术内容。打造最具专业性的有色金属技术理论与应用平台!

全国热门有色金属设备推荐
展开更多 +
全国热门有色金属技术推荐
展开更多 +

 

江西省隆恩特环保设备有限公司
宣传

报名参会
更多+

报告下载

有色专家
更多+

北京科技大学
主任/教授
西安建筑科技大学
教授
有研资源环境技术研究院(北京)有限公司
副总经理/教授级高工
西北有色金属研究院、中国工程院
院士
郑州大学
副校长
赤泥综合利用研究报告2025
推广

热门技术
更多+

推荐企业
更多+

福建省金龙稀土股份有限公司
宣传

发布

在线客服

公众号

电话

顶部
咨询电话:
010-88793500-807