青岛垚鑫智能科技有限公司
宣传

位置:北方有色 >

有色技术频道 >

分类:
全部
矿山技术
冶金技术
材料制备及加工技术
环境保护技术
分析检测技术
 
全部
废水处理技术
大气治理技术
固/危废处置技术
土壤修复技术
地区:
全部
北京
天津
上海
重庆
河北
山西
辽宁
吉林
黑龙江
江苏
浙江
安徽
福建
江西
山东
河南
湖北
湖南
广东
海南
四川
贵州
云南
陕西
甘肃
青海
内蒙
广西
西藏
宁夏
新疆
其他
其他
展开
 
全部
南京
无锡
徐州
常州
苏州
南通
连云港
淮安
盐城
扬州
镇江
泰州
宿迁

江苏南通有色金属环境保护技术理论与应用

免费发布技术信息>>
含磷废水的处理方法及其设备

本发明公开了一种含磷废水的处理方法,依次经过添加氢氧化钙,蒸馏浓缩,添加嗜磷微生物分解,焚烧为五氧化二磷、氧化钙、亚磷酸钙和磷酸钙的混合物,亚磷酸钙氧化为磷酸钙,过滤结晶,得到磷酸钙晶体的工艺过程。焚烧分成两个温度阶段(400‑500℃和900℃左右)。其设备中的微生物处理分解塔连接有嗜磷微生物添加装置、温控装置和温度计。本发明使得有用磷资源得到充分的回收,处理装置多种功能结合,处理能力强。

标签:
废水处理
江苏 - 南通 来源:北方有色网 2023-03-19
侧线脱尘精馏法回收乙烯酮废水中醋酸的方法

侧线脱尘精馏法回收乙烯酮废水中醋酸的方法,它涉及一种回收醋酸的方法;它的回收步骤为:以有机溶剂与无机盐的混合物为萃取剂,将其从萃取塔下部送入塔内与从萃取塔上部流入塔内的原料液逆向接触完成萃取;萃取分离后,萃取塔塔釜得到的萃余相中醋酸质量含量低于0.5%,经回收无机盐后,控制有机物含量达到环保要求后可直接排放;再将萃取塔塔顶萃取相送至共沸蒸馏塔中上部,与从共沸蒸馏塔下部进入的共沸剂进行共沸蒸馏,它能有效的处理醋酸水溶液,分离后得到质量分数为97.80%以上的醋酸,整个收率达97%以上,不仅工艺简单,分离效率高,易于得到高品质醋酸,且整个过程萃取剂损失少,能耗低,节约生产成本,不易污染环境。

标签:
废水处理
江苏 - 南通 来源:北方有色网 2023-03-19
制药废水物化、生化组合式处理装置

本实用新型公开了制药废水物化、生化组合式处理装置,包括离子交换组件、壳体和支撑组件,所述支撑组件的顶部固定设置有壳体,所述壳体的内部固定设置有离子交换组件,所述壳体的顶部固定安装有电机,所述电机的输出端固定安装有搅拌桨,所述电机两侧皆固定设置有加料口,所述加料口的一侧贯穿设置有排料组件,所述壳体的另一侧固定安装有安装架,所述安装架的顶部固定设置有格栅井。本实用新型通过设置有一系列的结构使本装置在使用的过程中利用加料管将固体离子交换剂加入交换槽的内部,借助固体离子交换剂中的离子与稀溶液中的离子进行交换,以达到提取或去除溶液中某些离子的目的,是一种属于传质分离过程的单元操作。

标签:
废水处理
江苏 - 南通 来源:北方有色网 2023-03-19
印染企业废水无人职守在线监测平台

本实用新型公开了一种印染企业废水无人职守在线监测平台,包括监测模块、监控模块和远程控制模块,所述检测模块内设有的检测项目有温度、pH值、溶解氧、电导率、水硬度、COD指数、流量、水位,所述监控模块内设有企业ERP和GSM网络,所述远程控制模块内设有控制器和转换接口,所述监控模块与监测模块之间通过远程控制模块连接。本实用新型根据控制系统的分析,结合污水处理工艺和系统设计原则,提供现场直接监控和远程信息传输系统服务,是企业排污设施运转、监测、处理的一种科技手段。

标签:
废水处理
江苏 - 南通 来源:北方有色网 2023-03-19
生活废水座便器自动处理系统

本发明公开一种生活废水座便器自动处理系统,包括座便器外壳,座便器外壳内部设有小三通,小三通的另一端连接有水处理系统,水处理系统内部设有循环沉淀栅格,循环沉淀栅格一端前部设有自动投剂器,自动投剂器内设有固定瓷片和旋转瓷片,固定瓷片上设有消毒剂孔和絮凝剂孔,自动投剂器的上方设有储剂箱,絮凝剂箱通过第一输液管与絮凝剂孔相连通,消毒剂箱通过第二输液管与消毒剂孔相连通,旋转瓷片的一端装有浮子,浮子上装有搅拌叶片,循环沉淀栅格另一端设有第一排泥器,第一排泥器一侧连接大三通,第一排泥器另一侧设有过滤器,大三通的前方设有连接管,连接管的另一端设有第二排泥器。本发明具有自动排污、中水安全回用、高效节水的优点。

标签:
废水处理
江苏 - 南通 来源:北方有色网 2023-03-19
基于物联网的复合式含废水处理功能的水蒸发冷水机组

本发明公开了基于物联网的复合式含废水处理功能的水蒸发冷水机组,包括:撑脚,撑脚的内壁固定连接有循环仓,循环仓的上表面固定连接有泵机,循环仓的下表面固定连接有排水管,循环仓的表面固定连接有联网控制箱,循环仓的内壁设置有过滤机构,排水管的表面设置有夹持装置,联网控制箱的上表面设置有通风装置,循环仓的上表面设置有支撑装置,夹持装置包括支撑架,支撑架与排水管的表面固定连接,支撑架的内壁转动连接有连接板,通过夹持装置,利用装置中的多个结构零件,对外接导管进行夹持,因外接导管被夹持后与设备连接的牢固性增加,使得设备接口部位的泄露概率降低,实现了设备可对接口处进行加强固定的能力。

标签:
废水处理
江苏 - 南通 来源:北方有色网 2023-03-19
反应器处理废水装置
反应器处理废水装置 979     
 0

本实用新型涉及一种反应器处理废水装置,包括反应器和保温箱,反应器内设有搅拌桨,反应器顶部装有搅拌电机,搅拌电机与时间继电器连接,反应器上部通过管道与气体取样瓶连接,气体取样瓶与水封瓶连接,水封瓶与气体流量计连接,反应器底部与进水计量泵连接,进水计量泵与进水水箱连接,保温箱底部装有温度传感器,温度传感器与温度控制仪连接,温度控制仪与照明灯具连接,照明灯具安装于保温箱的顶部。本实用新型的有益效果是:处理能力强,出水水质好,节能环保。

标签:
废水处理
江苏 - 南通 来源:北方有色网 2023-03-19
含氰废水电催化氧化处理系统

本实用新型公开了一种含氰废水电催化氧化处理系统,具备催化能力的非活性金属氧化物复合电极为电极,在电场作用下催化形成具有强氧化性的羟基自由基等中间产物,与含氰废水中氰化物反应,将其氧化为二氧化碳、氮气、水等小分子,达到“破氰”目的。本实用新型具有无需投加氧化剂、反应条件温和、氰化物去除彻底、运行成本低、系统简单、稳定可靠、自动化程度高等特点。

标签:
废水处理
江苏 - 南通 来源:北方有色网 2023-03-19
用于废水处理的多级臭氧催化氧化装置

本实用新型公开了一种用于废水处理的多级臭氧催化氧化装置,所述装置包括处理池,所述处理池两侧设置有进水口与出水口,所述处理池内部依次固定设置有第一隔板、第二隔板、第三隔板以及第四隔板,以将处理池池体内部分隔为前处理区、超声混合区、催化反应区、微电解反应区以及絮凝区。本实用新型的优点在于通过多级催化氧化结构对废水进行彻底有效的处理,处理成本低,且占地面积小。

标签:
废水处理
江苏 - 南通 来源:北方有色网 2023-03-19
电镀废水微生物高效调理剂配方

本发明涉及一种镀废水调理剂配方,其特征在于:包括如下原料,均为质量份:糖蜜10‑33份,氮源0.1‑0.5份,硫酸铵0.01‑0.05份,解脂假丝酵母0.001‑0.003份,酵母菌液5‑15份,葡聚糖酶0.02‑0.05份,蛋白酶0.01‑0.03份,铜绿假单胞菌5‑10份,腐植酸2‑3份,枯草芽孢杆菌2‑4份,地衣芽孢杆菌3‑4份,氯化铵1‑2份,黑曲霉1‑2份,水67‑90份;本发明所述废水生化处理活性污泥调理剂的糖蜜的添加量要远高于普通酵母培养基的添加量,目的是酵母在利用糖类的同时将糖蜜中不易分解的大分子糖水解为小分子糖类和碳氢化合物,从而更适于活性污泥中细菌利用。

标签:
废水处理
江苏 - 南通 来源:北方有色网 2023-03-19
电镀废水微生物调理剂配方

本发明涉及一种电镀废水调理剂配方,其特征在于:包括如下原料,均为质量份:糖蜜10‑33份,氮源0.1‑0.5份,硫酸铵0.01‑0.05份,七水硫酸镁0.001‑0.003份,酵母菌液5‑15份,葡聚糖酶0.02‑0.05份,蛋白酶0.01‑0.03份,聚合硫酸铝铁5‑10份,腐植酸2‑3份,枯草芽孢杆菌2‑4份,地衣芽孢杆菌3‑4份,氯化铵1‑2份,硫酸亚铁1‑2份,水67‑90份;本发明所述废水生化处理活性污泥调理剂的糖蜜的添加量要远高于普通酵母培养基的添加量,目的是酵母在利用糖类的同时将糖蜜中不易分解的大分子糖水解为小分子糖类和碳氢化合物,从而更适于活性污泥中细菌利用。

标签:
废水处理
江苏 - 南通 来源:北方有色网 2023-03-19
脱硫废水分泥、分盐零排放膜处理系统及工艺

本发明公开了一种脱硫废水分泥、分盐零排放膜处理系统及工艺,该系统包括超滤、pH调节箱、纳滤膜分离系统,所述纳滤膜分离系统包括纳滤、纳滤水箱、纳滤浓液箱、反渗透、回用水箱和浓水箱;所述超滤连接有pH调节箱,所述pH调节箱连接有纳滤,所述纳滤分别连接有纳滤浓液箱和纳滤水箱,所述纳滤浓液箱还连接至脱硫塔,所述纳滤水箱连接有反渗透,所述反渗透分别连接有回用水箱和浓水箱。本发明采用“纳滤脱硝+蒸发结晶母液回流”分盐工艺,投资和运行成本低,系统操作弹性大,对进水盐硝比不敏感,可以适应脱硫废水的水质变化;且系统只产出氯化钠结晶盐,无混合废盐产出,得到的氯化钠纯度大于99.5%。

标签:
废水处理
江苏 - 南通 来源:北方有色网 2023-03-19
球型HCNs@g-C3N4/TiO2光催化剂的制备方法及其在染料废水中的应用

本发明涉及污水处理技术领域,具体涉及一种球型HCNs@g‑C3N4/TiO2光催化剂的制备方法及其在染料废水中的应用,包括:步骤(1)先将中空碳球分散在水中,再将双氰胺混合溶解于有机溶剂中,分别超声30min;步骤(2)将步骤(1)中含有双氰胺的有机溶剂分批倒入含有中空碳球的水中,搅拌5小时,得溶液A;步骤(3)在步骤(2)所得的溶液A中,加入钛酸丁酯,水热反应12小时,离心清洗得到粉末;步骤(4)将步骤(3)所得的粉末,进行碳化,得到球型HCNs@g‑C3N4/TiO2。本发明制备的球型HCNs@g‑C3N4/TiO2光催化剂在液相反应中具有良好的稳定性,能够在保持优异吸附性能的同时达到最佳的光催化活性,能高效处理活性红3BS染料废水,光催化效果显著;制备方法简单、操作方便、原料来源广。

标签:
废水处理
江苏 - 南通 来源:北方有色网 2023-03-19
用于不锈钢冷轧工艺的移动式废水过滤装置

本实用新型公开了一种用于不锈钢冷轧工艺的移动式废水过滤装置,包括过滤外筒,过滤外筒的顶部卡合连接有过滤筒盖,过滤筒盖顶部的一端固定连通有进水管,过滤筒盖顶部的中心固定连接有把手,进水管顶部的一端铰接有水管盖,过滤外筒顶部的内侧卡合连接有过滤内筒,过滤内筒底部的边侧开设有环形卡槽,环形卡槽与圆柱形密封箱的顶部卡合连接,圆柱形密封箱内壁的底部固定安装有减速电机,本实用新型一种用于不锈钢冷轧工艺的移动式废水过滤装置,通过万向轮,便于操作工人移动该装置,省时省力,通过过滤内筒、活性炭层等结构,大大提高过滤效率,通过弧形卡合板,便于维护整个过滤装置。

标签:
废水处理
江苏 - 南通 来源:北方有色网 2023-03-19
电镀废水微生物快速调理剂配方

本发明涉及一种电镀废水调理剂配方,其特征在于:包括如下原料,均为质量份:糖蜜10‑33份,脱氮副球菌0.1‑0.5份,硝化细菌0.01‑0.05份,解脂假丝酵母0.001‑0.003份,酵母菌液5‑15份,葡聚糖酶0.02‑0.05份,蛋白酶0.01‑0.03份,铜绿假单胞菌5‑10份,腐植酸2‑3份,枯草芽孢杆菌2‑4份,地衣芽孢杆菌3‑4份,蜡状芽孢杆菌1‑2份,黑曲霉1‑2份,水67‑90份;本发明所述废水生化处理活性污泥调理剂的糖蜜的添加量要远高于普通酵母培养基的添加量,目的是酵母在利用糖类的同时将糖蜜中不易分解的大分子糖水解为小分子糖类和碳氢化合物,从而更适于活性污泥中细菌利用。

标签:
废水处理
江苏 - 南通 来源:北方有色网 2023-03-19
便于维护的废水一体化处理设备

本实用新型公开了一种便于维护的废水一体化处理设备,包括箱体,箱体一侧的顶端固定连通有进水管,箱体另一侧的顶端固定连通有进药管,箱体顶部的中间固定安装有第一电机,第一电机的输出端通过转轴穿过箱体与搅拌杆的一端固定连接,搅拌杆的表面固定连接有若干个分布均匀的搅拌棒,搅拌杆的另一端固定连接有旋转盘,旋转盘的底部固定连接有多个分布均匀的清洗刷,本实用新型一种便于维护的废水一体化处理设备,通过拉动把手可以将过滤板取出,实现了便于取出过滤板的效果,需要进行维护或者更换过滤板时非常的简单方便,减少了更换过滤板的时间和精力,从而提高了工作效率,给使用者带来极大的便利。

标签:
废水处理
江苏 - 南通 来源:北方有色网 2023-03-19
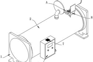
丙烯汽提塔用生产废水的废热利用装置

本实用新型公开了一种丙烯汽提塔用生产废水的废热利用装置,涉及废热利用装置技术领域,包括废热回收装置主体、注水管、排气管和供能装置,所述注水管的外表面底端与废热回收装置主体的内壁固定连接,所述供能装置的底面与废热回收装置主体的上表面固定连接,所述排气管的一端延伸至废热回收装置主体的内部且与废热回收装置主体的内壁固定连接。本实用新型通过热交换器和金属聚热管配合,将废水中的热量导至聚热板上,再利用加热器和加热电阻对聚热板进行加热,保障废热回收装置主体中的空气温度,避免了在废热传导利用的过程中,易出现热量的自然逸散,使得废热利用时的温度较低,进而影响丙烯汽提塔的自然状态的问题,提高了装置的利用效率。

标签:
废水处理
江苏 - 南通 来源:北方有色网 2023-03-19
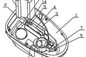
用于石油化工检测的废水处理装置

本实用新型公开了一种用于石油化工检测的废水处理装置,包括安装在收集处理桶上表面的进液装置,收集处理桶的顶部开设有用于进出废液的开口,开口的表面螺纹连接有进液装置,收集处理桶的正面开设有用于观察收集处理桶内部的观察口,观察口的内部固定连接有用于观察废液情况的透明玻璃,观察口的内部插接有用于遮挡光线的遮光板。该用于石油化工检测的废水处理装置,通过进液装置的设置,当工作人员进行化工检测产生少量的废液时,能够直接掀开密封盖将废液倒入进液漏斗,流入收集处理桶内,当工作人员进行化工检测产生大量的废液时,倾倒排出废液人为不便时,将进液管放入废液中,使用抽气管将废液通过进液管导入收集处理桶内。

标签:
废水处理
江苏 - 南通 来源:北方有色网 2023-03-19
光伏电催化有机废水处理反应器

本实用新型公开了一种光伏电催化有机废水处理反应器,所述反应器由多个反应单元串联而成,其中,每个反应单元均包括外壳、阴极、反应区、阳极、直流电源,所述外壳、阴极和阳极均为中空的管状结构,阳极设置在外壳内壁,阴极设置在阳极内部的中间,阴极和阳极之间、以及阳极和外壳之间均形成反应区,反应区内设置搅拌器,阴极和阳极分别通过导线与外部的直流电源连接。本实用新型由多个反应单元串联而成,废水中有机物在流动中被降解,反应快,效率高;并且外壳、阴极和阳极均为中空的管状结构,占用反应体积小,阴极和阳极之间、以及阳极和外壳之间均形成反应区,阳极具有双阳极催化层结构,反应面积大,催化活性和催化效率高,阳光照射和可见光条件下催化活性和催化效率更高。

标签:
废水处理
江苏 - 南通 来源:北方有色网 2023-03-19
偶氮类印染废水处理工艺

本案涉及一种偶氮类印染废水处理工艺,依次经过生物吸附处理、破壁处理、厌氧酸化、还原处理和膜滤处理,将含有偶氮类染料的印染废水进行生物吸附处理,由于微生物的巨大比表面积,将70%以上的偶氮类染料吸附在菌胶团表面,将吸附有染料污染物的污泥进行超声破壁处理,使得有毒有害的染料与微生物破碎后的浆液混合充分后,输送至厌氧酸化工艺进行处理,在pH降低至4.5‑6.3时,将厌氧酸化池的上清液输送至还原处理工艺进行还原处理,零价铁在酸性厌氧条件下对偶氮类染料进行还原,偶氮键断裂,色度降低。

标签:
废水处理
江苏 - 南通 来源:北方有色网 2023-03-19
电镀废水调理剂配方
电镀废水调理剂配方 1213     
 0

本发明涉及一种镀废水调理剂配方,其特征在于:包括如下原料,均为质量份:糖蜜10‑33份,氮源0.1‑0.5份,硫酸铵0.01‑0.05份,七水硫酸镁0.001‑0.003份,酵母菌液5‑15份,葡聚糖酶0.02‑0.05份,蛋白酶0.01‑0.03份,聚合硫酸铝铁5‑10份,腐植酸2‑3份,脱硫灰2‑4份,铁盐3‑4份,氯化铵1‑2份,硫酸亚铁2‑4份,水67‑90份;本发明所述废水生化处理活性污泥调理剂的糖蜜的添加量要远高于普通酵母培养基的添加量,目的是酵母在利用糖类的同时将糖蜜中不易分解的大分子糖水解为小分子糖类和碳氢化合物,从而更适于活性污泥中细菌利用。

标签:
废水处理
江苏 - 南通 来源:北方有色网 2023-03-19
盐酸苯肼废水脱氨工段用混合加料装置

本实用新型公开了一种盐酸苯肼废水脱氨工段用混合加料装置,由混合加料区和反应区组成,混合加料区包括加料釜和计量储罐,计量储罐下端安装有文丘里,文丘里与加料釜底部之间安装有泵a;反应区包括中和反应槽和加热器,中和反应槽的顶部与加料釜的底部相连,中和反应槽的顶部与加料釜的底部之间安装有泵b,中和反应槽的顶部和底部之间安装有加热器,中和反应槽和加热器之间安装有泵c,中和反应槽底部与超重力脱氨器之间安装有泵d。其特征在于:本实用新型通过在中和反应槽前增加了加料釜装置,并将氧化钙中未能参加反应的废渣排尽,避免了废渣堵塞管道;通过三次泵打循环过程,使得氧化钙与含氨废水充分混合,有利于进一步的脱氨处理。

标签:
废水处理
江苏 - 南通 来源:北方有色网 2023-03-19
电厂高盐废水分质处理的零排放系统

本发明公开了一种电厂高盐废水分质处理的零排放系统,属于火力发电厂水处理领域,包括预处理系统、分盐提纯系统、再生系统和生产系统;含盐废水依次通过预处理系统、分盐提纯系统、再生系统和生产系统;再生系统包括双极膜电渗析、酸性水贮罐、碱性水贮罐、电解制氯装置和次氯酸钠贮罐,本发明整体零排放,减少外界原料添加,降低了处理成本。

标签:
废水处理
江苏 - 南通 来源:北方有色网 2023-03-19
含煤废水处理的刮泥装置

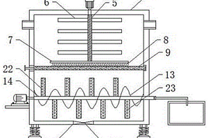
本实用新型公开了一种含煤废水处理的刮泥装置,包括沉淀池,所述沉淀池的底部一端开设有集料槽,所述沉淀池内位于所述集料槽的上方设置有提升机构,所述提升机构包括提升管、螺旋推料轴和若干个螺旋推料叶片,所述提升管的顶端内部设置有锥形端,所述锥形端的表面开设有若干个第一滤孔,所述螺旋推料轴的底端转动设置在所述集料槽的底部内壁上,若干个所述螺旋推料叶片呈线性设置在所述螺旋推料轴的表面,所述沉淀池的内外两侧内壁均开设有滑槽,两个所述滑槽内均设置有滑动机构,两个所述滑动机构之间设置有连接板。实用新型在使用时能够在不排干沉淀池中废水的情况下对沉淀池底部的煤泥进行清除,省时省力,同时清污效率高。

标签:
废水处理
江苏 - 南通 来源:北方有色网 2023-03-19
改性粉煤灰及在去除废水中氨氮方面的应用

本发明公开了一种改性粉煤灰及在去除废水中氨氮方面的应用,改性粉煤灰通过如下方法改性而成:取粉煤灰于高温条件下煅烧,冷却后加入强碱溶液,在常温、超声波下进行超声改性,取出后水洗至中性,再加入强酸溶液,在常温、超声波下进行超声改性,取出后水洗至中性,最后在电热恒温真空干燥箱中干燥即得所述改性粉煤灰。本发明提供的改性粉煤灰比表面积大,对废水中氨氮的去除率比未改性的粉煤灰显著提高,进步显著。

标签:
废水处理
江苏 - 南通 来源:北方有色网 2023-03-19
HSB高效微生物技术及ABR+OBR工艺在焦化废水处理中的应用

本发明涉及一种HSB高效微生物技术及ABR+OBR工艺在焦化废水处理中的应用,包括HSB高效微生物制剂、多级厌氧折流式反应器、多级好氧折流式反应器,所采用的方法是HSB高效微生物技术与ABR+OBR工艺结合技术。与传统工艺相比从根本上解决污染物,高效,稳定,而且不会造成二次污染,保障焦化废水经此应用系统后无害化排放。

标签:
废水处理
江苏 - 南通 来源:北方有色网 2023-03-19
新型高浓废水电气浮高级氧化处理系统

本实用新型是一种新型高浓废水电气浮高级氧化处理系统,包括沿废水处理工艺方向使用管道依次相连接的调节池、三联箱、预沉池、Ph调节箱、电气浮装置、砂滤装置、AOP装置、第一BAC装置、MBR装置、超滤装置、超滤出水箱、第二BAC装置、回用水箱,本系统对水体中的有机物、微生物、病菌病毒等进行的氧化分解,在此过程中不添加任务化学制剂,不生成任何有害的副产物,出水执行《污水综合排放标准》GB8978‑1996三级标准,直接全量处理达标,产水率可达到95%以上,结构紧凑,运行成本低,可连续稳定运行自动控制,无二次污染,环境友好。

标签:
废水处理
江苏 - 南通 来源:北方有色网 2023-03-19
安装于废水处理设备上的内燃式蒸发筒结构

本实用新型涉及蒸发筒结构技术领域,且公开了安装于废水处理设备上的内燃式蒸发筒结构,包括蒸发筒本体,所述蒸发筒本体顶端设置有蒸汽出口管,且所述蒸发筒本体和所述蒸汽出口管相连接,所述蒸发筒本体底端设置有出水管,且所述出水管与所述蒸发筒本体相连接,所述蒸发筒本体左侧设置有进水管,且所述进水管与所述蒸发筒本体相连接。该安装于废水处理设备上的内燃式蒸发筒结构,通过设置蒸发管,蒸发管设置在蒸发室内部的左右两侧,蒸发管在原有的蒸发器进行蒸发的基础上也进行蒸发,蒸发器和蒸发管同时进行蒸发,提高了蒸发效率,当蒸发器损坏时,也可以使用蒸发管进行蒸发,避免蒸发筒在蒸发器损坏时报废,因此增加了该蒸发筒结构的实用性。

标签:
废水处理
江苏 - 南通 来源:北方有色网 2023-03-19
用于机械零件表面处理的电镀废水高效处理剂

本发明公开了一种用于机械零件表面处理的电镀废水高效处理剂,其特征在于:包括以下质量份的各组分:消石灰10‑20份、黏土15‑30份、纳米四氧化三铁15‑18份、羧甲基淀粉钠15‑18份、聚合氯化铝5‑8份、竹炭粉10‑12份、聚丙烯酰胺3‑5份、反硝化细菌2‑6份、绿脓杆菌6‑15份。本发明的用于机械零件表面处理的电镀废水高效处理剂,包括消石灰、黏土、纳米四氧化三铁、羧甲基淀粉钠、聚合氯化铝、竹炭粉、聚丙烯酰胺、反硝化细菌、绿脓杆菌;所采用的原料易得,多采用天然原料,成本低廉,且不会对环境造成二次污染,同时,增加反硝化细菌和绿脓杆菌,减少处理后水中的细菌,达到排放要求。

标签:
废水处理
江苏 - 南通 来源:北方有色网 2023-03-19
用于餐余废水的油脂回收装置

本发明涉及餐余污水处理技术领域,且公开了一种用于餐余废水的油脂回收装置,包括固液分离箱体、箱盖、搅拌分离组件和进水管,所述固液分离箱体与油水分离箱体相连接,所述油水分离箱体的外部设置有动力组件,所述动力组件用于驱动油水分离组件逆时针转动,所述油水分离组件没入到油水一端的深度由压头控制组件调节控制。该用于餐余废水的油脂回收装置通过设置油水分离齿形带、动力组件、压头控制组件、油脂刮离组件和压头定速启动开关,电动伸缩推杆定速下移,在油水分离齿形带没进油水临界区域时,油水分离齿形带仅与油脂层接触,从而极大的加快了油水分离组件将油脂层向外撇出的效率,耗时更短,撇出的油脂层油脂纯度更高。

标签:
废水处理
江苏 - 南通 来源:北方有色网 2023-03-19
上一页 50 51 52 53 54 ... 68 下一页
共68页    到第

北方有色为您提供最新的江苏南通有色金属环境保护技术理论与应用信息,涵盖发明专利、权利要求、说明书、技术领域、背景技术、实用新型内容及具体实施方式等有色技术内容。打造最具专业性的有色金属技术理论与应用平台!

全国热门有色金属设备推荐
展开更多 +
全国热门有色金属技术推荐
展开更多 +

 

江西省隆恩特环保设备有限公司
宣传

报名参会
更多+

报告下载

有色专家
更多+

长春黄金研究院有限公司
总经理
矿冶科技集团有限公司
中国工程院院士
长沙矿冶研究院有限责任公司
中国工程院院士
中国瑞林工程技术有限公司
中国工程院院士
武汉科技大学
院长 / 教授
赤泥综合利用研究报告2025
推广

热门技术
更多+

推荐企业
更多+

福建省金龙稀土股份有限公司
宣传

发布

在线客服

公众号

电话

顶部
咨询电话:
010-88793500-807