青岛垚鑫智能科技有限公司
宣传

位置:中冶有色 >

有色技术频道 >

> 废水处理技术

分类:
全部
矿山技术
冶金技术
材料制备及加工技术
环境保护技术
分析检测技术
 
全部
废水处理技术
大气治理技术
固/危废处置技术
土壤修复技术
地区:
全部
北京
天津
上海
重庆
河北
山西
辽宁
吉林
黑龙江
江苏
浙江
安徽
福建
江西
山东
河南
湖北
湖南
广东
海南
四川
贵州
云南
陕西
甘肃
青海
内蒙
广西
西藏
宁夏
新疆
其他
其他
展开
 
全部
广州
韶关
深圳
珠海
汕头
佛山
江门
湛江
茂名
肇庆
惠州
梅州
汕尾
河源
阳江
清远
东莞
中山
潮州
揭阳
云浮

广东深圳有色金属废水处理技术理论与应用

免费发布技术信息>>
乳化油废水处理设备
乳化油废水处理设备 1117     
 0

本实用新型涉及废水处理设备技术领域,特别是一种乳化油废水处理设备;包括调节池A、预处理池、压滤机A、调节池B、UV-CWOP主反应池、混凝絮凝池以及压滤机B,相邻两者之间通过水泵依次连接,调节池A、预处理池、调节池B、UV-CWOP主反应池和混凝絮凝池分别与加药系统连接;本实用新型采用一体化的设计,体积较小,操作简单,节约了设备的占地面积和雇佣专业操作工人的成本,而且避免了很多人为操作失误带来的经济损失,另外,本实用新型采用UV-CWOP工艺,在对废水进行处理时引入紫外光和催化剂,利用它们的协同催化氧化作用,将高浓度乳化油废水中有机污染物分解成CO2和水等无害成份,并同时具有除臭、脱色及杀菌消毒的效果。

标签:
废水处理
广东 - 深圳 来源:中冶有色网 2023-03-19
含钯废水过滤提炼钯金属系统及方法

一种含钯废水过滤提炼钯金属系统及方法,该系统包括过滤装置、焚烧装置和化学处理装置,所述过滤装置用于对含钯废水过滤,所述过滤装置包括过滤棉芯,所述焚烧装置用于将所述过滤棉芯烧成灰,所述化学处理装置用于从所述灰中提取钯。该方法包括:用含有过滤棉芯的过滤装置过滤含钯废水;将富集钯的所述过滤棉芯烧成灰;从所述灰中获得氯化钯粉末;用水溶解所述氯化钯粉末,然后滴入氨水搅拌直到获得黄色的第三溶液;以及向第三溶液滴定水合肼溶液,搅拌,沉淀,过滤获得黑色粉末。通过上述系统及方法能够回收含钯废水中的钯。

标签:
废水处理
广东 - 深圳 来源:中冶有色网 2023-03-19
废水磁处理系统
废水磁处理系统 787     
 0

本发明提供的一种废水磁处理系统,包括依次连接的进水管、絮凝管道、混合管道一、混合管道二、磁吸管道,磁吸管道尾端下方设置有极化槽,极化槽尾端下方设置有磁吸槽;本发明可对废水进行分级清除和回收,金属清除彻底,可回收各种尺寸的金属,不易出现阻塞,回收效率高,成本低,不会造成后续处理时机器的损坏。絮凝剂反应充分,工序简单,不会出现团聚粘附,对金属离子的处理充分,废水处理干净达标。

标签:
废水处理
广东 - 深圳 来源:中冶有色网 2023-03-19
PCB板生产用电镀废水处理池

本实用新型公开了一种PCB板生产用电镀废水处理池,其技术方案要点是:包括载物台和万向轮,载物台的上表面由左向右依次设置有过滤箱、混合箱和药剂机构,过滤箱的内部固定设置有第一过滤网,第一过滤网的底部固定设置有第二过滤网,第一过滤网与第二过滤网垂直设置,过滤箱的右端固定连接由传输机构,混合箱的顶部固定设置有搅拌装置,搅拌装置由驱动电机、齿轮轴、转动齿轮、搅拌轴、搅拌叶片和安装座组成,驱动电机的输出端固定安装有齿轮轴,齿轮轴的两侧啮合有转动齿轮,本实用新型解决了电镀废水处理池采用单一的药剂电解方式或者过滤处理电镀废液,以及电镀废水处理装置的处理效率较低,使得废水与药剂之间混合不均匀的问题。

标签:
废水处理
广东 - 深圳 来源:中冶有色网 2023-03-19
基于电镀废水处理用净化剂搅拌装置

本实用新型公开了一种基于电镀废水处理用净化剂搅拌装置,包括安装底板,所述安装底板的顶侧固定安装有两个固定板,两个固定板的顶侧固定安装有同一个顶部连接块,两个固定板之间设有搅拌桶,顶部连接块的底侧转动安装有转动轴,该基于电镀废水处理用净化剂搅拌装置,净化剂加入后,启动双轴电机,能够带动第一锥形齿轮转动,在第二锥形齿轮的作用下,带动转动轴转动,并带动多个搅拌杆进行转动,双轴电机运行带动转动盘转动,从而能够带动L型拉动杆移动,L型拉动杆移动能够带动搅拌桶进行上下移动,使得搅拌桶内的废水溶液在内搅拌的同时,还能够上下晃动,从而提高了净化剂加入后,反应更加充分。

标签:
废水处理
广东 - 深圳 来源:中冶有色网 2023-03-19
硝酸铜废水铜回收方法

本发明公开了一种硝酸铜废水铜回收方法,具体涉及铜回收领域,包括以下步骤:所述电解槽的内腔底部设置有阳离子膜,阳极为钛板,阴极为铜板,所述阳离子膜将电解槽内隔成阳极区和阴极区;将硝酸铜废水导入电解槽内的阳极区,将硫酸溶液导入到阴极区;并在电解槽内对硝酸铜废水进行搅拌,同时给两电极通直流电进行电解。本发明通过使用阳离子膜将电解槽隔开,阳极区为硝酸铜溶液,阴极区为硫酸溶液,阳极采用钛板,阴极采用铜板,铜离子被电解沉积在铜板上,阳极区增加了阳极溶液的酸度,使阳极区硝酸铜溶液脱铜后可以作为腐蚀铜溶液调配的原材料,进而实现硝酸铜废液的循环利用。

标签:
废水处理
广东 - 深圳 来源:中冶有色网 2023-03-19
便于取样的废水检测装置

本实用新型涉及废水检测装置技术领域,尤其为一种便于取样的废水检测装置,包括底座,所述底座底部的拐角处安装有万向轮,所述底座端部的右侧安装有连接架,所述连接架的端部安装有推手,所述推手的外表面设置有第一防滑套,所述底座的端部且位于连接架的左侧安装有定位环,所述定位环的内部放置有储液桶,所述储液桶的端部设置有桶盖,所述桶盖的端部安装有提手,所述提手的外表面设置有第二防滑套,所述储液桶左侧的端部设置有进液口,所述进液口连接有第一阀门,所述第一阀门通过输送管道连接有水泵,所述储液桶的左侧设置有出液口,与现有的废水检测装置相比较,本实用新型通过设计能够提高废水检测装置的整体便捷性、经济性以及实用性。

标签:
废水处理
广东 - 深圳 来源:中冶有色网 2023-03-19
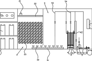
太阳能MBR膜废水处理设备

本实用新型属于废水处理技术领域内,提供了一种太阳能MBR膜废水处理设备,包括一太阳能控制间、一兼氧池、与一兼氧池底部连通的一好氧池、一膜池和一设备间,废水经过以上设备的处理、过滤可以大量地降低cod与氨氮,对于脱色有部分帮助,同时太阳能控制间可以通过电控柜向鼓风机和自吸泵供电,实现节能目的。本实用新型提供的处理设备工艺流程简短,管理运行方便,成本低,实现了泥水分离的效果,保证了出水水质的稳定。

标签:
废水处理
广东 - 深圳 来源:中冶有色网 2023-03-19
废水处理系统
废水处理系统 1163     
 0

本实用新型涉及一种废水处理系统,其包括废水收集池,其特征在于,还包括反应池、沉淀池和清水池,反应池包括一级反应池和二级反应池,沉淀池包括初沉池和二沉池,废水收集池依次与一级反应池、初沉池、二级反应池、二沉池和清水池连通,初沉池与二级反应池之间依次连通有水解酸化池和接触氧化池。本实用新型具有废水经处理后回收利用的效果。

标签:
废水处理
广东 - 深圳 来源:中冶有色网 2023-03-19
基于电解铜箔废水处理用加药设备

本实用新型公开了一种基于电解铜箔废水处理用加药设备,包括混合箱,所述混合箱的内壁焊接安装有第一管道,所述第一管道的表面设置有喷头,所述第一管道的顶端焊接安装有第二管道,所述第二管道呈T形,所述第二管道的底部焊接安装有第三管道。通过药剂箱便于对碱液、絮凝剂、助凝剂进行存储,通过三组定量泵与第三管道分别将药剂箱内的碱液、絮凝剂、助凝剂抽出进入第二管道与第一管道内,通过喷头将药剂喷出,通过定量泵进而实现对药剂进行定量加入,通过第一管道采用螺旋状,实现对混合箱内不同深度的废水进行添加药剂进而节约混合时间,通过电动机带动转动轴转动,通过转动轴带动混合棒转动,实现对混合箱内的废水与药剂进行充分混合。

标签:
废水处理
广东 - 深圳 来源:中冶有色网 2023-03-19
喷漆废水的处理方法及其装置

喷漆废水处理的方法及其装置,包括蓄水池(10)、布袋过滤器(20)、催化氧化池(30)和臭氧发生器(40);催化氧化池(30)内设置有负载铜元素及镍与锰元素的柱状活性炭;布袋过滤器(20)同蓄水池(10)、催化氧化池(30)连通,臭氧发生器(40)则与催化氧化池(30)连通;蓄水池(10)内的喷漆废水引至布袋过滤器(20)过滤后送入催化氧化池(30);催化氧化池(30)内通入臭氧发生器(40)产生的臭氧,同时还通入空气混合,池内设置的负载铜元素的柱状活性炭及负载镍与锰元素的柱状活性炭对喷漆废水进行催化氧化处理后即可达标排放。本发明有益效果在于工艺方法简单、成本低,低化学耗氧量COD去除率高的有益效果。

标签:
废水处理
广东 - 深圳 来源:中冶有色网 2023-03-19
超声波废水回收再生装置

本实用新型公开了一种超声波废水回收再生装置,包括排水管,排水管一端固定连接有过滤罐,过滤罐内密封固定设有过滤板,过滤罐上设有对过滤板进行清理的清理机构,过滤罐一侧下方设有净化池,过滤罐通过安装架固定设置在净化池上侧,过滤罐下端通过出水管与净化池连通,净化池内设有搅拌机构,过滤罐下侧设有废料槽,废料槽与清理机构位置对应,废料槽与净化池固定连接,净化池底部安装有排污泵,排污泵的排出口伸至废料槽中,净化池侧壁上固定设有净水出管。本实用新型可以对超声波清洗机产生的废水进行回收再生,通过过滤和净化沉淀对废水进行净化,同时可以维持过滤效果,方便对净化产生的废料进行收集。

标签:
废水处理
广东 - 深圳 来源:中冶有色网 2023-03-19
废水处理用的废渣转运装置

一种废水处理用的废渣转运装置,包括废水池主体、支架、螺杆、电机、螺纹块、支撑框,支架安装于废水池主体的内壁左侧处,螺杆转动安装于支架的开槽处,并且螺杆的上端延伸至支架的顶端面,通过支撑框、拦截板、连接板和过滤网的设置,可以将杂质稳定的提升至废水池外,这样可以避免杂质在提升时重新掉落至废水池内部等情况,同时利用其转杆、传动齿轮、传动电机、出料口和挡板的设置,则可以使得拦截板在支撑框的内壁处进行转动,这样就能够实现对杂质的转运工作,最后在通过支撑框、第一安装板和第二安装板的设置关系,能够对过滤网处的杂质进行清洁处理,这样可以避免杂质堵塞过滤网等情况。

标签:
废水处理
广东 - 深圳 来源:中冶有色网 2023-03-19
废水处理用排污防堵塞结构

本实用新型公开了一种废水处理用排污防堵塞结构,包括处理主体、进出管接口、滑动式清理机构、联动式搅碎机构和更换式排放物滤化机构,所述处理主体的两侧设置有进出管接口,且处理主体的上方设置有滑动式清理机构,所述处理主体的内部一侧设置有联动式搅碎机构,且联动式搅碎机构的侧边设置有更换式排放物滤化机构,所述联动式搅碎机构包括伺服电机。该废水处理用排污防堵塞结构,废水排放的过程中,使用者只需要控制上方伺服电机启动,传动杆及一级螺旋伞齿轮会同步运动,随后一级螺旋伞齿轮会因为与二级螺旋伞齿轮之间的啮合结构带动从动杆以及切割件进行同速率的高速转动即可对废水中大多污物进行有效处理。

标签:
废水处理
广东 - 深圳 来源:中冶有色网 2023-03-19
废水循环再利用洗砂设备

本申请涉及砂石处理的领域,尤其是涉及一种废水循环再利用洗砂设备,其包括洗砂机构以及废水处理机构,洗砂机构包括盛砂斗、高压喷头以及螺旋式砂水分离器,高压喷头朝向所述盛砂斗进料口设置,所述高压喷头进水端连接有输水管,输水管的另一端连接有外部水源池,所述螺旋式砂水分离器设置在所述盛砂斗下方,螺旋式砂水分离器开设有出水口以及出砂口,废水处理机构包括过滤箱以及储存池,出水口通过连接管连接到所述过滤箱,所述连接管通入过滤箱一端连接有过滤袋,所述过滤箱与所述储存池通过溢流管连接。本申请具有在洗砂过程中,可以将洗砂设备产生的废水收集以及循环利用,减少水资源浪费的效果。

标签:
废水处理
广东 - 深圳 来源:中冶有色网 2023-03-19
高效电催化氧化装置及垃圾渗滤液高盐高有机废水处理方法

本发明涉及废水处理技术领域,具体地说,涉及高效电催化氧化装置及垃圾渗滤液高盐高有机废水处理方法,包括电催化氧化反应槽,利用电极的直接氧化和间接氧化作用来氧化降解难降解物质,使其氧化分解成为易降解、无毒害的物质,直接氧化是由水分子在阳极表面放电产生·OH基团,·OH基团与阳极附近的有机物发生氧化反应,间接氧化是指利用电化学反应产生的强氧化剂,来氧化溶液中有机物,电催化氧化对几乎所有的有机物均能进行反应,氧化能力强,效果稳定,特别适用于处理高浓度污水和含盐量较高的废水,节能省时,既可以用于生物法的前处理,有效降解难降解的有机污染物,降低后续生化处理的难度,也可用于深度处理。

标签:
废水处理
广东 - 深圳 来源:中冶有色网 2023-03-19
资源再生用废水瓶破碎压块装置

本发明涉及一种破碎压块装置,尤其涉及一种资源再生用废水瓶破碎压块装置。本发明提供一种破碎处理效果较好和自动挤压成型的资源再生用废水瓶破碎压块装置。一种资源再生用废水瓶破碎压块装置,包括:底板,底板上安装有伺服电机;切碎机构,底板上设有切碎机构;旋转机构,底板上中部设有旋转机构,旋转机构与伺服电机输出轴连接;挡料机构,旋转机构上设有挡料机构,挡料机构与切碎机构滑动式连接;手动压料机构,挡料机构和底板之间设有手动压料机构。本发明通过设有切碎机构,切碎机构对废水瓶进行粉碎切割,实现对废水瓶破碎的效果。

标签:
废水处理
广东 - 深圳 来源:中冶有色网 2023-03-19
垃圾转运站废水处理工艺及设备

本发明涉及一种垃圾转运站废水处理工艺及设备,包括沿水流方向通过管路依次连接的压榨装置、隔油沉淀池、电絮凝装置、第一调节池、污水处理装置和收集装置,所述污水处理装置包括依次连接的厌氧池、兼氧池和好氧池,通过垃圾压榨、隔油沉淀、电絮凝降解、污水稀释、污水处理和水分收集,实现对垃圾转运站内废水的净化,解决了垃圾转运站中废水的污染问题,且工艺过程和处理装置简单、易操作,有利于环保,并能防止废水对地下资源的污染。

标签:
废水处理
广东 - 深圳 来源:中冶有色网 2023-03-19
电极箔腐蚀废水处理系统

本实用新型提供了一种电极箔腐蚀废水处理系统,包括:前处理系统,用于调节腐蚀废水的PH值以及将腐蚀废水中的污染物分解出来形成浓缩液;管式微滤膜系统,用于接收从前处理系统输送过来的浓缩液,并将浓缩液中的悬浮颗粒进行过滤;两级反渗透系统,与管式微滤膜系统的输出端连接,用于将过滤之后的滤液进行脱盐处理;清洗系统,用于定时清洗管式微滤膜系统及两级反渗透系统。本实用新型提供的电极箔腐蚀废水处理系统,反应时间短,占地小,出水水质稳定。

标签:
废水处理
广东 - 深圳 来源:中冶有色网 2023-03-19
含氟废水处理系统
含氟废水处理系统 978     
 0

本实用新型提供了一种含氟废水处理系统,包括依次连通的废水预过滤处理装置、第一网格絮凝反应池、第二网格絮凝反应池、第三网格絮凝反应池、第四网格絮凝反应池、第一斜管沉淀池和折流反应池。本实用新型含氟废水处理系统操作简单,废水处理效率高,废水处理成本低,有效实现降氟的目的。

标签:
废水处理
广东 - 深圳 来源:中冶有色网 2023-03-19
含镍废水减量系统
含镍废水减量系统 899     
 0

本发明公开了一种含镍废水减量系统,包括蒸发罐、冷凝罐和缓冲池,所述蒸发罐固定在底座中部偏左位置处,所述蒸发罐内部竖向安装有第二搅拌轴,所述第二搅拌轴所在的蒸发罐内部位置处外围设置有油浴加热管,所述蒸发罐所在的底座位置处左侧安装有油浴加热罐,所述第一搅拌轴所述油浴加热罐内侧底部安装有温度感应器,所述蒸发罐前端面上部设置有废水进管,所述蒸发罐所在的底座位置处右侧安装有冷凝罐,所述冷凝罐内部设置有冷凝盘管,所述冷凝罐所在的底座位置处右侧安装有缓冲池,所述缓冲池右侧底部设置有净水排口。本发明通过设置蒸发罐、冷凝罐和缓冲池,解决了废水电解除镍排放不达标的问题。

标签:
废水处理
广东 - 深圳 来源:中冶有色网 2023-03-19
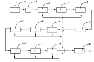
含铜废水的处理与铜回收系统

本实用新型公开了一种含铜废水的处理与铜回收系统,其包括依次连接的含铜废水收集池、第一四级反应池、第一沉淀池、第二四级反应池、第二沉淀池、污泥酸化调整池、第三沉淀池、回收液池、萃取反应器、反萃反应器、电解槽、加药子系统,以及用于收集车间排放的酸析废液的废酸收集池,用于将浓缩污泥脱水并压缩成泥饼的板框压滤机。第一沉淀池、第二沉淀池以及废酸收集池均与污泥酸化调整池连通。第三沉淀池的污泥出口与板框压滤机连通,板框压滤机液体出口与回收液池连通。萃取反应器的无机相废水出口与第一四级反应池、第一破络池连通。本实用新型实现废水铜资源回收,同时回收铁、铝以水处理剂形式循环利用于污水处理,大大减少污泥的产生量。

标签:
废水处理
广东 - 深圳 来源:中冶有色网 2023-03-19
重金属废水的处理装置
重金属废水的处理装置 1097     
 0

本实用新型公开了一种重金属废水的处理装置,其包括预处理系统、精处理系统、管道加药系统以及生化处理池。其中,预处理系统包括第一四级反应池与第一沉淀池,精处理系统包括第二四级反应池与第二沉淀池。管道加药系统包括用于依次向第一四级反应池的四个反应槽添加氯化铁、石灰、氢氧化钠以及PAM絮凝剂的四个加药管,和用于依次向第二四级反应池的四个反应槽添加氢氧化钠、硫化钠、PAC絮凝剂以及PAM絮凝剂的四个加药管。本实用新型的对重金属废水采用了二级处理,可有效去除重金属废水中的重金属离子,且可以节省在废水处理过程中的药剂添加量以及污泥的产生。

标签:
废水处理
广东 - 深圳 来源:中冶有色网 2023-03-19
零废水净水系统
零废水净水系统 1019     
 0

本实用新型涉及一种零废水净水系统,包括前置净水装置、反渗透膜净水装置、树脂交换滤芯、后置活性炭净水装置以及连接上述装置的水管和阀门;零废水净水系统内设有一个入水口,入水口通过水管与前置净水装置相连通,前置净水装置的出水口与反渗透膜净水装置相连通,前置净水装置与反渗透膜净水装置之间的水管上设有一个增压泵;反渗透膜净水装置的软水出水口与后置活性炭净水装置相连通,反渗透膜净水装置的硬水出水口与树脂交换滤芯相连通,树脂交换滤芯的出水口与前置净水装置相连通,后置活性炭净水装置的出水口与直饮水龙头相连通。本实用新型所述的一种零废水净水系统具有水资源利用率高,净水效果好的特点。

标签:
废水处理
广东 - 深圳 来源:中冶有色网 2023-03-19
餐厨垃圾挤压后废水拖油净化装置

本实用新型公开了一种餐厨垃圾挤压后废水拖油净化装置,包括装置底板、储水箱、净气箱、储油箱和竹炭除味块,储水箱固定在装置底板顶端的一侧,且储水箱底部的外壁上安装有排水管,储油箱固定在装置底板顶端的另一侧,且储油箱底部的外壁上安装有排油管,储水箱一侧的外壁上固定有进水口,净气箱固定在储水箱的顶端,净气箱的内部设置有定位框,且定位框顶端的两侧皆焊接有连接杆,竹炭除味块设置在定位框内部,储水箱一侧的外壁上安装有泵体。本实用新型不仅便于对废水中的异味进行净化处理,提高了油水分离的彻底性,而且便于对废水进行过滤。

标签:
废水处理
广东 - 深圳 来源:中冶有色网 2023-03-19
生活废水检测收集器
生活废水检测收集器 1111     
 0

本实用新型公开了一种生活废水检测收集器,包括:底座、顶端设有开口的收纳仓、收纳组件、输送组件以及检测组件,所述收纳仓安装在底座上表面中心处,所述收纳组件穿过收纳仓开口嵌设在收纳仓内,所述输送组件安装在收纳组件上,所述检测组件安装在收纳仓侧壁,且所述检测组件与输送组件匹配连接。本实用新型利用三组进料管的配合使用下,使用者可根据实际使用需求对加工腔内顶端、中部以及底端的废水进行分类收集检测,保证了整体检测工作的全面性,提升了整体检测精度,加速了整体检测效率,随之利用输送管可稳定的将废水输送至检测组件内,保证了整体检测工作的时效性。

标签:
废水处理
广东 - 深圳 来源:中冶有色网 2023-03-19
氧化铜生产废水排放处理系统

本实用新型提供一种氧化铜生产废水排放处理系统,包括:酸化盐析预处理装置、感应电芬顿装置、电化学氧化除氨氮装置、絮凝聚磷沉磷装置,所述酸化盐析预处理装置用于酸化盐析沉淀反应,所述感应电芬顿装置用于将酸化盐析后的压滤液进行电芬顿反应;所述电化学氧化除氨氮装置用于将电芬顿装置处理后的压滤液进行电解除氨氮;所述絮凝聚磷沉磷装置用于把电化学氧化除氨氮装置出水中余氯消除并絮凝聚磷沉磷。本实用新型提供的氧化铜生产废水处理系统,使被处理的废水中的CODCr低于30ppm、氨氮低于1.5ppm、总磷低于0.3ppm、以及铜低于1ppm、锌低于2ppm、砷低于0.1ppm,达到地表水Ⅳ类水质标准。

标签:
废水处理
广东 - 深圳 来源:中冶有色网 2023-03-19
屠宰废水处理装置
屠宰废水处理装置 826     
 0

本实用新型提供了一种屠宰废水处理装置,包括依次设置的超微回旋式格栅、均衡池、气浮机、厌氧池、兼氧池、好氧池、沉淀池、消毒池,所述兼氧池和所述好氧池还与一个曝气系统连接,所述均衡池内设有推流器,所述均衡池通过一个提升泵与所述气浮机连接。上述屠宰废水处理装置,通过超微回旋式格栅过滤掉短小细毛类,然后在均衡池中加入臭氧进行消毒、除臭,运用气浮机进行物化处理,去除废水中的油脂,考虑污水中的氨氮值高,同时投加磷酸盐和镁盐,形成磷氨镁沉淀,然后进入厌氧池、兼氧池、好氧池、沉淀池就行生化处理,使得处理后的污水程所有指标达标。

标签:
废水处理
广东 - 深圳 来源:中冶有色网 2023-03-19
生活废水自动检测分流并循环利用的方法和装置

一种生活废水自动检测分流并循环利用的方法和装置,属于节能环保、节水减污技术领域。本发明使用通过设定导电值进行控制的电磁阀,实现高污染废水和低污染废水自动检测分流,使低污染废水通过分流进入储水箱,供回收利用。储水箱经过特殊设计,在回收水量不足时可以自动补充自来水;使用者还可以选择接纳回收水还是自来水,若选择不接纳回收水或回收水有剩余,则可通过导流管或溢流管流至下层储水箱进水管,实现循环回收。通过收集雨水保证充足的回收水量,通过投放药剂进行消毒、除臭和脱色。回收水对马桶水箱或直接对马桶供水,实现对回收水的利用。成功解决了水质自动检测分流、循环回收、无需额外动力支持、充足回收水量、保证水质等多个难题。

标签:
废水处理
广东 - 深圳 来源:中冶有色网 2023-03-19
废水回收利用系统
废水回收利用系统 822     
 0

本实用新型实施例公开了一种废水回收利用系统,包括:沉砂池、第一水管、第一储水仓、净水设备、储水装置和出水管;沉砂池与外部的废水进水管连接,用于对废水进水管排出的废水进行沉砂过滤,第一水管的一端与沉砂池连接,另一端与第一储水仓连接,用于将沉砂过滤后的废水输送至第一储水仓;第一储水仓连接净水设备的进水端,净水设备的出水端连接储水装置,储水装置密封设置于第一储水仓内,出水管的一端连接储水装置,另一端接入用水系统。本实用新型实施例有效回收利用了建筑物所产生的污水以及建筑物附近降落的雨水,节省了水资源。

标签:
废水处理
广东 - 深圳 来源:中冶有色网 2023-03-19
上一页 51 52 53 54 55 ... 70 下一页
共70页    到第

中冶有色为您提供最新的广东深圳有色金属废水处理技术理论与应用信息,涵盖发明专利、权利要求、说明书、技术领域、背景技术、实用新型内容及具体实施方式等有色技术内容。打造最具专业性的有色金属技术理论与应用平台!

全国热门有色金属设备推荐
展开更多 +
全国热门有色金属技术推荐
展开更多 +

 

江西省隆恩特环保设备有限公司
宣传

报名参会
更多+

报告下载

有色专家
更多+

昆明理工大学
副校长
矿冶科技集团江苏北矿金属循环利用科技有限公司
书记 / 总经理
有研科技集团有限公司
首席科学家
广东省科学院资源利用与稀土开发研究所
教授
矿冶科技集团有限公司
所长/研究员级高工
赤泥综合利用研究报告2025
推广

热门技术
更多+

推荐企业
更多+

福建省金龙稀土股份有限公司
宣传

发布

在线客服

公众号

电话

顶部
咨询电话:
010-88793500-807