青岛垚鑫智能科技有限公司
宣传

位置:中冶有色 >

有色技术频道 >

分类:
全部
矿山技术
冶金技术
材料制备及加工技术
环境保护技术
分析检测技术
 
全部
功能材料技术
复合材料技术
新能源材料技术
合金材料技术
加工技术
地区:
全部
北京
天津
上海
重庆
河北
山西
辽宁
吉林
黑龙江
江苏
浙江
安徽
福建
江西
山东
河南
湖北
湖南
广东
海南
四川
贵州
云南
陕西
甘肃
青海
内蒙
广西
西藏
宁夏
新疆
其他
其他
展开
 
全部
上海

上海有色金属材料制备及加工技术理论与应用

免费发布技术信息>>
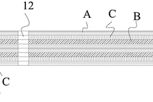
重平锦棉稠贴合聚氨酯薄膜和弹力仿麂皮的复合材料

本实用新型公开的重平锦棉稠贴合聚氨酯薄膜和弹力仿麂皮的复合材料,包括内里层和表面层,其特征在于,内里层为弹力仿麂皮层,表面层为重平锦棉稠层,在内里层与表面层之间夹有一高拨水高透湿透气聚氨酯薄膜,表面层、高拨水高透湿透气聚氨酯薄膜以及内里层依次通过粘合剂复合在一起。本实用新型的有益效果在于:防水性能好、透湿透气性好、质地柔软、耐酒精擦拭性能良好、接著强度高,适合各种对质量有特别要求的产品如:医用的防体液、耐酸硷性和高清洁性洗涤;可广泛用于:医用隔离服、医用防化服、医用手术服;聚氨酯薄膜的上、下表面设置有纹路,增大了聚氨酯薄膜与内里层和表面层的接触面积,使得复合效果更好。

标签:
复合材料
上海 - 上海 来源:中冶有色网 2023-03-18
含有金属材料层的复合材料包装软管

本实用新型为一种含有金属材料层的复合材料包装软管,包括包装软管的管体和封盖,其特征在于:所述的包装软管的管体材料为复合层结构,纯金属铝层为中间层,外层为A塑料层,内层为B塑料层,各层之间均由粘合剂连接成整体。所述的粘合剂在美国杜邦公司生产的0910型EAA和美国埃克森美孚公司生产的5050型EAA中选择一种。所述的A塑料为LDPE、LLDPE和HDPE等比共混物,所述的B塑料为LDPE和HDPE等比共混物。本实用新型有效地避免了高透性内容物逐步渗透到管体表面的技术问题,解决了普通PE软管无法达到金属色泽和金属特有的挺度,且整体价格相对于金属材料管降低约30%,并在降低成本的同时保证了技术含量。

标签:
复合材料
上海 - 上海 来源:中冶有色网 2023-03-18
复合材料胶接结构及方法

本发明提供了一种复合材料胶接结构及方法,包括连接件,连接件上设置有安装槽,安装槽的一侧呈敞开设置,安装槽内形成有安装空间;安装槽与敞开口相邻的内壁上设置有方形定位坎和弧形定位坎,方形定位坎位于安装槽的敞开口处,弧形定位坎位于安装槽内壁远离敞开口的一侧,方形定位坎和弧形定位坎之间设置有容胶槽;方形定位坎和弧形定位坎二者所在的安装槽侧壁上设置有注胶孔,注胶孔与容胶槽连通。通过在安装槽的敞开口处设置方形定位坎,在安装槽远离敞开口的内壁上设置弧形定位坎,且方形定位坎与弧形定位坎之间形成容胶槽,实现了对待胶接工件在安装槽内的定位安装,提高了待胶接工件的平直度,且限制了胶水的厚度,有助于提高胶结强度。

标签:
复合材料
上海 - 上海 来源:中冶有色网 2023-03-18
高效感温复合材料、制备方法及制备感温元件的应用

本发明属于感温材料技术领域,具体涉及一种高效感温复合材料,并进一步公开其制备方法,以及制备感温元件的应用。本发明所述高效感温材料,在现有常规感温蜡材料和金属导热材料为原料的基础上,通过增加C/C复合增强材料和稳定剂,有效提高了整个感温材料的导热性能和相稳定性,进一步提高了感温材料的感温灵敏度。

标签:
复合材料
上海 - 上海 来源:中冶有色网 2023-03-18
复合材料拉挤成型固化区域智能控制装置及控制方法

一种复合材料拉挤成型固化区域智能控制装置及控制方法,属于拉挤成型技术领域,为解决在传送的过程中进行冷却,冷却效率缓慢,并且常见的水冷的方式需要额外设置水泵,在对外层纸进行收卷的时候还需要额外设置驱动,间接地增加了生产成本的问题;本发明转动盘、联动轴、第一转动杆和滑动杆之间形成了活塞运动的原理,并分别驱动两组的活塞板在第一活塞筒和第二活塞筒内上下滑动,水箱内部处于受压并将温度低的水通过输水管进行输送,使用后的水通过传送带后端的第一壳体和第二壳体将进入到回流管内,完成了水循环,本发明实现了交错进行活塞运动,不需要额外设置水泵来进行驱动,水进入传送带内部的第一腔体内,提高了冷却固化的速度。

标签:
复合材料
上海 - 上海 来源:中冶有色网 2023-03-18
小型复合材料滑动结构和制作方法

本发明涉及一种小型复合材料滑动结构和制作方法,该滑动结构包括:外壳、最短伸出距离限位块、最长伸出距离限位块、弹性体、定位板、内壳;外壳和内壳之间设置有能互相滑动的滑动装置;最短伸出距离限位块和最长伸出距离限位块均固定在外壳内,最短伸出距离限位块和最长伸出距离限位块用于外壳和内壳相对滑动时行程的限位;最短伸出距离限位块的高于大于外壳和内壳之间的距离;弹性体通过定位板在内壳的竖直方向伸缩。本发明重量轻、强度高、产品壁厚薄,配合滑动连接结构最大程度节约产品的使用空间,性能可靠、外形美观、节约能源。

标签:
复合材料
上海 - 上海 来源:中冶有色网 2023-03-18
Ti-C@CoMn-LDH复合材料及其制备方法和应用

本发明涉及一种Ti‑C@CoMn‑LDH材料的制备方法,包括以下步骤:S1:将LiF浸泡在HCl溶液中,然后逐渐加入Ti3AlC2粉体,恒温搅拌后,用去离子水离心洗涤黑色沉积物,洗至pH=6,得到Ti3C2Tx粉体;S2:将Ti3C2Tx粉体在N2保护下进行超声,离心,收集离心后的固体颗粒,干燥,得到e‑Ti3C2;S3:将e‑Ti3C2、Co(NO3)2·6H2O、Mn(NO3)3·9H2O、NH4F加入水中,分散均匀,逐渐加入氨水,转入反应釜中进行水热反应,冷却,洗涤,干燥,得到Ti‑C@CoMn‑LDH材料。与现有技术相比,本发明制备的Ti‑C@CoMn‑LDH复合材料,具有独特的分层结构,可以有效地抑制二维纳米片的堆积,提供有效的活性位点,三维互连形貌的高孔隙率可以促进电解质的扩散和电子的转移。

标签:
复合材料
上海 - 上海 来源:中冶有色网 2023-03-18
耐湿热老化析出的无卤阻燃增强尼龙复合材料

本发明公开了一种耐湿热老化析出的无卤阻燃增强尼龙复合材料包括以下组分及质量百分含量:尼龙树脂30‑80wt%、断链剂0.1‑10wt%、填充剂5‑50wt%、次磷酸盐1‑30wt%、三聚氰胺衍生物1‑15wt%、硼酸盐1‑10wt%和助剂0.1‑5wt%。本发明通过向次磷酸盐阻燃的尼龙体系中引入尼龙断链剂,能够有效降低阻燃剂在挤出过程中受到的剪切,减少阻燃剂分解的比例,以及小分子的生成,从而达到减少或者避免材料在使用过程中阻燃剂的析出。实施工艺简单有效,有利于稳定阻燃性能以及其他性能。

标签:
复合材料
上海 - 上海 来源:中冶有色网 2023-03-18
低密度低介电疏水聚丙烯复合材料及其制备方法

本发明涉及一种低密度低介电疏水聚丙烯复合材料及其制备方法,包括改性聚丙烯母粒以及不同耐温性的可膨胀微球母粒。本发明材料兼具优异的力学性能、高接触角、低光泽度、低密度等优点,满足不同应用场景对耐污性和哑光外观的要求,同时,符合高品质家居产品的需求,满足汽车内饰件用材料的相关要求。

标签:
复合材料
上海 - 上海 来源:中冶有色网 2023-03-18
利用星状聚合物可控制备过渡金属负载的含氮多孔碳复合材料的方法

本发明公开了一种利用星状聚合物可控制备过渡金属负载的含氮多孔碳复合材料的方法。本发明包括β‑环糊精端羟基酰溴化、丙烯酸叔丁酯、4‑甲基苯乙烯与4‑乙烯基吡啶原子转移自由基(ATRP)聚合、NBS溴代、交联、离子交换、水热以及高温炭化的步骤,最终得到金属掺杂的含氮多孔碳材料。本发明中涉及的原料来源广泛,同时ATRP聚合是一种高效的活性可控自由基聚合方法,后处理简单,通过控制反应条件即可有效控制多孔碳材料的孔结构;制备得到的多孔碳材料具有优异的电化学性能,在析氢领域具有良好的应用前景。

标签:
复合材料
上海 - 上海 来源:中冶有色网 2023-03-18
低翘曲长玻纤改性聚丙烯复合材料及其制备方法

本发明公开了一种低翘曲长玻纤改性聚丙烯复合材料,包括下述重量份数的组分:PP30‑90份、长玻纤10‑60份、无机纳米粒子5‑20份、相容剂2‑5份、抗氧剂0.1‑1份、润滑剂0.1‑0.5份和光稳剂0.1‑1份。

标签:
复合材料
上海 - 上海 来源:中冶有色网 2023-03-18
抗冲聚对苯二甲酸乙二醇酯复合材料及其制备方法

本发明公开了一种抗冲聚对苯二甲酸乙二醇酯复合材料及其制备方法,由以下重量百分比的原料制成:PET?45-60%;HIPS?10-20%;玻璃纤维15-25%;抗氧剂0.1-0.5%;阻燃剂5-12%;润滑剂0.1%-0.3%;相容剂2-10%。本发明对于在聚对苯二甲酸乙二醇酯材料中添加一定比例的自制相容剂,通过改变各组份的比例,不仅可以维持较好的刚度和韧性,而且抗冲性能优良,材料成本低廉。

标签:
复合材料
上海 - 上海 来源:中冶有色网 2023-03-18
过渡金属氟化物负载硼掺杂纳米碳复合材料的制备方法

本发明属于纳米材料技术领域,具体涉及一种过渡金属氟化物负载硼掺杂纳米碳材料的制备方法。本发明方法以过渡金属氟化物、硼氢化物和纳米碳材料作为原材料,通过球磨和加热,即可制得过渡金属氟化物负载硼掺杂纳米碳复合材料。该方法具有低成本,高效率,经济环保,普适性强等特点。

标签:
复合材料
上海 - 上海 来源:中冶有色网 2023-03-18
薄壁变厚度复合材料天线罩的成型方法

本发明公开了一种用于薄壁变厚度复合材料天线罩的成型方法,其包含:步骤1,分别制备增强体织物:外等厚增强体、内等厚增强体、顶部变厚度增强体及根部变厚度增强体;步骤2,将增强体织物装入成型模具阳模,用与增强体织物材料相同的纤维纱线进行整体缝合;步骤3,合模,模具抽真空后加热至树脂注射温度;步骤4,加热树脂至注射温度,将树脂注入模具型腔;步骤5,在烘箱内对天线罩进行固化成型;步骤6,拆开模具,取出天线罩;步骤7,对脱模后的天线罩进行加工处理。本发明的方法解决了薄壁变厚度天线罩的精密成型的问题,并且实现方便、制造成本低;采用整体缝合方法,实现了加厚区域织物的可靠固定,并增加了天线罩的层间剪切强度。

标签:
复合材料
上海 - 上海 来源:中冶有色网 2023-03-18
树脂/纤维复合材料及其制备方法

本发明涉及一种树脂/纤维复合材料及其制备方法,它由树脂和/或改性树脂10~90%(重量)、增强纤维10~90%(重量)经混纺、挤拉、缠绕成型、模压等工艺加工而成。与现有技术相比,本发明制备方法简单、成本低,制得的产品纤维分散性好、强度高,可满足多种加工需要。

标签:
复合材料
上海 - 上海 来源:中冶有色网 2023-03-18
可快速注塑成型的聚丙烯复合材料及其制备方法

本发明公开了一种可快速注塑成型的聚丙烯复合材料及其制备方法,由下列重量百分比的原料组成:聚丙烯55-94%,流动改性剂0.5-5%,结晶促进剂0.1-1%,无机填料5-30%,弹性体增韧剂0-20%,稳定剂0.1-2%,其它添加剂0-5%。本发明的优点是:1、使用流动改性剂合理改善材料的流动性能,在保持韧性不降低的基础上缩短塑化和注射时间。2、使用结晶促进剂改善材料结晶性能,有效减少冷却时间,从而明显缩短整个注塑周期,同时保持材料机械性能不损失。

标签:
复合材料
上海 - 上海 来源:中冶有色网 2023-03-18
无卤阻燃增强聚对苯二甲酸丁二酯复合材料及制备方法

本发明涉及一种无卤阻燃增强聚对苯二甲酸丁二酯复合材料,其特征在于,由以下重量百分比的原料混合组成:PBT 40-80%、无卤阻燃剂5-20%、相容剂1-10%、玻璃纤维10-40%、抗氧剂0.1-1%。其制备方法为:按重量百分比称取原料;除玻璃纤维,将其他原料放入高混机中混合2-5分钟;出料;将混合的原料加玻璃纤维用螺杆机挤出造粒,螺杆机的转速为180-600转/分,温度为230-250℃。本发明的优点是具有高效的阻燃性能,不含卤素,真正的环保阻燃,阻燃等级可达到UL94标准的V0级,同时具有非常好的刚性、高耐热、尺寸稳定性好。

标签:
复合材料
上海 - 上海 来源:中冶有色网 2023-03-18
航空用结构件中金属部件与碳纤维复合材料的结合方法

本发明公开了一种航空用结构件中金属部件与碳纤维复合材料的结合方法,其包含:步骤1,将机加工“水滴”型金属构件固定在碳纤维复合承载杆件的成型模具两端的耳片部位中;步骤2,将高模碳纤维纵向缠绕在金属构件上,每层之间横向穿插低模碳纤维,每编制一层均需涂热固性树脂;步骤3,在最外层按弹性变形控制要求斜编织低模碳纤维与PEEK纤维混纺纤维,纤维之间取向夹角为30-60度;步骤4,经25分钟、温度80℃烘干预定型,并,3小时、烘焙温度350℃成型,脱模,取出成型产品。本发明的方法工艺简便,其提供的含有金属构件的承载杆件重量轻,金属构件与碳纤维之间结合紧密,可承载超过100吨拉/压力,在强度与刚度上比相同结构的钢材杆件高出3倍。

标签:
复合材料
上海 - 上海 来源:中冶有色网 2023-03-18
多瓣式树脂基复合材料易碎防护盖及其制备方法

一种多瓣式树脂基复合材料易碎防护盖及其制备方法,包括:环形框架以及设置于其中的八个扇形结构的瓜瓣以及一个圆形顶盖,其中:组合后的瓜瓣与顶盖构成半椭球型空腔,瓜瓣内侧设有加强筋。本发明满足冷发射的条件下对易碎防护盖易碎性和防护性的要求:在导弹发射时,易碎防护盖仅需要较小的冲击力就可以破裂呈多瓣飞出,减少导弹弹头的受力;在导弹发射箱处于密闭状态时,易碎防护盖还能抵抗外部环境的砸击,对发射箱内部装置起到保护作用。

标签:
复合材料
上海 - 上海 来源:中冶有色网 2023-03-18
回收尼龙制备的超高耐热复合材料及其制备方法

本发明公开了一种回收尼龙制备的超高耐热复合材料及其制备方法,材料由以下重量百分比的组份组成:尼龙46~89.5%;玻璃纤维10~50%;高耐热助剂母粒:0.5~2%,色母:0~1%;润滑剂0~1%。本发明的有益效果为:根据尼龙材料在高温下的老化机理自制了一种高耐热助剂母粒,高耐热助剂母粒的各组份可以实现对自由基捕捉、尼龙材料表面成碳和热传导的作用,不仅可以实现玻纤增强PA6、PA66、PA6T切片等复配体系满足在高温条件下长周期热氧老化力学性能保持率50%以上,同时高耐热助剂母粒用于玻纤增强回收尼龙材料均可满足在高温条件下长周期热氧老化力学性能保持率50%以上。

标签:
复合材料
上海 - 上海 来源:中冶有色网 2023-03-18
多级孔结构碳基磁性复合材料及其制备方法和应用

本发明公开了一种多级孔结构碳基磁性复合材料及其制备方法和应用,由大孔级别的生物质碳片基底和负载磁性纳米颗粒的介孔级别的金属有机框架衍生纳米碳片阵列组成,其中生物质碳片为表面褶皱且分布有孔径为2–60μm开孔的薄壁片状结构,金属有机框架衍生纳米碳片呈叶状形态,表面均匀分布有粒径为20–100nm的磁性纳米颗粒。本发明以木蝴蝶为基体,通过水热法和高温热解法结合在其表面原位生长具有二维叶状结构的钴锌金属有机框架纳米阵列,得到集介孔碳、大孔碳片、磁性纳米颗粒一体的多维度、多组分微纳米结构,作为吸波材料可实现在薄厚度和低填充比下对电磁波的宽频高强度吸收,应用前景好。

标签:
复合材料
上海 - 上海 来源:中冶有色网 2023-03-18
用于长尺寸核燃料碳化硅陶瓷包壳管中间复合材料层缠绕的缠绕方法

本发明涉及一种用于长尺寸核燃料碳化硅陶瓷包壳管中间复合材料层缠绕的缠绕方法,在缠绕工作前,先对缠绕芯模施加了一个向其一端张拉的轴向预应力。与现有技术相比,本发明可以解决长尺寸核燃料包壳管缠绕时的细长芯模弯曲断裂和缠绕纱线移位问题。

标签:
复合材料
上海 - 上海 来源:中冶有色网 2023-03-18
制备泡沫镍复合材料的装置

本发明提供了一种制备泡沫镍复合材料的装置,具有这样的特征,有固定泡沫镍基座,与聚四氟乙烯内衬相适配,包括固定泡沫镍卡槽、基座主体以及稳定体连接卡槽,固定泡沫镍卡槽设置成多个并且设置在基座主体上,多个固定泡沫镍卡槽以基座主体为中心,由内至外以复数圈方式设置,每个圈上设置若干个固定泡沫镍卡槽,固定泡沫镍卡槽用于插入泡沫镍,稳定体连接卡槽设置在基座主体的中心并且贯穿基座主体;以及基座稳定体,与稳定体连接卡槽卡接。

标签:
复合材料
上海 - 上海 来源:中冶有色网 2023-03-18
碳纤维复合材料控制臂本体及控制臂

本发明提供了一种碳纤维复合材料控制臂本体及控制臂,包括腹板和侧翼板,其中,腹板包括若干沿其厚度方向层叠的第一碳纤维层,侧翼板包括若干沿其厚度方向层叠的第二碳纤维层,所述侧翼板分布在腹板外围,使所述腹板和所述侧翼板共同形成截面呈工字型的控制臂本体。本发明的碳纤维控制臂本体和控制臂在腹板外围设置侧翼板,能够提高控制臂本体的刚度和强度。

标签:
复合材料
上海 - 上海 来源:中冶有色网 2023-03-18
化学交联聚乙烯泡棉为基材的复合材料

本发明涉及一种化学交联聚乙烯泡棉为基材的复合材料,其原料组成为:低密度聚乙烯树脂、交联剂、助交联剂、发泡剂和纳米二氧化硅,其中,低密度聚乙烯树脂以乙烯为原料,送入反应器,在引发剂的作用下以高压压缩进行聚合反应,从反应器出来的物料,经分离器除去未反应的乙烯之后,熔融保存。本发明XPE发泡材料及其制备方法在低密度聚乙烯树脂中加入了短玻璃纤维,在受到弯曲、拉伸、压缩等载荷作用时,树脂在短玻璃纤维之间传递应力,使短玻璃纤维与树脂共同承载,提高了泡沫塑料的强度;复合加入纳米二氧化硅,利用高速搅拌器搅拌混合,扩大泡沫塑料的物理性能范围,提高泡沫的挠曲模量、拉伸强度、压缩载荷和刚度。

标签:
复合材料
上海 - 上海 来源:中冶有色网 2023-03-18
碳纤维增强复合材料/钛合金叠层钻削刀具寿命测定方法

一种碳纤维增强复合材料/钛合金叠层钻削刀具寿命测定方法,通过分析研究钛合金导热率低,钻削钛合金时高温会使钛合金发生氧化,在高温、高压的绝热环境中刀具会发生粘结磨损的现象,而钻削CFRP时碳纤维颗粒会与刀具刃口与后刀面发生刮擦、挤压,碳纤维和碳纤维粉末的硬度较大,刀具发生的是磨粒磨损。根据CFRP/Ti叠层钻削中刀具磨损具有机械磨损与氧化磨损并存的复合特性,在建立刀具磨损模型过程中引入综合影响函数g表示钻削CFRP和Ti刀具磨损相会影响的综合结果,通过试验验证了综合影响函数g是刀具磨损量的函数。

标签:
复合材料
上海 - 上海 来源:中冶有色网 2023-03-18
聚合物载体负载型催化剂复合材料、其应用及制备方法

本发明公开了一种聚合物载体负载型催化剂复合材料、其应用及制备方法,采用浸渍‑熔融法将粉末催化剂负载固定在废弃的或产品聚合物材料上,制成有型、易循环的负载型催化剂,消除粉末催化剂直接使用所存在的各种弊端。本发明催化剂材料质量高,催化能力有保障,制备工艺简单,易于控制,成本低廉,能实现废弃塑料的回用,利用废弃塑料和常规化学原料制备废水或废气处理的催化材料,环境友好,用废治废,实现材料资源利用的最大化。本发明方法制备得到的负载型催化剂比表面积大,堆积密度低,机械强度高,孔隙率高,流体通量大,负载量大,化学稳定性好,生产成本低,可应用于芬顿反应,类芬顿反应,SCR催化还原和催化燃烧领域。

标签:
复合材料
上海 - 上海 来源:中冶有色网 2023-03-18
复合材料热隔膜预成型的预浸料定位方法

本发明提供一种复合材料热隔膜预成型的预浸料定位方法,包括步骤:设计靶标孔;预成型工装定位;测距;轮廓展开及坐标变换:利用软件将要加工的零件轮廓以其腹板面为基准展开,然后将展开的图形按坐标关系转移到材料平台上;激光投影:利用激光投影技术,以预成型工装上的靶标孔建立坐标系,并将展开及位置转移后的材料轮廓投影出来;以及材料定位:将预浸料层压板布置于隔膜上并按激光投影的材料轮廓在材料平台上进行定位。

标签:
复合材料
上海 - 上海 来源:中冶有色网 2023-03-18
碳纳米管增强碳纤维热塑性树脂基复合材料的制备方法

本发明提供了一种碳纳米管增强碳纤维热塑性树脂基复合材料的制备方法,包括配置碳纳米管电泳悬浮液;于碳纤维表面生长碳纳米管;将制备好的所述碳纳米管电泳悬浮液置于电解槽中,使用不锈钢板作为阳极,剪裁好的碳纤维布作为阴极,进行碳纤维表面的碳纳米管电泳沉积;将电泳沉积后所得到的碳纤维布置于烘箱内干燥80‑120min;将热塑性树脂与干燥后的碳纤维布加热置于模具内热压成型。本发明在碳纤维表面生长碳纳米管,有效实现了碳纳米管的均匀分散,通过碳纳米管的引入显著增加了纤维与树脂的相互作用面积,提高了纤维与树脂的界面结合强度。

标签:
复合材料
上海 - 上海 来源:中冶有色网 2023-03-18
基于蒙特卡洛模拟碳/碳复合材料织构的方法

本发明公开了基于蒙特卡洛模拟碳/碳复合材料织构的方法,包括:热解碳基体沉积化学动力学建模;热解碳沉积过程的Monte?Carlo建模;编写模拟热解碳沉积过程的C++程序;把程序设定为20000?MCS,1MCS=50*50次循环。对模拟结果进行作图。本发明成功利用了蒙特卡洛模拟随机性的特点,对CVI过程中热解碳在基体表面的沉积过程进行模拟,真实的反应了CVI工艺参数对于整个反应过程的影响,对工业生产有较好的技术指导意义。

标签:
复合材料
上海 - 上海 来源:中冶有色网 2023-03-18
上一页 507 508 509 510 511 ... 729 下一页
共729页    到第

中冶有色为您提供最新的上海有色金属材料制备及加工技术理论与应用信息,涵盖发明专利、权利要求、说明书、技术领域、背景技术、实用新型内容及具体实施方式等有色技术内容。打造最具专业性的有色金属技术理论与应用平台!

全国热门有色金属设备推荐
展开更多 +
全国热门有色金属技术推荐
展开更多 +

 

江西省隆恩特环保设备有限公司
宣传

报名参会
更多+

报告下载

有色专家
更多+

江西理工大学
副校长
赣州有色冶金研究所有限公司
副主任/高级工程师
辽宁忠旺集团
教授级高工
中南大学
院长/教授
武汉科技大学
院长 / 教授
赤泥综合利用研究报告2025
推广

热门技术
更多+

推荐企业
更多+

福建省金龙稀土股份有限公司
宣传

发布

在线客服

公众号

电话

顶部
咨询电话:
010-88793500-807