青岛垚鑫智能科技有限公司
宣传

位置:中冶有色 >

有色技术频道 >

分类:
全部
矿山技术
冶金技术
材料制备及加工技术
环境保护技术
分析检测技术
 
全部
废水处理技术
大气治理技术
固/危废处置技术
土壤修复技术
地区:
全部
北京
天津
上海
重庆
河北
山西
辽宁
吉林
黑龙江
江苏
浙江
安徽
福建
江西
山东
河南
湖北
湖南
广东
海南
四川
贵州
云南
陕西
甘肃
青海
内蒙
广西
西藏
宁夏
新疆
其他
其他
展开
 
全部

有色金属环境保护技术理论与应用

免费发布技术信息>>
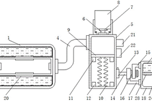
带钢废水的零排放式再处理装置

本实用新型公开了一种带钢废水的零排放式再处理装置,包括筒体和加药箱,所述筒体的顶部与加药箱的底部固定连接,所述筒体的底部固定连接有矩形框,且矩形框内壁的底部固定连接有电机,所述电机输出轴的一端通过联轴器固定连接有转动杆,所述转动杆远离电机输出轴的一端贯穿筒体并延伸至筒体的内部,本实用新型涉及废水处理技术领域。该带钢废水的零排放式再处理装置,通过筒体的底部固定连接有矩形框,在向钢废水中进行加药时,使得药物与水体可以均匀混合在一起,药物发挥更加充分,使用效果更佳,通过筒体右侧的底部连通有出水管,多道工序对钢废水进行处理,提高了其排放标准,实现零排放的目标,保护环境。

标签:
废水处理
浙江 - 杭州 来源:中冶有色网 2023-03-19
A2O2系统废水数据测量装置

本实用新型公开了一种A2O2系统废水数据测量装置,涉及废水检测技术领域。本实用新型包括固定台和检测机构,固定台一表面开有槽孔;槽孔内表面固定有电机;电机转轴的一端固定有搅拌叶;固定台两侧面均固定有固定架;固定架内表面卡接有进液斗;固定台一表面固定有气缸;检测机构包括升降板;升降板一表面固定有控制箱;控制箱内表面固定有处理器;控制箱一表面设有重金属离子传感器、溶解氧传感器、余氯传感器和pH传感器。本实用新型通过气缸伸缩带动控制箱下移,使重金属离子传感器、溶解氧传感器、余氯传感器和pH传感器对废水进行检测,可同时对废水中的重金属离子、溶解氧、酸碱度和余氯进行检测,提高了废水检测的效率。

标签:
废水处理
广东 - 佛山 来源:中冶有色网 2023-03-19
可控性好的废水处理装置

本实用新型公开了一种可控性好的废水处理装置,包括底座,底座的上表面四个角设有四个相互对称分布的第一固定螺栓,底座的上表面右侧前端设有粗滤箱,底座的上表面右侧前端中部设有抽水泵安装座,抽水泵安装座的上方设有抽水泵,本可控性好的废水处理装置,通过多级过滤设备,可以对废水进行有效过滤,废水处理效果佳,而且操作简单,设有脱水机,能够把过滤出来的污泥脱水成泥块方便运出,还设有消毒箱,能够对过滤好的水进行消毒,有利于水的循环再利用,减少了水资源的浪费,节约能源,控制开关与抽水泵、转动电机、臭氧发生器和污泥泵电连接,使得人们可以有效的控制废水处理的进程。

标签:
废水处理
浙江 - 杭州 来源:中冶有色网 2023-03-19
废水净化罐
废水净化罐 1200     
 0

本实用新型公开了一种废水净化罐,该净化罐包括:反应室、第一净化室、第二净化室及导液管道;反应室的两端呈轴对称分布,且该反应室自两端至对称轴方向,其容纳空间逐渐增大,在对称轴位置上设置有涡轮,靠近涡轮的室壁上设置有多个试剂喷头,且试剂喷头上均设置有流量控制阀;第一净化室与第二净化室通过导液管道连接在一起,且第一净化室与第二净化室分别设置有第一吸附剂和第二吸附剂。本实用新型的废水净化罐能够准确控制水净化试剂的使用量,降低了废水处理成本,节省了大量的人力和物力,而且对水的净化处理效果更理想,且废水处理效果能够保持稳定,与自然反应相比,使废水处理效率提高了三倍以上。

标签:
废水处理
北京 - 北京 来源:中冶有色网 2023-03-19
空冷机组乏汽余热处理废水节能系统

本实用新型公开了一种空冷机组乏汽余热处理废水节能系统,包括废水输入管道、凝汽器、空冷岛、结晶出料管道、低压缸及蒸发结晶器;废水输入管道与凝汽器的冷却水入口相连通,凝汽器的蒸汽入口与低压缸的排汽出口和空冷岛的乏汽入口相连通,凝汽器的冷却水出口与蒸发结晶器的入口相连通,蒸发结晶器的浓缩废水出口与凝汽器的冷却水入口相连通,蒸发结晶器的结晶出料口与结晶出料管道相连通,该系统能够实现高盐废水的脱盐回用及蒸发结晶固化处理,并且成本较低。

标签:
废水处理
陕西 - 西安 来源:中冶有色网 2023-03-19
含铬废水电化学处理装置

本实用新型公开了一种含铬废水电化学处理装置,其中,包括反应壳体,所述反应壳体内设置有通过盐桥分隔且极性相反的第一极性腔和第二极性腔,位于该第一极性腔下游且与该第一极性腔相连通的沉淀腔,位于所述沉淀腔下游且通过滤网相连通的尾水排出腔,并且所述反应壳体具有和所述第一极性腔相连通的废水进口,以及和所述尾水排出腔相连通的净水出口,从所述废水进口流入的含铬废水分别在所述第一极性腔和所述第二极性腔进行电化学反应后在所述沉淀腔内混合以形成含铬沉淀,随后通过所述尾水排出腔的所述净水出口流出。这样,在去除废水中铬离子时,通过将第一极性腔、第二极性腔、沉淀腔和尾水排出腔集成在一个反应壳体中,能够节省场地,占用空间少。

标签:
废水处理
北京 - 北京 来源:中冶有色网 2023-03-19
高浓度含磷酿酒废水的处理反应系统

本实用新型公开了一种高浓度含磷酿酒废水的处理反应系统,主要由含磷酿酒废水池、生物厌氧反应池、生物兼氧反应池、生物接触氧反应池、外排管依次连接组成,其特征在于所述的含磷酿酒废水池与生物厌氧反应池之间设有电石渣智能除磷反应器,生物接触氧反应池与外排管之间设有沉淀除磷池,电石渣智能除磷反应器、生物厌氧反应池、沉淀除磷池底部分别设有输送装置与含磷污泥干化装置连接,利用本实用新型对除酿酒废水中磷进行预处理后,解决了目前高浓度含磷酿酒废水磷处理不易达标的问题,将废弃污染物综合利用,实现以污治污,使电石渣污染和总磷污染同步削减,可达到即节能又减排的效果。

标签:
废水处理
贵州 - 遵义 来源:中冶有色网 2023-03-19
一体化废水物化处理装置

本实用新型公开了一种废水物化处理装置,包括废水进水槽、混凝反应PH调节槽、混凝反应槽、斜板沉淀槽、出水PH调节槽,所述各槽通过隔板隔开,所述废水进水槽与混凝反应PH调节槽之间、混凝反应PH调节槽与混凝反应槽之间、混凝反应槽与斜板沉淀槽之间、斜板沉淀槽与出水PH调节槽之间设有连通管。该装置将废水处理工序中需要的装置集为一体,结构紧凑,占地面积小,节省了制造成本,降低了废水流动过程中的能耗。

标签:
废水处理
上海 - 上海 来源:中冶有色网 2023-03-19
纺织废水中的PVA的回收装置

本实用新型涉及一种纺织废水中的PVA的回收装置,其包括:用于收集纺织废水的污水储备箱、通过水泵与污水储备箱相连的主回收池、用于向主回收池中输入压缩空气的空气发生器、用于向主回收池中输入热蒸汽的蒸汽加热设备、用于向主回收池中输入凝固剂的凝固剂添加管、设于主回收池中的排水出口前端的滤网。工作时,含有PVA的废水在主回收池中遇到凝固剂而开始凝固,同时通入压缩空气和热蒸汽可以确保PVA具有较高的凝固率,确保废水处理效果。在主回收池中的排水出口前端设置一滤网,适于将凝固的PVA沉淀于主回收池中,以方便打捞回收。本实用新型的纺织废水中的PVA的回收装置具有结构简单、成本低廉且回收效果较理想的特点。

标签:
废水处理
江苏 - 镇江 来源:中冶有色网 2023-03-19
循环式废水光催化处理装置

本实用新型提供一种循环式废水光催化处理装置,属于废水处理技术领域,解决的问题是污水与催化剂的反应不够充分使处理效果低,该循环式废水光催化处理装置包括壳体,所述壳体内侧壁的中部固定连接有限位环,所述限位环上表面的中部开设有卡槽。该循环式废水光催化处理装置,通过紫外线灯、过滤板、搅拌杆和循环水管的设置,紫外线灯充分为光催化作用提供光照,加快光催化作用的效率,过滤板对废水进行第一次过滤,搅拌杆能够使得污水与光催化剂的接触反应面积增加,以便于提高净化速率,循环水管使经过一次光催化处理的废水重新进入到壳体进行循环处理,能够彻底的对有机废水进行光催化处理,提高处理有机废水的效率。

标签:
废水处理
四川 - 乐山 来源:中冶有色网 2023-03-19
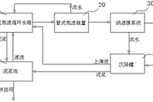
处理燃煤电厂脱硫废水的纳滤膜深度净化系统

本实用新型提供一种处理燃煤电厂脱硫废水的纳滤膜深度净化系统,采用管式微滤膜组件与卷式纳滤膜组件结合的深度净化方式;废水经过预处理后,进入管式微滤膜系统,管式微滤膜系统产水作为纳滤膜系统的来水;经过纳滤膜系统深度净化的废水达到了脱硫工艺水回用的水质要求;并且,泥浆池内的泥浆、结晶产物和清洗废液,经脱水装置脱水后,泥饼作为固废处置,滤液混入管式微滤装置来水,进行循环处理,由此脱硫废水全部回用,实现燃煤电厂脱硫废水零排放。本实用新型提供的处理燃煤电厂脱硫废水的纳滤膜深度净化系统,实现了燃煤电厂脱硫废水零排放,节水效益显著;整个净化系统占地面积小,相较于其它脱硫废水处理系统,其运行和维护成本更低。

标签:
废水处理
北京 - 北京 来源:中冶有色网 2023-03-19
光伏行业含氮废水零排放专用系统

一种光伏行业含氮废水零排放专用系统,首先对收集到的含氮废水进行预处理,即对含氮废水均匀水质水量,使含氮废水水质均匀,对其进行酸碱度调节,PH值在6~8之间,同时过滤去除掉其中的SS、大分子有机物和部分胶体;接着对经过酸碱度调节和过滤的含氮废水进行膜分离处理,得到产水和浓水;然后将经过膜分离得到的产水回用,浓水蒸发。本实用新型将光伏行业含氮废水处理后的产水高倍回用、浓水三效蒸发处理。降低运行费用,使含氮废水零排放,同时使光伏行业废水循环使用,节约用水保护环境,整套设备造价便宜,利于推广。

标签:
废水处理
上海 - 上海 来源:中冶有色网 2023-03-19
具有过滤机构的节能用废水处理机构

本实用新型涉及废水处理技术领域,具体为一种具有过滤机构的节能用废水处理机构,包括处理装置主体,所述处理装置主体的两侧安装有入水口,所述处理装置主体的顶端设置有清理机构,所述清理机构包括电机,所述处理装置主体的顶端表面安装有电机,且电机的输出端连接有第一转轴,所述第一转轴的表面套接有搅拌叶,所述第一转轴的底端表面套设有隔板,且支撑杆的底端表面固定连接有支撑杆。本实用新型设置有搅拌叶与隔板,通过将废水倒入处理装置主体的内部,可以使隔板将废水中的垃圾杂质进行过滤,同时通过第一转轴带动多组搅拌叶的转动,可以将废水进行搅拌,加速废水的过滤,提高废水的过滤效率。

标签:
废水处理
广东 - 广州 来源:中冶有色网 2023-03-19
用于化学工程废水处理的装置

本实用新型属于废水处理装置技术领域,尤其为一种用于化学工程废水处理的装置,包括支撑台、壳体、注液管和第一阀门,所述壳体固定连接在支撑台上表面,所述注液管固定连接在壳体上表面,所述第一阀门固定连接在注液管表面,所述壳体内部设置有过滤箱,所述过滤箱侧面固定连接有滑块,所述壳体内壁开设有滑槽,所述滑块滑动连接在滑槽中;本实用新型,通过设置过滤箱和活性炭滤板,当人们需要对废水中的杂质进行过滤时,人们只需要将第一阀门打开,从而得以将废水注入该装置中,在过滤箱的配合下,从而方便了人们对废水中较大的杂质过滤出来,同时在活性炭滤板的作用下,从而得以将废水进一步的过滤,方便了人们对废水中的杂质进行过滤。

标签:
废水处理
河北 - 石家庄 来源:中冶有色网 2023-03-19
应用于差别化纤维的废水初步余热回收装置

本实用新型涉及余热回收装置技术领域,且公开了一种应用于差别化纤维的废水初步余热回收装置,包括第一余热回收箱和第二余热回收箱,所述第一余热回收箱的内部固定安装有废水管,所述第一余热回收箱的左侧固定套接有导入管。该应用于差别化纤维的废水初步余热回收装置,通过设置第一换热器和第二换热器,第一换热器的作用是对废水中的热量进行一次回收利用,并且用来加热第一保温层内部的水源,从而供人使用,而第二换热器的作用是对处理之后废水中的热量进行二次回收利用,从而用来加热第二保温层内部的水源,通过对废水中的热量进行两次回收利用,从而提高了废水的余热回收效率,因此增加了该装置的实用性。

标签:
废水处理
浙江 - 杭州 来源:中冶有色网 2023-03-19
用于含油废水加热破乳设备

本实用新型公开了一种用于含油废水加热破乳设备,包括固定座,所述固定座的顶部设有破乳设备本体,所述破乳设备本体上设有废水桶,所述固定座的顶部固定安装有第一支撑板,且第一支撑板位于破乳设备本体的一侧,所述第一支撑板的上方设有第二支撑板,所述第一支撑板的顶部固定安装有驱动电机,所述驱动电机的输出轴上焊接有驱动轴。本实用新型结构简单,通过驱动电机和步进电机相配合,在破乳设备本体对废水桶内的含油废水用蒸汽加热进行物理破乳时,可以利用吸油纸将含油废水中位于上层的油进行彻底的吸附,进而使得含油废水中的油和水彻底的分离,使得破乳设备本体处理后的含油废水可以达到排放标准。

标签:
废水处理
山东 - 济南 来源:中冶有色网 2023-03-19
高效组合式废水处理装置

本实用新型属于废水处理设备技术领域且公开了一种高效组合式废水处理装置,包括废水处理装置本体,所述废水处理装置本体包括第一处理室、第二处理室和第三处理室,所述第一处理室与第二处理室之间通过导水管固定连接,所述第二处理室与第三处理室之间通过导水管连接,所述导水管上设有导水阀门,所述第一处理室上设有进水口,所述第三处理室一侧设有出水口,所述出水口上设有出水口阀门,所述第二处理室上设有翻板,所述翻板上设有把手。该种高效组合式废水处理装置,通过第一处理室、第二处理室和第三处理室,可以更好的将废水进行处理,大大的提高了废水处理效果,而且通过第二处理室上的翻板,便于清理第二处理室,结构简单,易于实现。

标签:
废水处理
福建 - 三明 来源:中冶有色网 2023-03-19
应用于竹制品废水的三重处理装置

本实用新型公开了一种应用于竹制品废水的三重处理装置,属于竹制品废水处理领域。现有技术的废水处理方法对竹制品废水进行处理时,出水水质差,效率低。一种应用于竹制品废水的三重处理装置,包括预处理装置、厌氧生物处理装置、生化处理装置,预处理装置包括用于氧化和混凝废水有机物的芬顿氧化装置;厌氧生物处理装置包括用于降解水体中的有机物的上流式厌氧污泥床反应器;生化处理装置包括用于去除竹制品蒸煮废水的COD与氨氮的两级A/O系统,所述竹制品废水通过管道或者沟渠依次流过芬顿氧化装置、上流式厌氧污泥床反应器、两级A/O系统。本实用新型采用三重处理装置,解决竹制品废水处理问题,结构合理,处理效果好。

标签:
废水处理
浙江 - 杭州 来源:中冶有色网 2023-03-19
化学制药废水处理装置
化学制药废水处理装置 1160     
 0

本实用新型公开了一种化学制药废水处理装置,包括机体和凹槽,所述凹槽开设于所述机体的顶部,过滤装置,本实用新型涉及废水处理技术领域。该一种化学制药废水处理装置,通过转动装置带动过滤层运动,使过滤层上的杂质运动后,掉落至回收袋上,提高过滤层的使用效果,利用防护装置,对运动的环形杆进行防护,避免机体内部的污染气体散播到空气中中,对空气产生污染,利用限料装置对进料斗的添加剂进行控制,使添加剂可以均匀的进入机体的内部,并充分的与废水进行混凝,利用动能装置,使装置在过滤的同时,可以实现对过滤后的废水融合,该装置结构简单,操作方便,处理效率高,对空气污染小,具有节约成本的优点。

标签:
废水处理
青海 - 西宁 来源:中冶有色网 2023-03-19
模块化洗漱、洗浴废水及雨水回收处理系统

一种模块化洗漱、洗浴废水及雨水回收处理系统,包括有初级处理系统以及深度净化系统,初级处理系统通过沉淀池、处理池、过滤池对洗漱废水进行沉淀处理、化学药剂处理以及二次沉淀处理,深度净化系统与过渡池连接,能够将过渡池中的水体通过初级过滤器进行初级过滤、通过超滤器进行超滤过滤,从而使得水体得到深度净化。净水池中的水体通过泵送方式输送至用水蓄水池,然后可以分配至各个用水点被二次利用。初级处理系统以及深度净化系统均采用模块化,这样便于现场安装。本实用新型系统构成合理,适用于洗漱废水的净化处理,可以在安装点就地对洗漱废水进行处理,本实用新型的使用解决了传统废水处理系统所存在运行费用高、水处理工艺复杂等问题。

标签:
废水处理
陕西 - 西安 来源:中冶有色网 2023-03-19
处理畜禽养殖废水的悬浮物预处理装置

本实用新型为一种处理畜禽养殖废水的悬浮物预处理装置,可用于拦截畜禽养殖废水中固体悬浮物,阻止其随水流进入污水后续处理系统,且选用的拦截材料对废水中磷素具有明显吸附去除作用,在污水集成处理工艺中可作为预处理装置进行使用。装置包括倒梯形构筑物、水泥和红砖混合斜板、进出水堰、排水管、可伸缩铁板和可移动悬浮物回收槽。该装置结构简单,能源消耗少,可在降低畜禽养殖废水中固体悬浮污染物对后续废水处理工艺作用影响的同时,实现废弃物资源的简易化回收利用。

标签:
废水处理
福建 - 厦门 来源:中冶有色网 2023-03-19
高温废水热回收处理装置

本实用新型公开了一种高温废水热回收处理装置,包括换热管、外壳和固定板,所述外壳的下表面焊接有支撑柱,且外壳的上端内壁焊接有固定板,固定板的下表面固定有喷头,外壳的上表面焊接有净水进口,外壳的下表面焊接有净水出口,所述换热管通过固定块固定在外壳的内壁,且换热管的一端贯穿外壳固定有进水头,进水头上固定有废水进口和进水口,换热管的另一端固定有出水头,出水头的下表面固定有废水管,废水管贯穿于外壳,废水管与外壳相互接触的位置处固定有密封环,出水头背离换热管的端面焊接有出水管,废水进口与废水管相互连通,且进水口与出水管之间相互连通。本实用新型,可对废水中的热量进行二次利用,降低生产成本,保护环境。

标签:
废水处理
广东 - 佛山 来源:中冶有色网 2023-03-19
废水减量装置
废水减量装置 743     
 0

本实用新型公开了一种废水减量装置,包含一处理塔、一冷凝器、一入气室、数个移转室及一出气室,其中,该处理塔设有一处理槽、一入流管、一放流管及一排气管,该处理槽为用于容纳废水的容器,该入流管输送废水进入该处理槽,该放流管输送含有固体形态物质的废水离开该处理槽,该排气管回收废水蒸发形成的水蒸汽,该冷凝器用于使水蒸汽降温凝结为可供回收再利用的液态水;通过本方案,利用锅炉的高热烟道气作为热能来源,使废水升温成为水蒸汽并凝结成为可再利用的回收水,并使废水减量后排放,既可提高烟道气废热及水资源的再利用率,又可降低废水处理的相关费用。

标签:
废水处理
其他 - 其他 来源:中冶有色网 2023-03-19
酸性冷轧废水的零排放处理系统

一种酸性冷轧废水的零排放处理系统,调节水池对接收的预处理后的冷轧酸性废水进行均质均量;过滤单元对接收的调节水池均质均量后的冷轧酸性废水进行悬浮物过滤;耐酸NF膜组件对接收的过滤单元过滤后的冷轧酸性废水进行分盐处理;NF产水箱接收耐酸NF膜组件的产水口输送的含氢离子和氯离子的盐酸溶液,金属氯化物溶药箱用于进行金属氯化盐溶液配置;引发反应器对接收的NF产水箱输送的盐酸溶液和接收的金属氯化物溶药箱输送的金属氯化盐溶液引发同离子效应;真空脱气机对接收的引发反应器输送的料液进行脱气释放,氯化氢吸收塔对接收的真空脱气机输送的氯化氢气体进行吸收。本实用新型可将冷轧酸性废水处理后达标排放,实现资源化利用。

标签:
废水处理
山东 - 烟台 来源:中冶有色网 2023-03-19
含盐废水和含CO2废气的处理系统

本实用新型提供一种含盐废水和含CO2废气的处理系统,用于对所述含盐废水和含CO2废气进行处理,包括多级吸收单元和多级结晶单元从而可以实现对含盐废水和含CO2废气的同时处理。本实用新型提供的系统能够将高浓盐水处理,对废水中的硫酸盐、氯化物、硝酸盐针对性地进行回收,不会产生无法利用的混盐,得到高质量的附加产品,实现了含盐废水的资源化处理,没有二次污染。同时可以与CO2减排有机结合起来,从废气中吸收CO2,减少了CO2的排放,生产了应用广泛的碳酸氢钠,具有显著的环境效益和经济效益。

标签:
废水处理
北京 - 北京 来源:中冶有色网 2023-03-19
高温废水处理系统
高温废水处理系统 921     
 0

本实用新型公开了一种高温废水处理系统,涉及废水处理技术领域,包括箱体,所述箱体的内部开设有第一空腔和第二空腔,所述箱体的下端位于过滤组件的外侧固定连接有支撑腿,所述过滤组件和箱体之间固定连接有输送管,所述输送管的外侧设置有控制阀,所述箱体的上端固定连接有进液管、进水管和投放料斗。本实用新型提供有搅拌机构和过滤组件,将水通过进水管注入到第一空腔中,通过第一空腔中的水对高温废水进行冷却,吸收高温废水中的热量,实现热量的回收利用,同时废水经过冷却后,再通过投放料斗投放絮凝剂,此时通过搅拌机构开始进行旋转搅拌,凝絮剂将废水中的杂质微粒凝聚成絮状物,实现对废水的处理,大大提高了实用性。

标签:
废水处理
上海 - 上海 来源:中冶有色网 2023-03-19
含磷废水处置系统
含磷废水处置系统 1192     
 0

本实用新型公开了一种含磷废水处置系统,用于实现一种含磷废水综合利用方法,该系统主要包括依工艺流程顺序的氧化池、絮凝池、斜管沉降池、PH调节池、反应池、沉淀池、浓缩装置、电解装置,所述浓缩装置后序为电解装置,其中浓缩装置包括湿塔、干塔、废水预热器、空气预热器、冷凝水冷却器、空气循环风机、浓盐水循环泵、冷凝水循环泵组成,通过废水氧化、沉淀、浓缩、电解、回收利用若干装置的处理完成废水的综合利用,达到废水零排放,特别是针对电石法PVC生产工艺中乙炔气清净生产工艺中含磷废水的零排放治理。

标签:
废水处理
新疆 - 自治区行政单位 来源:中冶有色网 2023-03-19
碳酸钙废水处理系统
碳酸钙废水处理系统 950     
 0

本实用新型涉及碳酸钙废水处理系统,包括相互连接的原料供应装置、废水搅拌池和净化水排出装置、原料分解装置、储气罐和固体存储仓、溶解池、气液溶合塔、澄清沉淀池以及再处理装置和回收装置。本实用新型系统设置优化,以碳酸钙为原料,使碳酸钙经高温分解后的氧化钙与废水溶合,再经与二氧化碳的化合、吸附凝聚、分离和澄清进行废水处理;有效地解决了现有技术运用氧化钙进行污水处理存在的问题,且原料易得,无二次污染产生,处理废水的种类不受限,能够高效达到污水综合排放标准,降低了污水处理的总成本,充分实现了应用碳酸钙进行废水处理的节能、环保、高效目标,适于在废水净化处理领域中推广应用。

标签:
废水处理
河南 - 济源 来源:中冶有色网 2023-03-19
纤维素醚生产废水的处理系统

本实用新型公开了一种纤维素醚生产废水的处理系统,所述纤维素醚生产废水的处理系统包括:废水收集池,用于贮存由纤维素醚生产线中产生的废水;预处理系统,用于对废水收集池排出的废水进行预处理;双极膜系统,用于对经预处理系统预处理后的废水进行脱盐处理且产生碱和酸;以及生化系统,用于对经双极膜系统脱盐处理后的废水进行生化处理;所述废水收集池、预处理系统、双极膜系统和生化系统通过管道顺次连接。本实用新型所提供的纤维素醚生产废水的处理系统采用双极膜系统对纤维素醚生产线中产生的废水中盐分和COD进行联合处理,且可以产生盐酸和氢氧化钠并回用至纤维素醚生产线,从而达到资源合理回用的目的。

标签:
废水处理
浙江 - 杭州 来源:中冶有色网 2023-03-19
胶粘剂生产中废水回收循环利用装置

本实用新型公开了一种胶粘剂生产中废水回收循环利用装置,包括用于安装装置整体的基座、用于进行废水处理的搅拌处理罐、用于进行废水沉淀的沉淀处理罐、用于进行油水分离处理的油水分离器、用于对废水进行搅拌混合的搅拌结构、用于对废水中的絮状物进行过滤的过滤结构、用于辅助废水中絮状物进行沉淀工作的辅助沉淀结构以及用于抽取沉淀后废水的活动抽水结构,所述搅拌处理罐、沉淀处理罐以及油水分离器均安装于基座的上端表面,且所述搅拌处理罐和油水分离器分别位于沉淀处理罐的两侧。本实用新型可以减少废水处理中废水沉淀所需要的时间,从而提高废水处理回收利用时整体的所需时间,提高废水处理回收利用的整体效率。

标签:
废水处理
江苏 - 常州 来源:中冶有色网 2023-03-19
上一页 4990 4991 4992 4993 4994 ... 5000 ... 5981 下一页
共5981页    到第

中冶有色为您提供最新的有色金属环境保护技术理论与应用信息,涵盖发明专利、权利要求、说明书、技术领域、背景技术、实用新型内容及具体实施方式等有色技术内容。打造最具专业性的有色金属技术理论与应用平台!

全国热门有色金属设备推荐
展开更多 +
全国热门有色金属技术推荐
展开更多 +

 

江西省隆恩特环保设备有限公司
宣传

报名参会
更多+

2025年10月15日 ~ 17日
2025年10月17日 ~ 19日
2025年10月31日 ~ 11月02日
2025年11月07日 ~ 09日

报告下载

有色专家
更多+

矿冶科技集团有限公司
中国工程院院士
南方科技大学
外籍院士
赣州有色冶金研究所有限公司
副主任/高级工程师
重庆大学
副院长/教授
矿冶科技集团有限公司
正高级工程师/副所长
赤泥综合利用研究报告2025
推广

热门技术
更多+

推荐企业
更多+

福建省金龙稀土股份有限公司
宣传

发布

在线客服

公众号

电话

顶部
咨询电话:
010-88793500-807