青岛垚鑫智能科技有限公司
宣传

位置:中冶有色 >

有色技术频道 >

分类:
全部
矿山技术
冶金技术
材料制备及加工技术
环境保护技术
分析检测技术
 
全部
功能材料技术
复合材料技术
新能源材料技术
合金材料技术
加工技术
地区:
全部
北京
天津
上海
重庆
河北
山西
辽宁
吉林
黑龙江
江苏
浙江
安徽
福建
江西
山东
河南
湖北
湖南
广东
海南
四川
贵州
云南
陕西
甘肃
青海
内蒙
广西
西藏
宁夏
新疆
其他
其他
展开
 
全部
广州
韶关
深圳
珠海
汕头
佛山
江门
湛江
茂名
肇庆
惠州
梅州
汕尾
河源
阳江
清远
东莞
中山
潮州
揭阳
云浮

广东深圳有色金属材料制备及加工技术理论与应用

免费发布技术信息>>
富锂磷酸盐系正极材料及其制备方法和应用

本申请公开了一种富锂磷酸盐系正极材料及其制备方法和应用。本申请富锂磷酸盐系正极材料包括富锂磷酸盐正极材料,富锂磷酸盐正极材料包括主相和用于补锂的富锂相,且主相和富锂相互相掺杂形成单一晶相;其中,主相为LiMaPO4。磷酸盐系正极材料具有高的首次库伦效率、能量密度和循环性能。富锂磷酸盐系正极材料的制备方法能够保证制备的富锂磷酸盐系正极材料结构和电化学性能稳定,而且效率高,节约生产成本。

标签:
加工技术
广东 - 深圳 来源:中冶有色网 2023-03-18
具有并联充电串联放电功能的锂离子电池组

本发明公开一种具有并联充电串联放电功能的锂离子电池组,包括至少两个锂离子电池、一个双通道继电器J1、二极管D1、三极管Q1、电阻R3、电阻R4、继电器电源VS和电平控制电路;两个锂离子电池分别记为第一锂离子电池B1和第二锂离子电池B2;电平控制电路输出低电平时,三极管Q1不导通,双通道继电器J1不工作,则第一锂离子电池B1和第二锂离子电池B2串联连接;电平控制电路输出高电平时,三极管Q1导通,双通道继电器J1工作,则第一锂离子电池B1和第二锂离子电池B2并联连接。

标签:
加工技术
广东 - 深圳 来源:中冶有色网 2023-03-18
锂电池电量检测装置
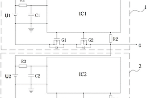
锂电池电量检测装置 978     
 0

本实用新型公开了一种锂电池电量检测装置,包括锂电池,所述锂电池左右两端分别设置有正极和负极,所述锂电池上端设置有检测机构,所述检测机构包括测量框体和第二检测接口。本实用新型通过在锂电池的正极和负极上端设置有检测机构,并在检测机构上分别设置有第一检测接口、第二检测接口和电量表,通过第一检测接口和第二检测接口分别与锂电池的正极和负极相互连接,可以观察电量表来检测锂电池的电量,因为在第一检测接口外侧壁设置有固定螺杆,并与测量框体螺旋连接,从而可以使第一检测接口与锂电池的正极接口牢牢固定住,使用安全性较高,有利于更为实用的使用锂电池电量检测装置,较为实用,适合广泛推广与使用。

标签:
加工技术
广东 - 深圳 来源:中冶有色网 2023-03-18
锂电池箱并联方法、装置及系统

本发明公开一种锂电池箱并联方法、装置及系统,用于解决锂电池箱并联时,短路电流过大,导致锂电池箱损坏的问题。本发明确定待接入UPS系统的锂电池箱的电芯电压与已接入UPS系统的锂电池箱的电芯电压差值在第一预设范围内,确定待接入UPS系统的锂电池箱的电芯电压与直流供电端口的端口电压的差值在第二预设范围内,导通待接入UPS系统的锂电池箱的锂电池与直流供电端口之间的通路,由于获取锂电池箱的电芯电压并进行做差比较,保证待接入UPS系统与已接入UPS系统的锂电池箱的电芯电压的一致性,对待接入UPS系统的锂电池箱的电芯电压与直流供电端口电压做差比较,从而避免出现过大的环路电流,降低锂电池箱被损坏的概率。

标签:
加工技术
广东 - 深圳 来源:中冶有色网 2023-03-18
电池隔膜及其制备方法和锂离子电池、通信设备

本发明提供一种电池隔膜及其制备方法和锂离子电池、通信设备。该电池隔膜包括聚烯烃隔膜,所述聚烯烃隔膜的聚烯烃分子上含有-SO3Li和-COOLi基团。该电池隔膜的制备方法包括如下步骤:聚烯烃隔膜的磺化处理的步骤;聚烯烃隔膜的复分解反应的步骤。该锂离子电池含有由该方法制备的电池隔膜。通信设备含有该锂离子电池。本发明电池隔膜具有优异的电解液亲和性,增强了其保液能力和离子电导率,该锂离子在聚烯烃隔膜中形成畅通的锂离子传递通道,使得本发明锂离子电池具有大电流充放电能力。其制备方法工艺简单,条件易控,生产效率高,降低了生产成本。

标签:
加工技术
广东 - 深圳 来源:中冶有色网 2023-03-18
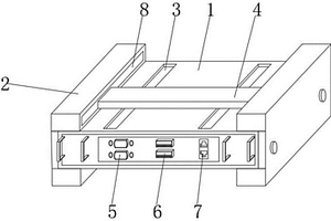
分体式防爆锂电池组
分体式防爆锂电池组 927     
 0

一种分体式防爆锂电池组,锂电池组包括多个锂电池,锂电池包括:内部壳体、外部壳体、锂电池单元、保护板以及灭火系统。外部壳体为一个密闭容纳腔,内部壳体和灭火系统均位于外部壳体的内部,锂电池单元位于内部壳体的内部。保护板用于监控和保护锂电池的工作状态。灭火系统包括冷水管、雾化阀门以及温度监测器。锂电池可单独使用,或多个锂电池串联和/或并联形成锂电池组。多个锂电池能够串联和/或并联以扩大锂电池组的容量,使得锂电池组的使用更加灵活,单个锂电池的损坏不会影响其他锂电池的使用,提高锂电池的利用率,不会导致电池的整体报废。通过整体结构的优化,使得电池或电池组具有防爆、防水、防尘,阻燃等优势。

标签:
加工技术
广东 - 深圳 来源:中冶有色网 2023-03-18
锂电池的充电控制方法、装置、可读存储介质及电子设备

本公开涉及一种锂电池的充电控制方法、装置、可读存储介质及电子设备。包括:分别获取锂电池在第一温度下的循环次数与剩余容量的第一关系、以及在第二温度下的循环次数与剩余容量的第二关系;根据第一关系和第二关系,在蓄电池的充电温度范围内确定锂电池在不同温度下的最优使用时长;以预设温度下的最优使用时长为基准时长,根据基准时长、不同温度下的最优使用时长以及预设周期,计算锂电池在预设周期内其平均温度下的有效使用时长;累计在每一预设周期内其平均温度下的有效使用时长,以得到锂电池的总有效使用时长;在总有效使用时长大于或等于所述基准时长时,降低锂电池的充电上限电压。如此,可延长锂电池使用寿命,发挥锂电池最优性能。

标签:
加工技术
广东 - 深圳 来源:中冶有色网 2023-03-18
富锂含镍三元复合材料及其制备方法和应用

本申请公开了一种富锂含镍三元复合材料及其制备方法和应用。本申请富锂含镍三元复合材料包括核体和包覆于核体的包覆层,核体的材料包括aLiNiOx·bLi2O,包覆层包括含锂的金属氧化物层,金属氧化物层所含的金属元素包括三元活性材料所含的金属元素,且金属元素中的金属元素不含镍;其中,所述aLiNiOx·bLi2O中的1≤a/b≤5,0.5≤x≤5.5。本申请富锂含镍三元复合材料在具有高的补锂效果的基础上,表面Ni2+含量较低和残锂少,活性高,赋予富锂含镍三元复合材料高的能量密度和循环性能。其制备方法能够保证制备的富锂含镍三元复合材料结构和电化学性能稳定,而且效率高,节约生产成本。

标签:
加工技术
广东 - 深圳 来源:中冶有色网 2023-03-18
磷酸铁锂电池正极废片的综合回收方法

本发明涉及一种磷酸铁锂电池正极废片的综合回收方法,包含如下步骤:将收集到的正极材料废片机械破碎成碎片;将碎片置于由真空气氛、惰性气体和/或还原性气体和/或氮气保护下的烧结炉中,在150-750℃的温度下进行热处理;将热处理后的碎片采用机械分离或超声波震荡方法,将铝箔基体从碎片中分离,得到磷酸铁锂正极材料、导电剂和粘结剂残余物的混合物;将磷酸铁锂正极材料、导电剂和粘结剂残余物的混合物,在80-150℃温度下烘烤8-24HRS;将烘烤后的混合物磨粉后分级,控制粉料的粒径不大于20ΜM,D50控制在3-10ΜM,即得磷酸铁锂正极回收料。该方法工艺简单、见效快,降低了厂商的材料消耗与生产成本。

标签:
加工技术
广东 - 深圳 来源:中冶有色网 2023-03-18
以钛白副产物硫酸亚铁制备磷酸铁锂的方法

本发明涉及锂电池原料制备技术领域,尤其涉及一种以钛白副产物硫酸亚铁制备磷酸铁锂的方法,包括以下步骤:向水中加硫酸调pH值为酸性,再将钛白副产物硫酸亚铁加入溶解,加铁粉搅拌反应;向上述溶液中加磷酸铁或磷酸铁锂废料粉末,加热搅拌,静置,冷却过滤,得到提纯的硫酸亚铁溶液;将磷酸和氢氧化锂溶液以并流方式加入高压釜中,再加入提纯的硫酸亚铁溶液,搅拌下加热,过滤、洗涤、干燥,得到磷酸铁锂粉末。本发明在提纯硫酸亚铁溶液过程中,以磷酸铁或磷酸铁锂废料粉末作沉淀剂,得到的硫酸亚铁溶液中含钛量在10ppm以下,且不引入除铁、磷、锂以外的杂质元素;将其作为铁源制备锂离子电池正极材料,电化学性能优异,实现了钛白副产物的有效利用。

标签:
加工技术
广东 - 深圳 来源:中冶有色网 2023-03-18
基于溶剂热法再生磷酸铁锂的方法

一种基于溶剂热法再生磷酸铁锂的方法,包括:预处理步骤,包括使用第一溶剂对拆解自电池电极的磷酸铁锂进行清洗、干燥、煅烧,获得待再生的磷酸铁锂;溶剂热反应步骤,包括将待再生的磷酸铁锂、可溶性锂源、还原剂、第二溶剂混合,获得分散液,待再生的磷酸铁锂与溶剂的固液比为1g:(20~80)mL,在140~280℃下进行溶剂热反应;干燥步骤,对溶剂热反应后的产物进行过滤、洗涤、干燥,制得再生后的磷酸铁锂。本发明摒弃了常规的水热或高温煅烧再生技术,采用溶剂热还原修复法重新合成磷酸铁锂材料,基于溶剂媒介下的热效应,促进了还原修复反应的发生,极大程度上减少了试剂的用量、成本的投入。

标签:
加工技术
广东 - 深圳 来源:中冶有色网 2023-03-18
锂离子电池正极材料的制备方法

本发明提供一种锂离子电池正极材料的制备方法,包括如下步骤:步骤一:将锂源加入至去离子水中,配置成锂源溶液;将钴源加入至去离子水中,配置成钴源溶液;步骤二:在搅拌的状态下将磷源加入至步骤一制得的锂源溶液中搅拌均匀,再加入步骤一制得的钴源溶液,搅拌均匀,制得磷酸钴锂混合液;步骤三:向步骤二制得的磷酸钴锂混合液中加入磷酸铁锂溶液,搅拌均匀,形成反应液;步骤四:将步骤三制得的反应液置于水热反应釜中,反应温度为160℃~220℃,反应时间为6h~12h,将反应产物进行清洗、抽滤、烘干,制得最终的正极材料磷酸钴锂粉体材料。

标签:
加工技术
广东 - 深圳 来源:中冶有色网 2023-03-18
多孔碳纳米带锂硫电池正极材料及其制备方法和应用

本发明公开了一种多孔碳纳米带锂硫电池正极材料及其制备方法和锂硫电池正极、锂硫电池。所述多孔碳纳米带锂硫电池正极材料制备方法包括的步骤有:制备碳纳米带前驱体;对碳纳米带前驱体进行炭化和活化处理;将硫单质沉积在所述氮氧共掺杂的多孔碳纳米带中。本发明制备方法制备的多孔碳纳米带锂硫电池正极材料具有较大比表面积,良好的润湿性和高单质硫的含量,并显著提高固硫性能,有效抑制多硫化物的“穿梭效应”等电化学性能。所述锂硫电池正极、锂硫电池含有本发明方法制备的锂硫电池正极材料。

标签:
加工技术
广东 - 深圳 来源:中冶有色网 2023-03-18
锂离子电池快速充电方法

本发明公开一种锂离子电池快速充电方法,主要步骤包括:S1、利用三级电池制备工艺制备出三电极电池S2、利用三电极电池获取锂离子电池充电时的析锂边界窗口;S3、根据所述析锂边界窗口设计一个快速阶梯充电策略;S4、利用上述快速阶梯充电策略对锂离子电池进行充电。利用三电极电池获取待充电电池析锂边界窗口,再针对此析锂边界窗口设计快速阶梯充电策略,该快速阶梯充电策略能让电池整个充电过程中充电曲线尽可能满足马斯三定律,即让充电电流尽量地靠近最佳充电曲线,控制电池的极化现象,从而使电池在充电时不发生析锂现象,缩短充电时间,提高安全性,延长电池寿命,有效保护电池。

标签:
加工技术
广东 - 深圳 来源:中冶有色网 2023-03-18
锂电池正极材料及其制备方法

本发明提供了一种锂电池正极材料及其制备方法,包括以下步骤:S1、将溶液A与碱溶液共沉淀反应5~25h;S2、往溶液A中匀速泵入溶液B,并在泵入溶液B的同时将整体与碱溶液继续进行共沉淀反应,终止后干燥得到前驱体;S3、将前驱体与锂盐混合,烧结后得到锂电池正极材料;溶液A中Ni、Co、Mn的摩尔比=(1-2x):x:x,0<x≤0.25;溶液B中Ni、Co、Mn的摩尔比=(1-2y):y:y,0.25≤y<0.5。本发明提供的锂电池正极材料同时具有高容量、高热稳定性、高循环性能、高电化学性能以及低成本的优点。

标签:
加工技术
广东 - 深圳 来源:中冶有色网 2023-03-18
锂离子电池负极片及其制备方法

本发明提供了一种锂离子电池负极片,该负极片包括集电体和涂覆在集电体上的负极活性材料层,所述负极活性材料包括组分A和组分B,所述组分A为单质硅,所述组分B为铜、钛、铝、铁、镍、锌和钴中的一种或几种,其中,所述负极活性材料层为多孔结构。本发明还提供了一种锂离子电池负极片的制备方法。本发明提供的锂离子电池负极片的负极活性材料层为多孔结构,从而使负极活性材料能够通过孔隙进行体积膨胀,有效的缓解了负极片上负极活性材料的脱落,提高了含有该负极片的锂离子电池的循环性能。

标签:
加工技术
广东 - 深圳 来源:中冶有色网 2023-03-18
方形锂离子电池组
方形锂离子电池组 1147     
 0

本发明公开了一种方形锂离子电池组,包括锂离子电池和电路保护板,锂离子电池包括壳体,壳体包括基板,基板上设置有用于引出电极的极柱,保护板的正负极分别与锂离子电池正负极电连接,所述基板上还固定设置有保护板的卡接件,保护板扣合于该卡接件上。本发明的锂离子电池组简化了生产工艺、降低了生产成本、缩短了制造周期,实现了电池组的小型化、薄型化。

标签:
加工技术
广东 - 深圳 来源:中冶有色网 2023-03-18
锂电池系统
锂电池系统 864     
 0

本发明实施例公开了一种锂电池系统,属于电池技术领域。该锂电池系统包括电源组件、多个第一锂电池包和多个第一均衡板,所述第一锂电池包和所述第一均衡板一一对应连接;多个所述第一锂电池包串联连接后形成第一连接端和第二连接端,所述第一连接端和所述第二连接端分别与所述电源组件连接;所述第一锂电池包为由磷酸铁锂电芯组成的锂电池包。本申请通过搭配均衡板和外置保险,可在小型UPS设备及其它电源设备上配套使用,并利用UPS及其他电源设备本身的充电限压和放电低压保护,来实现整个锂电池系统或支路的安全可靠性,且不影响其他支路的正常运行,而且成本较低,有效提高了锂电池包在小型UPS及其它电源设备上的适用性和性价比。

标签:
加工技术
广东 - 深圳 来源:中冶有色网 2023-03-18
补锂添加剂及其制备方法和二次电池

本申请提供了一种补锂添加剂及其制备方法和二次电池,该补锂添加剂包括富锂材料内核和设置在富锂材料内核上的包覆层,包覆层包括有机磷化合物,有机磷化合物包括有机磷酸或有机磷酸盐,和/或有机磷化合物包括有机次磷酸或有机次磷酸盐;有机磷酸或有机磷酸盐、有机次磷酸或有机次磷酸盐中的取代基独立地选自取代或未取代的烷基或含硅基团,取代烷基的取代基包括氟原子、羟基、羧基、氨基、酰胺基。该补锂添加剂不仅能有效地实现对锂二次电池的补锂,提高电池的首次效率,还具有良好的稳定性,不易在空气中发生反应,有利于补锂添加剂的生产、存储和运输。

标签:
加工技术
广东 - 深圳 来源:中冶有色网 2023-03-18
掺杂锰酸锂及其制备方法、应用

本发明属于材料合成技术领域,尤其涉及一种掺杂锰酸锂的制备方法,包括步骤:S1,先利用可溶性锰盐制备粒径分布可控的锰系前驱体,将掺杂物质与锰系前驱体均匀混合得到混合物A;或者将可溶性锰盐和掺杂物质直接混合,以此制备含有粒径分布可控的锰系前驱体和掺杂物质的混合物A;S2,对混合物A进行预处理;S3,将预处理后的混合物A与锂盐混合,得到混合物B;S4,将混合物B在空气或者氧化性气氛中升温进行固相烧结反应,得到粒径可控的掺杂锰酸锂。另外,本发明还涉及一种掺杂锰酸锂及其在锂离子电池中的应用。相比于现有技术,本发明制得球形单晶锰酸锂,抑制锰酸锂材料中(111)晶面的生长,改善锰酸锂材料的性能。

标签:
加工技术
广东 - 深圳 来源:中冶有色网 2023-03-18
锂电池组群远程控制系统

本发明提供一种锂电池组群远程控制系统,包括最下层的锂电池组群、电池管理系统、储能双向变流器,中间层的锂电池组群就地监控系统,以及最上层的锂电池组群远程监控系统。本发明的控制系统能够对锂电池组群的使用状态进行实时监控和管理,有效避免电池的不安全使用,并且有效延长锂电池使用寿命,可以尽量发挥电池的性能,实现资源的充分利用,避免资源浪费。另外,本发明的锂电池组群远程控制系统,不仅能够处理庞大的数据,而且交互界面友好,还能够方便的实现锂电池组群的添加、删除、运行管理等诸多功能,系统更新维护简单快捷。

标签:
加工技术
广东 - 深圳 来源:中冶有色网 2023-03-18
含Ag-TiO<sub>2</sub>核壳纳米颗粒的锂基润滑脂及其制备方法

本发明提供一种含Ag‑TiO2核壳纳米颗粒的锂基润滑脂。以所述锂基润滑脂各组分质量分数为100%计,包括以下组分:锂基脂80~95%;稠化剂0~50%;Ag‑TiO2纳米颗粒0.1~10%;其他添加剂0~10%;所述Ag‑TiO2纳米颗粒为核壳结构的纳米颗粒,且Ag为核体,TiO2为壳体。本发明的锂基润滑脂能够提高锂基润滑脂的缓冲能力,当锂基润滑脂在机械设备相互摩擦过程中,可以在摩擦副表面形成自润滑膜,从而使得锂基润滑脂表现出良好的抗磨性、抗接触疲劳性、减摩性,还能提高高温性能,显著提高锂基润滑脂的承载能力,从而降低机械设备的负荷,节省燃料,节省润滑脂用量。

标签:
加工技术
广东 - 深圳 来源:中冶有色网 2023-03-18
硅锂钽电容电池
硅锂钽电容电池 749     
 0

一种硅锂钽电容电池,包括正极片、负极片、电解质、连接介于正极片和负极片间的隔膜、壳体,正极片、负极片、电解质、隔膜、电解质均密置在壳体内,其特征在于:壳体内还设有钽电容,所述钽电容并联在正极片和负极片之间,所述正极片包括以下组分:锂钴酸镍、锂钴酸氧化物、钽氧化物,其中锂钴酸镍、锂钴酸氧化物、钽氧化物的质量比为1:1:1,正极片的制备方法如下:锂钴酸氧化物、钽氧化物通过激光喷涂的方式喷涂在锂钴酸镍表面,所述隔膜为半导体材料隔膜,相较于传统锂电池和铅酸电池,能量密度大幅提升,充电时间大幅降低,使用寿命长,且环保不会产生污染。

标签:
加工技术
广东 - 深圳 来源:中冶有色网 2023-03-18
锂离子二次电池正极活性物质的制备方法

一种锂离子二次电池正极活性物质的制备方法,该方法包括将一种混合物干燥后烧结,该混合物含有锂源、金属源、磷源、碳源和溶剂,其中,所述溶剂为有机溶剂,并且所述磷源为磷酸。由本发明提供的方法制得的锂离子二次电池正极活性物质的晶体粒度较小且粒度分布均匀、并且由该磷酸亚铁锂制得的电池的质量比容量和初始充放电效率较高、倍率放电性能较好。

标签:
加工技术
广东 - 深圳 来源:中冶有色网 2023-03-18
移动式储能电站锂电池组电压稳定装置

本实用新型公开了一种移动式储能电站锂电池组电压稳定装置,包括MCU控制器、电压数据采集器、A/D转换器、充电器和锂电池组,与每组锂电池组连接的电压数据采集器采集锂电池组的端电压经A/D转换器转换成数字信号后输入到MCU控制器,所述MCU控制器与充电器连接,所述充电器与锂电池组连接,MCU控制器控制充电器对锂电池组进行充电。本实用新型移动式储能电站锂电池组电压稳定装置,通过在锂电池组中安装充电器,根据MCU控制器接收的电压信息控制充电器对锂电池组进行充电,保证移动式储能电站中锂电池组的电压一致性,从而提升移动式储能电站的工作寿命。

标签:
加工技术
广东 - 深圳 来源:中冶有色网 2023-03-18
高电压大容量防爆锂电池

本实用新型公开了一种高电压大容量防爆锂电池,包括隔爆电源箱,所述隔爆电源箱内设有锂电池组,所述锂电池组顶端设有用于管理锂电池组的电源管理控制器,所述锂电池组顶端另一侧设有用于监测锂电池组电流的电流传感器,所述电流传感器顶端还设有接触器,所述隔爆电源箱顶端设有防爆箱盖,所述防爆箱盖顶端设置有防爆电源联接器,所述电流传感器、电源管理控制器、防爆电源联接器以及接触器均通过电路与锂电池组连接;通过在隔爆电源箱内加装锂电池组,锂电池具有免维护,采用“快充模式”进行充电;无污染,满足更多特殊防爆场景使用的要求;锂电池只有同等容量铅酸电池的1/4重,体积也只有同等容量铅酸电池的1/3。

标签:
加工技术
广东 - 深圳 来源:中冶有色网 2023-03-18
双直流电源的动力锂离子电池

本实用新型公开一种双直流电源的动力锂离子电池,包括:外壳;设置在外壳中串接的第一锂离子电池模块和第二锂离子电池模块;设置在外壳上的正电源输出端、负电源输出端和零电源输出端,正电源输出端连接第一锂离子电池模块的正极,负电源输出端连接第二锂离子电池模块的负极,零电源输出端连接第一锂离子电池模块和第二锂离子电池模块的公共端;第一锂离子电池模块和第二锂离子电池模块具有相同的结构,均包括可充电的供电单元以及连接在供电单元的正极和负极之间的保护电路。本实用新型属于环保电池,结构简单且使用灵活,提高了动力锂离子电池的应用范围,具有广泛的应用前景。

标签:
加工技术
广东 - 深圳 来源:中冶有色网 2023-03-18
多芯手机锂电池
多芯手机锂电池 870     
 0

本申请涉及手机锂电池技术领域,尤其是涉及一种多芯手机锂电池,其包括锂电池外壳,所述锂电池外壳,所述锂电池外壳内部安装有锂电池内芯,所述锂电池外壳设置有断电保护组件,所述断电保护组件与所述锂电池内芯电性连接,所述断电保护组件用于在温度过高时对所述锂电池内芯进行断电,所述锂电池外壳安装有散热装置,所述散热装置通过一控制组件进行控制,所述控制组件能在温度升高时控制所述散热装置开启。本申请具有提高手机锂电池的散热效率的效果。

标签:
加工技术
广东 - 深圳 来源:中冶有色网 2023-03-18
基于析锂检测的电池充电方法、系统、汽车及介质

本发明公开了一种基于析锂检测的电池充电方法、系统、汽车及介质,该方法通过接收电池充电指令之后,获取电池充电策略表;根据电池充电策略表中的充电电流对电池进行充电,并在电池充电过程中对电池进行至少一次充电析锂检测以得到第一析锂检测结果;在第一析锂检测结果为未出现析锂现象时,根据充电电流继续对电池进行充电,并继续对电池进行充电析锂检测,直至第一析锂检测结果为出现析锂现象,或者直至电池完成充电时,停止进行充电析锂检测;在第一析锂检测结果为出现析锂现象时,根据预设的第一电流减小策略更新电池充电策略表中的充电电流,同时根据更新后的充电电流对电池继续进行充电,直至完成充电。本发明提高了电池充电的安全性。

标签:
加工技术
广东 - 深圳 来源:中冶有色网 2023-03-18
车载锂离子电源的保护结构

本发明公开了一种车载锂离子电源的保护结构,包括锂离子电源、外保护架、电源保护器、电源断路器、活动架、电源保护系统、电源保护模块和温度监控模块,所述锂离子电源两侧均连接有外保护架,所述锂离子电源一端嵌入在外保护架内部,本发明通过设置的电源保护器,在车载锂离子电源使用过程中,通过电源保护器内部的电压显示模块、过压保护模块、欠压保护模块、缺相保护模块、相序保护模块能够分别对车载锂离子电源内电流过压、欠压、缺相、相序情况进行监控,若车载锂离子电源内电流存在过压、欠压、缺相、相序情况时,能够触发电源断路器工作,使车载锂离子电源内部断流,以此能够实现对车载锂离子电源较为全面的保护。

标签:
加工技术
广东 - 深圳 来源:中冶有色网 2023-03-18
上一页 495 496 497 498 499 ... 500 ... 771 下一页
共771页    到第

中冶有色为您提供最新的广东深圳有色金属材料制备及加工技术理论与应用信息,涵盖发明专利、权利要求、说明书、技术领域、背景技术、实用新型内容及具体实施方式等有色技术内容。打造最具专业性的有色金属技术理论与应用平台!

全国热门有色金属设备推荐
展开更多 +
全国热门有色金属技术推荐
展开更多 +

 

江西省隆恩特环保设备有限公司
宣传

报名参会
更多+

2025年10月15日 ~ 17日
2025年10月17日 ~ 19日
2025年10月31日 ~ 11月02日
2025年11月07日 ~ 09日

报告下载

有色专家
更多+

北京科技大学
主任/教授
武汉理工大学
外籍院士/教授
中冶沈勘秦皇岛工程技术有限公司
原矿山院院长/教授级高工
中国矿业大学
副院长/教授
江西省科学院应用化学研究所
副主任/副研究员
赤泥综合利用研究报告2025
推广

热门技术
更多+

推荐企业
更多+

福建省金龙稀土股份有限公司
宣传

发布

在线客服

公众号

电话

顶部
咨询电话:
010-88793500-807