青岛垚鑫智能科技有限公司
宣传

位置:中冶有色 >

有色技术频道 >

分类:
全部
矿山技术
冶金技术
材料制备及加工技术
环境保护技术
分析检测技术
 
全部
废水处理技术
大气治理技术
固/危废处置技术
土壤修复技术
地区:
全部
北京
天津
上海
重庆
河北
山西
辽宁
吉林
黑龙江
江苏
浙江
安徽
福建
江西
山东
河南
湖北
湖南
广东
海南
四川
贵州
云南
陕西
甘肃
青海
内蒙
广西
西藏
宁夏
新疆
其他
其他
展开
 
全部

有色金属环境保护技术理论与应用

免费发布技术信息>>
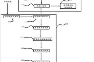
灵活可调的火电厂全负荷高盐废水零排放系统和方法

本发明涉及一种灵活可调的火电厂全负荷高盐废水零排放系统和方法,属于火力发电环保领域。所述全负荷高盐废水零排放系统,包括烟道旁路子系统和废水子系统,所述烟道旁路子系统包括旁路烟道A和旁路烟道B;其中,所述旁路烟道A的入口连接空预器前的主烟道,所述旁路烟道A的出口连接空预器后的主烟道。所述旁路烟道A上设有蒸发塔。所述旁路烟道B的入口连接所述省煤器之前的主烟道,所述旁路烟道B的出口连接所述旁路烟道A。所述废水子系统包括通过废水旁路管道依次连接的调节池、软化系统和膜浓缩系统。本发明可根据机组负荷灵活调节烟气流量和温度,同时灵活调节废水处理流程,利用高温烟气余热实现电厂高盐废水的零排放。

标签:
废水处理
北京 - 北京 来源:中冶有色网 2023-03-19
酚精制产生的含酚废水的脱酚方法和装置

本发明提供一种酚精制产生的含酚废水的脱酚方法和装置,该方法由废水萃取脱酚工序和富油反萃取脱酚工序组成。用现有轻油洗净工艺的脱酚轻油作为萃取剂,与含酚废水萃取脱酚,萃取后的富油再返回轻油洗净塔进行反萃取,利用碱性酚钠盐中的游离碱与富油中的酚反应回收酚钠盐,脱酚后的废水送煤气净化废水处理系统。该方法具有紧凑简洁、设备投资费用低、无辅料消耗、废水脱酚萃取剂循环利用率高、废水脱酚除油率高,且有助于提高馏分脱酚装置酚钠盐质量,降低酚盐分解装置硫酸消耗等优点。

标签:
废水处理
上海 - 上海 来源:中冶有色网 2023-03-19
稳定提高焦化废水可生化性的耦合处理工艺

本发明公开了一种稳定提高焦化废水可生化性的耦合处理工艺,该发明工艺包括在一级调节池调节水质、进入铁碳活性焦反应塔发生微电解与活性焦吸附的耦合反应、催化氧化反应后进入二级调节池与部分焦化废水混合后调节水质和混凝沉淀等步骤。本发明以经高温烧结、微孔活化后的铁碳活性焦为填料,以H2O2/O3等为催化氧化剂,系统出水的可生化性稳定提高至0.5以上。本发明具有处理效果稳定、可靠性强,运行成本低等优点,同时,该处理工艺可推广至印染废水、化工废水、制药废水等高浓度难降解有机废水领域,有效解决了焦化废水可生化性差,传统微电解填料板结、污泥产生量大,运行成本高的问题。

标签:
废水处理
河北 - 石家庄 来源:中冶有色网 2023-03-19
微波-MBR-混凝复合工艺处理切割液废水的方法

本发明提供了一种微波-MBR-混凝复合工艺处理切割液废水的方法,包括以下步骤:一、将双氧水与切割液废水按体积比为1∶(800~1200)加入到微波罐中,然后密封微波罐,之后放入微波炉中,在功率为300W~400W的条件下微波消解3min~10min;二、进行MBR处理;三、将混凝剂加入到MBR处理后的切割液废水中进行混凝处理;四、固液分离,得到处理后的切割液废水。本发明微波-MBR-混凝复合工艺处理切割液废水的方法是一种新的、有效的硅片切割液废水的处理工艺,经本发明处理后的切割液废水的COD去除率高达88%以上,既节约了成本,同时又满足了实际工程的需要,取得了技术上的巨大进步。

标签:
废水处理
陕西 - 西安 来源:中冶有色网 2023-03-19
高浓度高氨氮高含硫焦化废水生化处理工艺

本发明请求保护一种高浓度高氨氮高含硫焦化废水生化处理工艺,目的是解决现行的活性污泥法处理焦化废水存在的问题。该工艺采用生物絮凝技术和用多层式矿化垃圾生物反应床联用直接处理焦化废水,主要步骤有:将要处理的原焦化废水和从多层式矿化垃圾生物反应床回流的部分处理水混合,静置澄清,取上清液送入多层式矿化垃圾生物反应床中进行处理,处理有一部分回流与待处理的原焦化废水混合,另一部分排放或者回到生产中使用,完成整个废水处理过程。该工艺技术具有流程简短、能耗低、操作简单、运行费用低、采用的多层式矿化垃圾生物反应床易于放大等特点,尤其是处理高浓度、高氨氮和高硫含量焦化废水的工艺。

标签:
废水处理
重庆 - 重庆 来源:中冶有色网 2023-03-19
PCB板生产过程的废水循环利用系统

本实用新型公开一种PCB板生产过程的废水循环利用系统,包括第一次水洗装置、第二次水洗装置及第三次水洗装置,所述第三次水洗装置的出水口与第二次水洗装置的进水口连接;所述第二次水洗装置的出水口通过一用于对废水进行简易处理的简易处理装置与第一次水洗装置的进水口连接;所述第一次水洗装置的出水口通过一用于对废水进行综合处理的综合处理装置与第三次水洗装置的进水口连接。本实用新型PCB板生产过程的废水循环利用系统,通过针对不同水质的废水进行不同程度的净化处理,从而减少了废水处理的成本,提高了废水的回收率,还对环境不会造成污染,具有极高的实用性。

标签:
废水处理
江苏 - 苏州 来源:中冶有色网 2023-03-19
智能有机废水处理方法
智能有机废水处理方法 1121     
 0

本发明属于有机废水处理领域,具体公开了一种智能有机废水处理方法。所述智能有机废水处理方法是利用计算机程序对有机废水的整个处理系统进行控制,具体包括的处理单元有:程序监督检测单元、蓄水池1、格栅池、缓冲池1、芬顿氧化池、缓冲池2、水解酸化池、缺氧池、厌氧池、微氧池、好氧池、沉淀池、灭菌池、蓄水池2、污泥浓缩池、板框压滤机、PH值调节剂罐1、PH值调节剂罐2、絮凝剂罐及芬顿试剂罐。程序监督检测单元与所有单元连接,通过在线检测、程序自动识别发出不同指令,从而实现有机废水处理的完全自动化和智能化。

标签:
废水处理
广东 - 广州 来源:中冶有色网 2023-03-19
等离子体制备纳米颗粒去除电镀废水中六价铬的方法

本发明提供了一种等离子体制备纳米颗粒去除电镀废水中六价铬的方法,包括在含有六价铬的电镀废水中加酸、等离子体放电,瞬间制备纳米颗粒的步骤。本发明现场制备纳米颗粒,主要成分为Fe0,具有极高的活性,具有与目标污染物离子反应时间短、效率高、用水量少,产生的污泥量少的有益效果。同时具有不同铬离子浓度的电镀废水,采用不同的处理方法,高浓度电镀废水处理后的溶液为氯化铁和氯化铬混合物,处理后可直接作为铁铬液流电池的原材料,节约资源,环保无污染;低浓度的电镀废水处理后的上清液可达标直接排放,污泥可进行回收利用,实现零排放。

标签:
废水处理
江苏 - 徐州 来源:中冶有色网 2023-03-19
发酵类抗生素废水的处理系统及工艺

本发明公开了一种发酵类抗生素废水的处理系统,包括依次连接的调节池、涡凹气浮机、混凝沉淀池、水解酸化池、UASB反应器、初沉池、A/O系统、二沉池、Fenton氧化反应箱、反应沉淀池、污泥浓缩池。本发明还公开了一种发酵类抗生素废水的处理方法。本发明采用预处理:调节池+涡凹气浮机+混凝沉淀池、生化处理:水解酸化池+UASB反应器+初沉池+A/O系统+二沉池、深度处理:Fenton氧化反应箱+反应沉淀池组合工艺对发酵类抗生素废水进行处理,降低发酵类抗生素废水的生物毒性,提高废水的可生化性,使之得以达标排放,处理工艺简单,运行成本低。

标签:
废水处理
浙江 - 杭州 来源:中冶有色网 2023-03-19
压力容器生产的生活废水处理方法

本发明属于污水净化技术领域,尤其涉及一种压力容器生产的生活废水处理方法。一种压力容器生产的生活废水处理方法,包括处理池池体、设于处理池池体上的进水口和出水口,所述出水口设于进水口的下游位置,所述处理池包括:物理过滤池,所述物理过滤池内设有过滤板,所述过滤板开设多个过滤孔;油脂过滤池,所述油脂过滤池中投入有纤维球,所述纤维球由笋壳清洗后裁丝制成,多根笋壳丝头尾捆扎在一起形成球状物;所述进水口、物理过滤池、油脂过滤池、生化过滤池和出水口沿水流方向依次以管道相连通形成废水处理系统。本发明提供了一种环保节能、可有效过滤废水中油脂类物质的压力容器生产的生活废水处理方法。

标签:
废水处理
浙江 - 金华 来源:中冶有色网 2023-03-19
锂电池回收行业高盐萃余废水的处理系统及处理方法

本发明涉及锂电池废水处理领域,特别是涉及一种锂电池回收行业高盐萃余废水的处理系统,包括依次连通的萃余废水预处理系统、低温蒸发储水沉淀池和低温蒸发系统,所述萃余废水预处理系统通过水泵与低温蒸发储水沉淀池连通,所述低温蒸发储水沉淀池通过循环水泵与低温蒸发系统连通,所述低温蒸发储水沉淀池还连接有用于添加碳酸钠的计量泵,所述低温蒸发系统包括有热交换器。本发明经过预处理后再低温蒸发浓缩方式处理,对污染物质浓缩减量,一部分硫酸钠结晶体析出来,浓缩后的母液中含锂离子的浓度比较高,可以回用生产线处理,本发明处理效果好、成本低,有效降低废水盐分、实现节能减排。

标签:
废水处理
广东 - 东莞 来源:中冶有色网 2023-03-19
电镀含铬废水的处理方法

本发明涉及一种电镀含铬废水的处理方法,电镀铬工艺包括除油、粗化、两道还原、钯活化、解胶、镀化学镍、预镀铜、镀铜、酸活化、镀半亮镍、镀亮镍、镍封、镀铬、还原和烘干工序,其中前一道工序之后均通过水洗进入下一道工序,粗化工序中,粗化液中铬酸浓度至下限时,向粗化液中补加含铬废水回收工序得到的浓缩液,直至粗化液浓度满足原浓度要求;粗化液中硫酸根至上限时,向粗化液中补加碳酸钡调整硫酸根满足原浓度要求。本发明的优点在于:本发明能够降低废水中铬离子含量、含铬废水排放量及废水处理成本。

标签:
废水处理
江苏 - 南通 来源:中冶有色网 2023-03-19
利用活性炭吸附镀镍废水制备镍基催化剂的方法

本发明涉及一种利用活性炭吸附镀镍废水制备镍基催化剂的方法,其包括如下步骤:活性炭进行酸碱等改性处理后,加入到预处理至合适浓度的镀镍废水中,通过调节废水pH和吸附时间使活性炭对镍离子充分吸附,吸附完成后固液分离,随后再对固体物质进行煅烧和还原处理,即得。与现有技术相比,本发明的有益效果为,利用改性活性炭吸附镀镍废水制备镍基催化剂,实现了废水中镍离子的回收再利用,同时避免含有镍离子的吸附材料对环境造成的二次污染。

标签:
废水处理
湖北 - 武汉 来源:中冶有色网 2023-03-19
钢铁废水和市政污水混合再生回用的装置

本发明公开了一种钢铁废水和市政污水混合再生回用的装置,包括钢铁废水预处理池和市政污水预处理池,所述钢铁废水预处理池和市政污水预处理池顶部均设有加液口,所述钢铁废水预处理池和市政污水预处理池内均设有滤网,所述滤网一侧均设有搅拌辊,所述钢铁废水预处理池和市政污水预处理池均通过管道连接于混合反应池,所述混合反应池内设有转杆,所述转杆上设有搅拌桨,所述混合反应池顶部设有药品加入口,所述混合反应池通过管道连通于沉淀池,所述沉淀池通过管道连通于过滤池,所述过滤池内设有活性炭层,所述活性炭层底部设有渗透膜;保障钢铁生产的用水量,同时使得钢铁生产节约大量淡水资源,更加节能环保。

标签:
废水处理
江苏 - 盐城 来源:中冶有色网 2023-03-19
畜禽水产养殖废水生态处理系统

本发明属于污水净化领域,尤其涉及一种畜禽水产养殖废水生态处理系统。畜禽水产养殖废水生态处理系统,包括进水口、出水口和处理池池体,所述池体包括与进水口相连的沉淀池、稻草基质池和与出水口相连的水生植物湿地池,各池体间通过管路连接形成一个废水处理系统;所述水生植物湿地池种植净水植物。所述稻草基质池中添加改良剂,该改良剂的重量份组分如下:环糊精500~1000、烷基磷酸酯二乙醇胺盐100~200、氨苯砜10~100。本发明的畜禽水产养殖废水生态处理系统可减少废水处理费用,提升了规模养殖场的市场竞争力,处理池中的衍生物具有很高的经济价值,促进了养殖产业与环境的可持续协调发展,具有很高的社会效益。

标签:
废水处理
浙江 - 嘉兴 来源:中冶有色网 2023-03-19
焦化废水处理装置及其处理方法

焦化废水处理装置及其处理方法。焦化废水是在原煤高温干馏、煤气净化和化工产品精制过程中产生的废水,含有大量的酚、氰、苯、氨氮等有毒有害物质,超标排放的焦化废水对环境造成严重的污染。本发明的组成包括:调节池(1),调节池与吸水井A(2)连接,吸水井A与重力除油池(3)连接,重力除油池与吸水井B(4)连接,吸水井B与浮选除油池(5)连接,浮选除油池与吸水井C(6)连接,吸水井C与厌氧池(7)连接,厌氧池与吸水井D(8),吸水井D与缺氧池(9)连接,缺氧池与好氧池(10)连接,好氧池与二沉池(11)连接,二沉池与混合反应池(12)连接,混合反应池与混凝沉淀池(13)连接。本发明用于焦化废水的处理。

标签:
废水处理
黑龙江 - 哈尔滨 来源:中冶有色网 2023-03-19
从重金属废水中在线回收重金属资源的方法

本发明公开了一种从重金属废水中在线回收重金属资源的方法,它是在电镀后的重金属废水中仅添加氢氧化钠,并调整废水pH值,而不需添加高分子有机絮凝剂:PAC、PAM等,就能使重金属形成沉淀物,达到重金属与废水初步分离的目的,并避免了二次污染,再结合有机地组合在一起的错流过滤技术和反渗透技术,采用膜分离方法,再次实现重金属与废水二次分离的目的,二次分离后得到的反渗透产水可回用作电镀线清洗水,从而实现了水的循环利作用,节约了大量宝贵的水资源。本发明分别对浓水回收箱和污泥中的重金属实现回收,能取得一定的经济效益。它实现了污染物的“零排放”,能取得较好的经济效益、环境效益和社会效益。

标签:
废水处理
江西 - 南昌 来源:中冶有色网 2023-03-19
从含吡啶废水中高效回收吡啶的方法

本发明涉及化工技术领域,公开了一种从含吡啶废水中高效回收吡啶的方法,其包括以下步骤:S1:蒸馏得到吡啶水溶液,在5000L反应釜A中,加入270kg‑350kg氢氧化钠,缓慢打入3500L含多盐吡啶废水,搅拌PH计检测PH,继续搅拌30分钟,复测PH,降温至25℃,开始减压蒸馏,并收集馏分,蒸馏结束,反应釜A内剩下的水当作废水再次处理。S2:DCE萃取吡啶水溶液的吡啶,在3000L反应釜B中,通过水泵泵入S1中收集到的馏分,加入二氯乙烷1000kg‑1500kg萃取一次,分相,水相各加DCE 500kg萃取两次。本发明利用萃取分离技术从含吡啶的化工生产废水中回收吡啶,回收率大于95%。处理后的废水吡啶去除率可以达到99.9%,进入常规生化处理装置进行二次处理,各项指标可以稳定达标排放。

标签:
废水处理
安徽 - 合肥 来源:中冶有色网 2023-03-19
包装纸和特种纸混合废水深度处理工艺

本发明属于造纸废水处理技术领域,具体涉及一种包装纸和特种纸混合废水深度处理工艺。所采用的装置包括进水管线,进水管线与斜滤网、初沉池、调节池、预酸化池、厌氧反应器、缺氧池、好氧池、二沉池、活性砂滤池和回用水池依次相连;工艺:1)废水经过斜滤网处理后自流进入初沉池;2)初沉池出水自流进入调节池;3)调节池出水进入预酸化池;4)预酸化池出水进入厌氧反应器进行厌氧处理;5)厌氧反应器出水进入缺氧池;6)缺氧池出水进入好氧池;7)好氧池出水进入二沉池;8)二沉池出水进入活性砂滤池;9)活性砂滤池出水进入回用水池。本发明对废水的处理效果好,能够将废水中的COD、BOD和TSS降低到一个比较低的水平。

标签:
废水处理
山东 - 淄博 来源:中冶有色网 2023-03-19
高浓度有机废水综合处理工艺方法

本发明属于环保技术领域,具体涉及一种针对高浓度、高色度、刺激性强、难降解有机废水的综合处理新工艺方法;本发明公开了一种高浓度有机废水综合处理工艺方法,具体包括如下步骤:(1)采用了低温蒸发;控制蒸发过程在负压环境中进行,将溶液沸点控制在小于水的沸点,蒸发底液中成为可燃浓缩液,蒸发的废水经冷却后形成冷凝水;(2)对预处理后的冷凝水用了特殊的催化氧化技术进行深度处理,该技术主要通过特殊的催化剂,达到脱色的目的同时有效地提高BOD/COD值;(3)针对深度氧化后的废水采用“水解酸化‑UASB‑AO‑A/O”生化工艺,通过深度催化氧化技术可将冷凝水COD、氨氮降低。该工艺环保无二次污染,可将废水处理至一级排放标准。

标签:
废水处理
湖南 - 长沙 来源:中冶有色网 2023-03-19
降低环嗪酮废水的新工艺

本发明公开了一降低环嗪酮废水的新工艺,包括四个步骤,首先使用铁碳微电解‑芬顿氧化组合工艺对环嗪酮废水进行粗处理,除去大颗粒的COD等有机污染物,再以微生物吸附颗粒去除小分子有机污染物,最后进行减压蒸馏,除去废水中的二甲胺盐酸盐、胍和其他有机杂质,然后利用二甲胺盐酸盐在有机物的溶解度不同,使其析出,达到二甲铵盐酸盐和有机杂质分层的目的,最后对二甲铵盐酸盐进行冷冻干燥,得到高纯度的二甲铵盐酸盐,本发明不仅使环嗪酮废水净化,还回收了高纯度的二甲铵盐酸盐,废水净化后可以循环使用,二甲铵盐酸盐可以作为生产原料重复使用,节约成本,高效环保。

标签:
废水处理
安徽 - 宣城 来源:中冶有色网 2023-03-19
马铃薯淀粉废水作为污水厂补给碳源的资源化处理系统及方法

本发明提供了一种马铃薯淀粉废水作为污水厂补给碳源的资源化处理系统及方法,该系统包括马铃薯淀粉加工企业废水初步处理单元和下游污水处理厂污水处理单元,所述马铃薯淀粉加工企业废水初步处理单元和下游污水处理厂污水处理单元通过纳污管网连通;马铃薯淀粉加工企业废水初步处理单元包括依次设置的厌氧生物处理单元和气浮装置,下游污水处理厂污水处理单元包括依次设置的水解酸化池、AAO工艺单元和深度处理单元。本发明不仅在污水处理厂达标排放的基础上减少了污水处理厂碳源投加量,降低了药剂成本,同时也是一种有效地资源化处理马铃薯淀粉废水的手段。

标签:
废水处理
北京 - 北京 来源:中冶有色网 2023-03-19
微电解填料用废水净化装置

本发明公开了一种微电解填料用废水净化装置,涉及废水净化领域,其技术方案要点是:所述电解箱上端开设有沿电解箱水平方向的滑动长孔,所述电解箱上端设有位于滑动长孔两端的固定杆,两个所述固定杆之间设有转杆,所述转杆两端分别转动连接在两个固定杆上,所述转杆一端伸出固定杆外壁,所述转杆上周向设有正螺纹和反螺纹,所述正螺纹和反螺纹的螺纹方向彼此相反,所述转杆上通过正螺纹和反螺纹分别螺纹连接有滑动块,两个所述滑动块朝向电解箱的端壁分别铰接有拉动杆,两个所述拉动杆远离滑动块的一端铰接在电解管侧壁上,电解管可以全方位地接触废水,节省废水处理时间,提高废水处理效率。

标签:
废水处理
安徽 - 滁州 来源:中冶有色网 2023-03-19
含Ni2+、Zn2+、Cr3+电镀废水的处理方法

本发明涉及一种含Ni2+、Zn2+、Cr3+电镀废水的处理方法,属电镀废水处理及环境保护工程技术领域。本发明的特点是利用加速碳化技术,通过控制一定的反应条件,促使形成Ni-Zn-Cr-LDH层间化合物,以达到废水中重金属离子得到自束缚和稳定化,有害重金属不得被浸出,以保护环境。另外,通过共沉淀反应,降低了电镀废水体系中的重金属污染物,使其符合废水的排放标准。

标签:
废水处理
上海 - 上海 来源:中冶有色网 2023-03-19
焦化废水深度处理方法

一种焦化废水深度处理方法,属于环保工程领域。其特征在于选用PFASSB作为絮凝剂,粉煤灰-生石灰为吸附剂,采用粉煤灰-生石灰处理废水工艺,先用絮凝剂预处理,经絮凝处理后的废水流入调节池,用废酸和废碱调节废水pH值至4~5后进入粉煤灰的吸附床,加入130~150g/L粒径为100~140目的粉煤灰和1.5~2.5g/L的石灰,恒温振荡吸附1h~2h后流入沉淀池静置,将上层清液引流出,即得到处理后的出水。采用粉煤灰联合石灰对焦化废水进行吸附二级处理操作后,出水水质中COD可降低至59.1mg/L,达污水综合排放标准(GB8978-96)中一级排放标准,NH3-N由77.67mg/L降低至19.8mg/L,可达污水综合排放标准(GB8978-96)二级排放标准。

标签:
废水处理
北京 - 北京 来源:中冶有色网 2023-03-19
分离含固体颗粒废水的系统

本实用新型提供了一种分离含固体颗粒废水的系统,包括pH调节装置、浓缩池、输送泵、离心机,所述pH调节装置通过进料管与浓缩池的进料口连通,所述浓缩池用于对废水进行自然沉降,所述浓缩池的底部设置出料口,所述出料口与输送泵的入口连通,所述输送泵的出口与离心机的进料口连通,所述离心机用于对废水进行离心分离;本实用新型所述的一种分离含固体颗粒废水的系统,具有单机处理量大、效率高、连续进料、连续出料、能够处理粘度大的固体颗粒等优点,离心后的废水可循环再利用,能够广泛应用于四氯化钛、海绵钛、钛白粉等行业的环保处理领域。

标签:
废水处理
河南 - 洛阳 来源:中冶有色网 2023-03-19
DMAC废水多效精馏装置
DMAC废水多效精馏装置 910     
 0

本实用新型公开了一种DMAC废水多效精馏装置,包括:第一脱水塔、第二脱水塔、精制塔和脱酸塔;所述第一脱水塔的出水口与第二脱水塔的进水口连接,所述第二脱水塔的底部设置有固液分离组件,且固液分离组件的出水口与精制塔的进水口连接,所述精制塔的出水口与脱酸塔的进水口连接,且脱酸塔的出水口设置有冷却收集组件。本实用新型中,该精馏装置采用四塔三效的精馏方式,可以将废水内的DMAC进行多效的精馏处理,并结合固液分离组件和冷却收集组件的组合作用,确保废水中的DMAC物质能够被高效的分离出来,提高了废水的多效精馏效率,进而实现了工厂企业对DMAC废水系统化的精馏处理效果。

标签:
废水处理
天津 - 天津 来源:中冶有色网 2023-03-19
氯碱行业含汞废水的处理装置

本实用新型公开了一种氯碱行业含汞废水的处理装置,涉及含汞废水处理技术领域。本实用新型包括反应罐和预分离罐;支撑架滑动配合搅拌组件;搅拌组件插接配合有搅拌架;搅拌杆开有螺纹孔;螺纹孔螺纹转动配合有破冰组件;搅拌杆滑动配合有冰球壳;冰球壳内部开有滑动槽道;滑动槽道与搅拌杆滑动配合;冰球壳内部放置有鳌合剂。本实用新型通过将鳌合剂存放到冰球壳中,将放置有冰球壳的搅拌架插接到转轴上的插接板上,向反应罐中加入含汞废水,启动伺服电机带动搅拌架转动,冰球壳沿着搅拌杆撞向钢针,冰球壳被破碎,鳌合剂被释放;不同高度上各冰球壳的设置,增加了鳌合剂与含汞废水的接触面积,加速废水中的氯汞络合离子被鳌合剂吸附。

标签:
废水处理
山东 - 泰安 来源:中冶有色网 2023-03-19
废水中重金属自动检测装置

本实用新型公开了一种废水中重金属自动检测装置,属于重金属检测技术领域,其包括装置主体,所述装置主体的内部设置有测试废水腔,所述装置主体的内壁固定连接有搅拌混合箱,所述搅拌混合箱内壁的下表面通过轴承转动连接有旋转底板,所述旋转底板的上表面固定连接有螺旋桨,所述装置主体的左侧面与驱动电机的右侧面固定连接。该废水中重金属自动检测装置,通过设置有收集转框,在将废水加入到过滤箱内时,螺旋桨通过过滤转轴带动收集转框旋转,通过旋转收集转框将废水中的较大的固体杂质收集在内部,细小的杂志再通过活性炭过滤板进行吸附,避免较大的杂志堵塞活性炭过滤板上表面设置的过滤孔,提高过滤效率,避免杂质影响检测结果。

标签:
废水处理
江西 - 吉安 来源:中冶有色网 2023-03-19
废水检测用具有固液分离机构的取样装置

本实用新型公开了一种废水检测用具有固液分离机构的取样装置,涉及取样装置的技术领域,包括取样装置的底杯,所述底杯的上端螺纹连接有分离杯,所述分离杯的上端螺纹连接有端盖,所述分离杯的内部设置有过滤组件。通过滤网将废水和颗粒物分离,再通过密封垫和底板与分离杯之间形成密封,从而避免底杯内的废水回流至分离杯,从而将废水和废水中颗粒物分开装,方便工作人员使用。

标签:
废水处理
山东 - 潍坊 来源:中冶有色网 2023-03-19
上一页 4965 4966 4967 4968 4969 ... 5000 ... 5981 下一页
共5981页    到第

中冶有色为您提供最新的有色金属环境保护技术理论与应用信息,涵盖发明专利、权利要求、说明书、技术领域、背景技术、实用新型内容及具体实施方式等有色技术内容。打造最具专业性的有色金属技术理论与应用平台!

全国热门有色金属设备推荐
展开更多 +
全国热门有色金属技术推荐
展开更多 +

 

江西省隆恩特环保设备有限公司
宣传

报名参会
更多+

2025年10月15日 ~ 17日
2025年10月17日 ~ 19日
2025年10月31日 ~ 11月02日
2025年11月07日 ~ 09日

报告下载

有色专家
更多+

矿冶科技集团江苏北矿金属循环利用科技有限公司
书记 / 总经理
中南大学
中国工程院 院士
中国矿业大学(北京)
院长/教授
江西省科学院应用化学研究所
副主任/副研究员
长沙矿冶院检测技术有限责任公司
总经理
赤泥综合利用研究报告2025
推广

热门技术
更多+

推荐企业
更多+

福建省金龙稀土股份有限公司
宣传

发布

在线客服

公众号

电话

顶部
咨询电话:
010-88793500-807