青岛垚鑫智能科技有限公司
宣传

位置:中冶有色 >

有色技术频道 >

分类:
全部
矿山技术
冶金技术
材料制备及加工技术
环境保护技术
分析检测技术
 
全部
功能材料技术
复合材料技术
新能源材料技术
合金材料技术
加工技术
地区:
全部
北京
天津
上海
重庆
河北
山西
辽宁
吉林
黑龙江
江苏
浙江
安徽
福建
江西
山东
河南
湖北
湖南
广东
海南
四川
贵州
云南
陕西
甘肃
青海
内蒙
广西
西藏
宁夏
新疆
其他
其他
展开
 
全部
其他

其他有色金属材料制备及加工技术理论与应用

免费发布技术信息>>
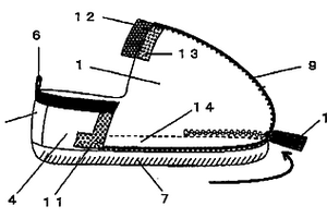
鞋面可用拉链从横侧面沿水平方向开合的鞋子

本发明提供一种对老年人和残疾人来说穿脱方 便,穿着舒适,并且具有时尚性的鞋子。这种鞋子通过从脚背 的根部到鞋底的内侧部分,把鞋面的外侧分割开,从鞋面的大 脚趾根部位置开始,经过脚尖部分,一直到脚背的根部的分割 位置为止,沿着鞋底内侧部分,设置一条水平的拉链,使鞋面 能从横侧面沿着水平方向开合。在拉链的拉手部位和鞋面的分 开部分上设置了第一、第三尼龙搭扣(钩子部件),在相应的鞋 跟周围部分设置了第二尼龙搭扣(钩圈部件)。鞋面的材料使用 合成纤维粘结的发泡氯丁橡胶的复合材料。鞋面上局部设置了 同样质地但颜色不同的材料制成的装饰部分。拉链使用了具有0.01kgf/cm2以上的防水性能的材料。

标签:
复合材料
其他 - 其他 来源:中冶有色网 2023-03-18
塑料光伏模块及其制造方法

本发明描述了用于包封太阳能电池的复合材料,其是由以下元件构成的光伏模块:由透明热塑性塑料和/或阻隔膜制成的外层,和太阳能电池已经包埋入其中的弹性层,和阻隔膜或阻隔片。

标签:
复合材料
其他 - 其他 来源:中冶有色网 2023-03-18
复合的飞行器框架
复合的飞行器框架 1114     
 0

本发明涉及复合的飞行器框架,用于解决用金属材料制造这些界面框架成本高且耗时,也需要实现分别制造的不同金属分段接合的大量件的问题。飞行器框架(1)包括两个分段(10、20),这些分段(10、20)中的每一者都是由复合材料制成的单一整体元件且包括至少一个腹板(2)、加固结构和配件(4),这两个分段(10、20)使用铆钉通过配件(4)接合,而形成飞行器框架(1)。本发明也涉及制造此飞行器框架(1)的方法。本发明的框架具有结构更轻、疲劳问题得以最小化等优点,本发明的方法制造成本和时间高度均减小等优点。

标签:
复合材料
其他 - 其他 来源:中冶有色网 2023-03-18
难燃性树脂及难燃性树脂组合物

本发明揭示一种难燃性树脂,其含有一个或一个以上二苯基氧化膦结构,其用于环氧树脂、环氧树脂组合物,用于制造黏合片、复合材料、积层板、印刷电路板、增厚法用的基板、铜箔用的接着剂、软性基板接着剂、软性基板覆盖层、封装材、导电接着剂、涂料等。

标签:
复合材料
其他 - 其他 来源:中冶有色网 2023-03-18
用于碳纤维处理和沥青致密化的设备

本发明涉及用于碳纤维处理和沥青致密化的设备。沥青致密化设备可用于形成碳-碳复合材料。该设备可用于压缩碳纤维材料,以及之后,沥青致密化该碳纤维材料。碳纤维材料的压缩和沥青致密化可以在沥青致密化设备的相同模腔内进行。在一个实施例中,设备可包括定义构造成接收要被致密化的材料的模腔的模具。模腔被配置为从第一体积调整到小于第一体积的第二体积来压缩膜腔内的材料。示例设备还可以包括构造为在模腔中施加气体压力以迫使沥青进入模腔内的材料中而使材料致密化的气源,以及构造为至少在施加气体压力之前在模腔内制造真空压力的真空源。

标签:
复合材料
其他 - 其他 来源:中冶有色网 2023-03-18
存储系统和方法
存储系统和方法 1031     
 0

描述了一种存储系统,该存储系统包括一系列火灾检测装置、火灾抑制装置和灭火装置。此外,该系统包括形成为结构复合材料的容器(10)。容器包括具有结构或存储性质的多个部分。该系统还包括用于使用容器和系统本身的装置,以便降低火灾通过大型的基于网格的系统蔓延的可能性。

标签:
复合材料
其他 - 其他 来源:中冶有色网 2023-03-18
具有纳米多孔透气层的氢气储罐

本发明公开了具有纳米多孔透气层的氢气储罐。提供了气体储罐。该储罐包括限定了内部隔室的内衬;连接到该内衬上的凸起部;覆盖凸起部的一部分和内衬的夹层,该夹层是非热解的,并包含互连网络和直径大于氢气分子的直径且小于或等于大约2 nm的孔隙;和包含碳纤维增强复合材料的外壳,该外壳覆盖除了与凸起部接触的夹层末端之外的夹层,使得夹层末端限定暴露于外部环境的夹层环。该储罐构造成使得当气体穿过内衬扩散至夹层时,该夹层将气体从暴露的夹层环导出。还提供了制造该储罐的方法。

标签:
复合材料
其他 - 其他 来源:中冶有色网 2023-03-18
热毯系统及制造该热毯系统的方法

本公开涉及热毯系统及制造该热毯系统的方法,该方法包括接收具有不一致性的复合结构的模型。该模型包括指定不一致性的区域的预先计算的加热模型,针对该区域,对施加到不一致性的未固化的复合材料施加相应的不同量的加热。根据该模型生成用于跨区域变化密度的加热元件的设计。该设计被配置为使热毯系统的第一子区域中的加热元件在区域中的第三区域中生成第一热量,并且使热毯系统的第二子区域中的加热元件在区域中的第四区域中生成第二不同的热量。根据设计将加热元件印刷在毯上以制造热毯系统。

标签:
复合材料
其他 - 其他 来源:中冶有色网 2023-03-18
热电元件
热电元件 1141     
 0

根据本发明的一个示例的热电元件包括第一基板、设置在第一基板上的第一绝缘层、设置在第一绝缘层上的第一结合层、设置在第一结合层上的第二绝缘层、设置在第二绝缘层上的第一电极、设置在第一电极上的P型热电腿和N型热电腿、设置在P型热电腿和N型热电腿上的第二电极、设置在第二电极上的第三绝缘层、以及设置在第三绝缘层上的第二基板,其中第一绝缘层由含硅和铝的复合材料组成,第二绝缘层是由树脂成分组成的树脂层,所述树脂成分包括无机填料以及环氧树脂和硅树脂中的至少一者,并且第一结合层包括硅烷偶联剂。

标签:
复合材料
其他 - 其他 来源:中冶有色网 2023-03-18
含驻极体的过滤介质
含驻极体的过滤介质 866     
 0

本文描述了过滤介质,例如用于过滤气体流(例如空气)的含驻极体的过滤介质。在一些实施方案中,过滤介质可以被设计成具有期望的特性,例如在过滤介质的寿命中的稳定的过滤效率、增加的归一化γ、相对低的压降(即阻力)、和/或相对低的定重。在某些实施方案中,过滤介质可以为两种或更多种类型的纤维层的复合材料,其中每个层可以被设计成增强其功能而基本上不对介质的另一层的性能产生负面影响。例如,介质的一个层可以被设计成具有相对低的定重和/或相对高的透气率,并且介质的另一层可以被设计成在过滤介质的整个寿命中具有稳定的过滤效率和/或相对高的效率。

标签:
复合材料
其他 - 其他 来源:中冶有色网 2023-03-18
有色多层复合织物
有色多层复合织物 1164     
 0

本公开提供了具有伪装外观的多层复合材料。更具体地讲,本公开提供了具有槽的伪装战术背心套,所述槽用于配件的无织带附着。易于着色的外面料具有有色伪装图案并且以非有色高韧度织物作背衬以用于提高耐久性。采用有色中间粘合剂来保持伪装视觉外观,而不增加给背衬材料的高韧度纤维染色的复杂性。

标签:
复合材料
其他 - 其他 来源:中冶有色网 2023-03-18
稳定的室温钠-硫电池
稳定的室温钠-硫电池 1166     
 0

一种钠离子传导(例如,钠‑硫)电池,其可以是可再充电的,包含如本文所述的微孔主体硫复合材料阴极或液体电解质,所述液体电解质包含液体电解质溶剂和如本文所述的液体电解质盐或电解质添加剂或其组合。所述电池可用于诸如电池组等装置中。

标签:
复合材料
其他 - 其他 来源:中冶有色网 2023-03-18
包含具有不同增强材料的两个区域的聚合物复合组合物、其制造方法、用途和包含其的制品

本申请涉及聚合物复合组合物(PCC),其包含两个区域(Z1)和(Z2),所述区域(Z1)或(Z2)的至少一个区域包含增强材料(RM1),而所述区域(Z1)或(Z2)的另一个区域不包含增强材料或包含不同于增强材料(RM1)的增强材料(RM2)。其还涉及一种制造这样的聚合物复合组合物(PCC)的方法及其用途以及一种制造由包含所述聚合物复合组合物(PCC)的复合材料制成的机械部件或结构元件形式的制品的方法。

标签:
复合材料
其他 - 其他 来源:中冶有色网 2023-03-18
轻型电池壳体组件
轻型电池壳体组件 1148     
 0

一种用于汽车的轻型电池壳体及组装该轻型电池壳体的方法。轻型电池壳体包括上盖、盆状件以及保护框架,上盖和下盆状件坐置于该保护框架上。上盖和盆状件可以包括钢材料、铝材料和/或纤维增强复合材料中的至少一者。保护框架包括钢材料和铝材料中的至少一者。盆状件包括用于保持电池模块的凹穴和抵靠盖以提供防漏电池保持件的密封件。紧固件连接盆状件、盖和保护框架,并且在盆状件与盖之间放置有密封件。电池壳体的盖和其他部件可以直接集成到车辆的白车身中。

标签:
复合材料
其他 - 其他 来源:中冶有色网 2023-03-18
自行车轮圈及其制造方法

自行车轮圈及其制造方法。本发明涉及一种自行车轮圈,其包括由复合材料制成的壁(56),该壁具有多个穿孔辐条附接座(58),其中所述穿孔座(58)中的至少一个至少部分地由以下部分界定:‑至少一个第一区域(62),其包括第一多个切割结构纤维(60a)的端部部分;‑至少一个第二区域(63),其与所述至少一个第一区域(62)在周向上间隔开,并且包括第二多个切割结构纤维(60b)的端部部分和连续结构纤维(60c)的第一部分,第二多个切割结构纤维(60b)的纵向尺寸大于所述第一多个切割结构纤维(60a)的结构纤维的纵向尺寸。所述第二多个切割结构纤维(60b)的结构纤维的端部部分中的至少一些相对于连续结构纤维(60c)的所述第一部分处于相互并列或相互插置的状态。本发明还涉及制造前述轮圈的方法。

标签:
复合材料
其他 - 其他 来源:中冶有色网 2023-03-18
复合板产品的制造方法

本发明涉及包含芯层(6)和至少一个包覆层的复合板产品的制造方法,所述方法包括将芯层和至少一个包覆层的组合件轧制并将厚度降低至期望尺寸,所述芯层由铝合金制成,所述至少一个包覆层包含中心部分(2)和沿至少一个包覆层的边缘位于所述中心部分(2)的相对侧的至少两个边缘部分(4,5),所述中心部分由为铝合金或包含铝或铝合金基质的复合材料的材料制成,沿所述边缘的边缘部分(4,5)由与所述中心部分的材料不同的材料制成,其中在所述轧制期间或之后切除所述边缘部分(4,5)。本发明进一步涉及可用于所述方法的包层板。

标签:
复合材料
其他 - 其他 来源:中冶有色网 2023-03-18
氮化硼团聚体、其制备方法及其用途

本发明涉及氮化硼团聚体、其制备方法及其用途。具体地,本发明涉及包含六方氮化硼初级颗粒的氮化硼团聚体,其中所述六方氮化硼初级颗粒使用包含至少一种氮化物和/或氮氧化物的无机粘结相彼此连接。本发明还涉及一种制备此类氮化硼团聚体的方法,其中,将呈氮化硼初级颗粒形式的氮化硼起始粉末与粘结相原料混合,加工成颗粒或模制体,所述颗粒或模制体随后在氮化气氛中经受至少1000℃的温度下的温度处理,并且如果必要的话将所获得的颗粒或模制体粉碎和/或分级。根据本发明的氮化硼团聚体适于作为待用于制备聚合物‑氮化硼复合材料的聚合物的填料。

标签:
复合材料
其他 - 其他 来源:中冶有色网 2023-03-18
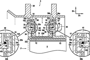
由法兰支撑的涡轮机环组件

本发明涉及涡轮机环组件,其包括:由陶瓷基复合材料制成的多个环扇区(10)构成的涡轮机环(1)以及包括两个法兰(32,36)的环支撑结构(3)。环扇区(10)包括两个拉环(14,16),拉环在环支撑结构(3)的两个环形法兰之间延伸,每个拉环包括环形槽(140;160),环支撑结构(3)的每个法兰上的环形凸起(34;38)插入在环形槽(140;160)中。弹性元件(60;70)被插入在凸起的上壁和相应槽的上壁之间,或者凸起的下壁和相应槽的下壁之间。

标签:
复合材料
其他 - 其他 来源:中冶有色网 2023-03-18
散热器和冷却器
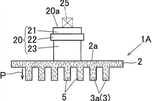
散热器和冷却器 1227     
 0

散热器(1A)是铝和碳粒子(5)的复合材料制成的。多个鳍部(3)以相对于底板部(2)突出的状态与散热器(1A)的底板部(2)一体形成。鳍部(3)中存在的碳粒子(5)沿着鳍部(3)相对于底板部(2)突出的方向(P)取向。

标签:
复合材料
其他 - 其他 来源:中冶有色网 2023-03-18
具有靶向氧化水平的离散碳纳米管及其制剂

要求离散的个体化碳纳米管在管壁的内部和外部具有靶向或选择性的氧化水平和/或含量。这种碳纳米管可以有很少至没有内管表面氧化,或者在管的内表面和外表面之间的氧化量和/或类型不同。这些新的离散管可用于增塑剂中,然后所述增塑剂可在弹性体、热塑性和热固性复合材料的配混和配制中用作添加剂,用于改善机械、电和热性能。

标签:
复合材料
其他 - 其他 来源:中冶有色网 2023-03-18
负载引导装置以及用于粘合负载引导装置的方法

本发明涉及一种负载引导装置和用于粘合纤维复合材料导负载引导装置的方法。本发明的目的是改进EP 2 888 153 A1的负载引导装置和粘合方法。例如,还应该在垂直表面上形成更明确的空腔和/或使用低粘度粘合剂。该目的通过使用密封剂,特别是第一粘合剂来形成空腔并提供用于将粘合剂注入空腔的固定布置来实现。

标签:
复合材料
其他 - 其他 来源:中冶有色网 2023-03-18
研磨用组合物、研磨方法以及硬脆材料基板的制造方法

本发明涉及一种研磨用组合物,其特征在于,其用于研磨包含金属或半金属的氧化物或者它们的复合材料的研磨对象物的表面,且至少含有水和二氧化硅,二氧化硅包含粒径为20nm以上且70nm以下的小粒径二氧化硅和粒径为100nm以上且200nm以下的大粒径二氧化硅,小粒径二氧化硅在前述研磨用组合物中含有2质量%以上,大粒径二氧化硅在研磨用组合物中含有2质量%以上,大粒径二氧化硅的平均粒径除以小粒径二氧化硅的平均粒径的值为2以上。

标签:
复合材料
其他 - 其他 来源:中冶有色网 2023-03-18
用于碳纤维的包含纳米颗粒的纤维上浆系统

本发明涉及涂覆有纳米颗粒的碳纤维材料,相对于所述述涂覆纤维材料的干重,所述涂层包含0.01至小于10重量%的纳米颗粒,所述涂层可参与进一步的反应。本发明还涉及制造涂覆有纳米颗粒的碳纤维材料的方法,以及相应的碳纤维复合材料。

标签:
复合材料
其他 - 其他 来源:中冶有色网 2023-03-18
用于增强聚合物制品的混合缆线和增强制品

一种混合缆线,其具有芯和包带;该芯由碳纤维纱或者碳纤维线股或者纱的束制成;和该包带由螺旋状包裹在该芯周围的多个金属丝线制成,该多个金属丝线并排铺设,而不彼此交叉。所述纤维、纱或者芯可以用聚合物上浆、粘结剂或者粘合剂来整理。该丝线可以是钢,并且可以具有涂层例如黄铜或者锌镀层,或者聚合物涂层或者整理。该混合缆线可用于增强复合材料制品例如带材、轨道或者软管。

标签:
复合材料
其他 - 其他 来源:中冶有色网 2023-03-18
核上具有形态粘附促进者壳的填料颗粒

公开了一种用于复合材料(100)的填料颗粒(104),其中,所述填料颗粒(104)包括核(106)和至少部分地覆盖所述核(106)并且具有形态粘附促进者(108)的壳(118)。

标签:
复合材料
其他 - 其他 来源:中冶有色网 2023-03-18
复合部件的轧制成形
复合部件的轧制成形 1085     
 0

一种多个复合部件的轧制成形方法,该方法包括以下步骤:(a)将多个坯料放置到承载条上,每个坯料包括接触承载条的相应的接触部的一叠未固化的复合材料片;(b)在步骤(a)之后,通过使承载有坯料的承载条穿过一系列的轧辊组而使坯料以及承载条的与所述坯料相对应的接触部成形为具有期望的横截面轮廓,每个轧辊组均执行弯折操作的增量部分,直到获得期望的横截面轮廓为止;(c)在步骤(b)之后,将坯料连同所述坯料的相应的承载条一起与承载条的剩余部分分开;以及(d),在步骤(c)之前或之后,使坯料固化。

标签:
复合材料
其他 - 其他 来源:中冶有色网 2023-03-18
经表面处理碳酸钙及其在水纯化中和用于污泥和沉积物的脱水的用途

本发明涉及一种用于水纯化和/或污泥和/或沉积物的脱水的方法,经表面处理碳酸钙用于水纯化和/或污泥和/或沉积物的脱水的用途,以及经表面处理碳酸钙用于降低水和/或污泥和/或沉积物中聚合物型絮凝助剂的量的用途,并且涉及可通过所述方法获得的包含经表面处理碳酸钙和来源于不同来源的杂质的复合材料。

标签:
复合材料
其他 - 其他 来源:中冶有色网 2023-03-18
带状干燥纤维增强体
带状干燥纤维增强体 1223     
 0

一种带状干燥纤维增强体,“有间隙的UD增强体带”,提供了通过包括由至少一个粘合剂层保持的分离的纤维丝束层而形成的通道或流动路径。因此,获得了用基体对纤维的更快的润湿,由此可以节约地生产改进的复合材料。还公开了用于产生有间隙的UD带的方法和装置。

标签:
复合材料
其他 - 其他 来源:中冶有色网 2023-03-18
用于通过金属合金给管加衬里的方法

一种使用360°的辐射热源给管和管材的内部的涂覆和/或加衬金属合金的性能提高层的设备和方法。公开的设备和方法的使用促进冶金接合一层金属合金或复合材料到主直径范围典型地从1.5"到8"的钢管或类似的基于金属的管材的内部的能力。公开的设备和方法对生产用于在油气和采矿行业中运输和/或输送热、腐蚀性和/或磨蚀性的流体中的管道是尤其有用的。

标签:
复合材料
其他 - 其他 来源:中冶有色网 2023-03-18
微孔基材上的多功能涂层

微孔基材上的多功能涂层。提供了一种复合材料,其包含:微孔层,其中具有孔壁和开放的孔隙;以及位于所述微孔层的至少一部分孔壁之上的单一多功能性涂层,所述多功能性涂层包含提供第一功能性的第一功能性添加剂和提供第二功能性的第二功能性添加剂,其中,所述第一功能性添加剂用作粘合剂,所述微孔层在微孔结构的经涂布部分中保持开放的孔隙。

标签:
复合材料
其他 - 其他 来源:中冶有色网 2023-03-18
上一页 487 488 489 490 491 ... 500 ... 863 下一页
共863页    到第

中冶有色为您提供最新的其他有色金属材料制备及加工技术理论与应用信息,涵盖发明专利、权利要求、说明书、技术领域、背景技术、实用新型内容及具体实施方式等有色技术内容。打造最具专业性的有色金属技术理论与应用平台!

全国热门有色金属设备推荐
展开更多 +
全国热门有色金属技术推荐
展开更多 +

 

江西省隆恩特环保设备有限公司
宣传

报名参会
更多+

报告下载

有色专家
更多+

中南大学
中国工程院 院士
北京科技大学
副院长/教授
西北有色金属研究院、中国工程院
院士
长沙有色冶金设计研究院有限公司
正高级工程师/中国铝业首席工程师/全国有色金属行业设计大师/国家注册采矿工程师
长沙矿山研究院有限责任公司
高级工程师
赤泥综合利用研究报告2025
推广

热门技术
更多+

推荐企业
更多+

福建省金龙稀土股份有限公司
宣传

发布

在线客服

公众号

电话

顶部
咨询电话:
010-88793500-807