青岛垚鑫智能科技有限公司
宣传

位置:中冶有色 >

有色技术频道 >

分类:
全部
矿山技术
冶金技术
材料制备及加工技术
环境保护技术
分析检测技术
 
全部
功能材料技术
复合材料技术
新能源材料技术
合金材料技术
加工技术
地区:
全部
北京
天津
上海
重庆
河北
山西
辽宁
吉林
黑龙江
江苏
浙江
安徽
福建
江西
山东
河南
湖北
湖南
广东
海南
四川
贵州
云南
陕西
甘肃
青海
内蒙
广西
西藏
宁夏
新疆
其他
其他
展开
 
全部
广州
韶关
深圳
珠海
汕头
佛山
江门
湛江
茂名
肇庆
惠州
梅州
汕尾
河源
阳江
清远
东莞
中山
潮州
揭阳
云浮

广东深圳有色金属材料制备及加工技术理论与应用

免费发布技术信息>>
锂离子电池负极纳米纤维复合材料及其制备方法与应用

本发明公开了一种锂离子电池负极纳米纤维复合材料及其制备方法与应用,所述方法包括:利用含SnO2/C纳米球前驱体的第二溶液和含乙酰丙酮镍的第三溶液通过同轴静电纺丝制备SnO2/C@Ni纳米纤维前驱体;将所述SnO2/C@Ni纳米纤维前驱体经氧化、碳化处理得到SnO2/C@Ni纳米纤维复合材料,即所述锂离子电池负极纳米纤维复合材料。本发明的SnO2/C@Ni纳米纤维复合材料作为锂离子电池负极材料,导电性和结构稳定性得到显著提升,且具有良好的电化学稳定性和倍率性能,具有商业化的应用价值。

标签:
加工技术
广东 - 深圳 来源:中冶有色网 2023-03-18
钴酸锂电池中有价金属回收的方法

一种钴酸锂电池中有价金属回收的方法,通过对废旧的钴酸锂电正极进行处理,得到钴酸锂粉末,在微波条件下进行低温(30℃‑50℃)反应,加入酸性溶液以及过氧化氢,并加入草酸对钴进行沉淀,加入碳酸钠对锂进行沉淀,从而实现对钴和锂的回收。该方法反应条件温和,可以在低温下完成对有价金属钴和锂的回收。

标签:
加工技术
广东 - 深圳 来源:中冶有色网 2023-03-18
废旧锂电池处理回收方法

本发明涉及一种废旧锂电池处理回收方法,包括如下步骤:将废旧锂电池投入可拆卸的废旧锂电池储料装置,将装有废电池的废旧锂电池储料装置安装在所述焚烧炉的反应槽上,通过所述真空处理装置抽去所述焚烧炉内的空气,使所述焚烧炉内的废旧锂电池储料装置和反应槽处于真空状态;通过所述惰性气体输入装置向所述焚烧炉内输入惰性气体;对所述废旧锂电池储料装置内的废电池进行加热焚烧,焚烧后产生的气体通过所述气体排放装置输送到所述第一回收装置,所述第一回收装置用于以冷凝的形式回收低沸点的金属及其化合物。

标签:
加工技术
广东 - 深圳 来源:中冶有色网 2023-03-18
锂硫电池正极载硫材料及其制备方法与应用

本发明涉及一种锂硫电池正极载硫材料及其制备方法与应用,该载硫材料为介孔氟化钙和介孔氟化镁的混合物,介孔氟化钙和介孔氟化镁的摩尔比为1:(1‑1.5),且所述的介孔孔径范围为1‑7nm,比表面积为(140‑160)m2g‑1。本发明以植物根茎为原料,原料来源广泛,成本低,锂硫电池载硫材料制备过程简单。本发明的锂硫电池载硫材料的氟化物为介孔结构,且氟化钙和氟化镁在载硫材料中均匀分布,更有利于对多硫化物溶解的抑制作用。

标签:
加工技术
广东 - 深圳 来源:中冶有色网 2023-03-18
高能量密度的钛酸锂动力电池及其制备方法

本发明公开了一种高能量密度的钛酸锂锂离子动力电池及其制备方法。该电池采用掺入磷酸钒锂的高电位镍锰酸锂材料为正极活物,以碳包覆的钛酸锂材料为负极活物,通过对导电剂、隔膜与电解液等的优化配置,在保有常规钛酸锂电池高安全、长寿命及优异倍率性能的基础上,大幅度提升了其工作电压和能量密度。该电池的制作过程包括活物预混、制浆、制片、卷绕/叠片、封装、注液、二封、化成及检验等步骤。该专利电池兼具了能量密度高、循环寿命长、安全及倍率性能优异等特点,使其在动力电池领域具有广阔的发展前景。

标签:
加工技术
广东 - 深圳 来源:中冶有色网 2023-03-18
锂离子电池用四氧化三钴的制备方法

本发明公开了一种锂离子电池用四氧化三钴的制备方法,使用草酸钴或氢氧化钴或碳酸钴作原料,进行三段煅烧,在煅烧中将钴盐的热裂解与氧化分成两个过程,钴盐热裂解中不提供氧化剂,使之先全部转化成氧化亚钴,然后再升温到氧化温度并提供氧气或空气气氛,使氧化亚钴全部转化为四氧化三钴。通过本方法制得的产品中四氧化三钴的转化率高,钴的其它氧化物极少,而且粒度均匀、松装密度大,另外,在制备所述钴盐中适当控制各种操作参量以得到类球形状钴盐颗粒,用其作为原料煅烧获得的四氧化三钴在粒度和松装密度上更加理想,用本发明提供的方法制备的四氧化三钴用作锂离子电池正极钴酸锂的原料,可提高电池的电学性能和使用寿命。

标签:
加工技术
广东 - 深圳 来源:中冶有色网 2023-03-18
锂硫电池的正极及其制备方法和电池

本发明是关于一种锂硫电池的正极及其制备方法和包含该正极的电池。本发明提供的正极包括导电基体和负载于该导电基体上的正极材料,所述正极材料包括单质硫、导电剂和粘合剂,其中,所述粘合剂为多孔聚乳酸,该正极为多孔结构。该正极的制备方法包括将一种含有单质硫、导电剂和熔融状态的多孔聚乳酸的正极浆料涂敷在导电基体上,将涂敷上正极浆料的导电基体冷却至多孔聚乳酸的凝固温度以下。本发明提供的正极提高了使用所述该正极的锂硫电池的电化学活性和电化学可逆性。而且,本发明提供的锂硫电池是一种无毒的环保电池。

标签:
加工技术
广东 - 深圳 来源:中冶有色网 2023-03-18
锂电无线充电保护板
锂电无线充电保护板 860     
 0

本实用新型涉及一种锂电无线充电保护板,包括有无线充电接收电路、锂电充电管理电路和锂电充放保护电路,所述无线充电接收电路的输出信号传输到锂电充电管理电路,所述锂电充电管理电路的输出信号发送至锂电充放保护电路,使其锂电在充电时先以恒流方式进行充电,在达到规定的充电电压后,充电电流降到所设定的充电电流的百分之十以下时,自动切断输出与锂电的连接,并有状态指示,输出负载电压在低至所设定的电压时,会自动切断与锂电的连接,以保护锂电,并具有冲放同时进行的特点,达到锂电保护板具有无线接收电量并进行适当的充电和保护功能;其可以完全替代传统的锂电保护板,方便的使锂电本身具备无线充电功能,无需以手机等设备为载体。

标签:
加工技术
广东 - 深圳 来源:中冶有色网 2023-03-18
低品位透锂长石矿选矿的方法

本发明涉及一种低品位透锂长石矿选矿的方法,属于锂矿选矿技术领域。本发明的低品位透锂长石矿选矿的方法包括:a.将锂长石矿石均匀破碎,得到矿石粉,所述矿石粉的矿石粒度为‑4mm占55%~95%;b.将所述矿石粉与重悬浮液混合,进行重介质选矿得到的浮相为含重介质的透锂长石精矿,沉相为含重介质的尾矿;c.将b步骤得到的浮相进行超声波预清洗处理;d.将c步骤将预清洗处理后的浮相进行脱介筛脱介,筛上物为透锂长石精矿,筛下物为重介质和矿泥的混合物。本发明透锂长石的选别指标好,品位和回收率高。采用本发明的工艺,重介质的损耗降低,重介质回收率≥99%。

标签:
加工技术
广东 - 深圳 来源:中冶有色网 2023-03-18
无碳纳米磷酸铁锂及其制备方法

一种无碳纳米磷酸铁锂及其制备方法,无碳纳米磷酸铁锂由锂化合物、 铁化合物、磷化合物、掺杂元素化合物按摩尔比相混合形成混合物A,将混 合物A与络合剂按1∶0.1~10的重量比相混合并溶于溶剂,形成粒径为纳 米级的磷酸铁锂。制备方法是将混合物A与络合剂相混合形成混合物料, 将混合物料经球磨、干燥得到粉料,将所得粉料用粉碎设备粉碎后在氧化 气氛炉中烧结,得到被氧化的无碳纳米磷酸铁锂粉体材料,将所得粉体材料 置于还原气氛炉中处理后得到无碳纳米磷酸铁锂粉体材料。本发明的无碳 纳米磷酸铁锂的粒径为30~500nm,比表面积为1~50m2/g,振实密度为 0.7~2.5g/cm3。颗粒细小、均匀、纯度高,不含碳材料,由于添加了掺杂 元素,增强了其电化学性能。该制备方法工艺简单,易于实现产业化。

标签:
加工技术
广东 - 深圳 来源:中冶有色网 2023-03-18
改性锂离子电池正极材料及其制备方法和应用

本发明具体公开一种改性锂离子电池正极材料及其制备方法和应用。所述制备方法包括以下步骤:将富锂层状金属氧化物与致孔剂分别制成具有浓度差的若干份分散液;将NCM材料依次浸入富锂层状金属氧化物浓度由高到低的分散液,每次浸入均静置、过滤干燥;将最终浸出物进行第一次烧结,去除致孔剂,使NCM材料表面包覆若干层具有不同孔隙率和不同孔径的富锂层状金属氧化物层;将获得的NCM材料制成分散液,在物理扰动分散液的条件下同时向其中加入铝源、氟源;过滤干燥,并进行第二次烧结处理,获得改性锂离子电池正极材料。本发明制备方法可以得到稳定的包覆结构,保证脱嵌锂包覆层的稳定,能够有效提高其制成的锂离子电池的电化学性能。

标签:
加工技术
广东 - 深圳 来源:中冶有色网 2023-03-18
圆柱形锂离子电池及制造方法

本发明实施例提供了一种圆柱形锂离子电池,所述圆柱形锂离子电池包括:正极片、负极片、电解液、隔膜、金属壳,其中所述正极是由钴酸锂(LiCoO2)材料制成,在钴酸锂(LiCoO2)材料里,掺杂一定量的铟的化合物。本发明所述元素铟在掺铟钴酸锂中的质量分数为0.005%~6%。掺杂铟元素后,改善了钴酸锂(LiCoO2)材料的导电性能,从而降低了内阻,提高了容量,比传统制备的圆柱形锂离子电池的电容量可以增加10%~20%容量,而且电池的安全性能得到了极大提高。

标签:
加工技术
广东 - 深圳 来源:中冶有色网 2023-03-18
负电极及其制备方法和锂离子电池

本发明涉及锂离子电池技术领域,公开了一种负电极及其制备方法和锂离子电池。所述负电极包括多孔金属网集流体以及附着在所述多孔金属网集流体上的锂合金,且所述多孔金属网集流体的孔洞内填充有热熔型聚合物,且所述热熔型聚合物连接所述锂合金和所述多孔金属网集流体。该负电极的使用能够增加锂电池的循环寿命;以及具有较低的锂电池膨胀率,同时,锂离子电池的安全也能够得到保证。

标签:
加工技术
广东 - 深圳 来源:中冶有色网 2023-03-18
负极活性材料组合物及含有该组合物的磷酸铁锂电池

本发明涉及一种负极活性材料组合物及含有该组合物的磷酸铁锂电池,所述负极活性材料组合物中包括硬碳和石墨,其中所述硬碳的质量百分比为0.1~50%,正极采用橄榄石型的磷酸铁锂材料,将石墨和硬碳材料组成负极,配上具有高安全的磷酸铁锂正极,使得本发明的磷酸铁锂电池具有优良的大倍率充放电性能、低温放电性能、安全性能、高的体积能量密度,并综合了硬碳的充放电平台曲线特点,使磷酸铁锂的放电平台不过于平直,有利于电池BMS系统对电池电压监测,本发明能广泛运用于磷酸铁锂电池特别是动力型磷酸铁锂电池当中。

标签:
加工技术
广东 - 深圳 来源:中冶有色网 2023-03-18
防爆阻燃的锂电池
防爆阻燃的锂电池 1164     
 0

本实用新型公开了一种防爆阻燃的锂电池,包括工程塑料盒,所述工程塑料盒的内腔通过螺栓连接有锂电池本体,所述工程塑料盒的内壁铆接有岩棉板,所述岩棉板的内壁铆接有陶瓷纤维板,所述锂电池本体的外表面与陶瓷纤维板相接触,所述工程塑料盒的外表面固定连接有防爆机构,所述工程塑料盒的顶部放置有铝板。本实用新型具备能够对锂电池表面进行防爆保护及具有阻燃功能的优点,解决了现有的锂电池在使用过程中,通常不具有阻燃功能,导致当锂电池发生短路产生火焰时,无法对火焰进行阻隔和阻燃处理,从而容易产生安全隐患,且由于结构单一,不能对锂电池的表面进行防爆保护,降低了锂电池适用性的问题。

标签:
加工技术
广东 - 深圳 来源:中冶有色网 2023-03-18
锂电池供电电路和可移动电子设备

一种锂电池供电电路和可移动电子设备,锂电池供电电路包括开关模块、降压型稳压模块和控制模块,控制模块获取锂电池的输出电压,并根据输出电压输出控制信号至开关模块,开关模块根据控制信号使其输出端与降压型稳压模块连接,以对锂电池的输出电压进行降压后输出,或者使其输出端直接与锂电池电压的输出端连接,以对锂电池的输出电压直接输出;由此,本实用新型无需升压模块先对锂电池的输出电压进行升压后再进行后续降压,提升了锂电池的使用效率,实现成本较低,且提高了后续可移动电子设备的续航能力。

标签:
加工技术
广东 - 深圳 来源:中冶有色网 2023-03-18
锂电池安装定位装置
锂电池安装定位装置 1054     
 0

本实用新型公开了一种锂电池安装定位装置,所述电池安装箱的内侧两边分别设有导电片,所述电池安装箱的内侧安装有背板,所述电池安装箱的两侧还分别通过合页铰接有第一定位板、第二定位板,所述第一定位板、第二定位板的一侧分别设有压紧结构,所述第一定位板的一端设有卡块,所述第二定位板的一端设有卡槽;本实用新型易于锂电池的置入定位;易于锂电池的安装固定;操作简便快捷,节省时间,通过翻转第一定位板、第二定位使其一侧卡压锂电池,凹槽对应在锂电池上方,压紧板压紧锂电池,弹簧压缩,卡块卡接在卡槽中,使得锂电池被固定稳定,不会在使用过程中发生松动、晃动的现象,锂电池安装后稳定性高;散热性好。

标签:
加工技术
广东 - 深圳 来源:中冶有色网 2023-03-18
具有抗冲击功能的锂电池

本实用新型公开一种具有抗冲击功能的锂电池,包括四棱柱型的锂电池本体和电池盒,锂电池本体的外侧套接有用于固定锂电池本体的固定座,固定座设置有多个,锂电池本体通过导线连接电路控制板,固定座四个拐角处的底部均一体设置有固定耳,固定耳的中心处开设有圆形的孔洞,孔洞的内部插接有可在其内部自由滑动的固定杆,固定杆的外壁套接有复位弹簧,固定杆的两端分别与电池盒的顶端内壁和底端内壁固定,固定杆的外壁设置有限位块,固定座侧面的顶端与锂电池本体的顶面齐平。通过以上各装置的配合使用,能够避免振动对锂电池造成损伤,并且能够保证锂电池对外部供电的正常进行。

标签:
加工技术
广东 - 深圳 来源:中冶有色网 2023-03-18
便于实时监控的锂电池组

本实用新型适用于锂电池技术领域,提供了一种便于实时监控的锂电池组,包括电池组件和冷却组件,所述电池组件包括底座、支板、套筒、顶盖、接线柱、第一温湿度传感器、第二温湿度传感器、锂电池本体和显示屏,所述冷却组件包括冷却箱、输液管和密封盖,套筒的内表面和顶盖的下表面分别安装有用于检测锂电池本体工作环境的温湿度的第一温湿度传感器和第二温湿度传感器,并且套筒的外壁上安装有用于显示温湿度值的显示屏,通过设置套设在锂电池本体的外侧的冷却箱,从而使用者能够通过在冷却箱内注入低温冷却液以对锂电池进行降温,也能够通过在冷却箱内注入加热后的冷却液以对锂电池进行升温,使得锂电池的工作更稳定。

标签:
加工技术
广东 - 深圳 来源:中冶有色网 2023-03-18
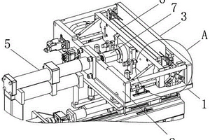
智能自动化锂电池检测设备

本发明提供一种智能自动化锂电池检测设备,包括检测机柜、设置于检测机柜上部的保护机罩、设置于所述检测机柜内部的电源组件、控制器组件、数据存储器、无线通讯传输单元、报警器以及散热器组件;所述检测机柜上部左右两侧分别开设有用于放置待检测锂电池、检测完成之后的锂电池的锂电池放置槽,且在两锂电池放置槽中间部位还设置有第一锂电池检测机构、第二锂电池检测机构、用于放置待检测锂电池的锂电池旋转盘以及用于将锂电池在两锂电池放置槽与锂电池旋转盘之间进行快速转移的机械手转移组件,实际使用过程中,可以快速的利用机械手转移组件进行锂电池的移转,由于具备多个检测机构,所以检测效率高,设备稳定性强。

标签:
加工技术
广东 - 深圳 来源:中冶有色网 2023-03-18
防止过充的新能源车锂电池保护板

本实用新型公开了一种防止过充的新能源车锂电池保护板,包括锂电池保护主板,以及涂覆在锂电池保护主板上的绝缘镀膜,所述锂电池保护主板内开设有若干个安装孔,所述锂电池保护主板上设有熔断丝,所述锂电池保护主板上还设有控制器,所述控制器内设有过载保护装置和均衡线路,所述控制器内还开设有内槽。本实用新型设置有辅助安装机构,安装隔板可通过固定导块沿支臂的侧槽中轴线方向移动,能够有效的改变安装隔板的位置,从而能够有效的改变安装隔板之间的间距,可适应安装隔板的安装位置;可通过锁止螺杆推动锁止块移动,直至将锁止块抵住支臂,从而能够有效的限制支臂和安装隔板的位置,为锂电池保护主板提供稳定的支撑。

标签:
加工技术
广东 - 深圳 来源:中冶有色网 2023-03-18
具有辅助加热功能的绝缘型锂电池保护板

本实用新型公开了一种具有辅助加热功能的绝缘型锂电池保护板,包括底座和设置在底座一端的板块,以及设置在板块一端的锂板,底座的一端加热绝缘机构,底座的一侧设置有防过热机构,加热板的一端开设有圆槽,圆槽的两端开设有圆孔A,圆槽的两端开设有圆孔B,圆孔B的内部设置有导电棒,圆孔A的一端设置有T型块,圆孔A的内部设置有滑块,滑块的一端设置有T型槽,T型槽与T型块相连接,滑块的一端设置有长杆,长杆的一端设置有导电板,当锂电池过热时,因热胀冷缩,锂电池会变大,锂电池碰撞到滑块,滑块沿着T型槽进行移动,滑块推动长杆、导电板进行移动,使导电板接触到导电棒,造成短路,锂电池停止工作,解决锂电池过热易损坏的问题。

标签:
加工技术
广东 - 深圳 来源:中冶有色网 2023-03-18
具有防爆功能的锂电池保护板

本实用新型公开了一种具有防爆功能的锂电池保护板,涉及锂电池保护板技术领域。包括保护板本体,所述保护板本体上固定安装有密封框架,所述密封框架上设置有一号密封组件,所述一号密封组件包括螺纹杆、螺母、一号轴承、一号固定杆、一号连接杆。该具有防爆功能的锂电池保护板,在保护板本体上设置有密封框架,在密封框架上设置有一号密封组件和二号密封组件,在三角形板的作用下可以推动一号弧形密封组件和二号密封组件贴合在导线上,达到对导线和通孔密封的作用,解决了现有的锂电池保护板,无法对导线与锂电池保护板的连接位置进行密封,使得水和灰尘会从导线与锂电池保护板中间的缝隙进入锂电池的问题。

标签:
加工技术
广东 - 深圳 来源:中冶有色网 2023-03-18
新型耐高温的锂离子电池单体

本实用新型属于锂离子电池领域,具体的说是一种新型耐高温的锂离子电池单体,包括放置盘,所述放置盘的顶部开设有放置槽,所述放置槽的内壁固定连接有固定块,所述固定块的顶部活动连接有锂离子电池本体,所述锂离子电池本体的一端活动连接有压缩机构;通过放置盘、放置槽、固定块、锂离子电池本体、压缩机构、固定盒、弹簧、推块、固定杆、放置板、卡合机构、连接板、支撑板、活动板、活动销、卡块和拉绳的结构设计,实现了该锂离子电池单体便于收纳的功能,通过将锂离子电池本体放到放置板上,方便了人们将其整理后统一收藏,使得该电池单体的安全性能得到很大提升,从而提高了该电池单体的使用品质,给人们的工作带来便利。

标签:
加工技术
广东 - 深圳 来源:中冶有色网 2023-03-18
圆柱形软包装钛酸锂电池

本实用新型公开了一种圆柱形软包装钛酸锂电池,包括钛酸锂电池主体,所述钛酸锂电池主体的顶端套接有固定框,且固定框的表面固定连接有第一固定块,所述第一固定块的内部插设有限位杆,且限位杆远离第一固定块的一端与固定板的表面相抵触。本实用新型通过设置有第一固定块与第二固定块,将第一固定块插设在第二固定块的内部,并通过限位杆可以将第一固定块固定在第二固定块的内部,从而可以方便多组钛酸锂电池主体之间的拆卸与安装,通过设置有保护板,可以起到防护钛酸锂电池主体的作用,防止钛酸锂电池主体在搬运或使用时受到碰撞造成损坏,从而影响钛酸锂电池主体的使用。

标签:
加工技术
广东 - 深圳 来源:中冶有色网 2023-03-18
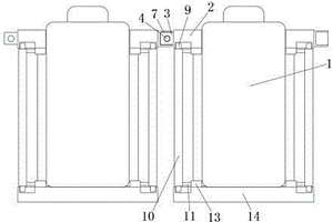
锂电池立式联动热压结构

本实用新型涉及电池热压技术领域,且公开了一种锂电池立式联动热压结构,包括机架,所述机架顶部一侧边缘设置有基板,所述机架顶部另一侧边缘设有下压板机构,所述机架顶部表面固定设置有运动执行机构,所述基板上固定连接有增压缸,所述基板与下压板机构之间设有上压板机构。该锂电池立式联动热压结构,可使锂电池立式放置后加工,通过联动机构实现上下压板同步加压锂电池,从而使锂电池双面均匀受力,达到对锂电池塑形的作用,联动机构简单灵便,减少上下压板单独运动时的误差,保证锂电池受压均匀性,减少加工安装成本,从而提高了生产效率,也提高了对塑形的合格率;同时也为后续维护提高简洁性。

标签:
加工技术
广东 - 深圳 来源:中冶有色网 2023-03-18
负极预锂化添加剂及其制备方法和应用

本申请提供一种负极预锂化添加剂的制备方法,包括以下步骤:在惰性气氛中将纳米颗粒、锂金属按照预定质量比例混合并进行第一次热处理,使所述纳米颗粒和所述锂金属发生合金化反应,得到锂化合金内核;将所述锂化合金内核进行研磨,得到粉末;将所述粉末加入异丙醇铝溶液中进行搅拌,使所述粉末发生表面包覆反应,过滤得到沉淀物;将所述沉淀物用溶剂洗涤多次;将洗涤后的沉淀物进行第二次热处理,得到干燥产物;将所述干燥产物进行研磨,得到所述负极预锂化添加剂。本申请还提供一种由上述方法制备的负极预锂化添加剂、包括所述负极预锂化添加剂的负极极片和锂离子电池。

标签:
加工技术
广东 - 深圳 来源:中冶有色网 2023-03-18
锂电池隧道式自动干燥线

本发明涉及锂电池加工设备,提供了一种锂电池隧道式自动干燥线,包括主控制器、上料模组、干燥模组、下料模组、搬运模组和搬运小车;所述自动干燥线是由上料模组将来料输送线锂电池上料位的锂电池上料到搬运小车夹具并将上料完成的搬运小车运送至干燥模组,所述干燥模组对搬运小车夹具上的锂电池进行真空高温干燥并将干燥完成的搬运小车运送至下料模组,所述下料模组将搬运小车夹具上的锂电池下料到下料输出线并将下料完成的搬运小车运送至于搬运模组,所述搬运模组将下料完成的搬运小车运送至上料模组进行再次锂电池上料。该自动干燥线与传统锂电池烘箱相比,在同等产能情况下可减少大量占地空间,并且搬运小车可在回流线重复使用,不需要常规的叉车等调度系统,同时此搬运小车夹具减少了锂电池的翻转等复杂操作,从根本上减少了大量成本。

标签:
加工技术
广东 - 深圳 来源:中冶有色网 2023-03-18
锂离子电池的修复方法

本发明公开了一种锂离子电池的修复方法,包括如下步骤:将锂离子电池充分放电,接着在锂离子电池的上开设与锂离子电池的内腔连通的注液孔;通过注液孔向锂离子电池的内腔注入修复电解液,接着将注液孔密封;将锂离子电池静置老化,接着将锂离子电池置于0℃~‑35℃的环境下冷冻;将锂离子电池取出,恢复至室温后充电至上限电压,接着将锂离子电池再次置于0℃~‑35℃的环境下冷冻;将锂离子电池再次取出,恢复室温后完成锂离子电池的修复。结合实施例中的具体数据,这种锂离子电池的修复方法对锂离子电池进行了修复,修复后的锂离子电池在可循环次数和可充放电容量上均有明显提升,从而形成了对资源的合理利用。

标签:
加工技术
广东 - 深圳 来源:中冶有色网 2023-03-18
锂离子电池用涂胶隔膜及其制备方法和应用

本发明涉及锂离子电池用隔膜领域,公开了一种锂离子电池用涂胶隔膜及其制备方法和应用。本发明的锂离子电池用涂胶隔膜包括基膜和形成在所述基膜表面的涂胶层,所述涂胶层的厚度偏差百分比为10%以下,其中,厚度偏差百分比=(Dmax‑Dmin)/Dave×100%,Dmax为所述涂胶层的厚度的最大值,Dmin为涂胶层的厚度的最小值,Dave为涂胶层的厚度的平均值。根据本发明,能够提供一种操作简单、环保、可控性强、涂胶隔膜一致性高的锂离子电池用涂胶隔膜及其制备方法和应用。

标签:
加工技术
广东 - 深圳 来源:中冶有色网 2023-03-18
上一页 483 484 485 486 487 ... 500 ... 771 下一页
共771页    到第

中冶有色为您提供最新的广东深圳有色金属材料制备及加工技术理论与应用信息,涵盖发明专利、权利要求、说明书、技术领域、背景技术、实用新型内容及具体实施方式等有色技术内容。打造最具专业性的有色金属技术理论与应用平台!

全国热门有色金属设备推荐
展开更多 +
全国热门有色金属技术推荐
展开更多 +

 

江西省隆恩特环保设备有限公司
宣传

报名参会
更多+

报告下载

有色专家
更多+

中南大学
中国工程院院士
有研科技集团有限公司
首席科学家
北京科技大学
教授
中冶沈勘秦皇岛工程技术有限公司
原矿山院院长/教授级高工
西安建筑科技大学
教授
赤泥综合利用研究报告2025
推广

热门技术
更多+

推荐企业
更多+

福建省金龙稀土股份有限公司
宣传

发布

在线客服

公众号

电话

顶部
咨询电话:
010-88793500-807