青岛垚鑫智能科技有限公司
宣传

位置:中冶有色 >

有色技术频道 >

> 加工技术

分类:
全部
矿山技术
冶金技术
材料制备及加工技术
环境保护技术
分析检测技术
 
全部
功能材料技术
复合材料技术
新能源材料技术
合金材料技术
加工技术
地区:
全部
北京
天津
上海
重庆
河北
山西
辽宁
吉林
黑龙江
江苏
浙江
安徽
福建
江西
山东
河南
湖北
湖南
广东
海南
四川
贵州
云南
陕西
甘肃
青海
内蒙
广西
西藏
宁夏
新疆
其他
其他
展开
 
全部
福州
厦门
漳州
泉州
三明
莆田
南平
龙岩
宁德

福建福州有色金属加工技术理论与应用

免费发布技术信息>>
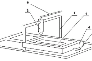
有效减震的新能源锂电池加工用输送装置

本实用新型公开了一种有效减震的新能源锂电池加工用输送装置,包括运输车体,所述运输车体的下侧焊接有底座,所述运输车体的内部底端卡槽连接有海绵垫,所述弹簧的上侧焊接固定有运输箱,所述橡胶垫的下侧内部贯穿连接有凸块,所述底座的左侧内部开设有右限位孔,所述左限位孔的内部活动连接有连接杆,且连接杆的前侧焊接有限位块,所述连接杆的外侧固定连接有推杆,且推杆的右侧上方预留有第二限位槽。该有效减震的新能源锂电池加工用输送装置,使用者能够根据需要对推杆进行调节,方便输送,灵活性高,能够有效减震,增强稳定性,对锂电池起到保护作用,避免输送过程中锂电池半成品内部的液质紊乱,安全性高。

标签:
加工技术
福建 - 福州 来源:中冶有色网 2023-03-18
动力锂电池组工况采集系统

本实用新型提供一种动力锂电池组工况采集系统,包括工业嵌入式电脑、以太网采集控制器以及至少一电压电流采集模块,所述电压电流采集模块与被测动力锂电池组一一对应连接,并通过SPI总线接口连接所述以太网采集控制器;所述工业嵌入式电脑通过以太网采集控制器经SPI总线接口控制所述电压电流采集模块进行电压、电流数据的采集和收集,并将电压、电流数据传送至所述工业嵌入式电脑进行处理和显示;所述电压电流采集模块包括一MCU、一电压采集电路、一电流采集电路以及一电源模块。本实用新型的动力锂电池组工况采集系统,快速地、连续地、关联地采集动力锂电池组工况数据。

标签:
加工技术
福建 - 福州 来源:中冶有色网 2023-03-18
富锂锰基固溶体/石墨烯复合材料及其制备方法

本发明提供了一种富锂锰基固溶体/石墨烯复合材料及其制备方法,适用于能源材料技术领域。本发明的所述富锂锰基固溶体结构通式为xLi2MnO3·(1-x)LiMO2,其中M为Ni、Co、Mn、Cr、Ni-Co、Ni-Mn、Ni-Co-Mn、Fe和Ru中的任一种,0

标签:
加工技术
福建 - 福州 来源:中冶有色网 2023-03-18
锂电池电箱与储能舱体共用的全氟己酮灭火系统

本实用新型提供了一种锂电池电箱与储能舱体共用的全氟己酮灭火系统,包括用于储存全氟己酮灭火液的储液罐,所述储液罐设置于储能电池舱内,所述储能电池舱内设置有多排锂电池电箱,所述储液罐的出液口处设置有抽液泵,所述抽液泵上连接有输液主管,所述输液主管上连接有多根第一输液分管,且所述第一输液分管与所述输液主管垂直设置,所述第一输液分管上等距离设置有多根与所述锂电池电箱相配合的第二输液分管,所述第二输液分管的出液端设置有用于将全氟己酮灭火液注入锂电池电箱内的热敏释放装置;本实用新型操作便捷,能够实现锂电池电箱在热失控时,对锂电池电箱进行内部灭火,也能够实现储能电池舱体火灾时,对储能舱体进行内部灭火。

标签:
加工技术
福建 - 福州 来源:中冶有色网 2023-03-18
锂电池测试系统控制方法及装置

本发明提供了锂电池测试技术领域的一种锂电池测试系统控制方法及装置,方法包括如下步骤:步骤S10、中位机创建一第一线程、一第二线程、一命令发送列表、一数据采集周期、一命令响应时长以及一次数阈值;步骤S20、中位机接收上位机发送的测试工步,基于所述数据采集周期,通过第一线程定时从下位机获取锂电池的测试数据;步骤S30、中位机解析所述测试工步得到若干个工步控制命令并加入命令发送列表;步骤S40、中位机通过所述第二线程,将所述命令发送列表内的工步控制命令依次发送给下位机执行,并通过所述命令响应时长以及次数阈值对工步控制命令的执行情况进行监控。本发明的优点在于:极大的提升了锂电池测试的可靠性。

标签:
加工技术
福建 - 福州 来源:中冶有色网 2023-03-18
含B、V、O簇化合物的新型锂电池正极材料

本发明属于材料技术领域,具体涉及一种含B、V、O簇化合物的新型锂电池正极材料。所述正极材料由以下质量分数的原料组分组成的:正极活性材料:80~85wt%,导电材料:10~15wt%,粘接材料:5~10wt%;其中正极活性材料为{[Li(H2O)2]3[V12B18O42(OH)18(H2O)]}2·11(OH)·12(H2O);本发明利用水热合成法一步直接得到了一种结构新颖的锂电池正极材料,该正极材料具有较高的首次放电比容量和良好的循环性能,且备方法简单,原料来源丰富,同时价格低廉,具有很好的应用前景。

标签:
加工技术
福建 - 福州 来源:中冶有色网 2023-03-18
锂云母多级悬浮焙烧脱氟的方法

本发明公开了一种锂云母多级悬浮焙烧脱氟的方法,将锂云母矿粉投入到二级悬浮焙烧炉中,利用一级旋风收尘器收尘后的尾气进行干燥预热焙烧,预热后的矿粉与尾气通过二级旋风除尘器进行分离,分离后的矿粉投入到一级悬浮焙烧炉内,与从燃烧室获得的含水蒸气燃烧气体以及补充的水蒸气进行焙烧脱氟,并随气体一起进入一级旋风收尘器中完成气固分离,分离后的气体回到二级悬浮焙烧炉中预热新投入的矿粉,一级旋风收尘器中收集的矿粉进入保温罐中进一步通入水蒸气脱氟,得到脱氟锂云母。本发明锂云母可迅速完成脱氟,相对于传统回转窑、流化床脱氟工艺,具有能耗低、设备紧凑、投资少、处理量大、脱氟时间短、温度控制精确、流程简单、脱氟彻底优点。

标签:
加工技术
福建 - 福州 来源:中冶有色网 2023-03-18
全固态薄膜锂电池的低温制备方法

本发明公开了一种全固态薄膜锂电池的低温制备方法,该发明以旋涂纳米材料低温制备薄膜电极,并以低温溅射LiPON为固态电解质,实现全固态锂电池的低温制备。该步骤包括:利用旋涂先将纳米结晶电极粉末制备厚度可控、表面光滑和均一性好的薄膜电极,并通过溅射或进一步旋涂低温制备全固态薄膜锂电池。本发明具有可避免高温退火结晶、操作简便、容易实现、低温制备、可利用现有电极材料体系开发全固态薄膜锂离子电池等优点。

标签:
加工技术
福建 - 福州 来源:中冶有色网 2023-03-18
汽车锂电池盒喷粉用遮挡装置

本实用新型公开了一种汽车锂电池盒喷粉用遮挡装置,涉及锂电池盒加工设备领域,包括盖板,盖板包括设于一端的旋转部,旋转部安装在连接座上,盖板还包括设于另一端的连接柱,连接柱和旋转部之间通过上盖连接;装配后,汽车锂电池盒夹接在底座和上盖之间,两块上盖之间的区域即为喷粉区域。本实用新型通过在底座的一侧设置连接座,并在连接座上设置旋转部,通过旋转部上的上盖将汽车锂电池盒压合在底座上,再将整体推送至喷粉区,使得被上盖盖合的区域不被喷粉,两块上盖之间间隔的区域受到喷粉,方便更快捷更有效的加工,还能减少人工进行喷粉时产生的误差。

标签:
加工技术
福建 - 福州 来源:中冶有色网 2023-03-18
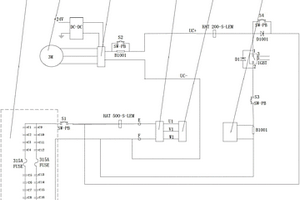
铅酸电池与锂电池并用的电源管理系统

本实用新型提供了基站电源技术领域的一种铅酸电池与锂电池并用的电源管理系统,包括MCU、整流器、双向隔离DCDC模块、开关K1、开关K2、霍尔电流传感器HR1、霍尔电流传感器HR2、采集保护模块、锂电池组、铅酸电池组、显示屏、通信模块、电压电流采集器;双向隔离DCDC模块与整流器、开关K1、开关K2连接;霍尔电流传感器HR1与开关K1、采集保护模块连接;采集保护模块与铅酸电池组连接;霍尔电流传感器HR2与开关K2、锂电池组连接;MCU分别与开关K1、开关K2、霍尔电流传感器HR1、霍尔电流传感器HR2、锂电池组、采集保护模块、显示屏、通信模块、电压电流采集器连接。本实用新型的优点在于:实现铅酸电池与锂电池的双重备用,以保障基站的电源不间断。

标签:
加工技术
福建 - 福州 来源:中冶有色网 2023-03-18
锂电池性能一致性检测装置

本实用新型公开一种锂电池性能一致性检测装置,温度检测组件、电压检测组件、电流检测组件、放电组件分别具有与待测试的锂离子电池组中单体电池数量相同的温度检测单元、电压检测单元、电流检测单元、放电单元,分别对应并联至锂离子电池组的每单体电池上;大电流充电电源、小电流充电电源、脉冲电流充电电源相互并联后与锂离子电池组串联,系统控制组件分别与温度检测组件、电压检测组件、电流检测组件、大电流充电电源、小电流充电电源、脉冲电流充电电源连接和放电组件连接,系统控制组件与数据处理组件连接,数据处理组件存储锂离子单体电池的性能数据并分类处理。本实用新型对单节电池或成组的电池进行测试,模拟电池组状态下的电池性能,提高性能预测的准确度。

标签:
加工技术
福建 - 福州 来源:中冶有色网 2023-03-18
正弦交流的锂电池低温自加热装置及方法

本发明提出一种正弦交流的锂电池低温自加热装置,所述自加热装置包括与锂电池充电接口相连的正弦交流电路;所述正弦交流电路向锂电池充电接口输出交流电来对锂电池进行充电或加热;本发明能在低温及常温环境下,对锂电池边充电边加热。

标签:
加工技术
福建 - 福州 来源:中冶有色网 2023-03-18
锂金属用阻燃凝胶电解质及其制备方法和应用

本发明公开了一种锂金属用阻燃凝胶电解质及其制备方法和应用,该方法包括以下步骤:S1、将聚丙烯酸乙酯‑丙烯酸溶解于溶剂a中得到溶液A,将LiOH溶解于溶剂a中得到溶液B,再将溶液B滴加到溶液A中,充分反应后得到溶液C;S2、将锂盐溶解于有机溶剂b中,充分混合后得到溶液D,再将溶液C和溶液D充分混合后得到溶液E;S3、将溶液E浇筑到聚四氟乙烯模具中,放入40℃的鼓风烘箱中保温30分钟,再将其转移到真空干燥箱中80℃保温4小时后迅速转移至手套箱中,从聚四氟乙烯模具中取出后裁成圆片,得到锂金属用阻燃凝胶电解质;该锂金属用阻燃凝胶电解质在室温下具有较高的离子电导率及锂离子迁移能力、良好的电化学稳定性和优良的阻燃性。

标签:
加工技术
福建 - 福州 来源:中冶有色网 2023-03-18
软包锂电池的翻转单元、表面缺陷检测装置

本发明公开了一种软包锂电池的翻转单元、表面缺陷检测装置,翻转单元包括前翻转组件和后翻转组件;前翻转组件包括竖向支撑板、第一支撑件、第一承接板、气缸安装板、伸缩气缸、第一轴承座、第一转轴和第一电机驱动;后翻转组件包括第二支撑件、第二承接板、第二轴承座、第二转轴和第二电机驱动;第一转轴在第一电机的驱动下,带动竖向支撑板旋转,将软包锂电池翻转成竖直状态,在第二电机驱动下,第二转轴带动第二支撑件旋转,实现软包锂电池的翻转。本发明可以实现对软包锂电池的翻转和表面检测,填补现有技术的空白。翻转单元结构简单,运行稳定,翻转过程可以避免对软包锂电池的磨损,而且生产成本低,易于推广。

标签:
加工技术
福建 - 福州 来源:中冶有色网 2023-03-18
两段直接升温烧结法制备富锂固溶体正极材料的方法

本发明涉及一种两段直接升温烧结法制备富锂固溶体正极材料的方法,其特征在于制备过程由以下步骤组成:按照锂离子、镍离子、锰离子、钴离子、还原剂摩尔比为(1+x):(1-x)·y:(x+z-x·z):(1-x)·k:q?分别称取锂的化合物、镍的化合物、锰的化合物、钴的化合物、氧化剂。将氧化剂与湿磨介质混合,再混入称取的镍的化合物、锰的化合物和钴的化合物,湿磨混合后,加入氨水和锂的化合物,再次湿磨混合,在陈化后用加热干燥方法制备干燥的前驱物2;将前驱物2置于空气、富氧气体或纯氧气氛中,采用两段直接升温烧结法制备富锂固溶体正极材料。本发明制备的电极材料组成均匀,具有优秀的放电性能,特别是在大电流条件下放电的循环性能佳。

标签:
加工技术
福建 - 福州 来源:中冶有色网 2023-03-18
锂离子电池电解液
锂离子电池电解液 928     
 0

本发明公开了一种锂离子电池电解液,其包括非水有机溶剂、锂盐和添加剂。其中,所述电解液添加剂为链状亚硫酸酯类化合物,该添加剂在电解液中的含量范围为0.1~1.0%(质量比)。本发明锂离子电池电解液中,链状亚硫酸酯类化合物能够有效的改善锂离子电池的循环性能。

标签:
加工技术
福建 - 福州 来源:中冶有色网 2023-03-18
包覆一氧化硅网状结构的纳米硅粒子与石墨烯锂电池负极材料混合物的制备方法

本发明提供一种包覆一氧化硅网状结构纳米硅粒子与石墨烯锂电池负极材料混合物的制备方法,包括以下步骤:(1)将硅化合物与石墨烯混合,配制溶性混合物溶液;(2)将可溶性混合物溶液中的硅化合物和石墨烯均制成纳米粒子,再加入微波热裂解设备的腔体内;(3)将腔体内的氧分压控制在5~10000ppm,温度为200~500℃,反应10~300s后,收集微波热裂解腔体内的粉末,干燥,得到产品。此方法不仅工艺简单,而且,所得到的包覆一氧化硅网状结构的纳米硅粒子与石墨烯锂电池负极材料的混合物中纳米硅粒子与石墨烯粒子的分散性好、纯度高。

标签:
加工技术
福建 - 福州 来源:中冶有色网 2023-03-18
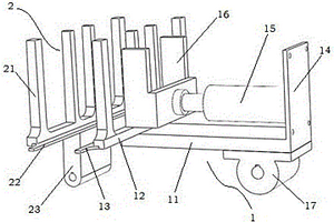
强化锂电池可靠性固定的结构

本实用新型涉及一种强化锂电池可靠性固定的结构,包括排列于两相互平行支架之间的若干个锂电池,若干个锂电池轴向垂直于支架,若干个锂电池之间蛇形缠绕有PVC软管,PVC软管内部设有气道。结构简单,通过充气的PVC软管缠绕与每颗锂电池的有效接触,对每个锂电池产生足够的弹性力量,保证未来使用过程中有效的帮助锂电池吸收震动,降低电池因装配误差产生的失效风险。

标签:
加工技术
福建 - 福州 来源:中冶有色网 2023-03-18
石墨烯-硅酸锰锂正极材料的制备方法

本发明公开了一种石墨烯-硅酸锰锂正极材料的制备方法,属于锂离子电池领域。该方法首先将多孔二氧化硅负载在石墨烯上,然后按比例将石墨烯-二氧化硅、锂盐、锰盐和添加剂混合均匀,在惰性气氛下高温煅烧,得到石墨烯-硅酸锰锂正极材料。本发明制备的硅酸锰锂颗粒小,表面包覆一层无定形碳,且均匀分散在石墨烯表面上,有效提高了硅酸锰锂的导电性和电化学性能,在锂离子电池领域有着广泛的应用前景。

标签:
加工技术
福建 - 福州 来源:中冶有色网 2023-03-18
锂电池模组支架
锂电池模组支架 860     
 0

本实用新型公开了一种锂电池模组支架,包括下壳体,所述下壳体内设有锂电池模组组件,所述下壳体上设有上壳,所述上壳将锂电池模组组件盖设于下壳体内;所述锂电池模组组件包括支架,所述支架上设有若干用于安装电芯组的电芯下防火筒;所述支架上设有若干螺丝柱;所述支架的底面设有用于安装镍片的镍片槽;所述下壳体的内底部设有与电芯下防火筒相配合的下壳防火筒;所述下壳体的内底部设有与螺丝柱相配合的支架螺丝孔。本实用新型结构简单可靠,成本低,效果好,安全性高。

标签:
加工技术
福建 - 福州 来源:中冶有色网 2023-03-18
锂离子电池表面的超声波喷涂装置

本实用新型涉及一种锂离子电池表面的超声波喷涂装置,包括一垂直设置且同步的第一滑动机构和第二滑动机构,所述第一滑动机构架设于第二滑动机构上,所述第一滑动机构上设有一超声波雾化喷头,所述超声波雾化喷头沿所述第一滑动机构横向移动,所述第二滑动机构上设有一加热器,所述加热器上表面贴设有一锂离子电池的电极片,所述加热器沿所述第二滑动机构水平移动,所述超声波雾化喷头的喷嘴设置于所述锂离子电池的电极片的上方,所述超声波雾化喷头还连通有一进液管。本实用新型的有益效果在于:通过所述第一滑动机构和第二滑动机构的同步移动,实现锂离子电池的电极片的均匀喷涂。

标签:
加工技术
福建 - 福州 来源:中冶有色网 2023-03-18
锂电芯的自动分选机
锂电芯的自动分选机 1065     
 0

本实用新型提供一种锂电芯的自动分选机,包括控制单元以及与该控制单元电连接的进料机构、喷码扫描机构、测试机构、分选机构、出料机构以及输送槽,所述进料机构位于输送槽的首端,所述测试机构设输送槽上,所述喷码扫描机构设于输送槽的旁侧并处于进料机构与测试机构之间,所述出料机构与测试机构并排布置,所述分选机构架设在所述测试机构和出料机构的上方,所述分选机构将测试机构上完成测试的锂电芯对应吸起并放置在出料机构相应的收料槽上。本实用新型不仅能够全自动的进行扫描测试分选,提高了工作效率,而且能同时测试多个锂电芯,测试效率高,测试过程稳定可靠,且无需人工喷码,锂电芯分选的一致性也较高。

标签:
加工技术
福建 - 福州 来源:中冶有色网 2023-03-18
锂电池盒生产用冲孔装置

本实用新型公开了锂电池盒技术领域的一种锂电池盒生产用冲孔装置,包括底板和传送带组件,传送带组件安装设置于底板的顶部,底板的底部固接有四组呈阵列状分布的撑脚,底板的上方设置有顶板,顶板的底部与底板之间固接有撑杆,顶板上安装设置有电推杆,电推杆的底部固接有上电机,上电机的底部动力输出端固接有钻头,传送带组件内设置有支撑板,支撑板与底板之间固接有撑板,底板的底部固接有下电机。本实用新型结构合理,操作方便,通过两组电机与电推杆配合,支撑板与限位板对锂电池盒进行支撑限位,提高锂电池盒的冲孔精度与效率;通过转杆与转臂配合,限位板对其进行限定,便于批量冲孔,便于广泛使用。

标签:
加工技术
福建 - 福州 来源:中冶有色网 2023-03-18
聚合硫材料及其在制备锂硫电池中的应用

本发明公开了一种聚合硫材料及其在制备锂硫电池中的应用,其是将升华硫粉和咪唑类有机物混合均匀后,经搅拌反应、机械粉碎制得所述聚合硫材料。本发明制备方法具有设备要求低,工艺简单的特点,所制备的聚合硫材料为高硫有机物,其中硫与咪唑环结构间存在化学键,这使其作为锂硫电池正极材料时,具有储锂可逆容量高的特点,且可减少可溶多硫化锂的产生量,提高电池容量、倍率性能、循环寿命和容量保持率,具有良好应用潜力。

标签:
加工技术
福建 - 福州 来源:中冶有色网 2023-03-18
带锂电池和超级电容的电动汽车控制系统及其控制方法

本发明公开一种带锂电池和超级电容的电动汽车的控制系统及其控制方法,其包括三相异步发电机、变频器A和变频器B、超级电容、锂电池和驱动电机,所述超级电容与锂电池并联,锂电池和超级电容一端分别与变频器A连接,变频器A另一端连接三相异步电机,超级电容和锂电池另一端分别与变频器B连接,变频器B另一端连接驱动电机。本发明采用锂电池和超级电容共同作为辅助储能元件,锂电池在夜间用电低峰时,利用充电接口给锂电池充电。当车辆处于轻载和制动时,三相异步发电机再生发电,将动能转化成电能储存于超级电容中,节能减排的效果明显降低。同时,变频器开关电源的输入端连接的恒定电源使变频器能在控制系统允许的所有电压范围内工作。

标签:
加工技术
福建 - 福州 来源:中冶有色网 2023-03-18
便于全面检测温度的双电芯锂电池

一种便于全面检测温度的双电芯锂电池,包括两颗锂离子聚合物电芯,所述的两颗锂离子聚合物电芯分别点焊在保护板上,并且两颗锂离子聚合物电芯通过3M胶以层叠的方式粘合在一起;所述粘合在一起的两颗锂离子聚合物电芯在侧封中间位置具有缝隙;所述一种便于全面检测温度的双电芯锂电池还包括带线热敏电阻,带线热敏电阻一端焊接在保护板上,另一端通过导热胶粘合在两颗锂离子聚合物电芯所具有的缝隙内。本实用新型提供的一种便于全面检测温度的双电芯锂电池不仅具有结构简单、设计精巧、布局合理的优点,而且可以准确、方便的检测出两颗锂离子聚合物电芯的实时温度,安全可靠,能有效防止锂电池发热失控,为用户的电子产品提供安全保障。

标签:
加工技术
福建 - 福州 来源:中冶有色网 2023-03-18
新型锂电池保护箱
新型锂电池保护箱 1063     
 0

本实用新型涉及锂电池技术领域,具体为一种新型锂电池保护箱。一种锂电池保护箱,包括保护箱本体和箱盖,所述保护箱本体隔设有多个电池匣插槽,所述电池匣插槽配设有容置锂电池的电池匣。本申请的锂电池保护箱可将各颗锂电池分别安置于电池匣中固定,电池匣插装于电池匣插槽中以隔离保护锂电池,提高了锂电池保护箱的安全性能;还能检测各颗锂电池的温度及膨胀数据并传送至报警显示器,进一步提高了锂电池保护箱的安全性能。

标签:
加工技术
福建 - 福州 来源:中冶有色网 2023-03-18
能源互联网储能系统锂电池SOC状态估计方法

本发明涉及一种能源互联网储能系统锂电池SOC状态估计方法。首先搭建能源互联网储能系统锂电池的物理模型,组合T‑S模糊模型方法和奇异系统方法去表达非线性系统的动态;接着针对能源互联网锂电池系统,设计模糊观测器对锂电池的荷电状态(SOC)进行估计;在此基础上,进一步设计基于观测器的模糊控制器,保证闭环控制系统的稳定。本发明方法考虑真实的工况,设计的模糊观测器和模糊控制器,使得系统稳定运行。

标签:
加工技术
福建 - 福州 来源:中冶有色网 2023-03-18
双向DC‑DC锂电池模组多通道均衡充放电维护装置

本发明提供了一种双向DC‑DC实现锂电池模组多通道均衡充放电维护系统的装置,包含人机交互层、模块控制层以及充放电控制层,整个装置采用充放单元模块化和功率模块化的模块化设计,充放电控制层采用双向DC‑DC技术实现锂电池模组的均衡充放电功能,同时达到单独充放的独立工作制。独立充放电模式实现锂电池模组的快速均衡,而且电压、电流的控制精度高,对锂电池模组的均衡效果更好。

标签:
加工技术
福建 - 福州 来源:中冶有色网 2023-03-18
含锂晶体材料及其制备方法和应用

本申请公开一种含锂晶体材料及其制备方法和应用,属于二阶非线性光学材料及制备技术领域。所述含锂晶体材料具有化学式AxBayLiz(Ga4S7)n;其中A选自K、Rb和Cs中的至少一种,x+2y+z=2n,n为2~7的整数。所述方法包括:将含有钡元素、镓元素、硫元素、锂元素和AX的原料在真空条件下置于反应温度下反应,冷却;其中AX中的X选自F、Cl、Br和I中的一种。本申请的含锂晶体材料具有改善的红外非线性光学性能,可应用于激光器中。本申请的方法工艺步骤简单,所得晶体材料的纯度高、结晶度好且收率高,适合大规模工业化生产。

标签:
加工技术
福建 - 福州 来源:中冶有色网 2023-03-18
上一页 40 41 42 43 44 ... 50 下一页
共50页    到第

中冶有色为您提供最新的福建福州有色金属加工技术理论与应用信息,涵盖发明专利、权利要求、说明书、技术领域、背景技术、实用新型内容及具体实施方式等有色技术内容。打造最具专业性的有色金属技术理论与应用平台!

全国热门有色金属设备推荐
展开更多 +
全国热门有色金属技术推荐
展开更多 +

 

江西省隆恩特环保设备有限公司
宣传

报名参会
更多+

报告下载

有色专家
更多+

郑州大学
副院长/教授
广西大学
处长/教授
武汉理工大学
外籍院士/教授
长沙矿冶研究院
总经理
中冶沈勘秦皇岛工程技术有限公司
原矿山院院长/教授级高工
赤泥综合利用研究报告2025
推广

热门技术
更多+

推荐企业
更多+

福建省金龙稀土股份有限公司
宣传

发布

在线客服

公众号

电话

顶部
咨询电话:
010-88793500-807