青岛垚鑫智能科技有限公司
宣传

位置:中冶有色 >

有色技术频道 >

> 加工技术

分类:
全部
矿山技术
冶金技术
材料制备及加工技术
环境保护技术
分析检测技术
 
全部
功能材料技术
复合材料技术
新能源材料技术
合金材料技术
加工技术
地区:
全部
北京
天津
上海
重庆
河北
山西
辽宁
吉林
黑龙江
江苏
浙江
安徽
福建
江西
山东
河南
湖北
湖南
广东
海南
四川
贵州
云南
陕西
甘肃
青海
内蒙
广西
西藏
宁夏
新疆
其他
其他
展开
 
全部
福州
厦门
漳州
泉州
三明
莆田
南平
龙岩
宁德

福建福州有色金属加工技术理论与应用

免费发布技术信息>>
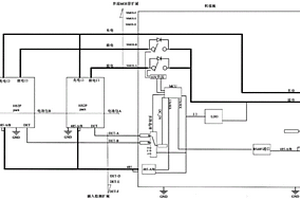
待机低功耗的锂电池保护电路

本实用新型公开了一种待机低功耗的锂电池保护电路,包括待机控制电路、电池保护电路、锂电池和充放电端子,所述充放电端子正极通过电池保护电路与锂电池正极连接;充放电端子负极通过电池保护电路与锂电池负极连接,电池保护电路上还连接有待机控制电路,待机控制电路还与控制信号相连接,本实用新型能够在锂电池电压低于禁止充电电压值之后控制保护电路切断充电电路,禁止给锂电池充电,实现0V充电禁止功能,达到维持锂电池安全性与稳定性的作用。该电路可通过软件控制,也可通过硬件控制,具有低成本,低功耗,压降小,安全性高的特点。

标签:
加工技术
福建 - 福州 来源:中冶有色网 2023-03-18
匹配高镍正极锂离子电池的电解液

一种匹配高镍正极锂离子电池用电解液,该电解液含有锂盐、有机溶剂、添加剂A和添加剂B,添加剂A为硼酸酯化合物,添加剂B为磷酸酯化合物。将该电解液应用于高镍正极锂离子电池中,其截止工作电压为4.4~4.5V,工作温度可达55℃,与现有技术相比,使用该电解液的锂离子电池具有良好的耐高温耐高压循环性能和良好的倍率性能。

标签:
加工技术
福建 - 福州 来源:中冶有色网 2023-03-18
锂电池保护板测试系统
锂电池保护板测试系统 1038     
 0

本实用新型提供锂电池保护板测试系统,包括主控制器、切换电路、电压测量电路、模拟电池电路、电压比较电路和可调直流电流源;所述的主控制器与切换电路、电压测量电路、电压比较电路、可调直流电流源、模拟电池电路连接;所述的切换电路与可调直流电流源连接。通过本实用新型可实现对锂电池保护板的全方面的测试,解决现有锂电池保护板测试系统无法进行全面测试的问题。

标签:
加工技术
福建 - 福州 来源:中冶有色网 2023-03-18
掺杂氟化钇锂闪烁微晶及其制备方法和应用

本申请公开了一种掺杂氟化钇锂闪烁微晶及其制备方法,化学式如式I所示:LiM10.02M2xY0.98‑xF4式I;其中,M1、M2选自稀土元素,0.01<x<0.06;所述掺杂氟化钇锂闪烁微晶的尺寸为8~15μm。所述掺杂氟化钇锂闪烁微晶材料尺寸为微米级,微晶透明性好,尺寸大小均匀,闪烁性能优良,具备规模化生产的潜力,在高能射线的探测领域具有潜在的应用价值。

标签:
加工技术
福建 - 福州 来源:中冶有色网 2023-03-18
锂电池回收放电装置
锂电池回收放电装置 779     
 0

本发明公开了一种锂电池回收放电装置,包括主体,所述主体内设有放电腔,所述放电腔内设有放电组件,所述放电腔左侧设有进料组件,所述放电腔前侧通过吸气口连通设有集气腔,所述集气腔内设有集气组件,所述集气腔下侧设有传动腔,所述传动腔内设有传动组件,所述放电组件包括与所述传动腔前端壁固定安装的电机,该装置通过进料轮将锂电池逐一进料,通过推板将锂电池推至右侧冷却槽中,液氮对放电的锂电池进行冷却,放电针向下运动时插入锂电池内对锂电池进行短路放电,同时集气组件将氮气收集回收,不需要人工将锂电池冷却放电。

标签:
加工技术
福建 - 福州 来源:中冶有色网 2023-03-18
锂离子电池硅碳负极用电解液

本发明提供了一种可有效改善硅碳基锂离子电池电化学性能的复合型电解液。所述电解液包括非水有机溶剂、锂盐和电解液添加剂,其中,所述电解液添加剂包含链状亚硫酸酯类化合物、二氟磷酸锂和氟代磷腈类化合物,所述电解质添加剂在所述电解液中的含量可以为0.5wt%~12wt%。本发明的锂离子电池电解液能有效改善硅碳基锂离子电池的循环性能,并且电池的内阻变化小。

标签:
加工技术
福建 - 福州 来源:中冶有色网 2023-03-18
锂电池的3D打印方法
锂电池的3D打印方法 1126     
 0

本发明涉及一种锂电池的3D打印方法,首先制备3D打印所需的正、负极浆料及其隔膜浆料。再将各浆料分别打印出锂电池的正、负电极以及位于上述两者之间的电极隔膜层,随后,在试管炉中用氩气保护下热处理制备得到正极、隔膜层及负极交叠组装的环状电极复合材料;再转移到手套箱内进行封装,最终得到阴极、隔膜及阳极依次交叠的圆环形锂离子电池。本发明制备方法新颖,工艺简单,精确可控,所制备的材料具有特殊阴极、隔膜及阳极依次交叠分布结构、大的比表面积;每一阴极、隔膜和阳极圆环材料本身组成一个微型锂离子电池,大大缩短了锂离子在材料中的扩散距离,提高了相应的扩散速度,具有较高的离子及电子电导率。

标签:
加工技术
福建 - 福州 来源:中冶有色网 2023-03-18
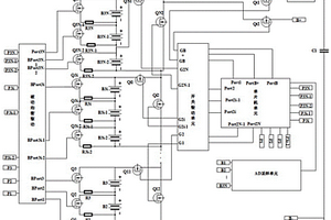
结合K-means聚类的遗传算法的冗余均衡锂电池管理电路和方法

本发明涉及一种结合K‑means聚类的遗传算法的冗余均衡锂电池管理电路和方法。该电路包括单片机单元及与该单片机单元连接的开关驱动单元、AD采样单元、被动均衡驱动单元、霍尔传感器,还包括电池组模块;所述单片机单元根据AD采样单元、霍尔传感器采集数据,通过开关驱动单元、被动均衡驱动单元控制相应的开关,进而控制电池组模块中各锂电池单元以及各单体锂电池参与整个冗余均衡锂电池管理电路的供电与否。本发明具有适用性,能解决离散电池组电量不一致的问题,减小电池组内各电池单体间的能量差异,从而提高电池组的一致性。

标签:
加工技术
福建 - 福州 来源:中冶有色网 2023-03-18
以聚合铝为铝源制备镍钴铝酸锂三元材料的方法

本发明涉及以聚合铝为铝源制备镍钴铝酸锂三元材料的方法,其特征在于制备过程由以下步骤组成:将镍的化合物、钴的化合物、湿磨介质的混合物与聚合铝溶液混合,加入碱液制备氢氧化物共沉淀。通过干燥、一步烧结、混锂盐、程序升温烧结等步骤,或者通过直接混锂盐、干燥、程序升温烧结等步骤,制备高性能镍钴铝酸锂三元材料。

标签:
加工技术
福建 - 福州 来源:中冶有色网 2023-03-18
新型圆柱锂离子电池的高性能挠性温度传感器

本实用新型提出一种新型圆柱锂离子电池的高性能挠性温度传感器,所述传感器包括一与圆柱形锂离子电池匹配的柱形套;所述柱形套的侧壁以薄膜成型,柱形套的侧壁外侧处贴设有温度传感元件;当传感器安装于圆柱形锂离子电池处时,所述柱形套套置于圆柱形锂离子电池处且柱形套侧壁内侧贴于锂离子电池侧壁上;本实用新型可以在柱形锂离子电池处便捷可靠地安装温度传感器。

标签:
加工技术
福建 - 福州 来源:中冶有色网 2023-03-18
电池包汇流成的锂电池组

本实用新型公开了一种电池包汇流成的锂电池组。所述电池组包括多个单体锂电池包,所述多个单体锂电池包通过汇流转接板并联或串联,所述单体锂电池包之间通过485通信或CAN通信。本实用新型使用在多个锂电芯包汇流后组成容量更大,输出电流/功率更大的产品运用中,由NMOS‑实现汇流,485实现实时通信,双边侧插入检测找出并匹配插入电池包的地址,设计出不同要求的放电过流和容量的锂电电池组产品,满足锂电池组多样化需求。

标签:
加工技术
福建 - 福州 来源:中冶有色网 2023-03-18
动力锂电池组充放电测试装置

本实用新型提供一种动力锂电池组充放电测试装置,所述装置包括一上位机和多个的充放电测试单元;所述各充放电测试单元均与所述上位机连接;所述各充放电测试单元均包括一通讯板、一充电器测量板和对电池进行放电的电子负载;所述通讯板与上位机连接,所述充电器测量板分别与充电器和锂电池的充电口连接,且该充电器测量板连接所述通讯板;所述电子负载分别与所述锂电池的放电口和通讯板连接;通过上位机控制锂电池组进行充电还是放电,在充电和放电的过程中记录电压和电流的数据。本实用新型的装置能同时对充电器和电池进行老化测试,有效利用资源;提高了测试效率,节约了成本。

标签:
加工技术
福建 - 福州 来源:中冶有色网 2023-03-18
高比容量富锂正极材料的制备方法

本发明属于锂离子电池正极材料的制备领域,具体涉及一种高比容量富锂正极材料的制备方法。采用水热法一步合成富锂正极材料,具体包括以下步骤:1)将乙酸锰、乙酸镍、乙酸钴放入反应釜内衬中,加入去离子水,搅拌使各原料溶解,在40-70℃的水浴下,加入氢氧化锂溶液,搅拌10-20分钟,再加入3-8mL双氧水反应;2)将反应釜内衬密封后,放入反应釜中;在180-200℃反应12-48小时,再经离心洗涤干燥后得到样品,所得样品再经400-600℃退火2-6小时,制得富锂正极材料。按此方法制得的材料有较好的循环稳定性,且具有非常高的首次库伦效率(90%以上)。

标签:
加工技术
福建 - 福州 来源:中冶有色网 2023-03-18
掺杂氟化镥锂闪烁微晶及其制备方法和应用

本申请公开了一种掺杂氟化镥锂闪烁微晶及其制备方法,所述掺杂氟化镥锂闪烁微晶,化学式如式I所示:LiMxLu1‑xF4式I;其中,M选自稀土元素中的至少一种,x=0.01~0.05;所述掺杂氟化镥锂闪烁微晶的尺寸为15~25μm。采用水热法合成所述掺杂氟化镥锂闪烁微晶。该方法克服目前制备闪烁材料中存在的制备周期较长,制取效率较低,制备流程较繁琐,制取条件较为苛刻,制备的小颗粒均匀性较差等缺陷,运用水热法,提供一种制备周期短,操作流程简单,制取条件简易,微晶颗粒均匀性好,闪烁性能优良的新型铈掺杂的LiLuF4闪烁微晶的制备方法。

标签:
加工技术
福建 - 福州 来源:中冶有色网 2023-03-18
制备碳包覆磷酸铁锂材料的方法及其应用

本申请公开了一种制备碳包覆磷酸铁锂材料的方法,其特征在于,采用一锅合成法,至少包括以下步骤:a)含有三聚氰胺类化合物、锂源、铁源的混合物经研磨,得到前驱体I;b)向前驱体I中加入磷酸后,研磨得到前驱体II;c)前驱体II经真空干燥、球磨后得到前驱体III;d)将前驱体III置于非活性气氛中进行分段煅烧后,即得所述的碳包覆磷酸铁锂材料。所述方法采用一锅合成法,一步反应合成得到。所述方法反应条件简单可控,实验设备要求不高,环境友好,产品产率高,制得的碳包覆磷酸铁锂(LiFePO4/C),经碳包覆有效地提高了材料的电化学性能。该方法生产工艺简单,且易于工业放大,实现商业化。

标签:
加工技术
福建 - 福州 来源:中冶有色网 2023-03-18
锂电芯的自动分选机
锂电芯的自动分选机 851     
 0

本发明提供一种锂电芯的自动分选机,包括控制单元以及与该控制单元电连接的进料机构、喷码扫描机构、测试机构、分选机构、出料机构以及输送槽,所述进料机构位于输送槽的首端,所述测试机构设输送槽上,所述喷码扫描机构设于输送槽的旁侧并处于进料机构与测试机构之间,所述出料机构与测试机构并排布置,所述分选机构架设在所述测试机构和出料机构的上方,所述分选机构将测试机构上完成测试的锂电芯对应吸起并放置在出料机构相应的收料槽上。本发明不仅能够全自动的进行扫描测试分选,提高了工作效率,而且能同时测试多个锂电芯,测试效率高,测试过程稳定可靠,且无需人工喷码,锂电芯分选的一致性也较高。

标签:
加工技术
福建 - 福州 来源:中冶有色网 2023-03-18
银颗粒涂层修饰的三维多孔铜集流体-锂负极一体结构及其制备方法和应用

本发明公开了一种银颗粒涂层修饰的三维多孔铜集流体‑锂负极一体结构及其制备方法以及使用该一体结构的金属锂二次电池,属于电池技术领域。其特点是将亲锂银层引入聚多巴胺包覆的三维多孔铜并与锂负极结合在一起。聚多巴胺层上具有金属结合能力的邻苯二酚基团可以通过化学镀的方法在沉积聚多巴胺的基体表面继续沉积并吸附均匀、致密的亲锂银颗粒层,从而吸引锂离子在多孔铜的三维空隙里成核生长,能够起到在充放电循环中抑制枝晶生长的作用,预载锂之后显著提高了金属锂二次电池的循环性能和安全性。

标签:
加工技术
福建 - 福州 来源:中冶有色网 2023-03-18
用于锂离子电池的铝酸锌多孔碳基类负极材料及其制备方法和应用

本发明公开了一种用于锂离子电池的铝酸锌固溶体多孔碳基类负极材料及其制备方法,所述负极材料的活性物质为ZnAl2O4/C。解决锂离子电池普遍存在的库伦效率低、循环稳定性差、比容量低以及一定程度的安全隐患等问题。可将此ZnAl2O4/C复合材料直接作为锂离子电池负极。用本发明提供的锂离子电池具有高安全性、高库伦效率、良好的循环稳定性以及优越的倍率性能等优点,因此,ZnAl2O4/C作为锂离子电池负极材料具有很大的潜在应用价值。

标签:
加工技术
福建 - 福州 来源:中冶有色网 2023-03-18
锂电充换电系统
锂电充换电系统 987     
 0

本实用新型公开了锂电池技术领域的一种锂电充换电系统,包括充换电柜、控制面板、充电仓,电源线,控制面板设置于充换电柜上部,充电仓设置于充换电柜下部,充电仓内壁滑动连接有充电箱,充电仓内设有第一插头,充电箱后侧设有第一插槽,充电仓内设有卡位装置,充电箱内滑动连接有锂电池,锂电池后侧设有第二插槽,充电箱内壁上设有第二插头,充电箱顶部设有消防装置,本实用新型结构设计合理,在充电仓中滑动连接有充电箱,可对单个充电箱进行操作,不影响其他充电箱的正常使用,充电效率高;在安装锂电池时,将第二插槽与第二插头卡合后,通过卡位装置带动第一插槽与第一插头卡合,进行充电,保证使用者的人身安全。

标签:
加工技术
福建 - 福州 来源:中冶有色网 2023-03-18
锂电池模组散热结构
锂电池模组散热结构 938     
 0

本实用新型公开了一种锂电池模组散热结构,包括下壳体,所述下壳体内设有锂电池组,所述下壳体上连接有上盖,所述上盖将锂电池组盖设于下壳体内;所述锂电池组由支架和电芯组成,所述电芯设于支架上;所述支架上设有与电芯相配合的镍片;所述上盖包括上壳框架,所述上壳框架上连接有外导热绝缘介质板;所述上盖与锂电池组之间设有内导热绝缘介质板,所述内导热绝缘介质板与镍片相配合。本实用新型有效的提升了电池模组整体的散热效果,通过金属片直接对镍片热量进行快速有效的传递,降低使用环境温度,使电芯及电芯模组的使用性能和寿命达到更佳状态。

标签:
加工技术
福建 - 福州 来源:中冶有色网 2023-03-18
分等级结构二氧化钛(B)的制备方法及其在锂离子电池中的应用

本发明属于锂离子电池技术领域,具体涉及一种分等级结构TiO2‑B的快速制备方法及其在锂离子电池中的应用。通过将乙醇酸溶解在水中,然后加入钛酸四丁酯,浓硫酸和葡萄糖,搅拌,高压釜反应完后洗涤烘干,再煅烧,得到分等级结构TiO2‑B,该分等级结构TiO2‑B作锂电池负极具有很高的比容量和循环稳定性,在较大的电流密度1.675 A/g时充放电100圈,容量稳定在202.3 mAh/g。

标签:
加工技术
福建 - 福州 来源:中冶有色网 2023-03-18
双草酸基硼酸锂的提纯方法

本发明提供了一种双草酸基硼酸锂的提纯方法。双草酸基硼酸锂粗品溶解在非质子溶剂中,经分子筛干燥、过滤,蒸发浓缩、浓缩结晶或混合溶剂结晶,该步骤可以重复进行,得到高纯度的双草酸基硼酸锂。提纯后得到双草酸基硼酸锂的C13-NMR谱图为单峰,出峰位置为158.6ppm,B11-NMR谱图为单峰,出峰位置为7.37ppm。金属杂质离子含量由ICP测定。铁、铬、钠、镍的含量分别低于9ppm,1.1ppm,5ppm,0.4ppm。品质符合锂离子电池电解质的要求,同时在电解液中溶解速度快。本发明的提纯工艺简单,容易操作,适于工业化大批量生产。

标签:
加工技术
福建 - 福州 来源:中冶有色网 2023-03-18
层状富锂锰镍钴氧化物正极材料制备方法

本发明涉及一种层状富锂锰镍钴氧化物正极材料的制备方法。本发明将一定摩尔比的锂、锰、镍、钴的金属盐与氢氧化物混合均匀,在室温下发生固相反应获得纳米级锂锰镍的氢氧化物和一种金属盐混合前驱体,然后利用前驱体中的金属盐作为熔剂,在高温加热下熔融并且作为反应介质,从而使前驱体在熔剂中充分的接触混合、扩散,达到快速反应的目的,最终制备了层状富锂锰镍钴氧化物正极材料xLi2MnO3·(1-x)LiMO2(M=Mn1-(y+z)NiyCoz;x=0.1~1.0;y=0.1~0.5;z=0.1~0.5)。相对于常用的制备层状富锂锰镍钴氧化物材料所用的气体保护共沉淀法、溶胶凝胶法等,本方法具有易操作、过程实用,安全性好、成本低,材料纯度高,电化学性能优异等优点。

标签:
加工技术
福建 - 福州 来源:中冶有色网 2023-03-18
电动汽车锂电池
电动汽车锂电池 942     
 0

本实用新型公开了一种电动汽车锂电池,包括安装基板和锂电池壳体,所述安装基板上端中部的前后两侧均设有电极凸块,且锂电池壳体底端面中部的前后两侧均开有电极凹槽,所述电极凹槽套设于电极凸块上侧,且电极凹槽内侧设有弹性铜片,所述锂电池壳体与安装基板的间隙处设有绝缘橡胶垫,所述锂电池壳体前后两侧面左右两端均固定安装有连接片,所述连接片内端中部的上下两端均设有夹块,且两个所述夹块之间插设有吊接块,所述吊接块中部开设有吊孔。该种电动汽车锂电池,提高了拆装效率,能够达到一分钟拆卸、即刻更换(更换预充满电的锂电池)的效果,简化了更换拆装锂电池的步骤,提高了拆装效率。

标签:
加工技术
福建 - 福州 来源:中冶有色网 2023-03-18
锂电池的散热隔热保护箱

本实用新型涉及锂电池技术领域,特别涉及一种锂电池的散热隔热保护箱,包括具有开口的箱体和箱盖,箱体内腔侧壁之间设有通风板,通风板将箱体内腔划分成第一腔室和第二腔室,第二腔室位于第一腔室下方,第二腔室中设有散热扇,散热扇朝向通风孔,第一腔室中设有第一隔热板和至少一个的第二隔热板,通过设置通风板、通风孔和散热扇,使得在锂电池工作过程中能够通过散热扇对锂电池进行吹气散热,从而提高箱体内部的散热效果;通过设置第一隔热板和若干个第二隔热板,并且将箱体内划分成若干个子腔室,从而使锂电池在安装时能够分开进行安装,且第一隔热板和第二隔热板能够起到隔热的作用,避免锂电池之间的温度相互传导,提高安全性。

标签:
加工技术
福建 - 福州 来源:中冶有色网 2023-03-18
利用还原法制备磷化铁与磷酸亚铁锂混合相正极材料的方法

本发明涉及一种利用还原法制备磷化铁与磷酸亚铁锂混合相正极材料的方法,其特征在于制备过程由以下步骤组成:按照Li∶Fe∶PO43-∶次磷酸或者次磷酸盐的摩尔比为x∶y∶(1-z)∶k称取锂盐、亚铁盐、磷酸盐、次磷酸或者次磷酸盐。将亚铁盐和中强还原剂均匀混合,再混合强还原剂。再加入锂盐、磷酸盐、次磷酸或次磷酸盐、含碳化合物或碳粉、湿磨介质,球磨3~15小时,在55~105℃下常压或者真空干燥。干燥的粉体置于惰性气氛或弱还原气氛中,采用两段烧结法或者程序升温两段烧结法制备磷化铁与磷酸亚铁锂混合相正极材料。

标签:
加工技术
福建 - 福州 来源:中冶有色网 2023-03-18
铝壳锂离子电池的封装工艺

本发明公开一种铝壳锂离子电池的封装工艺,该铝壳锂离子电池的封装工艺包括以下步骤:(1)保护板加工;(2)保护板、支架、热敏电阻叠加固;(3)保护板与电芯激光点焊固定;(4)点焊热敏电阻脚于芯负极;(5)装配前后盖;(6)包裹铭牌。本发明提供一种简化生产工序,实现了生产自动化,提高产能,降低制造成本的铝壳锂离子电池的封装工艺。

标签:
加工技术
福建 - 福州 来源:中冶有色网 2023-03-18
铝壳锂离子电池的封装工艺

本发明公开铝壳锂离子电池的封装工艺,该铝壳锂离子电池的封装工艺包括以下步骤:(1)保护板加工;(2)保护板与电芯激光点焊固定;(3)点焊形镍片于电芯负极;(4)装配前后盖;(5)包裹铭牌。本发明提供一种简化生产工序,实现了生产自动化,提高产能,降低制造成本的铝壳锂离子电池的封装工艺。

标签:
加工技术
福建 - 福州 来源:中冶有色网 2023-03-18
新型锂电池盒水平滑道固定座

本发明公开了一种新型锂电池盒水平滑道固定座,包括装置本体和电加热丝,所述装置本体内侧顶部设有喷头,且喷头一侧设有烟雾传感器,所述喷头另一侧设有温度传感器,且温度传感器下方设有鼓风机。本发明中,采用由多个伸缩弹簧、固定板、气囊和电池固定座构成的电池固定机构,当锂电池需要装进电池盒内时,将电池固定座从电池盒内抽出,将锂电池放进电池固定座内侧,电池向固定板施加压力,固定板向伸缩弹簧传导,伸缩弹簧向一侧收缩,当电池完全放进去时,伸缩弹簧向电池施加压力,将电池固定住,本机构可以将锂电池稳定的固定在固定座内侧。

标签:
加工技术
福建 - 福州 来源:中冶有色网 2023-03-18
冗余均衡锂电池管理电路

本实用新型涉及一种冗余均衡锂电池管理电路。包括N个锂电池单元、N个主驱动开关、N个辅驱动开关、2个主开关、3N个单体锂电池开关、被动均衡驱动单元、单片机单元、AD采样单元、开关驱动单元和霍尔传感器;还包括1个额外锂电池单元。本实用新型具有低开关损耗、均衡效果好的功能。

标签:
加工技术
福建 - 福州 来源:中冶有色网 2023-03-18
上一页 39 40 41 42 43 ... 50 下一页
共50页    到第

中冶有色为您提供最新的福建福州有色金属加工技术理论与应用信息,涵盖发明专利、权利要求、说明书、技术领域、背景技术、实用新型内容及具体实施方式等有色技术内容。打造最具专业性的有色金属技术理论与应用平台!

全国热门有色金属设备推荐
展开更多 +
全国热门有色金属技术推荐
展开更多 +

 

江西省隆恩特环保设备有限公司
宣传

报名参会
更多+

报告下载

有色专家
更多+

郑州大学
校长/党委书记
武汉科技大学
院长 / 教授
北京工业大学、中国工程院
中国工程院 院士
红河学院
研究员
中科院过程工程研究所循环经济技术中心
主任
赤泥综合利用研究报告2025
推广

热门技术
更多+

推荐企业
更多+

福建省金龙稀土股份有限公司
宣传

发布

在线客服

公众号

电话

顶部
咨询电话:
010-88793500-807