青岛垚鑫智能科技有限公司
宣传

位置:北方有色 >

有色技术频道 >

> 废水处理技术

分类:
全部
矿山技术
冶金技术
材料制备及加工技术
环境保护技术
分析检测技术
 
全部
废水处理技术
大气治理技术
固/危废处置技术
土壤修复技术
地区:
全部
北京
天津
上海
重庆
河北
山西
辽宁
吉林
黑龙江
江苏
浙江
安徽
福建
江西
山东
河南
湖北
湖南
广东
海南
四川
贵州
云南
陕西
甘肃
青海
内蒙
广西
西藏
宁夏
新疆
其他
其他
展开
 
全部
合肥
芜湖
蚌埠
淮南
马鞍山
淮北
铜陵
安庆
黄山
阜阳
宿州
滁州
六安
宣城
池州
亳州

安徽芜湖有色金属废水处理技术理论与应用

免费发布技术信息>>
用于化工生产的溜出液取样监控装置

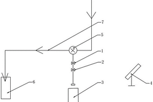
本发明提供一种应用于化工生产设备领域的溜出液取样监控装置,所述的取样监控装置的溜出液输送管道(1)两端分别与反应装置的冷凝器(2)和废水收集罐(3)连通,取样管道(4)两端分别与溜出液输送管道(1)和取样容器(5)连通,溜出液输送管道(1)上设置电磁阀门A(6),取样管道(4)上设置电磁阀门B(7),电磁阀门A(6)和电磁阀门B(7)分别与控制部件(8)连接,反应设备冷凝器(2)与控制部件(8)连通,本发明的装置,结构简单,能够方便快捷地实现抽取溜出液样本,便于对溜出液成分进行检测监控,同时根据检测监控结果调节冷凝器制冷温度,最终使馏出液的理化指标达到合格的要求。

标签:
废水处理
安徽 - 芜湖 来源:北方有色网 2023-03-19
基于手机玻璃基板的废料回收装置

本发明公开了一种基于手机玻璃基板的废料回收装置,包括加工机,加工机上设置有水箱和风机,水箱一侧设置有水泵,水箱通过进水管连接加工机,风机通过进风管连接加工机,加工机通过出风管连接第一初步过滤部,第一初步过滤部通过出气管连接废气处理部,加工机连接第二初步过滤部,第二初步过滤部包括上搅拌部和下筛选部,第二初步过滤部连接调节池,调节池上设置有药剂箱和控制面板,调节池内设置有水位检测传感器和浓度检测传感器,第一初步过滤部内设置有多个过滤膜。本发明通过对带有粉末的废料进行多次过滤、带有玻璃渣的废料进行水过滤和对加工机清洗及对清洗的水过滤,确保排出的废气废水中不含有粉末及减少大气污染。

标签:
废水处理
安徽 - 芜湖 来源:北方有色网 2023-03-19
喷淋式除尘装置
喷淋式除尘装置 770     
 0

本发明公开了一种喷淋式除尘装置,包括储水箱、抽水泵、导水管、排水管、软导水漏斗、搅拌辊、活性炭颗粒、导水圆台、导水孔、转轴、导水斗、大环形转板、驱动座、主动齿轮、第一步进电机、安装筒、雾化喷头、从动齿轮圈、罐体、筛筒、筛网、卡块、加热箱、螺纹杆、第二步进电机、加热管、隔热箱、固定齿轮圈、卡槽座、丝杠、链轮、过滤斗、空心筒、滤水网、小环形转板和滚动齿轮。本发明通过设置筛筒、过滤网、齿轮、安装筒以及环形转板之间的相互配合,可以更好的对尘粒和废水进行分离,从而使脱水后的尘粒很容易清理出来,这样一来极大的降低了工作人员的工作强度,停提高了工作效率。

标签:
废水处理
安徽 - 芜湖 来源:北方有色网 2023-03-19
汽车机油更换设备
汽车机油更换设备 888     
 0

本发明提供一种汽车机油更换设备,包括壳体,壳体的底面四周都设置有万向轮,壳体的底面中部设置有电机,电机左侧设置有排污管,电机上设置有电机杆,电机杆穿进壳体,电机杆上设置有搅拌臂,搅拌臂的两侧设置有清洗滚轮,壳体的中部设置有开关门,壳体的上端设置有进水管、风扇和量杯,进水管的左侧设置有量杯,量杯的左侧设置有风扇,风扇上设置有开关移门,量杯的上端设置有漏斗,漏斗的下端设置有下料管,下料管上设置有开关阀门,壳体的右侧上端设置有进油管,进油管上设置有开关阀门,壳体的左侧下端设置有出料管,出料管上设置有气泵,出料管的左端设置有换向管,换向管的另一端设置有上油管,大大提高了机油的质量,解决了设备难清洗与不易维护的问题。

标签:
废水处理
安徽 - 芜湖 来源:北方有色网 2023-03-19
铝挤压模具碱洗设备
铝挤压模具碱洗设备 1040     
 0

本发明提供一种应用于铝挤压模具碱洗及碱洗废水综合回收利用系统技术领域的铝挤压模具碱洗设备,所述的铝挤压模具碱洗设备的处理室(1)与碱液准备罐(2)通过碱液进液管路连通,碱液进液管路与位于碱液准备罐(2)内的进液泵连通,进液泵与控制部件(3)连接,处理室(1)与碱液准备罐(2)通过碱液回液管路连通,处理室(1)与漂洗水准备罐(4)通过漂洗进水管路连通,漂洗进水管路与位于漂洗水准备罐(4)内的进水泵连通,进水泵与控制部件(3)连接,处理室(1)与漂洗水准备罐(4)通过漂洗回水管路连通,本发明的铝挤压模具碱洗设备,改变铝型材厂家铝挤压模具碱洗处理工序片碱消耗大、铝回收量少、工作环境恶劣等问题。

标签:
废水处理
安徽 - 芜湖 来源:北方有色网 2023-03-19
真空喷射器设备
真空喷射器设备 1074     
 0

本发明公开了一种真空喷射器设备,包括蒸汽进口设置在顶部的上罩体、连接板、上固定板、下固定板以及下罩体,连接板与上固定板之间安装有三个喷嘴,侧面设置有吸气口,上固定板和下固定板设有三个扩散管,本发明的优点在于:改造后的新型真空喷射器,工作射流较细,气水两相流有良好的传质效果,多股射流之间不产生干扰,水射流动能损失小,增大了传质面积,制造真空能力大。在油脂行业中,由多喷嘴多扩管喷射器与冷凝器组成的新型的真空系统与传统的四级或五级蒸汽喷射泵相比,性能稳定,可靠性强,蒸汽与水消耗降低,噪音低,废水产生量小;工作蒸汽压力要求低,安全性提高,安全等级要求降低。

标签:
废水处理
安徽 - 芜湖 来源:北方有色网 2023-03-19
铝挤压模具碱洗设备碱洗废液回收利用系统

本发明提供一种应用于铝挤压模具碱洗及碱洗综合利用技术领域的铝挤压模具碱洗设备碱洗废液回收利用系统,所述的铝挤压模具碱洗设备碱洗废液回收利用系统的煲模碱液回收槽与碱液准备罐(1)连通,晶析分离槽(4)与煲模碱液回收槽连通,晶析分离槽(4)上部与中间水槽(5)连通,晶析分离槽(4)内设置搅拌机,搅拌机与控制部件(2)连接,晶析分离槽(4)内设置加热器,加热器与控制部件(2)连接,晶析分离槽(4)与全自动离心机(6)连通,本发明的铝挤压模具碱洗设备碱洗废液回收利用系统,对碱洗后的碱液进行回收,实现氢氧化铝收集和母液重复利用,实现模具处理工序无废水排放,提高经济效益。

标签:
废水处理
安徽 - 芜湖 来源:北方有色网 2023-03-19
钢板加工用除锈打磨装置

本发明公开了一种钢板加工用除锈打磨装置,包括滑轨、支撑板和螺母装置,所述滑轨左右两端连接支撑柱,所述滑轨上下两侧设置有支撑板,下侧所述支撑板上表面从左到右依次设置有电机、支撑柱、储液容器、高压喷头和外壳,下侧所述支撑板上表面左右两侧均设置有电机,电机轴部连接丝杆,当需要对钢板进行处理时,所述高压喷头对钢板进行喷射处理,废水进入储液容器中,所述喷水装置喷出除锈对铁锈进行处理,所述刮刀对铁锈进行刮除,所述加热板对钢板表面水渍进行烘干,防止损坏机器,所述磨轮配合电机a对钢板进行打磨,本打磨装置结构合理,工作效率高,对钢板表面进行多重处理,处理彻底,适合社会广泛使用。

标签:
废水处理
安徽 - 芜湖 来源:北方有色网 2023-03-19
电极丝母线镀锌装置
电极丝母线镀锌装置 873     
 0

本实用新型提供一种应用于电极丝母线镀锌处理技术领域的电极丝母线镀锌装置所述的电极丝母线镀锌装置的放线装置(1)放出电极丝母线(12),收线装置(11)不断卷收电极丝母线(12),电极丝母线(12)被收线装置(11)卷收前,依次经过用于磨光电极丝母线(12)的磨砂装置(4),对电极丝母线(12)进行镀锌的热侵式镀锌装置(10),本实用新型所述的电极丝母线镀锌装置,能够直接连续不停机生产金属复合材料镀锌的电极丝母线,生产效率高,电极丝母线质量稳定,镀锌层均匀、金属之间结合力强,生产过程中无电镀液废水、污水形成。

标签:
废水处理
安徽 - 芜湖 来源:北方有色网 2023-03-19
电极丝母线镀锌装置及应用电极丝母线镀锌装置进行镀锌的工艺方法

本发明提供一种应用于电极丝母线镀锌处理技术领域的电极丝母线镀锌装置,同时还涉及一种应用电极丝母线镀锌装置进行镀锌的工艺方法,所述的电极丝母线镀锌装置的放线装置(1)放出电极丝母线(12),收线装置(11)不断卷收电极丝母线(12),电极丝母线(12)被收线装置(11)卷收前,依次经过用于磨光电极丝母线(12)的磨砂装置(4),对电极丝母线(12)进行镀锌的热侵式镀锌装置(10),本发明所述的电极丝母线镀锌装置及应用电极丝母线镀锌装置进行镀锌的工艺方法,能够直接连续不停机生产金属复合材料镀锌的电极丝母线,生产效率高,电极丝母线质量稳定,镀锌层均匀、金属之间结合力强,生产过程中无电镀液废水、污水形成。

标签:
废水处理
安徽 - 芜湖 来源:北方有色网 2023-03-19
退火冷却装置
退火冷却装置 1005     
 0

本实用新型提供了一种退火冷却装置,包括:退火水池,所述退火水池包括上层退火池和下层退火池,上层退火池与下层退火池之间设有下水阀门,所述下层退火池连通有出水管道,所述出水管道的出水端连通有第一水箱,所述第一水箱上方设有散热片,所述第一水箱底部设有第一废水出口,所述第一水箱连通有循环管道,所述循环管道连通有第二水箱,第二水箱底部设有第二废水出口,所述第二水箱还连通有烧炖液管道,烧炖液管道上设有水泵,水泵连通有烧炖液进水管道与烧炖液喷淋管道,烧炖液进水管道与烧炖液喷淋管道将烧炖液输送至上层退火池。提高了生产效率,降低了生产成本。

标签:
废水处理
安徽 - 芜湖 来源:北方有色网 2023-03-19
醇液回收再利用装置
醇液回收再利用装置 1078     
 0

本实用新型提供一种应用于树脂生产工艺技术领域的醇液回收再利用装置,所述的醇液回收再利用装置包括全凝器(1),全凝器(1)设置在塔柱内,全凝器(1)与废水罐(2)连通,废水罐(2)下端设置三通(3),三通(3)一个出口通过回收管道(4)与塔柱连通,三通(3)另一个出口设置阀门Ⅰ(5),回收管道(4)上靠近三通(3)位置设置阀门Ⅱ(6),本实用新型所述的醇液回收再利用装置,能够方便快捷实现使用后的醇液的回收,使得醇液再次循环利用,不需要频繁二次加醇,节约材料成本,缩短生产时间,确保安全生产。

标签:
废水处理
安徽 - 芜湖 来源:北方有色网 2023-03-19
面料生产用的纺织印染装置

本实用新型公开了一种面料生产用的纺织印染装置,涉及纺织装置技术领域。本实用新型包括电热染箱、废水处理装置和烘干箱,电热染箱上表面固定连接有面料放卷辊和制热机,电热染箱一侧表面设置有控制装置和旋转电机,电热染箱内部设置有导向辊和搅拌叶,出水装置设置有电磁阀,烘干箱上表面设置有鼓风机,烘干箱内部设置有出风管,烘干箱一表面设置有通风口,烘干箱上表面固定连接有面料收卷辊。本实用新型通过一种面料生产用的纺织印染装置,使布料的印染效果更好,能够对印染后的布料进行干燥,防止空气中的灰尘粘在布料上,对印染后的废水进行过滤处理在排放,减少对环境的污染。

标签:
废水处理
安徽 - 芜湖 来源:北方有色网 2023-03-19
五金件加工用烘干装置
五金件加工用烘干装置 1222     
 0

本实用新型公开了一种五金件加工用烘干装置,包括底板、废水承接盒、接料框、烘干筒、端盖、气缸、电机和第一烘干风机,烘干筒横向设置在废水承接盒的上部,烘干筒朝向接料框的一端设置有开口,开口通过端盖盖合,气缸的活塞杆端部与端盖的外壁固定连接,电机的转轴与烘干筒的端部外壁固定连接;烘干筒的外壁上间隔设置有漏水孔,烘干筒的侧壁上设置有进料口;端盖的中部开设有通孔,通孔内插接有烘干管,烘干管的内端与取料板固定连接,取料板与端盖相对的侧壁上间隔横向设置有档杆,烘干筒的外端与第一烘干风机的出风口连接,烘干管的外壁上间隔设置有出风孔。本实用新型旨在解决现有技术中五金件烘干装置烘干效率低、不便于取料等问题。

标签:
废水处理
安徽 - 芜湖 来源:北方有色网 2023-03-19
化工生产便于馏出液取样的装置

本实用新型公开了一种化工生产便于馏出液取样的装置,具有:馏出液管道;取样液管道,其第一端与馏出液管道连接;球阀,设置在取样液管道上;废水罐,与馏出液管道的末端连通;气动调节阀,设置在取样液管道和馏出液管道的连接端上;检测仪器,能够检测废水罐中的液体,能够及时准备取出馏出液,便于检测人员准确判断其成分组成,测定理化指标,进而调节醇冷的大小,最终达到便捷、安全、节能、环保的作用。

标签:
废水处理
安徽 - 芜湖 来源:北方有色网 2023-03-19
低成本城市垃圾环保砖
低成本城市垃圾环保砖 1185     
 0

本发明公开了一种低成本城市垃圾环保砖,其按照以下原料的重量份数组成:城市垃圾20‑50份、天然岩石10‑15份、粉煤灰5‑10份、黏土1‑8份、水泥20‑30份、粘结剂3‑5份、生物胶体1‑2份、植物秸秆6‑8份、城市废水50‑100份以及天然油脂6‑10份。本发明的低成本城市垃圾环保砖有效的减少了环保砖的成本,以城市垃圾、工厂废碴和城市废水作原料,有效的将废物利用,减少对环境的污染。

标签:
废水处理
安徽 - 芜湖 来源:北方有色网 2023-03-19
基于手机玻璃基板的废料分离处理装置

本发明公开了一种基于手机玻璃基板的废料分离处理装置,包括加工机,加工机上设置有水箱和风机,水箱一侧设置有水泵,水箱通过进水管连接加工机,风机通过进风管连接加工机,加工机通过出风管连接第一初步过滤部,第一初步过滤部通过出气管连接废气处理部,加工机连接第二初步过滤部,第二初步过滤部包括上搅拌部和下筛选部,第二初步过滤部连接调节池,调节池上设置有药剂箱,调节池通过排水管连接废水过滤池,所述第一初步过滤部内设置有多个过滤膜。本发明通过对带有粉末的废料进行多次过滤、带有玻璃渣的废料进行水过滤和对加工机清洗及对清洗的水过滤,确保排出的废气废水中不含有粉末及减少大气污染。

标签:
废水处理
安徽 - 芜湖 来源:北方有色网 2023-03-19
筒子纱染色的预处理工艺

本发明的目的是提供一种筒子纱染色的预处理工艺,首先将筒子纱装到纱笼上,之后对染色机进行清洗,之后将纱笼装到染色机内加入精炼剂进行清洗,之后排出废水对染色机进行清洗干净,之后对筒子纱进行高温清洗,最后进行酸洗和酶洗,清洗完毕后对染色机排出废水并清洗干净,筒子纱最后甩干水甩去清洗过程中的添加剂,整个预处理工艺很好的对筒子纱进行清洗,清洗中的添加剂不影响后续的染色质量,适用于生产中。

标签:
废水处理
安徽 - 芜湖 来源:北方有色网 2023-03-19
低污染的自动搓丝机
低污染的自动搓丝机 1056     
 0

本发明提供一种低污染的自动搓丝机,包括支架、废水箱和滤筒,所述废水箱的底端设置在支架的底端左侧,所述滤筒的顶端卡接在废水箱的顶端内侧,所述支架的顶端固定连接有清洁机构,所述支架的底端右侧固定连接有过滤机构,驱动电机带动椭圆轮转动,通过梯度筛板的左端与分离箱活动连接和震动弹簧的使用,梯度筛板在分离箱的内侧开始震动,螺丝在梯度筛板的震动输送下,将螺丝表面的冷却油液震落,梯度筛板与梯度分离槽的搭配,增加螺丝在梯度筛板顶端的震动传输时间,整体结构简单合理方便使用,解决现有设备存在的油液分离不足、油液净化处理不足和清洁处理不足的问题。

标签:
废水处理
安徽 - 芜湖 来源:北方有色网 2023-03-19
防溅射式缸盖内置管道清洗线

本发明提供防溅射式缸盖内置管道清洗线,包括蓄水箱,所述蓄水箱一侧可拆卸连接废水处理箱,所述蓄水箱通过管道连接所述废水处理箱;所述蓄水箱下方可拆卸连接两根第一连接管,两根所述第一连接管上均设有第一电磁阀,所述第一电磁阀下方、一根所述第一连接管可拆卸连接第二连接管,所述第二连接管上设有第二电磁阀,且所述第二连接管可拆卸连接自来水管,且一根所述第一连接管进行对应的排水,另一根所述第一连接管可拆卸连接软管,所述软管可拆卸连接第三连接管,所述第三连接管上设有气动密封结构,且所述废水处理箱上方设有多个伸缩导料结构,多个所述伸缩导料结构分别连接多个排料口。

标签:
废水处理
安徽 - 芜湖 来源:北方有色网 2023-03-19
高透明性胶印油墨钙滤饼的清洗装置

本发明公开了一种高透明性胶印油墨钙滤饼的清洗装置,涉及清洗设备,包括机体和接料网,机体内侧壁上设有凸条,接料网通过凸条在机体上倾斜设置,机体上部设有进料口,进料口处设有喷水管路,接料网包括高位承接段和低位过滤段,高位承接段和低位过滤段首尾连接,高位承接段承接段正对进料口,机体靠近低位过渡段的一端设有承装口,高位承接段下方设有废水回收区,低位过滤段下方设有杂质回收抽屉,机体下端面设有排水口,排水口与废水回收区相连通,排水口处还设有水流导向板,本发明用于对制成高透明性胶印油墨钙滤饼的原料石灰石进行清洗和过滤,提高了接料网的使用寿命,还可以对废水废料进行回收,环保符合企业生产需要。

标签:
废水处理
安徽 - 芜湖 来源:北方有色网 2023-03-19
用于反应釜溜出液的取样监控装置

本发明提供一种应用于化工生产设备领域的反应釜溜出液取样监控装置,所述的装置,所述装置的冷凝器(1)通过输送管路(2)与废水收集罐(3)连通,装置的取样管路(4)一端与冷凝器(1)连通,取样管路(4)另一端与废水收集罐(3)连通,取样管路(4)上安装取样阀门(5),取样阀门(5)下方设置取样容器(6),取样管路(4)上设置电磁阀门A(7)和电磁阀门B(8),电磁阀门A(7)和电磁阀门B(8)分别与控制部件(9)连通,冷凝器(1)与控制部件(9)连通,本发明的装置,能够方便快捷地实现从冷凝器与废水收集罐之间的输送管路上抽取溜出液样本,同时使馏出液的理化指标达到合格的要求,提高取样监控效率。

标签:
废水处理
安徽 - 芜湖 来源:北方有色网 2023-03-19
利用粉煤灰制备SiO<sub>2</sub>凝胶复合氧化亚铜吸附剂的方法

本发明公开一种利用粉煤灰制备SiO2凝胶复合氧化亚铜吸附剂的方法,以粉煤灰为原料,经酸洗、碱提使SiO2浸出制备水玻璃溶液,余下的滤渣经煅烧后得到多孔结构的铝硅酸矿物,对废水中的铜、铅等重金属离子具有优异的吸附性能,之后在水玻璃溶液形成凝胶的过程中加入煅烧后粉煤灰滤渣,得到掺杂多孔矿物颗粒的SiO2凝胶;之后以凝胶体系为载体,负载氧化亚铜催化剂,合成了微凝胶三维网状聚合物,提高了Cu2O在整个吸附剂体系的分散效果及稳定性,实现了Cu2O的回收利用,将凝胶体系优异的吸附性与氧化亚铜的可见光催化活性相结合,提高了对废水中有机污染物的吸附容量和速率,对重金属离子和染料废水均有很好的去除效果。

标签:
废水处理
安徽 - 芜湖 来源:北方有色网 2023-03-19
滤芯水路转换分流结构
滤芯水路转换分流结构 1155     
 0

本实用新型公开了一种滤芯水路转换分流结构,涉及滤芯组件技术领域,包括筒体及依次设置于筒体上侧的端盖、分流件和端口,筒体内设有中心管和滤膜,端口上设有进水口、废水口、净水口和输水通道,分流件内设有侧腔、竖腔、伸缩件、连接口、连接槽和的密封块。通过伸缩件控制分流件中设有连接口的连接块移动,伸缩件不工作时,通过滤芯的正常工作进行净水处理,伸缩件工作使得连接块移动,进而将竖腔封闭,而两个侧腔与筒体连通,原水进入筒体中流动对滤膜进行清洗工作后,废水通过端口上的废水口排出,整个净水和废水分开排放,方便快捷,便于滤芯的长期使用。

标签:
废水处理
安徽 - 芜湖 来源:北方有色网 2023-03-19
纱线生产用水的处理方法

本发明公开了一种纱线生产用水的处理方法,首先从江流中取水并经由软水站进行处理,然后将处理后的水用于纱线的前处理工艺、染色工艺、后处理工艺、脱水工艺、烘干工艺、设备清洗和地面清洗以及锅炉房蒸汽用水和设备冷却水,将纱线前处理工艺、染色工艺、后处理工艺、脱水工艺、烘干工艺、设备清洗和地面清洗所用之后的废水导入到废水处理站中进行处理后放入到江流中,再将锅炉房蒸汽用水和设备冷却水当做雨水管网使用,软水站将其中一部分是导入到水膜除尘系统中当做循环用水使用;通过规范各级用水的归类回收,使得废水生产量有所降低,废水排放量将大为降低。

标签:
废水处理
安徽 - 芜湖 来源:北方有色网 2023-03-19
节约真空泵用水量的系统

本发明公开了一种节约真空泵用水量的系统,包括真空泵和管路,所述真空泵和管路连接,在所述水环真空泵前端设置储水设备和换热器,所述储水设备通过管路分别与水环真空泵前端和后端连接;所述换热器设在所述储水罐与所述水环真空泵之间。本发明技术方案能够解决用水量比较大、产生的废水比较多、大大提高了废水处理成本等技术问题;本发明所提供的技术方案是,在现有装置的基础上加了一个储水罐,一个换热器,可以把水环真空泵运行过程中所需的水加到储水罐里不断地循环重复利用,保证真空泵有更高的工作效率;同时便于排查设备故障;节约了用水量,降低了废水产生量;降低了废水处理成本。

标签:
废水处理
安徽 - 芜湖 来源:北方有色网 2023-03-19
聚酯树脂生产过程中合成酯化水控制装置

本实用新型提供一种应用于聚酯树脂生产技术领域的聚酯树脂生产过程中合成酯化水控制装置,所述的聚酯树脂生产过程中合成酯化水控制装置包括反应釜(1),反应釜(1)上端的塔柱(2)通过废水管路(3)连通废水回收部件(4),废水回收部件(4)通过回流管路(5)连通塔柱(2),回流管路(5)上设置回流泵(6)和调节阀(7),本实用新型所述的聚酯树脂生产过程中合成酯化水控制装置,能够方便可靠使用EG降温,又增加水回流降温,从而避免塔柱顶温过高难以控制问题出现,同时使得废水COD降低,提高废水处理质量。

标签:
废水处理
安徽 - 芜湖 来源:北方有色网 2023-03-19
烟气氮氧化物处理系统

本实用新型提供一种应用于烟气氮氧化物高效处理设备技术领域的烟气氮氧化物处理系统,所述的烟气氮氧化物处理系统的脱硝反应部件(2)与水泥生产线(3)的窑尾(4)连通,脱硝反应部件(2)同时与氨水汽化部件(1)连通,脱硫反应部件(2)内设置多个催化剂(5),催化剂(5)的材料为低温煅烧的无机材料,本实用新型的烟气氮氧化物处理系统,结构简单,能方便高效地用于将工业烟气中的氮氧化物转化为清洁无污染的氮气和水,整个过程中无废水和废液排出,过程安全环保,可以减少氮氧化物对环境的污染,有助于提升水泥行业的清洁生产水平,降低水泥工厂NOx排放浓度、降低脱硝氨水用量。

标签:
废水处理
安徽 - 芜湖 来源:北方有色网 2023-03-19
零价铁还原剂及其制备方法和应用

本发明涉及工业废水处理领域,公开了一种零价铁还原剂及其制备方法和应用,其中,该制备方法包括以下步骤:A1、将源还原剂用过硫酸钠溶液浸湿、烘干,然后采用化学气相沉积法将苯胺单体沉积于烘干后的源还原剂上,得到中间体;A2、将中间体在保护气氛围下进行高温热解,以在零价铁表面形成氮掺杂碳包覆层(CN),即得到具有包覆结构的零价铁还原剂;其中,源还原剂为纳米零价铁或负载型零价铁。在本发明中,通过采用气相沉积‑热解策略原位形成CN包覆层活化零价铁的方法,使得到的零价铁还原剂的还原活性高;零价铁纳米颗粒表面包覆的CN包覆层可以防止铁物种的流失,提高了零价铁的利用率和稳定性,从而实现了还原剂的持续利用。

标签:
废水处理
安徽 - 芜湖 来源:北方有色网 2023-03-19
能杀菌的凹凸棒土吸附剂及其制备方法

一种能杀菌的凹凸棒土吸附剂,其特征在于,其由如下重量份的原料制备而成:凹凸棒原土100份、氯化钠溶液600?800份、纳米氧化铝12?15份、钛酸四丁酯15?20份、甲基丙烯酸甲酯70?80份、乙烯基三(β?甲氧基乙氧基)硅烷30?40份、偶氮二异丁腈3?4份、次磷酸钠8?10份、丙酮500?600份、甲醇600?800份、无水乙醇适量、去离子水适量。本发明工艺简单和不产生二次污染,所制备的凹凸棒土吸附剂具有粒径大、易沉降、易回收和吸附性能良好的特点,适用于工业废水处理。

标签:
废水处理
安徽 - 芜湖 来源:北方有色网 2023-03-19
上一页 2 3 4 5 6 ... 11 下一页
共11页    到第

北方有色为您提供最新的安徽芜湖有色金属废水处理技术理论与应用信息,涵盖发明专利、权利要求、说明书、技术领域、背景技术、实用新型内容及具体实施方式等有色技术内容。打造最具专业性的有色金属技术理论与应用平台!

全国热门有色金属设备推荐
展开更多 +
全国热门有色金属技术推荐
展开更多 +

 

江西省隆恩特环保设备有限公司
宣传

报名参会
更多+

报告下载

有色专家
更多+

广东省科学院资源利用与稀土开发研究所
教授
长沙矿冶研究院
总经理
有研资源环境技术研究院(北京)有限公司
副总经理/教授级高工
北京科技大学、中国科学院
院士
长沙有色冶金设计研究院有限公司
正高级工程师/中国铝业首席工程师/全国有色金属行业设计大师/国家注册采矿工程师
赤泥综合利用研究报告2025
推广

热门技术
更多+

推荐企业
更多+

福建省金龙稀土股份有限公司
宣传

发布

在线客服

公众号

电话

顶部
咨询电话:
010-88793500-807