青岛垚鑫智能科技有限公司
宣传

位置:中冶有色 >

有色技术频道 >

> 加工技术

分类:
全部
矿山技术
冶金技术
材料制备及加工技术
环境保护技术
分析检测技术
 
全部
功能材料技术
复合材料技术
新能源材料技术
合金材料技术
加工技术
地区:
全部
北京
天津
上海
重庆
河北
山西
辽宁
吉林
黑龙江
江苏
浙江
安徽
福建
江西
山东
河南
湖北
湖南
广东
海南
四川
贵州
云南
陕西
甘肃
青海
内蒙
广西
西藏
宁夏
新疆
其他
其他
展开
 
全部
南京
无锡
徐州
常州
苏州
南通
连云港
淮安
盐城
扬州
镇江
泰州
宿迁

江苏扬州有色金属加工技术理论与应用

免费发布技术信息>>
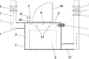
放置稳定的锂电池运输架

本发明涉及能源技术领域,且公开了一种放置稳定的锂电池运输架,包括底座,底座的上表面固定安装有外壳,底座的下表面固定安装有减震装置,底座上表面的另一端固定连接有支架,支架的表面螺纹连接有调节螺栓,调节螺栓的一侧固定连接有挡板,支架的之间固定连接有放置板,放置板的上表面固定连接有固定装置。该放置稳定的锂电池运输架,通过设置减震装置,降低放置板因晃动而对固定装置内的锂电池产生的损坏,通过设置放置板使用方便,提高放置效果,使用调节螺栓使得放置板的空间灵活,使用挡板,让固定装置更加的固定牢靠,提高安全效果,避免在运输架推动的过程中,锂电池从放置板上滑落,对物品造成损伤。 1

标签:
加工技术
江苏 - 扬州 来源:中冶有色网 2023-03-18
太阳能路灯锂电池铝型材外壳

本发明公开了一种太阳能路灯锂电池铝型材外壳,所述外壳内部设有卡槽,所述卡槽设于外壳四壁,所述卡槽与外壳四壁的空隙形成散热层,所述外壳底部中间设有支架,所述外壳设有螺丝孔,所述外壳、所述卡槽和所述支架为一次浇注拉伸成型。本发明太阳能路灯锂电池铝型材外壳,外壳四壁设有卡槽,外壳底部设有支架,卡槽与外壳四壁的空隙形成隔热层,铝型材外壳外部的温度不会直接传导给锂电池组;卡槽与外壳四壁的空隙形成散热层,锂电池组工作时可及时散热,提高了电池的工作效率和安全性。

标签:
加工技术
江苏 - 扬州 来源:中冶有色网 2023-03-18
软包锂电池
软包锂电池 1088     
 0

本实用新型涉及一种软包锂电池,壳体中设有锂电池模组,锂电池模组包括若干个电芯,电芯呈阵列式排列,各电芯的顶部分别连接有电芯极耳,锂电池模组的上方设有PCB组装板,PCB组装板上设有若干个极耳过焊孔,极耳过焊孔之间设有焊盘,焊盘上涂覆有敷铜焊锡层,各电芯极耳穿过极耳过焊孔且折弯焊接在PCB组装板的敷铜焊锡层上;PCB组装板的上方隔离固定有BMS保护板,锂电池模组的一侧固定有XT60端子线束,XT60端子线束的正极线与锂电池模组的总正极相连,XT60端子线束的负极线与BMS保护板上的过孔焊盘电连接。本实用新型可以解决软包锂电池温度不均匀的问题,使软包锂电池的性能发挥到最大,延长软包锂电池的寿命。

标签:
加工技术
江苏 - 扬州 来源:中冶有色网 2023-03-18
锂电池温控系统
锂电池温控系统 891     
 0

本实用新型涉及锂电池技术领域,尤其涉及一种锂电池温控系统,包括外壳、锂电池、感温元件、发热元件和控制器,所述锂电池固定连接在外壳的内部,所述感温元件固定连接在外壳内壁一侧的顶部,所述发热元件固定连接在外壳内壁的中部,所述控制器固定连接在外壳的内底壁,所述感温元件的输出端与控制器的输入端电连接,所述控制器的输出端与锂电池的输入端电连接,所述锂电池的输出端与发热元件的输入端电连接。该实用新型中感温元件可以感应锂电池周围环境的温度,通过控制器可将发热元件温度保持在合理的范围内,防止锂电池在低温条件下电池容量下降的问题,在低温条件下提高了锂电池的充放电性能。

标签:
加工技术
江苏 - 扬州 来源:中冶有色网 2023-03-18
新型锂电池太阳能路灯
新型锂电池太阳能路灯 1026     
 0

本实用新型涉及一种新型锂电池太阳能路灯,包括杆体,所述杆体上部设置有连接块,所述连接块四周均匀分布有楔形导槽,所述连接块底端设置有底板,所述底板内侧与所述连接块外侧之间设置有间隙,所述连接块连接太阳能电池安装架。本实用新型设置的一种新型锂电池太阳能路灯将锂电池及控制器安装在由太阳能电池安装架及下封板构成的完整空间的内部,能够对锂电池及控制器起到良好的保护,延长锂电池太阳能路灯使用寿命。

标签:
加工技术
江苏 - 扬州 来源:中冶有色网 2023-03-18
锂离子电池的分容配组方法

本发明涉及一种锂离子电池的分容配组方法,包括初次分组、二次分组和终极分组,初次分组根据不同温度下放电能量和充电恒流比进行,二次分组根据高温下自放电K值进行,终极分组根据常温下电压值和内阻值进行。本发明通过三次分容、三次充电、高温老化以及三次分组将温度和自放电K值参与进配组中,使得终极分组后同组锂离子电池的性能指标趋于相同,这样不仅降低了温度对锂离子电池的影响,而且提高了不同温度下的充电效率,进一步降低了随着锂离子电池使用时间的增长以及不同温度的影响下的电压差扩大的影响,从而保证锂离子电池的一致性,延长锂离子电池的使用寿命。

标签:
加工技术
江苏 - 扬州 来源:中冶有色网 2023-03-18
用于对动力锂电池厚度测量的装置

本发明公开了动力锂电池技术领域的一种用于对动力锂电池厚度测量的装置,所述检测平台的顶部右侧安装有支撑柱,所述支撑柱的左侧安装有右护板,所述右护板的左侧外壁的顶部和底部分别设置有螺杆和滑动装置,且螺杆和滑动装置的左侧端部分别连接在左护板的右侧的外壁的顶部和底部,所述螺杆的外壁上设置有活动固定架,所述检测台的顶部左侧安装有支撑台,所述支撑台的顶部安装有液压动力装置,本发明结构简单,操作方便,将待测量的锂电池放入到左右护板之间,滑动装置可以使得锂电池方便的放入和取出,转动螺栓,带动滑动套移动,在测量顶板移动的时候测量准确的同时也保护了锂电池不会收到压力而损坏,指针和测量条来准确的测量出锂电池的厚度,提高了锂电池的测量效率。

标签:
加工技术
江苏 - 扬州 来源:中冶有色网 2023-03-18
户外用备用锂电池
户外用备用锂电池 1143     
 0

本发明公开了锂电池技术领域的一种户外用备用锂电池,包括安装板,所述安装板顶部外壁设置有锂电池本体,所述安装板顶部外壁对称设置有两组固定块,两组所述固定块相互靠近的一侧外壁分别与锂电池本体左右两侧外壁相贴合,所述安装板底部外壁均匀开设有四组安装槽,所述安装槽顶部内壁铰接有支撑脚,装置中将支撑脚从安装槽的内腔中移出,将支撑脚展开,通过支撑脚将安装板与锂电池支撑起来,增加锂电池的高度,避免线路过短而影响锂电池正常使用,将螺栓从螺纹孔的内腔中移出,将移动块从移动槽的内腔中移出,增加支撑脚整体的长度,从而使锂电池的高度可以根据使用者的需求进一步进行调整。

标签:
加工技术
江苏 - 扬州 来源:中冶有色网 2023-03-18
高稳定性高强度储能锂电池

本发明公开了一种高稳定性高强度储能锂电池,包括锂电池本体和加强盒,所述加强盒包括底板、前挡板、后挡板、盖板和两个侧板,所述锂电池本体的底部与所述底板抵接,两个侧板夹持所述锂电池本体且均与所述锂电池本体抵接,所述盖板面对锂电池的表面具有矩形槽,所述矩形槽内固定有凸块,所述凸块通过多个压缩弹簧连接有压板,所述压板抵接锂电池的顶部。本发明的锂电池强度大,并且散热效果好,更利于稳定工作。

标签:
加工技术
江苏 - 扬州 来源:中冶有色网 2023-03-18
三元高倍率聚合物锂离子电池及制作方法

本发明公开一种三元高倍率聚合物锂离子电池及制作方法,三元高倍率聚合物锂离子电池包括正极片、负极片和外壳,正极片和负极片层叠,先铺设负极片,相邻的正极片和负极片之间设置有隔膜,层叠好的正极片和负极片放置在外壳内,外壳内设置有电解液;三元高倍率聚合物锂离子电池制作方法,包括:1.制作正极,2.制作负极,3.组装电池,4.电池的化成和分容。本发明相比较传统的钴酸锂锂离子电池采用三元材料作为正极材料,降低阻抗值,提高导电率和容量,在降低材料成本的同时具有着倍率性能好、循环性能好、安全性好的优点。

标签:
加工技术
江苏 - 扬州 来源:中冶有色网 2023-03-18
带有防火隔热结构的船用锂电池箱

一种带有防火隔热结构的船用锂电池箱,属于船舶设备技术领域,结构上由电池箱体,外侧敷设用于防火的绝缘层,进风管接防火风闸、风机,出风管接防火风闸,电池箱体内部放置锂电池组,箱体顶部内侧配备温度传感器,烟雾传感器,可燃气体探头,灭火剂喷嘴,当箱体外部失火或热失控时,关闭防火风闸,切断外部火焰及热源对箱体内部锂电池的影响,当箱体内部热失控或失火时,温度及烟雾探测报警给控制系统同时关闭防火风闸,外部灭火剂从灭火剂注入管注入由灭火剂喷嘴喷出灭火,使内部热失控或火焰严格控制在箱体内部,不会蔓延到箱体外侧,使其具备了防火隔热功能,提高了锂电池的使用安全性能,满足非金属材质船舶上的使用需求。

标签:
加工技术
江苏 - 扬州 来源:中冶有色网 2023-03-18
具有防尘散热功能的锂电池盒

本实用新型属于锂电池技术领域,尤其是一种具有防尘散热功能的锂电池盒,包括盒子,所述盒子的一侧固定安装有固定盒且盒子与固定盒相邻的两侧内壁上均固定安装有多个伸缩杆,位于同一侧的伸缩杆的一端固定安装有同一个定位板,两个定位板相互靠近的一侧均开设有多个定位槽,且相互靠近的一侧均转动安装有丝杆,两个丝杆的螺纹方向为相反设置且相互靠近的一端螺纹套接有同一个丝杆导套,位于同一侧的两个定位槽之间活动安装有同一个锂电池,所述丝杆导套上固定套接有两个齿轮。本实用新型中的锂电池盒内部散热效果好且便于对电池进行有效固定,便于对电池进行较好的保护。

标签:
加工技术
江苏 - 扬州 来源:中冶有色网 2023-03-18
温控型高效锂电池
温控型高效锂电池 842     
 0

本实用新型公开了一种温控型高效锂电池,包括电池壳、进风口、出风口、锂离子电芯、保护膜、尼龙层、第一粘合层、铝箔层、第二粘合层、热封层、控制主板、充放电接头、电热膜、散热风扇、主控芯片、数据采集器、智能检测装置、电流传感器、电压传感器、温度传感器、漏电检测单元、保护器、熔断器以及断路器。本实用新型锂电池结构在电芯外部设有多层保护膜,可防止电池外部水汽的渗入,同时防止内部电解液的渗出,起保护电芯的作用;能够对锂电池内部的电流、电压、温度以及否漏电进行检测,当电流、电压不正常或出现漏电的情况时,可进行断电保护;当电池内部温度进行监控、调节,使得电池始终处于最佳温度下工作。

标签:
加工技术
江苏 - 扬州 来源:中冶有色网 2023-03-18
防盗窃的锂电池盒
防盗窃的锂电池盒 733     
 0

本实用新型公开了一种防盗窃的锂电池盒,包括排水槽、电动推杆、盒体、支撑柱、横板、蜂鸣器、隔板、盒盖、顶罩、锂电池、压块、导电块、正负极柱、第一弹簧、第一凹槽、导电柱、第二凹槽、绝缘片、推板、导电管和第二弹簧。该种防盗窃的锂电池盒通过设置绝缘片对导电管之间相互配合以及蜂鸣器,可以更好的对锂电池进行防盗,提高了电动车的安全性能,通过蜂鸣器进行报警,可以使工作人员第一时间发现地动车锂电池的丢失,避免了财产的损失,同时也避免了安装价格较贵的防盗锁、电子防盗装置,节约了成本;通过设置顶罩和排水槽,可以更好的在雨天将雨水排掉,提高了锂电池的使用寿命和工作效率,提高了锂电池盒的实用性。

标签:
加工技术
江苏 - 扬州 来源:中冶有色网 2023-03-18
具有散热防尘功能的电动汽车用锂电池

本实用新型公开了锂电池技术领域的一种具有散热防尘功能的电动汽车用锂电池,包括锂电池箱,所述导风管远离通孔的一端均连通设置有排风板,且所述电机轴的左侧设置有扇叶;在锂电池箱的顶部与底部均设置有多组通孔,通孔通过导风管连接设置有排风板,当汽车在高速移动时,气流由通孔进入到导风管,导风管再将气流通过排风板排出,在锂电池的前端面均设置有冷却液流动管,向冷却液流动管中定期添加跟换冷却液,通过水冷来对锂电池的表面进行散热降温,在支撑架的后端面均设置有导热柱与散热鳍片,通过导热柱将支撑架上锂电池散发出来的热量进行吸收,再通过散热鳍片将热量挥发散出。

标签:
加工技术
江苏 - 扬州 来源:中冶有色网 2023-03-18
带有防水功能的锂电池
带有防水功能的锂电池 1070     
 0

本发明公开了锂电池技术领域的一种带有防水功能的锂电池,包括锂电池本体,锂电池本体顶部外壁对称设置有两组电极柱,锂电池本体外壁顶端套接有保护罩,保护罩内壁与锂电池本体外壁滑动连接,锂电池本体顶部中央外壁与保护罩顶部中央内壁之间设置有复位弹簧,保护罩顶部外壁开设有两组开孔,开孔位于电极柱的正上方,保护罩顶部外壁设置有两组挡块,挡块底部外壁与保护罩顶部外壁滑动连接,装置中通过保护罩将锂电池本体顶端的电极柱罩住,将电极柱与外界隔开,确保锂电池在不使用时电极柱不会被水泼到,对锂电池进行保护,保证锂电池正常使用,避免锂电池发生损坏,增加锂电池的使用寿命。

标签:
加工技术
江苏 - 扬州 来源:中冶有色网 2023-03-18
防水防漏锂电池箱
防水防漏锂电池箱 785     
 0

本实用新型公开了一种防水防漏锂电池箱,包括锂电池箱主体以及锂电池箱主体一端向内凹陷形成的锂电池箱内槽,所述锂电池箱内槽的两端卡合有电池固定组件,所述电池固定组件包括伸缩弹簧、拉杆、拉力弹簧、滑动块、固定块、连接块、限位块,其中,所述连接块一侧焊接有伸缩弹簧,所述连接块的另一侧中间位置处焊接有限位块。该防水防漏锂电池箱,通过设置电池固定组件,可以方便固定不同大小的电池,解决了不同大小的电池放入锂电池箱主体内时,由于固定不牢发生晃动而影响电池的寿命或损害电池的问题,设置旋转块,可以方便限位固定块,方便放入电池,设置回力弹簧,可以方便固定块两边夹持住电池,防止电池发生大幅度左右晃动。

标签:
加工技术
江苏 - 扬州 来源:中冶有色网 2023-03-18
便于安装的锂电池模块箱

本实用新型属于锂电池领域,具体涉及一种便于安装的锂电池模块箱。一种便于安装的锂电池模块箱,包括模块箱本体,模块箱本体左右侧壁上分别开有螺纹通孔,螺纹通孔中穿有螺纹杆,螺纹杆远离模块箱本体一侧固定有把手,螺纹杆靠近模块箱本体固定连接有转轴,转轴另一端套接于轴承内圈,轴承外圈分别固定连接有滑杆,滑杆另一端套接有滑块,模块箱本体内侧壁中竖直开有滑槽,滑块与滑槽滑动连接。本实用新型结构简单,操作方便,能起到固定模块箱本体中的锂电池的作用,减小了锂电池的相对滑动,当遇到颠簸时减少了锂电池的磕碰损伤,并能根据锂电池的尺寸调节固定范围,适用范围广。

标签:
加工技术
江苏 - 扬州 来源:中冶有色网 2023-03-18
太阳能锂电池路灯
太阳能锂电池路灯 741     
 0

本实用新型公开了一种太阳能锂电池路灯,包括灯杆、灯头和太阳能发电板,顶杆固定设置在灯座上,太阳能电池板设置在灯杆的顶端,灯头设置在灯杆一侧,灯杆内部中空且中部开设有矩形开口,开口表面设置有盖板,盖板通过螺母固定在开口表面,盖板的长度大于开口的长度,盖板的宽度大于开口的宽度,开口内部固定设置有滑轨,滑轨上方的灯杆内壁设置有太阳能充电接口和锂电池供电接口,太阳能充电接口与太阳能发电板相连,锂电池供电接口与灯头相连,滑轨上铺设有活动底板,活动底板上设置有锂电池供电装置。本实用新型所提供的锂电池路灯,将锂电池设置在灯杆中部,且可以将锂电池抽出进行直接维修,操作简单且方便快捷。

标签:
加工技术
江苏 - 扬州 来源:中冶有色网 2023-03-18
具有弯折极耳及极耳保护配件的锂离子电池

本发明涉及一种具有弯折极耳及极耳保护配件的锂离子电池,包括若干个并排摆放的锂离子电池片,所述锂离子电池片成扁平的矩形板状,所述锂离子电池片的一端设置有正极极耳和负极极耳,所述正极极耳和负极极耳均包括与锂离子电池片连接的竖直段,所述竖直段平行于锂离子电池所在的扁平面,竖直段的顶部设置有与其垂直的弯折段,所述正极极耳的弯折段和负极极耳的弯折段分别朝向锂离子电池片的扁平面的两侧。本发明极耳连接方便,平齿接头增加焊接的拼接面,焊接稳固。

标签:
加工技术
江苏 - 扬州 来源:中冶有色网 2023-03-18
高寿命的锂电池组
高寿命的锂电池组 942     
 0

本实用新型公开了一种高寿命的锂电池组,包括外壳和锂电池组本体,外壳顶部的一侧铰接有铰链,外壳通过铰链铰接有盖板,外壳的一侧固定连接有吹风机,盖板的下表面固定连接有引流板,盖板的上表面固定连接有电机,电机的输出端固定连接有扇叶,外壳的内部设置有边框,边框的底部固定连接有支柱,外壳的内底壁固定连接有安装框,安装框一侧的内壁开设有弹簧槽。本实用新型通过设置吹风机、气管、换热器、引流板、电机、扇叶、支柱、安装框、弹簧、第一楔形块和第二楔形块,解决了锂电池的包装外壳不具有散热机构,在锂电池使用的时候容易发热烧毁,在锂电池组安装的时候,锂电池组底部与安装外壳碰撞,降低锂电池组使用寿命的问题。

标签:
加工技术
江苏 - 扬州 来源:中冶有色网 2023-03-18
高散热性能的锂电池装置

本实用新型涉及一种高散热性能的锂电池装置,属于动力电池技术领域。包括锂电池盒体,锂电池盒体中安装有多个相互并联的锂电池组,锂电池组的总正极桩头和总负极桩头分别从锂电池盒体的顶部穿出,各锂电池组及锂电池盒体的后端面分别固定在水冷板上,水冷板的右侧侧壁的下方设有进水口且安装有进水水嘴,水冷板的右侧侧壁的上方设有出水口且安装有出水水嘴;进水口与水冷板的内置S形孔道的一端相连,内置S形孔道的另一端与出水口相连;锂电池盒体的两侧壁分别设有散热棱条,锂电池盒体的前壁安装有多个散热翅片,各散热翅片的中心分别嵌装有散热风扇。该装置大大提高散热性能,在较小空间内可安装更多锂电池组,提高其能量密度和续航能力。

标签:
加工技术
江苏 - 扬州 来源:中冶有色网 2023-03-18
实现多个圆柱锂离子电池汇流的装置

本发明涉及一种实现多个圆柱锂离子电池汇流的装置,包括若干排圆柱锂离子电池,相邻排的锂离子电池的正负极朝向相反,一排内的锂离子电池的正负极朝向相同,锂离子电池的两端分别通过电池支架定位,所述电池支架的外部设置有若干个串并联导电镍带和两个汇流导电镍带,两侧最外一排锂离子电池用汇流导电镍带连接,汇流导电镍带连接汇流排,其他排锂离子电池用串并联导电镍带连接,串并联导电镍带将相邻排的锂离子电池的正负极接通。本发明大电流导线焊接在汇流排PCB的汇流焊盘上,而汇流焊盘又是与铜箔相导通的,分别从两个汇流排引出两个大电流电极,提高了圆柱锂离子电池组装的多样性、快捷性与方便性,且重量轻、价格成本低,性能更可靠。

标签:
加工技术
江苏 - 扬州 来源:中冶有色网 2023-03-18
磷酸铁锂电池循环寿命预测方法

本发明涉及一种磷酸铁锂电池循环寿命预测方法,步骤包括证明循环后磷酸铁锂电池负极正常区域没有明显结构变化;ICP测试新鲜和老化后锂损失:ICP测试化成后空电态负极锂浓度以及不同循环周数的空电态负极锂浓度;建立循环Cycle‑活性锂损失ICP模型F(x);计算待测磷酸铁锂电池的活性锂浓度,并输入理想曲线模型F(x)进行运算,得到磷酸铁锂电池预测的循坏寿命。本发明基于磷酸铁锂电池的循环老化失效模式主要为SEI膜增厚消耗活性锂,对不同循环老化后电池负极极片锂浓度进行ICP测试标定、统计分析、拟合建模,结合磷酸铁锂失效机理支撑,从而简单可靠地建模预测磷酸铁锂电池的循环寿命。

标签:
加工技术
江苏 - 扬州 来源:中冶有色网 2023-03-18
锂电池用充电储能装置以及降温运行方法

本发明提供一种锂电池用充电储能装置以及降温运行方法,包括锂电池承载装置、转换连接器和储电盒,锂电池承载装置通过转换连接器和储电盒连接;锂电池承载装置包括一端呈开口状的锂电池承载盒、用于放置锂电池的容纳腔,以及设置在锂电池承载盒侧壁用于隔离相邻锂电池的隔板;锂电池承载盒底部设有防护组件,所述防护组件包括设于锂电池承载盒底部的盖板,以及设于锂电池承载盒和盖板之间的缓冲垫和固定卡块,固定卡块滑动设在电池承载盒上并用于启闭盖板;转换连接器位于容纳腔内,并与锂电池承载盒通过卡扣方式连接;本发明实现了对锂电池及其盖板快速组装,且有效提高在充电过程中的散热性能。

标签:
加工技术
江苏 - 扬州 来源:中冶有色网 2023-03-18
便于挂载的光伏发电用锂电池组安装座

本实用新型公开了便于挂载的光伏发电用锂电池组安装座,属于光伏发电技术领域,本实用新型包括底座,所述底座内侧固定安装有定位支撑组件,所述定位支撑组件至少包括支撑板、限位架、定位弹簧和夹环,所述底座内部设置有支撑板,所述底座内侧设置有限位架,所述底座一侧设置有定位弹簧,所述定位弹簧外侧设置有夹环,本实用新型通过定位支撑组件,便于工作人员对限位架位置进行移动固定,降低了工作人员定位限位架难度,从而能够对锂电池组体位置进行限定,保证了锂电池组体使用时的稳定性,也能够对两个锂电池组体之间的间距进行限定,保证了两个锂电池组体之间的空气流通,进而利于锂电池组体使用时进行散热。

标签:
加工技术
江苏 - 扬州 来源:中冶有色网 2023-03-18
动力锂电池组连接结构

本实用新型涉及锂电池领域,具体为一种动力锂电池组连接结构,包括锂电池箱,所述锂电池箱的底部两侧均固定安装有限位插块,所述锂电池箱的顶部中间处固定安装有正极柱和负极柱,所述限位插块的底部固定连接有限位块。本实用新型通过限位插块插入限位插槽内,然后限位块进入限位槽进行限位,然后旋转螺栓抵紧于限位插块表面,从而使得两组锂电池箱连接紧固,避免出现晃动的情况,提升了稳固性,同时拆装方便快捷,较为实用,适合广泛推广与使用。

标签:
加工技术
江苏 - 扬州 来源:中冶有色网 2023-03-18
锂电池组的缓冲固定装置

本实用新型涉及锂电池加工技术领域,且公开了一种锂电池组的缓冲固定装置,包括框架,框架内部的底端固定连接有防渗板,防渗板的上表面固定连接有安装板,安装板的表面螺纹连接有固定螺栓,固定螺栓贯穿并延伸至防渗板的内部,安装板的上表面固定连接有第一伸缩杆,第一伸缩杆的外侧固定连接有第一弹簧,第一伸缩杆的顶端固定连接有放置板,放置板的上表面放置有锂电池组,框架内部的两侧均固定连接有固定块。该锂电池组的缓冲固定装置,通过设置防渗板,防渗板固定安装在框架内部的底端,从而防止框架外部的流体渗入到框架的内部,对锂电池的存放起到保护作用,从而保证了该锂电池组的缓冲固定装置的使用效果。

标签:
加工技术
江苏 - 扬州 来源:中冶有色网 2023-03-18
壳内加热的锂离子电池圆柱外壳

本实用新型公开了一种壳内加热的锂离子电池圆柱外壳,该外壳从外到内依次包括高分子材料层、第一粘结剂层、加热膜层、第二粘结剂层、金属材料层;本实用新型将微米级电加热膜层置于锂离子电池圆柱外壳中,形成了具有加热功能的锂离子电池圆柱外壳,有效解决圆柱锂离子电池在低温环境下的易析锂、容量降低、循环寿命短的弊端,有效提升了圆柱锂离子电池的低温性能。

标签:
加工技术
江苏 - 扬州 来源:中冶有色网 2023-03-18
废气余热再利用装置与PTC加热板相结合的锂电池加热系统

本实用新型涉及一种废气余热再利用装置与PTC加热板相结合的锂电池加热系统,包括锂电池箱体、温度传感器、电子控制单元、若干锂离子电池;锂电池箱体内外壁面均包裹有保温材料,锂电池箱体上分别设有电池箱入风口、电池箱出风口,锂电池箱体内靠近电池箱入风口处设有PTC加热板,电池箱入风口处设有面向电池箱入风口的风扇;温度传感器与若干锂离子电池安装于锂电池箱体内,电子控制单元通过导线与温度传感器、风扇相连;若干锂离子电池组成锂电池组,锂电池组底部设有一层石蜡相变材料;还设有废气余热再利用装置,废气余热再利用装置包括废气再循环通道、混合动力汽车的发动机;通过本实用新型提供,装置结构简单、操作方便,符合社会发展需求。

标签:
加工技术
江苏 - 扬州 来源:中冶有色网 2023-03-18
上一页 35 36 37 38 39 ... 41 下一页
共41页    到第

中冶有色为您提供最新的江苏扬州有色金属加工技术理论与应用信息,涵盖发明专利、权利要求、说明书、技术领域、背景技术、实用新型内容及具体实施方式等有色技术内容。打造最具专业性的有色金属技术理论与应用平台!

全国热门有色金属设备推荐
展开更多 +
全国热门有色金属技术推荐
展开更多 +

 

江西省隆恩特环保设备有限公司
宣传

报名参会
更多+

2025年10月15日 ~ 17日
2025年10月17日 ~ 19日
2025年10月31日 ~ 11月02日
2025年11月07日 ~ 09日

报告下载

有色专家
更多+

鞍钢集团有限公司
中国工程院院士
广东省科学院资源利用与稀土开发研究所
教授
长沙矿冶研究院
总经理
江西理工大学
教授
矿冶科技集团
副所长/研究员
赤泥综合利用研究报告2025
推广

热门技术
更多+

推荐企业
更多+

福建省金龙稀土股份有限公司
宣传

发布

在线客服

公众号

电话

顶部
咨询电话:
010-88793500-807