青岛垚鑫智能科技有限公司
宣传

位置:中冶有色 >

有色技术频道 >

分类:
全部
矿山技术
冶金技术
材料制备及加工技术
环境保护技术
分析检测技术
 
全部
废水处理技术
大气治理技术
固/危废处置技术
土壤修复技术
地区:
全部
北京
天津
上海
重庆
河北
山西
辽宁
吉林
黑龙江
江苏
浙江
安徽
福建
江西
山东
河南
湖北
湖南
广东
海南
四川
贵州
云南
陕西
甘肃
青海
内蒙
广西
西藏
宁夏
新疆
其他
其他
展开
 
全部
杭州
宁波
温州
绍兴
湖州
嘉兴
金华
衢州
台州
丽水
舟山

浙江宁波有色金属环境保护技术理论与应用

免费发布技术信息>>
五轴卧式加工中心机床

本实用新型公开了一种五轴卧式加工中心机床,涉及机械加工技术领域,具体为一种五轴卧式加工中心机床,包括机床底壳,所述机床底壳的顶部开设有废液槽,所述废液槽的左端活动安装有挡板,所述挡板的左侧固定连接有复位弹簧,所述挡板的底部开设有下料口,所述下料口的底部放置有碎屑收集槽,所述废液槽的内壁上活动套接有丝杠,所述丝杠的外部螺纹套接有推板,所述推板的底部固定连接有清扫刷,该五轴卧式加工中心机床,通过设置推板,推板底部的清扫刷能够起到对废水过滤的作用,在废水经过清扫刷时,废水中的碎屑会被过滤下来,避免碎屑随着废水一起流向废液孔,防止壳体内残留碎屑。

标签:
废水处理
浙江 - 宁波 来源:中冶有色网 2023-03-19
合成O-反式-(3-氯-2-丙烯基)羟胺盐酸盐的方法

本发明公开一种合成O-反式-(3-氯-2-丙烯基)羟胺盐酸盐的方法,步骤包括:在反应容器中加酮肟、二甲基亚砜、碱金属氢氧化物;二甲基亚砜的用量为酮肟重量的3~20倍,碱金属氢氧化物与酮肟的摩尔比为1.1~1.45∶1;然后滴加反式1,3-二氯丙烯,滴加完成后,在20~50℃下反应1~3h;冷却至室温,加萃取剂萃取,分离出O-(3-氯-2-丙烯基)酮肟醚;将其与盐酸混合,再减压精馏得O-反式-(3-氯-2-丙烯基)羟胺盐酸盐。本发明合成O-反式-(3-氯-2-丙烯基)羟胺盐酸盐的方法,是一种生产成本低,生产过程无大量废水产生,更加安全、环保,且易于实现工业化的合成方法。

标签:
废水处理
浙江 - 宁波 来源:中冶有色网 2023-03-19
异丁烯的生产方法
异丁烯的生产方法 1130     
 0

本发明涉及异丁烯制备技术领域,尤其涉及一种异丁烯的生产方法,其包括:a叔丁醇溶液从蒸馏塔上部进入后通过再沸器蒸馏,蒸馏后的混合蒸汽从塔顶进入脱水反应系统下部,工业废水由蒸馏塔塔釜连续排除;b脱水反应系统反应得到以异丁烯、水、叔丁醇为主的生成物从脱水反应系统顶部进入洗涤塔中部,去离子水由洗涤塔塔顶进入,在所述生成物上升的过程中去离子水吸收了该生成物中叔丁醇后进入再蒸馏塔;c以水和异丁烯为主的混合物由洗涤塔顶部进入到干燥塔中,该混合物和干燥塔中的分子筛接触并脱出水分,脱水后以异丁烯为主的蒸汽进入到冷凝器中,经冷凝器冷凝后的液体排出,未成为液体的异丁烯作为产品采出。

标签:
废水处理
浙江 - 宁波 来源:中冶有色网 2023-03-19
高选择性烷基化二苯胺、其制备方法及应用

本发明公开了一种高选择性烷基化二苯胺、其制备方法及应用。本发明主要是通过在反应器中将α-烯烃与二苯胺在固体酸催化剂的作用下反应,直至反应产物中的二苯胺含量少于1wt%后停止反应,再经后处理获得目标产物。本发明采用廉价易得的固体酸作催化剂,该催化剂不仅稳定性好,而且在反应过程中能有效提高原料转化率,使烷基化二苯胺产物的选择性高,同时在反应结束后反应生成物与催化剂易于分离。另外,本发明公开的制备方法对反应设备腐蚀性小,生产周期短,操作简单,过程易于控制,更重要的是可避免大量工业废水排放所造成的环境污染。本发明的高选择性烷基化二苯胺可作为添加剂用在油品、塑料或橡胶等组合物中并有效提高这些组合物的抗氧性能。

标签:
废水处理
浙江 - 宁波 来源:中冶有色网 2023-03-19
用于处理电镀废水的聚电解质涂层纳滤复合膜的制备方法及其应用

本发明提供了一种纳滤复合膜的制备方法,包括以下步骤,首先将聚丙烯腈和第一溶剂混合后,得到中间膜液,再将中间膜液涂覆在基膜后,得到复合有中间膜的载体;然后将聚乙烯亚胺,聚(甲基丙烯酸‑2‑羟内酯)、乙烯吡咯烷酮和第二溶剂再次混合后,得到交联复合膜液,再将交联复合膜液涂覆在上述步骤得到的载体的中间膜上,电子束光照交联后,再进行凝固,得到纳滤膜载体;最后将上述步骤得到的纳滤膜载体浸入聚(4‑苯乙烯磺酸)铵盐溶液中,取出后再次浸入聚二甲基二烯丙基氯化铵溶液中,然后经过电子束光照再次交联后,得到纳滤复合膜。

标签:
废水处理
浙江 - 宁波 来源:中冶有色网 2023-03-19
紫外光协同电Fenton体系降解有机废水的方法及设备

本发明属于环境保护和污水处理领域,具体涉及一种紫外光协同电Fenton体系降解待处理的含有污染物的废液的方法及设备。所述方法利用紫外光、光协同催化和电Fenton组成的紫外光协同电Fenton体系,将待处理的含有污染物的废液置于该体系中进行有效降解。本发明将光催化和电化学氧化有机结合起来,提高了传统Fenton体系对待处理的含有污染物的废液的降解效率。

标签:
废水处理
浙江 - 宁波 来源:中冶有色网 2023-03-19
复合水凝胶、其制备方法及其在废水处理中的应用

本申请公开了一种复合水凝胶,所述复合水凝胶为网络结构;所述复合水凝胶中包括聚乙烯基类水凝胶;所述聚乙烯基类水凝胶包括聚丙烯酰胺水凝胶、聚丙烯酸水凝胶中的至少一种;所述聚乙烯基类水凝胶通过氧化石墨烯和含有两个以上交联基团的交联剂进行交联;所述交联基团选自C=C、‑NH2中的至少一种。并公开了该复合水凝胶的制备方法及其在废水处理中的应用。该制备方法克服了传统工艺存在的合成时间长、水凝胶强度低、吸水性差等缺点。本申请中复合凝胶的制备方法简单、时间短、无环境污染、原料来源广泛,且水凝胶拥有较高的机械强度、良好的吸水性及品红吸附性。本申请中复合水凝胶适用于污水处理、染料吸附、重金属吸附等方面。

标签:
废水处理
浙江 - 宁波 来源:中冶有色网 2023-03-19
铝合金产品清洗用废水过滤装置

本实用新型涉及铝合金产品清洗技术领域,且公开了一种铝合金产品清洗用废水过滤装置,包括方形桶体,所述方形桶体的内壁固定连接有空心板,所述空心板的内壁固定连接有圆筒,所述圆筒的内壁贴合设置有筒状滤芯,所述筒状滤芯的底部固定连接有挡板,所述挡板的底部与方形桶体的内壁接触,所述挡板的上表面固定连接有U形柱,所述方形桶体的左侧固定连通有进液管,所述进液管位于空心板的上方。本实用新型通过空心板、圆筒、筒状滤芯、挡板、U形柱、U形板、密封板、复位器、牵引器和控制开关的配合,使该过滤装置内的筒状滤芯在拆装时较为方便,进而便于使用者对该过滤装置内的筒状滤芯进行更换或清洗。

标签:
废水处理
浙江 - 宁波 来源:中冶有色网 2023-03-19
煤气化含氰废水处理用催化氧化反应器

本实用新型涉及一种煤气化含氰废水处理用催化氧化反应器,包括一容器,该容器内设置有相互平行且竖向布置的第一隔板和第二隔板,并由该第一隔板和第二隔板将容器的内腔依次分隔为混料室、作为微电解催化单元的第一反应室和作为芬顿氧化处理单元的第二反应室,进水端口设置在第一混料室对应容器壁的下部,第一反应室的入口设置在第一隔板的上部,第二反应室的入口设置在第二隔板的下部,出水端口设置在第二反应室对应容器壁的上部,第一反应室的底部具有用于放置微电解填料的支撑料架,第二反应室设有用于向第二反应室内添加芬顿氧化药剂的加药管道。具有装置体积小、占地少、投资少、设备简单、操作方便、节省能源、处理效果好等优点。

标签:
废水处理
浙江 - 宁波 来源:中冶有色网 2023-03-19
头孢类废水的处理装置及方法

本发明公开了一种头孢类废水的处理装置,包括初沉池、兼氧池、好氧池和二沉池,所述兼氧池中设有潜水搅拌器或微量曝气装置,所述好氧池中设有微孔曝气装置,在好氧池的末端至兼氧池首端设有硝化液回流管,在二沉池至兼氧池首端设有污泥回流管;所述兼氧池和好氧池的池体比例为1:2;在所述好氧池内增设从好氧池末端至好氧池首端的好氧池内回流管。本发明的技术效果是通过增加兼氧池的池容,让污水和微生物的混合液在兼氧池的停留时间更长,从而使有机氮完全地氨化为氨氮,另外通过增设好氧内回流管则使兼氧池流入的有机物更快地向好氧池的后面部分分散,缓解好氧池首端有机物浓度过高的压力。

标签:
废水处理
浙江 - 宁波 来源:中冶有色网 2023-03-19
高浓度废水处理一体化装置

一种高浓度废水处理一体化装置,反应器下部连接的进水管与反应器内的下穿孔管连接,反应器内下部填有厌氧微生物物料层,厌氧微生物物料层上面又设一上穿孔管,上穿孔管与反应器外的进气泵一端相连,上穿孔管上面反应区设有导流膜组件,反应器顶部设有锥形排气管,排气管排气口连接进气泵的另一端,反应器上部连接出水管9。本实用新型将导流膜组件放置到厌氧污泥床反应器的反应区形成新型内置式厌氧污泥床设备,导流膜组件能强制厌氧消化产生的气体通过其较小的通道内,使得通道内的污水污泥得到比原来大得多的气体动力,在不增加水力负荷的条件下,加强泥水传质,实现导流膜组件的自行清洁功能,从而实现在高水力负荷条件下达到高的COD去除效果,并且减少膜污染,提高膜组件使用效率,降低能耗。

标签:
废水处理
浙江 - 宁波 来源:中冶有色网 2023-03-19
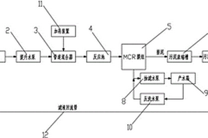
电镀废水中重金属清洁回收和污泥减量化的处理系统

本实用新型公开了一种电镀废水中重金属清洁回收和污泥减量化的处理系统,包括依次连接的原水池、提升水泵、管道混合器、反应池、MCR膜组、污泥浓缩槽和污泥脱水单元,所述污泥脱水单元与原水池之间设有滤液回流管,所述管道混合器上连接有加药装置,所述MCR膜组的内部设有内增强中空纤维帘式膜丝,外部还首尾连接有抽滤水泵、产水箱和反洗水泵。该处理系统的优点在于重金属的回收率高,达95%以上;回收得到的重金属化合物,纯度高,达99%以上;产水清澈透明,浊度接近于零,其中重金属离子的残留浓度按溶度积计,在最佳pH值下能达到《电镀污染物排放标准》(GB21900-2008)的要求。

标签:
废水处理
浙江 - 宁波 来源:中冶有色网 2023-03-19
金属发黑废水处理装置

本实用新型公开一种金属发黑废水处理装置,包括一级沉淀筒体、二级沉淀筒体、气浮机、过滤筒体、污泥回收箱、清水箱,所述一级沉淀筒体上设置有进水口一、絮凝剂箱一,所述絮凝剂箱一连通有伸入到一级沉淀筒体内的与进水口一对应的絮凝剂管一,所述絮凝剂管一上设置有电动蝶阀一,所述一级沉淀筒体内部设置有搅拌装置一,所述过滤筒体内设置有滤砂层、滤炭层,采用双重沉淀筒结构设置,可以更好的对污水进行沉淀,絮凝剂与污水的混合效率高,沉淀效率好,可以大大保证污水的净化效率,污水的整体净化效率得到了显著提升。

标签:
废水处理
浙江 - 宁波 来源:中冶有色网 2023-03-19
加压流化生物处理污废水装置

本发明公开一种加压流化生物处理污废水装置,该装置由生化反应区和气体产生区两部分组成;所述的生化反应区包括反应器反应器内部轴向设置有导流筒,反应器下端连接有进水管、进气管和排污管,反应器的上部设置有固液气三相分离装置、载体加料管和出水管道;进气管的出气口处设有进气装置、该进气装置与导流筒相对正;反应器内还设置有载体颗粒,载体颗粒分布于导流筒的内侧和外侧、内侧载体颗粒随着气体和水流向上流动、外侧载体颗粒随水流向下流动、以实现载体水流及气流的流化;气体产生区由两套产气系统构成,一套为空压机、储气罐组成的空气系统,另一套为直接连接氮气或氧气钢瓶组成的气体系统;两套产气系统并联且均与进气管相连通。

标签:
废水处理
浙江 - 宁波 来源:中冶有色网 2023-03-19
废水吸排机构
废水吸排机构 891     
 0

本实用新型涉及一种废水吸排机构,包括吸液螺盖、吸液阀体和吸液阀芯,所述的吸液阀体内安装有吸液阀芯,所述的吸液阀体一端开有开口并安装有吸液螺盖,所述的吸液螺盖位于吸液阀体内的中部布置有圆柱凸起,该圆柱凸起通过弹簧与吸液阀芯的连接凸起相连,且吸液阀芯的一端不与圆柱凸起相碰,所述的吸液阀芯另一端布置有抛物线弧形槽,所述的吸液阀体的另一端竖直开有进水通孔,所述的吸液螺盖一端面上部布置有出水孔。本实用新型具有结构简单、安装快捷、密封性能好、耐腐蚀和工作效率高等特点。

标签:
废水处理
浙江 - 宁波 来源:中冶有色网 2023-03-19
带重金属废水的净化装置

本实用新型涉及一种带重金属废水的净化装置,包括供水罐以及与供水罐连接的重金属去除机构,重金属去除机构包括重金属去除箱,重金属去除箱的底部设有底座,底座上设有安置槽,重金属去除箱位于安置槽内,重金属去除箱的底部设有多个滚轮,重金属去除箱的底部设有两个固定板,两个固定板之间设有振动电机,振动电机安装在安置槽的底部;重金属去除箱的顶部设有重金属检测仪和净水剂供给斗,重金属检测仪通过软管与重金属去除箱的内腔连通,净水剂供给斗通过供给管连接重金属去除箱的内腔,供给管上设有固体流量计。该装置通过重金属检测仪和固体流量计可以精准地检测重金属含量,从而达到净水剂精准投放的目的,净化效果好。

标签:
废水处理
浙江 - 宁波 来源:中冶有色网 2023-03-19
采用等离子体技术处理有机废水的装置及方法

一种采用等离子体进行污水处理的方法,包括如下步骤:提供一倾斜表面;使污水在倾斜表面上形成水膜;在水膜的上方设置带有发射刺的正极,并以所述倾斜表面为负极;在正极和负极之间施加能够激发等离子体的电压,以形成等离子体,达到净化污水中的杂质的目的。本发明的优点在于,采用低温等离子体中大量的·OH,·HO2,·O等自由基和氧化性极强的O3代替现有技术中的化学药剂,通过其强氧化性除去废水中的有机物含量,整个处理过程仅消耗电能,是一种清洁廉价的污水处理装置。

标签:
废水处理
浙江 - 宁波 来源:中冶有色网 2023-03-19
废水沉清池
废水沉清池 718     
 0

本申请涉及一种废水沉清池,涉及锂电池回收技术领域,其包括池体,还包括设置于池体上的防尘盖,池体上开设有供防尘盖滑移安装的滑槽,防尘盖上沿池体的长度方向的两侧设置有滑移块,池体上开设有供滑移块滑移的第一滑移槽,第一滑移槽的长度方向的一端与外界贯通,且滑槽与第一滑移槽互相连通;池体上设置有用于将防尘盖限位锁定于池体上的锁定柱,池体上开设有供锁定柱插入锁定的锁定孔,锁定孔与第一滑移槽互相贯通。本申请具有减少外界的树叶等杂物进入池体中的效果。

标签:
废水处理
浙江 - 宁波 来源:中冶有色网 2023-03-19
由环氧树脂生产过程所产生的氯化钠废水制备烧碱的方法

本发明涉及一种由环氧树脂生产过程所产生氯化钠废水制备烧碱的方法,该方法包括预处理、催化氧化与电解等步骤。本发明方法具有工艺流程简便,操作简单,自动化程度高,环境友好,处理效果好,可实现环氧树脂生产过程中产生的废盐水无害化处理和资源化利用。

标签:
废水处理
浙江 - 宁波 来源:中冶有色网 2023-03-19
磷酸铁废水的处理和盐回收系统及其方法

本发明公开了一种磷酸铁废水的处理和盐回收系统及其方法。该系统中,磷酸铁漂洗水处理模块包括依次连接的漂洗水调节装置、第一混合沉淀装置、第一多介质过滤器与第一超滤装置;第一混合沉淀装置连接有第一板框压滤机;第一板框压滤机与第一多介质过滤器连接;磷酸铁母液处理模块包括依次连接的母液调节装置、反应装置、第二多介质过滤器与第二超滤装置,第一超滤装置和第二超滤装置与反渗透模块连接;蒸发结晶分盐模块包括蒸发结晶分盐系统,蒸发结晶分盐系统上设有进液口、出盐口和冷却水出口,且反渗透模块与进液口连接,冷却水出口还与反渗透模块连接。经本申请系统处理后,最终的回用水可作为漂洗水回用,结晶盐可回收,达到零排放的目的。

标签:
废水处理
浙江 - 宁波 来源:中冶有色网 2023-03-19
改进型无废水排放设备

本发明公开了一种改进型无废水排放设备,包括箱体、设置于所述箱体内的电解装置、设置于所述箱体上端面的光伏装置、设置于所述箱体左侧的第一集取装置以及设置于所述箱体右侧的第二集取装置,所述箱体底部四个边角上同时设有固定板,所述固定板中设有固定孔,所述电解装置包括设置于所述箱体内的腔体,所述腔体上侧内壁的中心处及前后侧内壁之间固定设置有隔板,所述隔板接近下端面的左侧端面上固定设置有下感应装置,所述下感应装置上侧且位于所述隔板左端面上固定设置有上感应装置,所述隔板下端面及所述腔体下侧内壁中心处之间固定设置有离子块。

标签:
废水处理
浙江 - 宁波 来源:中冶有色网 2023-03-19
催化裂化脱硫废水悬浮物处理装置

本实用新型涉及一种催化裂化脱硫废水悬浮物处理装置,处理装置包括高密度沉降器、第一混合器、第二混合器、污泥缓冲罐、真空转鼓脱水机、渣浆收集池,本实用新型采用了污泥回流,提高了悬浮物絮凝效率;通过重力沉降及斜管沉降,提高了沉淀效果,保证了清水水质;通过真空转鼓脱水机形成的高真空度,提高了外送泥饼含固率,降低了后续处理难度,并降低了装置占地。

标签:
废水处理
浙江 - 宁波 来源:中冶有色网 2023-03-19
金属酸洗磷化废水处理装置

本实用新型公开一种金属酸洗磷化废水处理装置,包括一级沉淀筒体、二级沉淀筒体、过滤筒体、污泥回收箱、清水箱,一级沉淀筒体上设置有进水口一、絮凝剂箱一、抽水泵一,进水口一通过进水管一与设置在一级沉淀筒体内的螺旋管一连通,絮凝剂箱一通过絮凝剂管一与进水管一连通,絮凝剂管一上设置有电动蝶阀一,一级沉淀筒体内部设置有与螺旋管一的出水口对应的搅拌装置一,可以很好的调节水的PH值,采用螺旋管配合搅拌装置的结构设置可以使絮凝剂与污水的混合效率更高,沉淀效率更好,污水的整体净化效率得到了显著提升。

标签:
废水处理
浙江 - 宁波 来源:中冶有色网 2023-03-19
带多层过滤机构的重金属废水净化装置

本实用新型涉及一种带多层过滤机构的重金属废水净化装置,包括净化装置以及与净化装置连接的重金属去除机构,净化装置包括呈方向的供水罐,供水罐的顶部设有进水管,底部设有出水管,供水罐内设有多层过滤组件,过滤组件包括设置在供水罐内壁上的支撑钢架,支撑钢架上设有方形的过滤箱,过滤箱的底部设有若干通孔,过滤箱内设有多个横向隔板和纵向隔板,横向隔板和纵向隔板将过滤箱的内腔分隔为多个过滤腔单元,过滤腔单元内填充过滤物质颗粒,过滤箱的表面设有密封网盖,密封网盖通过螺栓固定在过滤箱的表面。滤箱表面的密封网盖可以随时拆装,方便在过滤箱内填充过滤物质颗粒以及更换使用后的过滤物质颗粒,达到了高效过滤污水的效果。

标签:
废水处理
浙江 - 宁波 来源:中冶有色网 2023-03-19
水汽混合废水处理装置
水汽混合废水处理装置 1058     
 0

一种水汽混合的废水处理装置,包括:等离子发生装置,用于将通入的气体电离成等离子态;风机,用于输送等离子体发生装置形成的等离子态物质至水汽混合塔;水汽混合塔,待处理的污水与电离后的气体充分混合。本实用新型的优点在于,通过采用气体电离后的原子氧和羟基等强氧化剂对污水进行氧化处理,避免了采用大量的化学药剂或者生物菌群等昂贵的处理原料,既节约了工艺成本,又能够达到净化污水的目的。

标签:
废水处理
浙江 - 宁波 来源:中冶有色网 2023-03-19
磷酸铁废水的处理和盐回收系统

本实用新型公开了一种磷酸铁废水的处理和盐回收系统。该系统中,磷酸铁漂洗水处理模块包括依次连接的漂洗水调节装置、第一混合沉淀装置、第一多介质过滤器与第一超滤装置;第一混合沉淀装置连接有第一板框压滤机;第一板框压滤机与第一多介质过滤器连接;磷酸铁母液处理模块包括依次连接的母液调节装置、反应装置、第二多介质过滤器与第二超滤装置,第一超滤装置和第二超滤装置与反渗透模块连接;蒸发结晶分盐模块包括蒸发结晶分盐系统,蒸发结晶分盐系统上设有进液口、出盐口和冷却水出口,且反渗透模块与进液口连接,冷却水出口还与反渗透模块连接。经本申请系统处理后,最终的回用水可作为漂洗水回用,结晶盐可回收,达到零排放的目的。

标签:
废水处理
浙江 - 宁波 来源:中冶有色网 2023-03-19
废水处理用无机有机杂化材料及其制备方法

本发明公开了一种废水处理用无机有机杂化材料及其制备方法,该杂化材料由以下重量份数的组份制备而成:介孔氧化硅SBA‑15 30‑50份、聚二甲基二烯丙基氯化铵10‑20份、糠醛活性炭15‑25份、碳酸氢钠10‑20份、聚3‑羟基丁酸酯25‑35份、十六烷基溴化吡啶10‑15份、硅烷偶联剂A‑189 13‑17份、硅烷偶联剂KH‑550 12‑18份、催化剂5‑10份、2‑溴‑3‑硝基甲苯3‑6份、3‑氰基‑5‑氟‑苯基硼酸4‑8份、有机溶剂15‑25份。本发明集成了吸附、中和、分解的多重效果,并且利用净化剂超强的吸附作用,提高了净化剂对于水体内有机污染物的中和净化率。

标签:
废水处理
浙江 - 宁波 来源:中冶有色网 2023-03-19
铜基Cu-Al2O3催化剂及其在含雌激素废水处理中的应用

本发明公开了一种铜基Cu‑Al2O3催化剂,其特征在于,是由如下步骤制备而成:步骤S1、将氧化铝、二氧化钛量子点和卡特缩合剂制备中间产物;步骤S2、中间产物、铜源、锰源、钇源、铪源、钛源制备铜基Cu‑Al2O3催化剂。本发明还提供了一种所述铜基Cu‑Al2O3催化剂的制备方法。本发明公开的铜基Cu‑Al2O3催化剂催化活性和催化效率高,性能稳定性好,PH适应性广泛,对含雌激素废水处理效果佳。

标签:
废水处理
浙江 - 宁波 来源:中冶有色网 2023-03-19
薯类淀粉废水废渣处理设备

本实用新型公开了一种薯类淀粉废水废渣处理设备,包括进料管、流量计、沉淀过滤箱、过滤膜组、高位感应器、摄像头、溶剂添加管、回流管、出水管、水质监测仪、出渣管和烘干箱,所述的进料管与沉淀过滤箱底端连通,沉淀过滤箱底端内部设有倾斜导板,倾斜导板最低端出设有出渣管,出渣管另一端与烘干箱连接,沉淀过滤箱内设有滤膜组,沉淀过滤箱上设有溶剂添加管,出水管与沉淀过滤箱上部连通,烘干箱底端设有加热器,烘干箱侧壁设有电动伸缩杆,烘干箱顶端内壁设有液压杆,液压杆底端设有压板。本实用新型过滤好的清水流出作为他用,将废渣压榨成饼状,方便运输和装卸,饼状废渣可作为饲料喂猪或作为肥料肥田,合理利用资源,避免浪费。

标签:
废水处理
浙江 - 宁波 来源:中冶有色网 2023-03-19
废水处理用探头清洗方法及装置

本发明公开了一种废水处理用探头清洗方法及装置,其中清洗方法包括:以压缩气体作为载体运送药液,压缩气体为压力大于常压的气体;利用被运送的药液冲洗所述探头。清洗装置包括:药剂桶,用于提供清洗探头的药液;药剂喷嘴,与药剂桶通过第一输送管路连通;压缩气体输送管路,通过药剂桶与第一输送管路连通。本发明的有益效果在于,利用压缩气体的压力和药液溶解硬性污垢的能力清洗位于监测液面下的探头。

标签:
废水处理
浙江 - 宁波 来源:中冶有色网 2023-03-19
上一页 33 34 35 36 37 ... 52 下一页
共52页    到第

中冶有色为您提供最新的浙江宁波有色金属环境保护技术理论与应用信息,涵盖发明专利、权利要求、说明书、技术领域、背景技术、实用新型内容及具体实施方式等有色技术内容。打造最具专业性的有色金属技术理论与应用平台!

全国热门有色金属设备推荐
展开更多 +
全国热门有色金属技术推荐
展开更多 +

 

江西省隆恩特环保设备有限公司
宣传

报名参会
更多+

报告下载

有色专家
更多+

广西大学
处长/教授
江西理工大学
副校长/教授
矿冶科技集团有限公司工程公司
副总经理
矿冶科技集团
中国工程院院士
昆明冶金研究院有限公司
党委书记、执行董事
赤泥综合利用研究报告2025
推广

热门技术
更多+

推荐企业
更多+

福建省金龙稀土股份有限公司
宣传

发布

在线客服

公众号

电话

顶部
咨询电话:
010-88793500-807