青岛垚鑫智能科技有限公司
宣传

位置:中冶有色 >

有色技术频道 >

> 新能源材料技术

分类:
全部
矿山技术
冶金技术
材料制备及加工技术
环境保护技术
分析检测技术
 
全部
功能材料技术
复合材料技术
新能源材料技术
合金材料技术
加工技术
地区:
全部
北京
天津
上海
重庆
河北
山西
辽宁
吉林
黑龙江
江苏
浙江
安徽
福建
江西
山东
河南
湖北
湖南
广东
海南
四川
贵州
云南
陕西
甘肃
青海
内蒙
广西
西藏
宁夏
新疆
其他
其他
展开
 
全部
天津

天津有色金属新能源材料技术理论与应用

免费发布技术信息>>
光伏新能源节能箱式变电站

本实用新型涉及变电站技术领域,尤其涉及一种光伏新能源节能箱式变电站,其包括变电站箱体、光伏系统、通风系统及清洁系统,光伏系统包括光伏板、蓄电池及逆变器,通风系统包括温度控制器、通风口及通风门,通风口开设于箱体屋顶上,通风门由通风门直线电机驱动,通风口处固装有过滤网,清洁系统包括清洁支撑架、清洁架及清洁擦,清洁支撑架固装在正对通风口处,清洁架滑动的安装在清洁支撑架上且由清洁直线电机驱动,清洁擦固装在清洁架上,温度控制器、通风门直线电机及清洁直线电机均与蓄电池通过线缆连接。本实用新型提供的装置成本低,能够自动控制变电站通风降温降压且实现过滤网自清洁。

标签:
新能源
天津 - 天津 来源:中冶有色网 2023-03-18
新能源汽车防水性能测试台架

本实用新型公开了一种新能源汽车防水性能测试台架,包括:测试底座、可拆卸地安装在测试底座上的支撑框架、安装测试底座上用于限位汽车车轮的限位机构、安装在支撑框架上用于向待测试汽车的顶部和底部喷水的喷洒机构和设置在测试底座两侧用于排出测试底座内部的水的排水机构。限位框架与驶入测试底座的汽车车轮相贴合以实现对汽车的固定,在支撑框架的顶部设置上喷洒组件,在测试底座上设置位于汽车彻底的下喷洒组件,上喷洒组件通过滑轨可以前后左右的往复运动,使得喷淋能够均匀的喷洒于汽车车体,以模拟降雨状态来测试汽车的防水性能,从而全方位测试汽车防水性能。

标签:
新能源
天津 - 天津 来源:中冶有色网 2023-03-18
新能源汽车充电桩监测装置

本实用新型公开了一种新能源汽车充电桩监测装置,包括电压互感器、电流传感器、温度传感器、报警器、喇叭、警示灯和温度显示屏;开关是整个监测装置的开关;电压互感器与充电桩输出端DC+连接;电流传感器与充电桩输出端DC‑连接;温度传感器分别与充电桩输出端DC+、充电桩输出端DC‑和充电桩枪头连接,用于监测充电桩输出端DC+、充电桩输出端DC‑和充电桩枪头处的温度;电压传感器、电流传感器、温度传感器、喇叭和警示灯均与报警器连接;温度传感器与温度显示屏连接。本装置与充电桩输出端的直流电源线路DC+、DC‑相连,对充电桩的状态进行实时监测,可用于集中分布的充电桩也可用于离散分布的充电桩,相对于目前充电桩的巡检制度,节省了大量人力。

标签:
新能源
天津 - 天津 来源:中冶有色网 2023-03-18
新能源内藏式折叠双减震电动车

本实用新型公开了一种新能源内藏式折叠双减震电动车,包括车架、车轮和电源箱,车架的下侧设有车轮,车轮与车架转动连接,车架的中部上侧设有电源箱,电源箱与车架固定连接,车架的上方设有车头,车头嵌入设置在车架中,电源箱的上侧设有车座,车座与电源箱固定连接。车座上设有靠垫,靠垫采用乳胶材料制成,使乘坐者在乘坐时更加舒适,还能避免乘坐者在道路颠簸时出现身体往后滑的情况,在机头中设有后视镜,后视镜形状为“T”形,方便使用者观察后方是否有车辆行驶,减少安全隐患,电动车中还设有备用电源,当电源没电时可启用备用电源继续行驶,备用电源中由锂电池作为电力,可对备用电源进行反复充电,且充电速度快。

标签:
新能源
天津 - 天津 来源:中冶有色网 2023-03-18
新能源汽车电机减速机壳体

本实用新型公开了一种新能源汽车电机减速机壳体,包括第一壳体,所述第一壳体的一侧设有安装槽,所述第一壳体的一侧固定有第二壳体,所述第一壳体内的底部转动套接有螺纹杆,且螺纹杆的上端贯穿第一壳体的下端并延伸至安装槽内,所述安装槽内的一端侧壁上设有两个相互平行的滑槽,两个滑槽内均安装有第一滑块,两个第一滑块的一侧共同固定有横板。本实用新型能最大程度的优化减速机的同轴度,减少因生产加工中的误差所造成的同轴度误差大的问题,从而有利于提高汽车传动系统的工作效率和质量,提高汽车行驶的安全性,而且能减少螺栓的使用数量,并能提高连接的稳定性,方便工作人员进行拆修,从而有利于延长其使用寿命。

标签:
新能源
天津 - 天津 来源:中冶有色网 2023-03-18
新能源汽车的充电枪电子锁装置

本实用新型涉及一种新能源汽车的充电枪电子锁装置。包括锁壳,在锁壳内安装有锁芯;锁芯包括电机和减速齿轮箱,在减速齿轮箱的输出轴上安装有主动齿轮;还包括移动基座,移动基座包括基体,在基体上设有横向支臂和纵向支臂,在纵向支臂的内侧壁上设有与主动齿轮啮合的直齿;还包括第一触点开关和第二触点开关,两者反向设置,横向支臂与两个触点开关的触片接触;在基体的底部还设有顶柱,在锁壳的底壁中部开设有透窗并安装有带有锁孔的端盖,顶柱位于锁孔内;在基体的顶部还连接有闸线,闸线由开设在锁壳顶壁上的闸线孔穿出;还包括控制电路板,电机、两个触点开关均与控制电路板电连接。本实用新型结构简单、动作稳定、锁止可靠性高。

标签:
新能源
天津 - 天津 来源:中冶有色网 2023-03-18
新能源汽车电机机壳
新能源汽车电机机壳 1127     
 0

本实用新型公开了一种新能源汽车电机机壳,包括壳体,所述壳体内部设有外壳腔和冷却液腔,所述冷却液腔设于外壳腔内部,所述壳体底部设置有避震底座,所述避震底座与壳体之间设置有高密度海绵,所述避震底座内底部焊接有避震弹簧,所述壳体通过避震弹簧与避震底座连接,所述壳体一端焊接有固定圈,所述壳体一端通过固定圈与保护盖连接。本实用新型冷却效果好,具有避震效果,适合被广泛推广和使用。

标签:
新能源
天津 - 天津 来源:中冶有色网 2023-03-18
新能源汽车教学实训平台装置

本实用新型涉及汽车教学实训平台领域,具体为一种新能源汽车教学实训平台装置,包括固定台,所述固定台的顶部设置有操作面板,且固定台的顶端靠近操作面板的两侧端位置处均连接有限位架,所述操作面板的顶端安装有固定壳,所述固定壳的内部设置有转动轴,所述转动轴的外部缠绕连接有防尘布,且转动轴的一端位于固定壳的外侧连接有联轴器,所述固定台的底部两边缘处均连接有支撑板,两个所述支撑板的内壁之间连接有横梁,所述横梁的底部靠近支撑板的内侧位置处安装有伸缩式液压缸。本实用新型便于在不使用平台装置时,对操作面板的表面进行防尘处理,且便于根据不同身高使用者的需要对平台装置的高度进行调节。

标签:
新能源
天津 - 天津 来源:中冶有色网 2023-03-18
港口新能源能耗评估装置

本实用新型公开了一种港口新能源能耗评估装置。本实用新型箱体背面上边沿的左右两侧均设置有合页,所述盖板的前边沿中部设置有固定扣,所述箱体的前侧面上方中部固定连接有固定块,所述箱体的下表面四角处均固定连接有伸缩支腿,所述箱体的内部设置有调节机构,所述调节机构包括弹簧条,所述弹簧条的顶部固定连接有放置板,所述放置板的左右两侧中部均固定连接有螺纹轴,所述螺纹轴上套有旋钮,箱体的左右两侧壁中部竖直方向均开设有滑槽,两个螺纹轴分别穿过相邻的滑槽。本实用新型可以达到方便操作人员将评估设备本体从箱体的内部取出的作用。

标签:
新能源
天津 - 天津 来源:中冶有色网 2023-03-18
新能源汽车电池固定结构

本实用新型公开了一种新能源汽车电池固定结构,包括电池壳,所述电池壳的底部设有连接套,所述连接套的底部设有地脚,所述电池壳的左右侧壁的底部设有第一固定耳,所述电池壳的左右侧壁的顶部设有第二固定耳,所述电池壳的顶部设有盖板,所述电池壳的侧壁和底部均开设有散热孔,所述散热孔呈矩形阵列分布,所述电池壳内底部和侧壁上均匀覆盖有第一橡胶垫,所述电池壳的顶部设有把手,所述电池壳的底部设有导向柱,所述导向柱底部连接有导向套,所述导向柱的一端插入到导向套中,所述导向套内部还设有弹簧,所述导向柱的端部设有限位块,所述导向套的底部设有压紧板所述压紧板的底部设有第二橡胶垫,适合广泛推广。

标签:
新能源
天津 - 天津 来源:中冶有色网 2023-03-18
新能源可太阳能充电的扫地机器人

本实用新型公开了一种新能源可太阳能充电的扫地机器人,包括下机壳和上机壳,所述下机壳的内部设置有主板,所述主板的前表面上设置有电源接口,且主板前表面上靠近电源接口的左侧位置处设置有螺丝,所述主板的左侧设置有电机,所述电机的左侧设置有驱动轮,所述主板的上方设置有吸尘电机,所述吸尘电机的上方设置有尘盒,所述尘盒左侧靠近驱动轮的上方位置处设置有充放电控制器,且尘盒的右侧设置有蓄电池。本实用新型结构科学合理,使用安全方便,设置了太能能电池板和充放电控制器,放在太阳底下,利用光生伏打效应将太阳辐射能直接转换为电能,通过充放电控制器对蓄电池进行充电,利用太阳能给扫地机器人进行充电。

标签:
新能源
天津 - 天津 来源:中冶有色网 2023-03-18
新能源汽车自动充放电装置

本实用新型公开了一种新能源汽车自动充放电装置,所述底座的顶部左右两侧均设有支撑杆,所述箱体的外部左右两侧均设有支撑块,所述箱体的内侧底部从左到右依次安装有AD转换器、电压检测装置、充电开关控制器和电量检测装置,所述箱体的顶部从左到右依次安装有稳压器、充电器和放电开关控制器,所述箱体的外侧顶部左右两侧分别设有外部电源接口和蓄电池电源接口。该装置通过多弹簧的设置,使得箱体的减震效果更好,从而使得箱体内部的电子部件不易损伤;通过稳压器的设置使得蓄电池的充电更加安全,而且保护了电路;该装置实现了汽车蓄电池的自动充放电功能,提高了蓄电池的使用寿命。

标签:
新能源
天津 - 天津 来源:中冶有色网 2023-03-18
车载终端及具有其的新能源汽车

本申请涉及一种车载终端及具有其的新能源汽车,其中车载终端包括微控制器、通信模块、双模卫星定位模块、总线收发模块、存储器和电源模块;通信模块与微控制器的第一接口通信连接;双模卫星定位模块与微控制器的第二接口通信连接;存储器与微控制器的第三接口电连接;电源模块具有多个输出端,且多个输出端分别与微控制器的电源输入端、通信模块的电源输入端、双模卫星定位模块的电源输入端和总线收发模块的电源输入端对应电连接,用于对微控制器、通信模块、双模卫星定位模块和总线收发模块提供驱动电压。其能够通过各种模块来实现不同的功能,从而最终有效提高车载终端的集成度。

标签:
新能源
天津 - 天津 来源:中冶有色网 2023-03-18
新能源发电余热再利用一体回收装置

本实用新型公开了一种新能源发电余热再利用一体回收装置,所述底座上部一侧设有污水收集池和第一水泵,所述第一水泵的进水口和第一进液管连通,所述第一进液管的另一端和污水收集池底部连通,所述第一水泵的出水口和第二出水管连通,所述第二出水管的另一端和沼气池上部连通,所述沼气池设置在底座上部,所述沼气池的出气口和第一出气管连通,所述第一出气管的另一端和储气罐的顶部连通,所述第一出气管上设有脱硫装置和第一脱水装置,所述储气罐的出气口和第二出气管连通,所述第二出气管的另一端和发电机组的进气口连通,所述第二出气管上设有第二脱水装置和阻火器,所述发电机组的排气口和第一排气管连通。

标签:
新能源
天津 - 天津 来源:中冶有色网 2023-03-18
采用太阳能新能源供电的智能竞速健身车

本实用新型提供采用太阳能新能源供电的智能竞速健身车,其特征在于安装有伞膜、太阳能板、播放器、防爆灯,通过太阳能板供电,减少了资源浪费,通过屏幕对系统进行操作,使使用者健身时不枯燥,同时使使用者可在夜晚及雨雪、炎热天气进行健身活动;座椅由底板、网状护板组成,底板上侧通过支撑环焊接有网状护板,网状护板与底板之间存在间隙,对使用者的臀部进行弹性缓冲,使使用者坐在座椅上更舒适;网状护板的四周胶粘有橡胶条,增加了使用者的臀部与座椅之间的摩擦力,底板为弧形结构,使雨水可以流至座椅外部;底板的下侧设有导流件,避免了雨水腐蚀座椅底部;在运动轴外部增加了阻尼器,防止脚踏板超速转动发生。

标签:
新能源
天津 - 天津 来源:中冶有色网 2023-03-18
新能源汽车多功能驱动电机性能测试装置

一种新能源汽车多功能驱动电机性能测试装置,包括箱体,所述的箱体的顶侧开口,箱体的底面固定安装活塞管,活塞管内活动安装活塞头,活塞头的左侧固定连接第一电动伸缩杆的右端,U形板内设有两个夹紧板,夹紧板的相背面分别通过第三电动伸缩杆与U形板的内壁固定连接,箱体的顶面活动安装箱盖,箱盖内壁的顶面固定安装竖杆,竖杆的底端轴承安装卡接装置,卡接装置的外周固定安装数个桨叶,箱体内壁上侧的右侧固定安装防水插座。本实用新型结构简单,使用方便,能够对电机在运转中进行检测,能够便于测试不同深度的水压下的电机的防水性能,能够在进行检测时提高水的流动性,加快检测速度,提高效率,能够便于将电机从箱体中取出。

标签:
新能源
天津 - 天津 来源:中冶有色网 2023-03-18
新能源车载配电柜
新能源车载配电柜 765     
 0

本实用新型公开了一种新能源车载配电柜包括柜体,所述柜体的两侧均铰接有伸缩杆,所述伸缩杆的另一端铰接有弹性板,所述伸缩杆上套有减震弹簧,所述柜体的上端设置有防火箱,所述防火箱内设置有灭火器,所述灭火器通过防火管通入柜体的内部,所述柜体内部的上端安装有探测器,所述柜体的前侧安装有柜门,所述柜门上设置有检视窗。本实用新型中柜体两侧设置有弹性板,弹性板铰接有伸缩杆以及伸缩杆上套有减震弹簧,加之柜体底部设置的伸缩支架和刚性弹簧对柜体起到了有效的减震效果,使得柜体内部的线路和开关不会突然失灵,柜体上部设置的灭火器能在遇到自燃时自动灭火,底部设置的散热风扇帮助柜体内部进行散热。

标签:
新能源
天津 - 天津 来源:中冶有色网 2023-03-18
双电源新能源汽车驱动装置

本实用新型涉及一种双电源新能源汽车驱动装置,包括电动机以及电源,所述电源通过一控制装置与所述电动机相连接,所述电源分为第一电源和第二电源,所述电动机为双绕组电动机。本系统可以将两种电源有效地结合起来,可以应用于混合动力和纯电动两种系统中,充分利用两种电源的优点,在保护电源的同时提供完整、持续的供电。

标签:
新能源
天津 - 天津 来源:中冶有色网 2023-03-18
便于装夹的新能源汽车底盘生产用去废料装置

一种便于装夹的新能源汽车底盘生产用去废料装置,本实用新型涉及汽车生产技术领域,网板设于箱体内,网板的周壁活动抵触在箱体的内周壁上;网板上开设有数个网孔;震动机构的数量为两个,且分别设于箱体的左右内侧壁的滑槽内;一号导板的数量为四个,且分别两两设于收集盒的上端;一号导板的上端内侧通过合页与网板旋接;收集盒的数量为两个,且分别设于网板下方;收集盒设于网孔下方;一号导板的下端分别设于收集盒内;安装板的数量为两个,且分别固定在箱体的左右侧壁上;能够将细小的废料与大块的废料分开处理,提高了废料处理的效率;避免装置的宽度小于机床的宽度,使得机床上的废料不会落到地面上。

标签:
新能源
天津 - 天津 来源:中冶有色网 2023-03-18
新能源汽车用防火电缆

本实用新型是一种新能源汽车用防火电缆,包括外护层和位于外护层内的内护层,聚氯乙烯绝缘层外套有隔氧层,隔氧层外套有屏蔽层,屏蔽层外套有散热层,散热层位于封闭空间内,且封闭空间内填充有导热硅橡胶填充层,耐热层靠近外护层的一侧设有若干圆周均布的轴向散热通孔。本实用新型支撑片、支撑凸起、保护块和内护层连接成一个保护壳体,防止电缆芯受到挤压,导热硅橡胶填充层在导热的同时具有一定的缓冲能力,对外力进行缓冲,更好地保护电缆。此外,内护层上的通气孔、散热层、散热通孔和导热硅橡胶填充层配合工作,有效地散去了电缆内部产生的热量,解决了因电缆散热不及时导致温度过高、频发过热烫人甚至自燃的问题。

标签:
新能源
天津 - 天津 来源:中冶有色网 2023-03-18
新能源汽车轻量化电池支架结构

本实用新型是一种新能源汽车轻量化电池支架结构,包括:电池包托架,电池包托架与车辆纵梁固定连接,用于承托电池包;保护机构,保护机构位于电池包托架的前方和/或后侧,用于车辆托底时对电池包托架进行保护,保护机构包括用于与障碍物进行预碰撞的防护板,防护板与车辆纵梁固定连接,防护板与车辆纵梁之间设有用于吸收冲击能量吸能盒。本实用新型的电池包托架能够对电池包及其蒙皮进行良好的支撑,防护板能够从前方和/或后方对电池包进行良好的防护,从而无需对蒙皮和电池包托架进行加厚,这种方式能够降低电池支架总成的质量,从而降低整车质量、提升续航里程。

标签:
新能源
天津 - 天津 来源:中冶有色网 2023-03-18
新能源汽车固定稳定且便于拆卸的方向盘套

本实用新型公开了一种新能源汽车固定稳定且便于拆卸的方向盘套,包括第一套体,所述第一套体的一端活动安装有第二套体,所述第一套体、第二套体之间活动连接,所述第一套体、第二套体的两端分别设置有第一连接件、第二连接件,所述第一连接件与第二连接件之间活动连接,所述第一连接件靠近第二连接件的一侧开设有活动槽,所述活动槽的内侧设置有锁合机构,所述第二连接件靠近第一连接件的而一侧固定设置有连接板。本实用新型通过将第一套体、第二套体安装在方向盘的外侧并通过卡合机构进行固定,拆卸的时候直接将第一套体、第二套体拉扯下即可,通过将第一连接件、第二连接件分开,进而将第一套体、第二套体分开,进而将第一套体、第二套体拆卸。

标签:
新能源
天津 - 天津 来源:中冶有色网 2023-03-18
新能源迷你休闲电动车

本实用新型公开了一种新能源迷你休闲电动车,包括车架、儿童椅和车头,车架的中部设有儿童椅,儿童椅与车架固定连接,车架的左侧设有手机支架,手机支架嵌接设置在车架中,手机支架的底部设有转动块,转动块与手机支架转动连接,手机支架的中部设有固定夹,固定夹与手机支架固定连接。在车架中设有手机支架,通过固定夹将手机固定住可以给孩子播放音乐或者动画片,使孩子不会随便乱动,在儿童椅上设有防护带,防护带采用橡胶材料制成,能够合适地调节防护带的松紧度,将孩子固定在儿童椅中,使孩子不会因为电动车抖动而出现危险。

标签:
新能源
天津 - 天津 来源:中冶有色网 2023-03-18
便于固定的新能源汽车底盘零部件生产用冲压装置

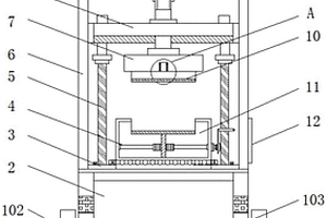
本实用新型公开了一种便于固定的新能源汽车底盘零部件生产用冲压装置,包括箱体减震机构、底座、脱模机构和下模座,所述底座的底端设置有减震机构,且底座的顶端固定有架体,所述架体的一侧固定有控制面板,所述架体的顶端固定有气缸,且气缸的输出端通过连接杆固定有升降板,所述升降板的底端固定有上模座,所述下模座内部的中央位置处设置有脱模机构,所述升降板底部的两端均通过套筒与导柱套设连接。本实用新型通过安装有减震机构、下支座、连接件、活动板、滑槽以及复位弹簧,冲压工作时会造成很大的震动,震动力会向下挤压底座,通过震动力,使活动板向下挤压,复位弹簧通过弹力的作用,减缓震动力。

标签:
新能源
天津 - 天津 来源:中冶有色网 2023-03-18
稳定性强的新能源迷你电动车

本实用新型公开了一种稳定性强的新能源迷你电动车,包括框架和配件,框架下端设有配件,配件安装在框架上,框架上端设有把手,把手滑动连接在框架上,把手的两端均设有刹车,刹车通过螺钉固定连接在把手上,把手中部设有喇叭,喇叭通过螺钉固定连接在把手上,框架左侧中部设有车灯,车灯通过螺钉固定连接在框架上。该种储物盒的设计能够使得使用者存放一些细小的物品,诸如钱包和手机等,且车轮内部设有橡胶内芯,橡胶内芯紧密贴合在车轮上,且该种橡胶内芯内部设置有若干细小孔洞,这样的实心的轮胎设计能够增加轮胎的耐用性,解决了现有的充气轮胎需要经常充气的不足。

标签:
新能源
天津 - 天津 来源:中冶有色网 2023-03-18
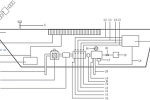
基于新能源无人船平台的智能水质监测系统

本实用新型涉及一种基于新能源无人船平台的智能水质监测系统,包括安装在无人船船体上端的天线,船舱后端的控制系统;船体底部的取水管,取水管与滤网、水泵、第二测试室、第一测试室、排水管依次连接;第二测试室内设有多个常规水质传感器,且上述常规水质传感器分别与控制系统相连;第一测试室的后端还安装有探针试剂室;第一测试室的上端还安装有紫外光源,下端安装有摄像头;摄像头也与控制系统相连;控制系统与天线电性连接,将测量数据通过北斗卫星传输给用户端,实现水质监测。本实用新型的监测系统可以完成多种水质参数的长期、实时在线检测,达到智能监测水质的目的。

标签:
新能源
天津 - 天津 来源:中冶有色网 2023-03-18
设置在新能源汽车底盘上部的通风管装置

本实用新型公开了一种设置在新能源汽车底盘上部的通风管装置的结构,由前端口接插在车体前脸进气格栅后侧的玻璃钢制通风管体和与其后端口处连接固定的通风网格式栅组件组成一体结构的通风管装置,所述通风网格式栅组件,由框架体及其上设有的宽边,凹槽和及由碳纤维网线穿过穿孔穿线交织成的网面组成,通风网格式栅组件的前端探出车体尾部壳体外,所述通风管装置,其底部设有两根支架件,由3个玻璃钢材质制的加固环,将其和通风管装置通过螺栓加固固定在车体底盘上。本实用新型结构简单,轻质高强,易于制作,并具有有效地降低整体车的风阻力,车体内通风效果良好,各部件长时间处于常温状态,防止部件引发变形现象的发生的有益效果。

标签:
新能源
天津 - 天津 来源:中冶有色网 2023-03-18
新能源汽车用蜂鸣器
新能源汽车用蜂鸣器 1029     
 0

本实用新型提供一种新能源汽车用蜂鸣器,涉及蜂鸣器技术领域,包括蜂鸣器主体和安装座,蜂鸣器主体的底端分别固装有防断块和连接块,连接块的外表面固装有限位块,安装座的底端固装有组合座,安装座的内部分别开设有定位槽、和连接槽,组合座的内部和外表面分别开设有限位槽和卡线槽,组合座的外表面固装有安装板。本实用新型,通过设置安装座、连接块、限位块、组合座、定位槽、卡线槽、连接槽和限位槽,能够快速将蜂鸣器主体组合在安装座上,无需拆除组合座即可手动将蜂鸣器主体取下,无须借助扳手之类的工具,故而就不会出现工具划伤车辆的情况出现,方便使用者定期维护蜂鸣器主体。

标签:
新能源
天津 - 天津 来源:中冶有色网 2023-03-18
新能源地下照明装置
新能源地下照明装置 708     
 0

本实用新型公开了一种新能源地下照明装置,包括底座和支撑杆,支撑杆固定于底座顶端,支撑杆的外侧由下而上依次设置有功能箱、风电结构和功能结构;风电结构中包括套框和多组风罩,每组风罩均等距阵列固定于套框的外侧;功能结构中包括套环和卡设与套环外壁的多组外框,外框内设置有灯板和太阳能板组件,将地下空间内存在的流动空气,作用于风罩上,风罩通过固定架和顶铁带动套框进行旋转,由功能箱内部的风电转换结构和整流器将电能存储在内部的蓄电池内,而顶端的太阳能板组件可以将在地表吸收的太阳能转换为直流电能存储在蓄电池内,使用者在地下空间内,可以通过大容量的照明设备进行长时间的工作,避免出现因为缺电造成的影响。

标签:
新能源
天津 - 天津 来源:中冶有色网 2023-03-18
新能源电池极耳展平装置

本实用新型公开了一种新能源电池极耳展平装置,包括壳体,所述壳体内部顶端左右两侧均固定设置有一排第一伸缩杆,所述第一伸缩杆后侧设置有第二伸缩杆,所述第一伸缩杆底端固定设置有第一压力传感器,所述第二伸缩杆底端固定设置有第二压力传感器,所述第一压力传感器和第二压力传感器下端均固定连接有弹簧,所述第一压力传感器下端的弹簧固定连接有第二辊筒架。本实用新型通过设置第二压力传感器和第一压力传感器可以根据需要来展平电池极耳,安装发热管,这样对电池极耳进行展平前的热处理和二次热处理,增强展平效果,同时还进行两次展平,两次施加不同的压力加强展平效果,具有结构简单、使用方便、使用效果好的优点。

标签:
新能源
天津 - 天津 来源:中冶有色网 2023-03-18
上一页 22 23 24 25 26 ... 48 下一页
共48页    到第

中冶有色为您提供最新的天津有色金属新能源材料技术理论与应用信息,涵盖发明专利、权利要求、说明书、技术领域、背景技术、实用新型内容及具体实施方式等有色技术内容。打造最具专业性的有色金属技术理论与应用平台!

全国热门有色金属设备推荐
展开更多 +
全国热门有色金属技术推荐
展开更多 +

 

江西省隆恩特环保设备有限公司
宣传

报名参会
更多+

报告下载

有色专家
更多+

武汉科技大学
校学术委员会主任 / 教授
昆明理工大学
教授
赣州江钨钨合金有限公司
工程师
北京科技大学
副院长/教授
重庆理工大学
教授
赤泥综合利用研究报告2025
推广

热门技术
更多+

推荐企业
更多+

福建省金龙稀土股份有限公司
宣传

发布

在线客服

公众号

电话

顶部
咨询电话:
010-88793500-807