青岛垚鑫智能科技有限公司
宣传

位置:中冶有色 >

有色技术频道 >

分类:
全部
矿山技术
冶金技术
材料制备及加工技术
环境保护技术
分析检测技术
 
全部
废水处理技术
大气治理技术
固/危废处置技术
土壤修复技术
地区:
全部
北京
天津
上海
重庆
河北
山西
辽宁
吉林
黑龙江
江苏
浙江
安徽
福建
江西
山东
河南
湖北
湖南
广东
海南
四川
贵州
云南
陕西
甘肃
青海
内蒙
广西
西藏
宁夏
新疆
其他
其他
展开
 
全部

有色金属环境保护技术理论与应用

免费发布技术信息>>
基于城市河道污泥和再生垃圾的免烧陶粒及制备方法

本发明公开了一种基于城市河道污泥和再生垃圾的免烧陶粒及制备方法,按照重量份数计,包括河道污泥50‑70份;固体废弃物垃圾粉料20‑40份;水泥10‑20份;成孔剂1‑5份;激发剂7‑12份。制备时,先按照比例称重,而后将固体废弃物垃圾粉料和水泥混合充分,然后将所述成孔剂和激发剂投入,充分搅拌,得到混合料;之后将河道污泥加入并充分搅拌;最后经过练泥机练泥后放图成球造粒机制得陶粒。本技术由于将河道污泥和固体废弃物垃圾粉料作为陶粒的原料,实现对河道污泥和垃圾的回收利用,降低陶粒的成本,同时达到环保功能,起到保护环境的效果。

标签:
固废
广东 - 深圳 来源:中冶有色网 2023-03-19
好氧发酵的高效有机肥及其制备方法

目前,一些大型养殖场排放的固体废弃物对周边环境已经构成威胁,同时这些固体有机废弃物又是一种资源,不恰当的处置方式才会对环境造成污染,如果通过较为经济的手段使其低成本转化为为盖土培肥、提供营养的有机肥料,既可以解决环境污染问题,又可以盐碱土改良、有机农业、绿色农业找到一个好的产品原料,并可以产生可观的经济效益。本发明提供了一种利用食用菌渣、畜禽粪便等有机固体废弃物,通过好氧发酵制作高效有机肥的方法。由原料混配、添加复合菌剂、好氧发酵、制成有机肥四个步骤组成。其特征在于将猪粪、鸡粪、食用菌渣、椰糠、粉碎秸秆按照一定的比例混合均匀,再在混合物料中添加经过试验优选出来的好氧发酵复合菌剂,经过好氧发酵制成有机肥料。

标签:
固废
天津 - 天津 来源:中冶有色网 2023-03-19
污水预处理用固液筛分装置

本发明公开了一种污水预处理用固液筛分装置,包括预处理装置外壳,所述预处理装置外壳的顶部开设有进水口,所述预处理装置外壳的内部设置有刮料装置,所述预处理装置外壳内壁的底部的两侧均固定连接有固体废料收集盒,所述固体废料收集盒远离预处理装置外壳的一侧固定连接有垂直筛网,两个所述垂直筛网的顶部通过水平筛网固定连接。通过设置刮料装置、固体废料收集盒、垂直筛网和水平筛网相互配合,实现了预先将污水中的固液进行分离的效果,大大优化了污水处理设备的使用效果,使得后续的污水处理工作更加简便,能够更加快速的将污水进行处理,操作简单,省时省力,工作效果大大提高,处理效果更加理想。

标签:
固废
浙江 - 绍兴 来源:中冶有色网 2023-03-19
蜡蚧轮枝菌及其培养方法与应用

本发明公开了蜡蚧轮枝菌及其培养方法与应用,目的是提供一种防虫效果好的蜡蚧轮枝菌产品。本发明所提供的菌株为蜡蚧轮枝菌(Verticillium lecanii)Verle(Bj085-1)CGMCC №1187,该菌株的培养方法是将菌株接种固体培养基中,在温度为23-25℃,相对湿度为85%-90%的条件下培养得到蜡蚧轮枝菌产品。所述固体培养基优选为煮半熟的大米。可以将培养所得产品制成以该菌株为活性成分的杀虫剂。本发明的蜡蚧轮枝菌菌株对我国温室白粉虱和蚜虫有良好的防治效果。该菌株液体发酵工艺生产中所用原料便宜、来源广、生产工艺较为简单,而且生产过程无污染性废料、废渣和废气产生,可广泛用于防治温室白粉虱和蚜虫等害虫。

标签:
固废
北京 - 北京 来源:中冶有色网 2023-03-19
餐厨垃圾预处理装置
餐厨垃圾预处理装置 972     
 0

本实用新型公开了餐厨垃圾预处理装置,其包括箱体,该箱体的上端为滤水腔室,滤水腔室下端的腔体被分隔成两个独立的废液储腔和固体垃圾处理腔;滤水腔室具有推杆;固体垃圾处理腔的上端固定安装有粉碎机;粉碎机下方的固定板上固定安装有压缩装置;固定板与固体垃圾处理腔腔壁之间形成的间隙为饼块进入饼块储腔的入口,饼块储腔上设置有固体垃圾出口;固定板上开设有若干滤水孔,固定板下方连接有导流装置;废液储腔的中上端固定安装有一块倾斜的导流板,导流板下表面固定安装的第一隔板将废液储腔分隔成两个相互连通的第一腔室和第二腔室;第一腔室中上部设有出油口,第二腔室中下部设有出液口。

标签:
固废
四川 - 成都 来源:中冶有色网 2023-03-19
防治重茬病害的复合微生态制剂及其制备方法和应用

本发明涉及重茬病害防治技术领域,公开了一种防治重茬病害的复合微生态制剂及其制备方法和应用;本方案以枯草芽孢杆菌和哈茨木霉为主要功能成分,以气化炉渣陶粒为吸附剂、以麸皮为部分发酵营养成分,吸附剂吸附微生物种子液形成固体发酵物,固体发酵物经固体发酵后烘干得到复合微生物制剂。本方案具有发酵工艺简单、不产生废水/废气、对气化炉渣废物再利用、发酵效率高等优点,制得的复合微生态制剂对多种经济作物如番茄、辣椒和棉花均具有显著的重茬病害防治和增产效果,可以弥补现有生物防治技术的不足,对经济作物重茬病害防治具有重要意义。

标签:
固废
新疆 - 乌鲁木齐 来源:中冶有色网 2023-03-19
切削液处理回用及沉淀污泥产物回收的方法

一种切削液处理回用及沉淀污泥产物回收的方法,本发明涉及一种切削液处理回用及沉淀污泥产物回收的方法。本发明的目的是为了解决切削废液的常用处理方法固体杂质去除难,切削液难以重复利用的问题,本发明通过化学药剂破络,使切削液中部分物质氧化后络合的金属离子游离沉淀出来,生成的沉淀相互聚集,附着在切削液中金属颗粒表面,加快了沉降速度,又通过使用絮凝剂进一步加快聚集和沉降速度,也使其易于被过滤去除,后通过膜过滤去除切削液中的固体杂质,使切削液能澄清透明,具有重复使用性。本发明所产生的固体杂质大大减少,降低了处理成本和药剂使用量,处理废切削液的平均回收率为96.0%。本发明应用于废切削液处理回用领域。

标签:
固废
广东 - 广州 来源:中冶有色网 2023-03-19
基于工厂化循环水养殖的鱼菜共生系统

本发明属于养殖种植技术领域,尤其是一种基于工厂化循环水养殖的鱼菜共生系统,现提出以下方案,包括养殖池、尾水处理罐、生物滤池、气体溶解罐、固解罐、营养罐和蔬菜种植区,将所述养殖池中的养殖污水引入到尾水处理罐中进行沉淀,将液体部分导入所述生物滤池中。本发明将养鱼使用的水进行沉淀、过滤和净化后继续使用,可有效的避免水资源的浪费,另外养鱼使用的污水进行沉淀时,可产生一定的固体废物,固体废物含有鱼食和鱼粪,可对固体废物进行固解后将其加入到蔬菜种植区中为蔬菜提供营养,从而有效解决水资源浪费和养殖污染物循环利用低等问题,提高水处理生态系统复杂性,维持系统内动态平衡。

标签:
固废
山东 - 潍坊 来源:中冶有色网 2023-03-19
生成物制造方法以及制造设备

本发明是一种将含有植物性废弃物的原料进行水解处理从而制造生成物的生成物制造方法,其包含:通过蒸汽将原料进行水解的水解处理工序;使用清洗液对水解处理后的原料进行清洗的清洗工序;以及将清洗后的原料分离成固体组分和液体组分的固液分离工序;其中,固体组分或者液体组分中的至少一种作为生成物。本发明是一种将含有植物性废弃物的原料进行水解处理从而制造生成物的生成物制造设备,其包含:通过蒸汽将原料进行水解的水解处理装置;使用清洗液对水解处理后的原料进行清洗的清洗装置;以及将清洗后的原料分离成固体组分和液体组分的固液分离装置。通过本发明,能够提供一种在短时间内由植物性废弃原料制造生成物的制造方法以及制造设备。

标签:
固废
其他 - 其他 来源:中冶有色网 2023-03-19
机械式固液分离装置
机械式固液分离装置 772     
 0

本发明公开了一种机械式固液分离装置,包括箱体、旋转叶片、螺旋收集装置、多层滤网、出水口、收集装置箱、电机、固体废物出口和调节器;箱体的顶端形成有入料口、废料口和微生物放置口,箱体的上部还通过气管与真空隔膜泵连通;电机上连接有轴承和旋转轴,旋转轴依次穿过水平设置的螺旋收集装置和多层滤网延伸至箱体内部上方,旋转叶片沿螺旋方向自上而下布设在旋转轴上;箱体的中部位于多层滤网下方形成出水口并延伸至箱体外部,固体废物出口设置在收集装置箱下方且与调节器连通,调节器用于控制固体排除速率。其利用离心力实现环保、无振动、无噪音地固液分离;同时,不易堵塞,处理能力稳定,结构简单,操作方便,维护成本低。

标签:
固废
安徽 - 芜湖 来源:中冶有色网 2023-03-19
高、低有效氢碳比原料共混催化热解制取燃料的装置和方法

本发明公开了一种高、低有效氢碳比原料共混催化热解制取燃料的装置和方法,该装置包括预混器、两级螺旋进料器、马达、料仓、流化床热解器、旋风分离器、两级冷凝装置、焦炭仓、储油罐、储气罐、预热器。该方法能够利用该装置将高、低有效氢碳比的不同原料进行共混催化热解。本发明能够将有效氢碳比低的含碳固体废弃物廉价高效地转化为高品质的液体燃料,同时处理有效氢碳比高的塑料等固体废弃物,解决了目前有效氢碳比低的生物质等含碳固体废弃物转化困难,热解产物品质不高,选择性差,催化剂易结焦、失活快的问题。

标签:
固废
江苏 - 南京 来源:中冶有色网 2023-03-19
邻二甲苯液相氧化残渣的处理方法

本发明公开了一种邻二甲苯液相氧化残渣的处理方法,该方法向氧化残渣中加入邻苯二甲酸酯或邻甲基苯甲酸酯或二者的混合物,低碳醇和催化量的催化剂,经过催化溶解酯化得到混合粗酯,回收大部分固体残渣,能够减少50%以上的固体废弃物排放。经过精制后,该粗酯可以作为邻二甲苯液相氧化的溶剂返回氧化塔使用。该方法使邻二甲苯液相氧化残渣得到了综合利用,大大减少了固体废弃物的排放,实现了工业废渣资源化。

标签:
固废
辽宁 - 大连 来源:中冶有色网 2023-03-19
利用造纸污泥制备的复合污泥脱水调理剂及其制备方法

本发明属于环境保护及固体废弃物造纸污泥的资源化利用领域,具体涉及一种以造纸污泥为主要原料,与聚合氯化铝和聚丙烯酰胺复合制备污泥脱水调理剂的方法,用水和氢氧化钠溶液将造纸污泥中的木质素溶解,滤液用硫酸溶液酸化,将析出物过滤,干燥,得木质素,将木质素与聚合氯化铝和聚丙烯酰胺按重量份数之比为8~16:0.8~2.4:0.02~0.04混合均匀,即得该复合污泥脱水调理剂。该复合污泥脱水调理剂以造纸污泥为主要原料,整个制备过程简单,原材料为固体废弃物,不但解决了造纸污泥对环境的污染问题,且该调理剂能够明显减小污泥的比阻,降低污泥的含水率,实现造纸污泥的再利用以达到以废治废的目的。

标签:
固废
河南 - 郑州 来源:中冶有色网 2023-03-19
中频感应加热裂解垃圾处理装置及垃圾处理系统

本发明公开了一种中频感应加热裂解垃圾处理装置,涉及一种废固垃圾处理系统,其包括裂解炉体、进料机构和出料机构,所述裂解炉体内设有高温裂解室,高温裂解室内安装有中频感应加热层,用于对垃圾进行中频感应加热,所述裂解炉体上连接有进料机构和出料机构,分别用于实现进料和出料动作,本发明的有益效果是:可以完美的改变废固垃圾的处理方式,减轻运输成本和运输途中的二次污染,用于固体废物的资源化处理,并制造再生燃料,无疑成为一种很有前途的固体废物处理方法,高压高温热裂解装置的采用不再是简单地处理消除垃圾,同时也着眼于城市垃圾中能源和其它资源的再生利用,达到环保、节能、资源再生循环应用的综合效果。

标签:
固废
广东 - 广州 来源:中冶有色网 2023-03-19
钢管混凝土专用高效膨胀剂及其制备方法和应用

本发明公开了一种钢管混凝土专用高效膨胀剂及其制备方法和应用。本发明所述钢管混凝土专用高效膨胀剂由白云石提供钙、镁源,利用钢渣、硫铁矿烧渣固体废弃物中Fe2O3、SiO2、Al2O3和SO3,低温煅烧制备所得。本发明所述的高效膨胀熟料兼具氢氧化钙、钙矾石、氢氧化铁和氢氧化镁4种膨胀源的优点,具有历程调控、全过程补偿钢管混凝土收缩的作用;且含有水硬性胶凝组分具有提升混凝土强度的作用。采用钢渣、硫铁矿烧渣等废渣替代矾土、硬石膏等不可再生资源制备钢管混凝土专用膨胀材料,对于节约资源、保护生态环境具有重要意义。

标签:
固废
江苏 - 南京 来源:中冶有色网 2023-03-19
合成荧烷类黑色热压敏成色剂的方法

本发明提供一种合成荧烷类黑色热压敏成色剂的方法,使用二苯酮酸和2-甲基-4-甲氧基-二苯胺作为原料,并且所述方法包括如下步骤:将二苯酮酸、2-甲基-4-甲氧基-二苯胺和催化剂加入有机溶剂中反应,反应结束后将反应液过滤获得滤液;将滤液加水并调节pH>10后加热回流分去水相获得有机相;将有机相冷却结晶、过滤即获得荧烷类成色剂。本发明中制备的成色剂中具有芳基,代替了传统黑色成色剂中的烷基,这进一步增大了成色剂分子中共轭体系,增大了成色剂的吸光强度;其采用高效且可回收套用的固体酸催化剂,减少了制备过程中酸和碱的用量,且大大减少了废酸废水的排放量,节约了生产成本,且更加绿色环保。

标签:
固废
上海 - 上海 来源:中冶有色网 2023-03-19
利用造纸污泥制造的轻质高强瓷粒及其制造方法

本发明属于污泥回收资源化利用技术领域,尤其涉及一种利用造纸污泥制造的轻质高强瓷粒及其制造方法,首先将30-50份建筑垃圾粉碎,得到建筑垃圾粉碎物;将建筑垃圾粉碎物与50-60份造纸污泥、40-60份钾长石粉混合均匀后在1150-1500℃进行焙烧,焙烧20-120分钟,冷却得到轻质高强瓷粒。本发明将造纸污泥、建筑垃圾和钾长石粉三者按一定的比例混合,发挥它们之间的协同作用,使制得的轻质高强瓷粒强度高达60-120MPa,比一般天然石料有更为优良的物理力学性能。本发明不仅可以变废为宝,而且有利于改善环境污染,符合我国固体废物处理的无害化、减量化和资源化原则,具有显著的经济效益和社会效益。

标签:
固废
广东 - 东莞 来源:中冶有色网 2023-03-19
矿坑回填材料及其制备和使用方法

本发明公开一种矿坑回填材料及其使用方法,该矿坑回填材料是由水泥、煅烧活化煤矸石、钢渣粉、消石灰粉、磷石膏、膨胀剂、玻璃石英砂尾矿、机制砂、减水剂、改性淀粉醚组成。只需在工地加入占总重量35%-90%的水并按要求搅拌后即可泵送施工。本发明采用大量工业固体废弃物制备矿坑回填材料,其和易性、保水性、流动性和自密实填充性好,抗压强度高,粘结强度,抗硫酸盐侵蚀性能满足有关要求,并具有微膨胀性。而且本发明生产工艺简单,使用方便、利废、节能、降耗、低碳,市场前景较好。

标签:
固废
广东 - 惠州 来源:中冶有色网 2023-03-19
活性高纯石英粉的制备方法

本发明是一种活性高纯石英粉的制备方法,其特征在于,它采用生产高纯石英砂过程中产生的石英废料作原料,并经过粉磨、酸洗、浮选、(分级)、改性、磁选、脱水、烘干等步骤制成。本发明方法制得的活性高纯石英粉具有较高的纯度和活性,可以满足环氧树脂封装材料对石英纯度的要求,并可以和环氧树脂紧密结合,提高电路板的密封性能,因此是一种良好的环氧树脂封装材料的填料,可以用于电子器件的封装等。同时也可以解决高纯石英砂生产企业固体废弃物的污染与排放问题。

标签:
固废
北京 - 北京 来源:中冶有色网 2023-03-19
低硼低氟玻璃配方
低硼低氟玻璃配方 1035     
 0

本发明涉及一种玻璃配方,尤其涉及一种低硼低氟玻璃配方。现有的E玻璃配方中含 有较多的硼和氟,在玻璃熔制过程中硼和氟是易挥发的成分,这导致废气排出量明显增加, 不仅增加生产成本,还容易造成固体废弃物的二次污染。本发明提供一种低硼低氟玻璃配 方,其特征在于:按重量百分比计各成分包括:SiO2 54%~62%,CaO 20%~28%,Al2O3 12%~18%,B2O3 0~5%,MgO 2%~6%,F 0~0.4%,K2O和Na2O共计0~0.8%,TiO2 0.1% ~1%,Fe2O3 0.1%~0.5%,SO3 0~0.6%,以及1%以下的杂质。采用本发明生产的玻 璃纤维低硼低氟,且性能良好。

标签:
固废
浙江 - 嘉兴 来源:中冶有色网 2023-03-19
从再生资源回收贵金属的方法

提出一种从再生资源回收贵金属的方法,包括或由以下步骤组成:(a)提供固体废料,含有至少0.0001%b.w.的贵金属;(b)将该废料与能够产生和释放氢氰酸的异养微生物接触;(c)向上述混合物加入能够用作所述微生物营养源的溶剂或水性营养溶液;(d)通过金属与由所述微生物释放的氢氰酸络合,从所含贵金属耗尽所述废料;(e)由含有金属‑氰化络合物的液体中分离耗尽的固体废料;(f)以已知方法从贵金属‑氰化络合物回收贵金属。

标签:
固废
其他 - 其他 来源:中冶有色网 2023-03-19
电解铝大修渣可溶氟的固化方法

本发明公开一种电解铝大修渣可溶氟的固化方法。该固化方法包括,采用湿法技术,将电解铝大修渣所含的可溶氟用固化剂固化,其中,所述固化剂为由氢氧化钙和/或氧化钙,电石渣以及脱硫渣组成的混合物。与现有技术相比,本发明在电解铝大修渣可溶氟固化过程中有效利用了工业固体废弃物电石渣和脱硫渣,达到了以废治废、综合利用的目的;该方法技术可靠,易于工业化,所用原料来源广、价格便宜,处理成本低廉;该方法处理效果好,处理后固体料与水无有害物质,处理过程中无“三废”外排,过滤后水可循环使用,具有一定的环保效益。

标签:
固废
新疆 - 自治区行政单位 来源:中冶有色网 2023-03-19
建筑垃圾处理工艺及所得再生细骨料和再生砂的应用

本发明公开了建筑垃圾处理工艺及所得再生细骨料和再生砂的应用,所述建筑垃圾处理工艺包括以下步骤:将建筑垃圾经预处理、滚动筛得到废固体物料和废渣土,根据废固体物料和废渣土的组分不同,分别经不同的处理过程得到粒径为1~5mm的再生细骨料和粒径不超过0.5mm的再生砂,经该处理工艺所得的再生料由于打磨和整形处理,表面附着物少、粒径分布均匀,所以,其吸水率和强度等性能较好。

标签:
固废
广东 - 广州 来源:中冶有色网 2023-03-19
清洁型黄姜发酵工艺
清洁型黄姜发酵工艺 929     
 0

本发明属于黄姜发酵领域,具体涉及一种清洁型黄姜发酵工艺。将黄姜粗粉发酵,将得到的发酵液在超声辅助下进行超声搅拌,然后进行粗分离得到浑浊粗滤液和滤渣,将浑浊粗滤液使用沉降离心机分离得到清液和少量固体,将固体部分进行水解,水解物进行提取结晶,得到皂素。本发明不但能保持较高的收率,也可以很大程度上解决高污染废水问题;水解用酸量减少了90%,高浓度废酸水相应了减少了90%,大大降低了高浓废水排放,减少了污染;湿品水解物减少,烘干量大大减少,节约了蒸汽用量,效率更高更环保;水解物含量高,提取效率更高,溶剂用量更少;滤渣不含酸可直接用做有机肥,实现综合利用;滤液通过蒸馏可回收套用,减少了废水排放。

标签:
固废
山东 - 淄博 来源:中冶有色网 2023-03-19
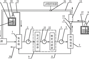
浓缩装置的防污堵方法
浓缩装置的防污堵方法 1079     
 0

本发明属于印制电路板制造领域。浓缩装置的防污堵方法,其特征在于它包括如下步骤:1)将浓缩装置改造成防污堵浓缩装置;2)印制电路板线上的清洗槽的溢流口流出的水进入集水箱,将防污堵剂加药装置的第一加药箱中防污堵剂往集水箱内连续加入防污堵剂,防污堵剂的加入量是使集水箱内防污堵剂的浓度为50-500mg/L;集水箱内水泵入预处理装置,利用预处理装置首先过滤掉废水中的悬浮物等固体物质;经过预处理装置处理后的水泵入浓缩装置,再利用浓缩装置把废水中无机物、有机物和胶质等物质截留在浓缩液中,浓缩装置的产水经pH值调节剂调节pH值至6-9后后达到工业用水的质量标准。该方法可防止浓缩装置堵塞,可提高产水率。

标签:
固废
湖北 - 武汉 来源:中冶有色网 2023-03-19
混合烯烃参与的壬基二苯胺的制备方法

本发明涉及一种混合烯烃参与的壬基二苯胺的制备方法;将二苯胺与碳9烯烃混合,加入活化蒙脱土和活性Al2O3混合催化剂于75℃-170℃下进行烷基化反应;再加入混合烯烃和阻聚剂,将产品过滤后减压蒸馏,收集固体催化剂循环使用,收集回收烯烃继续参加反应,所得产品为壬基二苯胺;本方法可有效改善产物外观、提高碱值以及降低剩余二苯胺含量,收率可达到65%~85%,催化剂可循环使用,无废水、废气排放,有利于环保。

标签:
固废
北京 - 北京 来源:中冶有色网 2023-03-19
透水混凝土专用胶凝材料及其应用

本发明提供了一种透水混凝土用胶凝材料及其应用,透水混凝土专用胶凝材料的组成为:水泥35—50%,矿渣粉25‑‑40%,钢渣粉10‑‑20%,脱硫石膏5‑‑10%,乳胶粉1‑‑3%,保水剂0.2‑0.4%,减水剂0.1‑0.3%,增强剂0.01‑0.1%。本发明的透水混凝土专用胶凝材料加入利用废弃混凝土制备的集料及水,即可生产透水混凝土基层和透水混凝土面层及透水砖。本发明利用钢渣、脱硫石膏和废弃混凝土等固体废弃物作为透水混凝土的主要原料,并大掺量在透水混凝土中加入,能提高透水混凝土的早期强度以及抗压强度。为固体废弃物的综合利用开辟了新的途径,具有较高的实用价值和良好的应用前景。

标签:
固废
上海 - 上海 来源:中冶有色网 2023-03-19
排气净化装置以及车辆

排气净化装置具备:排气管,在内燃机产生的废气流过该排气管内;选择还原型催化剂,设置于排气管内,促进废气中的氮氧化物的还原;还原剂供给部,设置于排气管中的选择还原型催化剂的前面,供给将废气中的氮氧化物进行还原的还原剂;以及阻断部,设置于排气管中的还原剂供给部与选择还原型催化剂之间,在还原剂固体物质与废气一起流过排气管内的情况下阻断还原剂固体物质向所述选择还原型催化剂的移动。

标签:
固废
其他 - 其他 来源:中冶有色网 2023-03-19
选择性断开密胺树脂中C-O键的方法

本发明公开了一种选择性断开密胺树脂中C‑O键的方法,涉及树脂固体废弃物循环利用及资源化领域。该方法为:将密胺树脂材料粉碎为块料,将其浸入酸性催化剂‑溶剂的液相反应体系中加热反应,反应过程中酸性催化剂可有效作用于C‑O键,使得材料本体中特定的CH2‑O‑CH2键断裂,待反应结束后降至室温,过滤洗涤得到产物三聚氰胺预聚体。本发明通过对废旧密胺餐具进行化学催化降解的方法,解决了化学处理方法中高温热解产物成分复杂,易于生成剧毒氢氰酸等难题,直接采用催化剂‑溶剂体系反应,得到高附加值的三聚氰胺预聚体。

标签:
固废
山西 - 太原 来源:中冶有色网 2023-03-19
利用牛骨制备Ag<Sub>3</Sub>PO<Sub>4</Sub>/GO/HAP复合光催化剂的方法

本发明公开了一种利用牛骨、氧化石墨烯和硝酸银制备Ag3PO4/GO/HAP复合光催化剂的方法,以牛骨中的磷酸盐作为磷酸银光催化剂的磷源,属于畜牧业固体废物高值资源化利用领域。包括如下步骤:将牛骨破碎成小块,用去离子水煮沸数小时并洗涤数次至油脂和胶原蛋白脱除,然后放入马弗炉中热解制得生物质羟基磷酸钙,将其球磨后与分散了氧化石墨烯的硝酸银溶液在超声条件下避光反应,再经洗涤离心、真空干燥后制得Ag3PO4/GO/HAP复合光催化剂。生物质羟基磷酸钙由来源广泛且价格低廉的牛骨制得,所制得的催化剂产品在可见光区光催化活性高,光催化稳定性和抗光腐蚀性能良好,可用于降解工业、农业和生活排放废水中的有机污染物,具有良好的经济效益与环境效益。

标签:
固废
甘肃 - 兰州 来源:中冶有色网 2023-03-19
上一页 2004 2005 2006 2007 2008 ... 5000 ... 5981 下一页
共5981页    到第

中冶有色为您提供最新的有色金属环境保护技术理论与应用信息,涵盖发明专利、权利要求、说明书、技术领域、背景技术、实用新型内容及具体实施方式等有色技术内容。打造最具专业性的有色金属技术理论与应用平台!

全国热门有色金属设备推荐
展开更多 +
全国热门有色金属技术推荐
展开更多 +

 

江西省隆恩特环保设备有限公司
宣传

报名参会
更多+

2025年10月15日 ~ 17日
2025年10月17日 ~ 19日
2025年10月31日 ~ 11月02日
2025年11月07日 ~ 09日

报告下载

有色专家
更多+

蒙纳士苏州校区
中国工程院外籍院士/校长
矿冶科技集团有限公司
中国工程院院士
武汉工程大学
教授
江西理工大学
副校长/教授
江西理工大学
副处长/教授
赤泥综合利用研究报告2025
推广

热门技术
更多+

推荐企业
更多+

福建省金龙稀土股份有限公司
宣传

发布

在线客服

公众号

电话

顶部
咨询电话:
010-88793500-807