青岛垚鑫智能科技有限公司
宣传

位置:中冶有色 >

有色技术频道 >

> 加工技术

分类:
全部
矿山技术
冶金技术
材料制备及加工技术
环境保护技术
分析检测技术
 
全部
功能材料技术
复合材料技术
新能源材料技术
合金材料技术
加工技术
地区:
全部
北京
天津
上海
重庆
河北
山西
辽宁
吉林
黑龙江
江苏
浙江
安徽
福建
江西
山东
河南
湖北
湖南
广东
海南
四川
贵州
云南
陕西
甘肃
青海
内蒙
广西
西藏
宁夏
新疆
其他
其他
展开
 
全部
南京
无锡
徐州
常州
苏州
南通
连云港
淮安
盐城
扬州
镇江
泰州
宿迁

江苏常州有色金属加工技术理论与应用

免费发布技术信息>>
基于高比表面积活性炭电极材料的高能量密度双电层电容器的制备方法

本发明属于锂电池技术领域,特别涉及一种基于高比表面积活性碳电极材料的高能量密度双电层电容器的制备方法。由于本发明制备的电极材料提供了极高的比表面积,能够提高EDLC的比电容;而电解质的电化学稳定性决定了EDLC的最高操作电压,两者决定了EDLC的能量密度,因此,本发明通过制备一种高比表面积活性碳电极材料和一种高电导率,高电化学稳定性的电解质,大大提升了EDLC的能量密度。

标签:
加工技术
江苏 - 常州 来源:中冶有色网 2023-03-19
基于燃料压力的氢燃料电池电堆的供电方法、系统及氢燃料电动车

本发明提供了一种基于燃料压力的氢燃料电池电堆的供电方法、系统及氢燃料电动车,通过压力传感器实时获取储氢装置内的气体压力,从而获取氢气的容量,根据储氢装置内的氢气的实时容量,来改变氢燃料电池电堆对锂电池进行充电的速度,提高氢气有效使用率,使得氢气的使用时间更长,加长氢燃料电动车的行程。

标签:
加工技术
江苏 - 常州 来源:中冶有色网 2023-03-19
二次注液方法及其应用

本发明提供了一种二次注液方法及其应用,所述方法包括以下步骤:(1)将第一有机溶剂、电解质锂盐、碳酸亚乙烯酯和硫酸乙烯酯混合得到一次注液电解液;(2)将第二有机溶剂、碳酸亚乙烯酯和氟苯混合得到二次注液电解液;(3)取一次注液电解液对电芯进行一次注液,预充电后,取二次注液电解液进行二次注液,老化、化成及分容后完成注液;其中,一次注液电解液中碳酸亚乙烯酯的质量分数为0.5~2%,二次注液电解液中碳酸亚乙烯酯的质量分数为10~20%,本发明所述二次注液方法制得电池具有良好的高低温性能,尤其具有良好高温性能和循环寿命;同时,该注液方法具备较高的生产效率。

标签:
加工技术
江苏 - 常州 来源:中冶有色网 2023-03-19
电池的快充方法、电池管理系统以及电池的快充装置

本发明公开了一种电池的快充方法、电池管理系统以及电池的快充装置,电池的快充方法包括以下步骤:获取电池的充电电压曲线,对电池的正负极电势进行重构,以获得正负极平衡电势曲线;根据充电电压曲线获取电池充电时的瞬间压升及电池充电完成时的瞬间压降,并根据瞬间压升和瞬间压降,采用电池老化模型计算电池在任意使用状态下的正负极电阻;根据电池在任意使用状态下的正负极平衡电势曲线和电池在任意使用状态下的正负极电阻计算电池在任意使用状态下的最大安全充电电流;根据电池在任意使用状态下的最大安全充电电流对电池进行充电。这样设置能够防止电池析锂,不需要对电池的结构进行更改,可以在实际应用中实时在线计算电池快充的电流。

标签:
加工技术
江苏 - 常州 来源:中冶有色网 2023-03-19
电池电芯制备方法及电池电芯

本发明属于锂电池生产制造技术领域,公开了一种电池电芯制备方法及电池电芯。该电池电芯制备方法包括以下步骤:步骤1)、在将第一极片平放后,从第一极片的两端同时缠绕半周第一隔膜,以对第一极片进行环绕和包裹;步骤2)、在第一隔膜外部的两侧同时分别放置两个第二极片,在两个第二极片的外部同时缠绕半周第二隔膜,使第二极片包裹于第一隔膜和第二隔膜之间;步骤3)、在第二隔膜外部的两侧同时分别放置两个第三极片,在两个第三极片的外部同时缠绕第三隔膜,使第三极片包裹于第二隔膜和第三隔膜之间,其中,第一极片、第二极片及第三极片中相邻极片的极性相反。该电池电芯制备方法提高叠片效率,兼具叠片式和卷绕式的优点。

标签:
加工技术
江苏 - 常州 来源:中冶有色网 2023-03-19
基于硫化物固态电解质的新型电池

本发明涉及一种基于硫化物固态电解质的新型电池,包括:所述新型电池由负极到正极依次包括:非固态负极、固态界面保护层、固态电解质、固态界面保护层和非固态正极;所述固态电解质为以硫化物为导锂核心的固态电解质,包括硫化物和聚合物基体;所述聚合物基体占所述固态电解质的质量百分比为0%~50%。

标签:
加工技术
江苏 - 常州 来源:中冶有色网 2023-03-19
同轴包覆纳米二氧化锆无机层的聚酰亚胺纳米纤维膜及其制备方法

一种同轴包覆纳米二氧化锆无机层的聚酰亚胺纳米纤维膜,其制备方法为:首先通过静电纺丝法制备聚酰胺酸纳米纤维膜,将聚酰胺酸纳米纤维膜置于稀氨水蒸汽氛围中一定时间后浸泡在锆化合物溶液中。浸泡一段时间后放入乙醇溶液中静置,然后烘干。将上述步骤处理过的聚酰胺酸纳米纤维膜放入热炉中热亚胺化后得到表面包覆二氧化锆的聚酰亚胺纳米纤维膜。本发明的方法制备的同轴包覆纳米二氧化锆无机层的聚酰亚胺纳米纤维膜保留了聚酰亚胺纳米纤维膜的高耐温性、高孔隙率和柔性,同时将表面二氧化锆层的高浸润性、高热尺寸稳定性和优异阻燃性完全融为一体,制备方法简单高效,绿色环保,符合人们对锂离子电池隔膜越来越高的要求,有良好的发展前景。

标签:
加工技术
江苏 - 常州 来源:中冶有色网 2023-03-19
复合汽油抗爆剂及其制备方法

本发明公开了一种复合汽油抗爆剂及其制备方法,属于燃油添加剂制备技术领域。本发明通过蒸馏水、牛肉膏等混合,获得营养液,对瘤胃中的微生物进行培养,获得菌种液,通过菌种液对尿素进行高温分解处理,再和菌种产生的有机物,在磷酸锂催化下,进行反应获得醇类物质,随后通过酒石酸进行改性,提高辛烷值,最后通过丙二酸二甲酯、聚异丁烯胺等助剂混合,制备得复合汽油抗爆剂,本发明制得的抗爆剂具有与汽油的互溶性较好、抗爆效率高、氧含量低、热值高的特点,加入汽油使用后,可提高汽油辛烷值,改善汽油的抗爆及燃烧性能,具有广阔的应用前景。

标签:
加工技术
江苏 - 常州 来源:中冶有色网 2023-03-19
多孔PVA涂层改性隔膜及其制备方法

本发明公开了一种多孔PVA涂层改性隔膜及其制备方法。该隔膜包括聚烯烃基膜和多孔PVA涂层;其中所述聚烯烃基膜包括PP单层膜、PE单层膜或PP/PE多层复合膜中的一种;多孔PVA涂层的聚合度是1000~3000,醇解度是80~100%。该隔膜的制备方法依此包括PVA溶解、涂覆、涂层制孔和干燥三个步骤。本发明得到的多孔PVA涂层改性隔膜价格低廉,工艺简单,涂层与基膜粘结牢固,还具有优异的电解液浸润性,较高的吸液保液率和离子电导率,在锂离子电池中有广阔的应用前景。

标签:
加工技术
江苏 - 常州 来源:中冶有色网 2023-03-19
多孔氧化铝纤维涂覆隔膜及其制备方法

本发明提供一种多孔氧化铝纤维涂覆隔膜及其制备方法,引入多孔氧化铝纤维,大幅提升隔膜的机械性能、耐温性能以及抗氧化性能,大大降低了锂枝晶刺穿隔膜的风险,同时可提高电池循环稳定性;以白油为内层,外层为氧化铝前驱体溶液同轴纺丝工艺一步制备出多孔氧化铝纤维;对白油进行改性处理,利用水热法制备的羟基磷灰石纳米线将其分散于合成UiO‑66纳米颗粒的前驱体溶液中,进行二次水热反应,获得复合羟基磷灰石纳米线,利用高压微射流技术用复合羟基磷灰石纳米线白油改性,有效提高隔膜的热稳定性及透气均匀性,在制备的隔膜中复合羟基磷灰石纳米线取向排列,具有微观取向,大幅改善隔膜的力学性能及安全性能。

标签:
加工技术
江苏 - 常州 来源:中冶有色网 2023-03-19
无钴正极材料及其制备方法和应用

本发明提供了一种无钴正极材料及其制备方法和应用。所述无钴正极材料由无钴氢氧化物前驱体与锂源混合后烧结得到;所述无钴氢氧化物前驱体中,经过XRD测试后,001特征衍射峰的半峰宽为a,101特征衍射峰的半峰宽为b;所述无钴正极材料中,经过XRD测试后,003特征衍射峰的半峰宽为c,104特征衍射峰的半峰宽为d;同时满足:2≤a/d≤7,6≤b/c≤10。本发明通过调控无钴正极材料与无钴氢氧化物前驱体的特征衍射峰的半峰宽的关系,改善了无钴正极材料的性能,尤其提升了无钴正极材料的首效、倍率、容量和循环。

标签:
加工技术
江苏 - 常州 来源:中冶有色网 2023-03-19
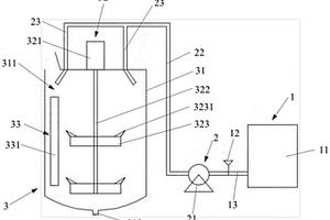
多功能轨道式电池清洗系统

本发明涉及电池清洗技术领域,特别是一种多功能轨道式电池清洗系统,包括存储罐体,所述存储罐体上端开有清洗剂投料口和进水口,所述存储罐体下端通过水泵与喷头集成机构相连接,所述喷头集成机构下端连接有喷头装置;所述喷头装置下方设置有皮带输送装置,所述皮带输送装置通过传动带与三相异步电动机传动连接。采用上述结构后,本发明采用合理的工艺设备和操作手法,能对单体锂电池脏液、油污、表面铝屑等表面缺陷进行清洗干净。

标签:
加工技术
江苏 - 常州 来源:中冶有色网 2023-03-19
抑制释氧的铝包覆正极材料及包括其的电池

本发明提供了一种抑制释氧的铝包覆正极材料及包括其的电池,所述的铝包覆正极材料包括正极活性颗粒和包覆于所述正极活性颗粒表面的铝层。本发明在正极活性颗粒表面包覆铝层,利用金属单质铝的还原性,当电池出现热失控时,正极活性颗粒分解出现释氧的情况,包覆在其上的金属单质铝能够将氧气还原,形成金属氧化物三氧化二铝,避免释放的氧气在积累热量的情况下点燃可燃电解液,有效降低了电池热失控的风险。金属单质铝本身具有良好的导电性,能够提升正极材料的导电性,同时当金属单质铝吸氧后生成三氧化二铝,三氧化二铝在充放电过程中会逐渐锂化,形成快离子导体,提升正极的离子电导率,延长电池的循环寿命。

标签:
加工技术
江苏 - 常州 来源:中冶有色网 2023-03-19
干法辊压制备电极片的方法

本发明涉及锂离子技术领域,公开了一种干法辊压制备电极片的方法。该方法包括:1)使第一膜材与箔材同时通过相对的第一道辊之间,并通过在第一膜材与箔材的间隙加入第一粉料,进行第一辊压,在箔材的一侧面上形成第一粉料压片层;2)使第一膜材、第二膜材与上述形成有第一粉料压片层的箔材同时通过相对的第二道辊之间,并通过在第二膜材与箔材的另一侧面的间隙加入第二粉料,进行第二辊压,在箔材的另一侧面上形成第二粉料压片层;3)使第一膜材和第二膜材分别与箔材的侧面分离,得到电极片。该方法能够实现双面同时辊压贴合制片,简化了工艺流程,缩减工艺设备,可连续制得厚度均匀的电极片。

标签:
加工技术
江苏 - 常州 来源:中冶有色网 2023-03-19
电解液、电化学装置以及稳定正极材料的方法

一种电解液、电化学装置以及稳定正极材料的方法。本发明公开一种电解液,包括溶剂、锂盐和添加剂;所述溶剂包括碳酸甲乙酯(EMC);所述添加剂包括含硼化合物;其中,电解液在电池的循环过程中,碳酸甲乙酯(EMC)与含硼化合物作用形成稳定的正极氧化膜;本发明还公开具有该电解液的电化学装置;本发明还公开了通过在循环过程中不断修复和更新正极材料/电解液界面膜的稳定正极材料的方法,有效提高电化学装置的循环性能和安全性。

标签:
加工技术
江苏 - 常州 来源:中冶有色网 2023-03-19
超离子导体固态电解质及其制备方法和应用

本发明公开一种超离子导体固态电解质及其制备方法和应用,该固态电解质的化学式为:Li1+3xPxS4xY;其中,Y为卤族元素;x为自然数,且1≤x≤3;其具体的制备方法包括以下步骤:步骤一、将Li2S和P2S5至少一种或者L3PS4溶入溶剂中,充分搅拌至完全溶解;步骤二、加入LiY和引发剂;步骤三、反应器抽真空;步骤四、搅拌,升温,达到截止温度后,继续恒温搅拌至反应结束;降至室温后,破真空,得到含有Li1+3xPxS4xY的溶液;将溶液重结晶、干燥后,得到固体Li1+3xPxS4xY;该发明易于合成,适合大规模加工,制得的化合物离子电导率高,相应的锂电池电化学性能优异。

标签:
加工技术
江苏 - 常州 来源:中冶有色网 2023-03-19
高效MXene碳化钛电池催化剂的制备及应用

本发明在于制备一种高效MXene碳化钛的电池催化剂,本发明用于锌空气电池电极催化剂。该催化剂采用钛化碳(MXene)、ZIF‑67、以及六氯环三磷腈和对羟基二苯砜合成的PZS为原料,制备方法是首先将Ti3AlC2在盐酸和氟化锂溶液中生成类石墨烯材料的MXene,之后在MXene溶液中先后加入六水合硝酸钴以及二甲基咪唑,在MXene表面原位生成ZIF‑67,之后,再掺杂PZS微球,最后高温碳化后生成一种杂原子掺杂的高性能催化剂,本发明方法简单,制备的催化剂具有良好的导电性,比表面积大,在杂原子掺杂碳基氧还原电催化剂领域具有重要的价值与意义。

标签:
加工技术
江苏 - 常州 来源:中冶有色网 2023-03-19
高效的加料分散系统及其工作方法

本发明属于锂电池隔膜技术领域,具体涉及一种高效的加料分散系统及其工作方法。本高效的加料分散系统包括:依次相连的原料储存装置、加料装置、分散装置;其中所述分散装置上设有适于待混料进入的加料口;以及所述原料储存装置适于存放液体原料,并通过加料装置输送至分散装置,以与分散装置内的待混料混合。

标签:
加工技术
江苏 - 常州 来源:中冶有色网 2023-03-19
电极材料表面修饰的方法

本发明属于锂离子电池技术领域,具体涉及一种电极材料表面修饰的方法。具体方案为:乙酰丙酮金属盐和电极材料进行混合后,加入乙醇溶液中回流,再加入水继续回流,过滤、烘干,得到表面修饰后的电极材料。本发明在电极材料表面形成薄且均匀的单分子包裹层,较稳定,不易脱落,且可以提高电极材料的循环稳定性能,方法简便,成本低,有利于规模化生产。

标签:
加工技术
江苏 - 常州 来源:中冶有色网 2023-03-19
卷绕设备中高压除尘系统

本发明涉及锂电池卷绕设备技术领域,特别是一种卷绕设备中高压除尘系统,包括上下面对设置的阳极板和阴极板,极片带从阳极板和阴极板之间穿过,所述阴极板上有高压电源线穿过,所述阳极板上连接有接地导线。采用上述结构后,本发明采用合理的分体结构,能够快速收集空气流中的粉尘颗粒,有效提高卷绕设备中的小环境的洁净度。

标签:
加工技术
江苏 - 常州 来源:中冶有色网 2023-03-19
高强度Mg-Li-Zn-Er超轻合金的制备方法

本发明提供一种高强度Mg‑Li‑Zn‑Er超轻合金的制备方法,所述制备方法包括:原料熔炼步骤,称取纯Mg、纯Zn、Mg‑Er中间合金、纯Li和锂盐溶剂,经过烘料、熔Mg、加Zn和Er、加Li、铸造步骤,铸造成Mg‑Li‑Zn‑Er合金锭;塑性变形步骤,将得到的Mg‑Li‑Zn‑Er合金锭进行均匀化处理,再进行塑性变形加工;热处理步骤,将得到的完成塑性变形加工的Mg‑Li‑Zn‑Er合金锭进行时效处理,得到高强度的Mg‑Li‑Zn‑Er超轻合金。所制备的Mg‑Li‑Zn‑Er超轻合金具有较高的强度。

标签:
加工技术
江苏 - 常州 来源:中冶有色网 2023-03-19
环保型水基防锈剂的制备方法

本发明公开了一种环保型水基防锈剂的制备方法,属于金属表面处理的技术领域。本发明以环氧乙烷、乙二醇作为原料,以氢氧化钠作为催化剂,在形成低分子聚乙二醇时,向其中加入谷氨酸,通过氢氧化锂及钛酸正丁酯的催化,使谷氨酸和低分子聚乙二醇结合,同时促使结合中的谷氨酸聚合,形成大量羧基等极性基团,增加与铁的结合,提高成膜性能,再将其与马来酸酐进行反应,增加空间位阻,提高阻水性能,最后通过与三乙醇胺及碳酸钠复配,从而获得环保型水基防锈剂,本发明所得的环保型水基防锈剂无毒无害,绿色环保,对使用者的人身健康和环境健康均无不良负责副作用,同时本发明制备简单,防锈效果好。

标签:
加工技术
江苏 - 常州 来源:中冶有色网 2023-03-19
割草机
割草机 1058     
 0

本发明公开了一种割草机,包括:机架系统,行走系统,装配在机架系统上实现割草机的前进、后退或转向,动力系统,为割草机整机提供动力源,操作系统,装配在机架系统上实现对割草机行走和割草的操纵,电器控制系统,在操作系统的操纵下控制割草机的行走和割草动作,还包括割台系统,前置在割草机整机上实现割草功能。通过上述方式,本发明割草机采用锂电池作为能源,采用两种直流无刷电机实现行走与割草独立工作,减低噪音,维护成本低,采用直流电机控制器保证控制精准性即安全逻辑保护,电驱动形式实现零排放无污染,实现真正意义上的绿色环保。

标签:
加工技术
江苏 - 常州 来源:中冶有色网 2023-03-19
水下搜救机器人、协同控制系统及其工作方法

本发明涉及一种水下搜救机器人、协同控制系统及其工作方法,本水下搜救机器人的首端设有机械手,其末端设有夹持端,以及水下搜救机器人内设有充电控制模块;其中所述机械手、夹持端内设有通电回路触点,以及各通电回路触点均连通充电控制模块;所述充电控制模块适于通过相应通电回路触点实现对水下搜救机器人内锂电池进行充电;本发明的水下搜救机器人、多水下搜救机器人协同控制系统及其工作方法能够提高水下行进效率,并利用水下供能机器人提供多机器人队列行进时的足够电能,使水下搜救机器人队列到达目的也无需损耗自身的电能,有效的提高了水下搜救机器人水下作业时间。

标签:
加工技术
江苏 - 常州 来源:中冶有色网 2023-03-19
光线感应自动调节车载灯

本发明公开了一种光线感应自动调节车载灯,包括:负载灯、电池板、感应装置和开关,所述负载灯为LED灯泡,所述电池板电性连接所述负载灯、所述感应装置与所述开关,所述电池板为独立锂电池板,所述感应装置的输出端连接所述开关,所述开关的输出端连接所述负载灯,所述感应装置为光电传感器。通过上述方式,本发明光线感应自动调节车载灯具有结构新颖、造型精致、美观耐用、自动控制、智能调节、方便实用、使用寿命长等优点,在光线感应自动调节车载灯的普及上有着广泛的市场前景。

标签:
加工技术
江苏 - 常州 来源:中冶有色网 2023-03-19
Me-RGO/LiBH4高储氢量复合储氢材料及其制备方法

提供了一种石墨烯负载纳米储氢金属(Me-RGO)修饰的硼氢化锂(LiBH4)高容量储氢材料及制备方法,惰性气体保护气氛下分别选用固相高速球磨法、熔体渗透法和液相分散法将高比表面、分散均匀的Me-RGO催化剂复合到储氢材料LiBH4表面制备高容量的储氢材料。所述高分散性Me-RGO催化剂的制备方法有水相络合还原法、气相还原法、离子交换法、溶胶-凝胶法、水热法、真空溅射法和气体蒸发法。即使所用Me-RGO催化剂的含量低至3wt.%也能够实现大幅度降低LiBH4的放氢温度,同时能提高LiBH4的低温放氢容量和循环吸放氢性能。

标签:
加工技术
江苏 - 常州 来源:中冶有色网 2023-03-19
双开式爆破的爆破片
双开式爆破的爆破片 1054     
 0

本发明涉及爆破片的技术领域,公开了双开式爆破的爆破片,设置在锂电池的顶盖板中,包括片体,片体包括连续状片状布置的爆破区域以及环绕对接在爆破区域外周且与顶盖板焊接的连接环,连接环封闭爆破区域的外周,爆破区域的厚度小于连接环的厚度;爆破区域上设有刻槽,刻槽将所述爆破区域分割为两个或两个以上独立隔离的爆破分区,刻槽的两个端部延伸贯穿至爆破区域的外周;爆破区域的厚度小于连接环的厚度,当爆破片爆破时,会在爆破区域进行爆破,爆破区域设置有刻槽,刻槽与焊接位置偏离,避免爆破片在焊接过程中出现爆破的现象,刻槽将爆破区域分为两个或两个以上独立隔离的爆破分区,实现双开式的精准爆破。

标签:
加工技术
江苏 - 常州 来源:中冶有色网 2023-03-19
剪切增稠石墨烯复合导电浆料及其制备方法

本发明公开一种具有剪切增稠特性的石墨烯复合导电浆料,所述浆料包含以下质量百分含量的成分:N‑甲基吡咯烷酮85‑91%,石墨烯7‑9%,碳纳米管1‑3%,分散剂1‑3%;所述石墨烯复合导电浆料的pH值为5~7。本发明通过调整控制所述石墨烯复合导电浆料的成分含量比例和pH值范围,使得所述石墨烯复合导电浆料无需添加流变助剂就具有剪切增稠的流变性,使得在砂磨机中液相剥离效率提升,砂磨时间缩短,且得到的石墨烯厚度更薄,导电性提高。同时,本发明还公开了所述石墨烯复合导电浆料的制备方法及其在锂离子二次电池中的应用。

标签:
加工技术
江苏 - 常州 来源:中冶有色网 2023-03-19
叠片装置及极片翻折的检测方法

本发明涉及锂电池制造技术领域,公开了一种叠片装置及极片翻折的检测方法,用以解决现有技术中存在的极片翻折部分被叠片装置遮挡时,极片的翻折情况不容易检出的问题。该叠片装置包括:叠片台,用于叠放极片,极片包括料区与极耳区,且料区的图像与极耳区的图像分别具有不同的灰度值;压刀,用于将极片压紧至叠片台上,压刀上设置有透光区域,透光区域在极片表面的正投影至少部分位于料区内;第一图像采集组件,用于采集极片从透光区域内露出的部分的第一图像;检测组件,用于根据第一图像内的灰度变化确定极片是否发生翻折。

标签:
加工技术
江苏 - 常州 来源:中冶有色网 2023-03-19
无钴层状正极材料及其制备方法和应用

本发明属于电池材料技术领域,具体涉及一种无钴层状正极材料及其制备方法和应用。本发明将两类包覆剂包覆在无钴基体材料表面,所得成品无钴正极材料的DCR得到了很大的改善,包覆离子导体增大正极材料的锂离子扩散能力,包覆电子导体增大正极材料的导电率,两者起到协同作用,共同降低了无钴层状正极材料的DCR。本发明通过对无钴正极材料CD值的限定,综合考虑了粒径因素对正极材料的影响,使得无钴层状正极材料的直流阻抗和直流阻抗增长率得到平衡,使其具有较低的直流阻抗,较慢的直流阻抗增长率,同时具有优异的综合电性能。

标签:
加工技术
江苏 - 常州 来源:中冶有色网 2023-03-19
上一页 16 17 18 19 20 ... 123 下一页
共123页    到第

中冶有色为您提供最新的江苏常州有色金属加工技术理论与应用信息,涵盖发明专利、权利要求、说明书、技术领域、背景技术、实用新型内容及具体实施方式等有色技术内容。打造最具专业性的有色金属技术理论与应用平台!

全国热门有色金属设备推荐
展开更多 +
全国热门有色金属技术推荐
展开更多 +

 

江西省隆恩特环保设备有限公司
宣传

报名参会
更多+

报告下载

有色专家
更多+

长沙矿冶研究院
总经理
矿冶科技集团
副所长/研究员
北京科技大学
副院长/教授
北京工业大学、中国工程院
中国工程院 院士
昆明冶金研究院有限公司
党委书记、执行董事
赤泥综合利用研究报告2025
推广

热门技术
更多+

推荐企业
更多+

福建省金龙稀土股份有限公司
宣传

发布

在线客服

公众号

电话

顶部
咨询电话:
010-88793500-807