青岛垚鑫智能科技有限公司
宣传

位置:北方有色 >

有色技术频道 >

> 复合材料技术

分类:
全部
矿山技术
冶金技术
材料制备及加工技术
环境保护技术
分析检测技术
 
全部
功能材料技术
复合材料技术
新能源材料技术
合金材料技术
加工技术
地区:
全部
北京
天津
上海
重庆
河北
山西
辽宁
吉林
黑龙江
江苏
浙江
安徽
福建
江西
山东
河南
湖北
湖南
广东
海南
四川
贵州
云南
陕西
甘肃
青海
内蒙
广西
西藏
宁夏
新疆
其他
其他
展开
 
全部
福州
厦门
漳州
泉州
三明
莆田
南平
龙岩
宁德

福建厦门有色金属复合材料技术理论与应用

免费发布技术信息>>
局部复合材料气门嘴
局部复合材料气门嘴 965     
 0

本实用新型公开了一种局部复合材料气门嘴,它由气门嘴体和固接在气门嘴体下端的气门嘴底座组成。在气门嘴底座上包裹一层由铜质材料制成的覆盖层。由于本实用新型在气门嘴底座上包裹一层由铜质材料制成的覆盖层,可有效降低气门嘴材料成本,改善黄铜气门嘴钢性结构和力学性能,而且不影响现有黄铜的橡胶接着性、气密性等。

标签:
复合材料
福建 - 厦门 来源:北方有色网 2023-03-18
夹芯结构的复合材料铲式担架

本实用新型公开了一种夹芯结构的复合材料铲式担架,涉及铲式担架的技术领域,其技术方案要点包括有支架以及与支架连接有的铲板,所述支架包括有头部支撑架、身部支撑架以及腿部支撑架,所述头部支撑架分为左头架和右头架,所述身部支撑架分为左身架和右身架,所述腿部支撑架分为左腿架和右腿架,所述铲板包括有头板、身板和腿板,所述身板朝向头板的一端开有伸缩槽,所述头板上连接有头部支撑架,所述头部支撑架延伸滑设与伸缩槽中的有伸缩部,所述伸缩槽上设有用于阻止伸缩部移动固定组件,本实用新型具有长度可调的效果。

标签:
复合材料
福建 - 厦门 来源:北方有色网 2023-03-18
纤维缠绕复合材料油缸
纤维缠绕复合材料油缸 1037     
 0

本实用新型公开了一种纤维缠绕复合材料油缸,包括油缸主体、缸筒,其中活塞置于油缸主体空腔内部,缸头由导引端盖和设于缸筒底部的缸筒基座采用焊接方式组成,在缸头部位采用密封件隔绝油缸空腔,油缸主体两端设有油缸端盖,油缸端盖中间部位设有球面轴承;缸筒包括外筒以及附着于外筒内壁的内衬层,外筒通过纤维缠绕缠覆在内衬层上,本实用新型可以实现在保持缸筒硬度与刚度的前提下,采用复合纤维材料缠绕形成的缸筒具有更高的耐腐蚀性能,轻质量,便于携带。

标签:
复合材料
福建 - 厦门 来源:北方有色网 2023-03-18
石墨烯高导热不饱和聚酯树脂模塑复合材料

本发明提供了一种石墨烯高导热不饱和聚酯树脂团状模塑复合材料,由下列重量份的原料组成:不饱和聚酯树脂20~30份、低收缩剂4~8份、固化剂0.1~1.5份、离型剂0.8~3.5份、染色浆料1.5~5.5份、表面改性石墨烯5~50份、短切玻璃纤维8~18份。本发明利用表面改性的石墨烯和不饱和聚酯树脂形成团状模塑料,具有优异的导热系数、质量轻、耐燃性、高机械强度、耐化学性、耐候性、尺寸安定性等优点,且无污染、成本低,加工便利性高。

标签:
复合材料
福建 - 厦门 来源:北方有色网 2023-03-18
静电纺纳米纤维复合材料

本实用新型公开了一种静电纺纳米纤维复合材料,其包括第一基布层、第二基布层以及夹设在所述第一基布层和所述第二基布层之间的纳米纤维复合层,所述纳米纤维复合层包括拒水层和亲水层,所述第一基布层的厚度为1cm‑5cm,空隙率为20%‑50%,所述第二基布层的厚度为0.5cm‑2cm,空隙率为5%‑30%,所述拒水层空隙率为80%‑90%,所述亲水层空隙率为90%‑95%,所述拒水层和亲水层的厚度均为1μm‑100μm。本实用新型多层结构的设计及不同层的厚度和空隙率的梯度配合加上材料性能差异使得整体材料具有较高的过滤效率和容尘量,同时给予气流足够通道,使气流流通正常,降低压差,从而最终实现高效低阻。

标签:
复合材料
福建 - 厦门 来源:北方有色网 2023-03-18
超离子导体KTi2(PO4)3与TiO2复合材料的制备和应用

本发明公开了一种超离子导体KTi2(PO4)3与TiO2复合材料的制备和应用。以天热生物质为模板,在只需提供Ti源的条件下,实现超离子导体KTi2(PO4)3与TiO2的复合,通过改善材料结构提升钠离子电池性能。该合成方法简单易调控,以该材料作为钠离子负极材料使用可有效提高TiO2钠离子电池的倍率性能和循环稳定性。为超离子导体KTi2(PO4)3与TiO2在纳米粒子电池方面的应用提供了全新的思路,具有较为良好的应用前景。

标签:
复合材料
福建 - 厦门 来源:北方有色网 2023-03-18
碳纤维复合材料支架的制造方法

本发明公开了一种碳纤维复合材料支架的制造方法。本发明用片状发泡材料预先成型制品的形状,然后包覆碳布放入模具中加热成型。利用低密度发泡芯材的热自膨胀性能与碳纤维结合制造碳纤维制品。制备得到的产品表面光滑平整,没有鼓包,缺胶等情况,良品率高,同时节省了制备时间,降低了操作成本。

标签:
复合材料
福建 - 厦门 来源:北方有色网 2023-03-18
陶瓷纤维增强树脂基复合材料界面结合强度的测试方法

陶瓷纤维增强树脂基复合材料界面结合强度的测试方法,涉及陶瓷纤维。利用速干胶将陶瓷纤维粘结于硬纸框上,使陶瓷纤维拉直固化;制备包埋模具,将纤维连同硬纸框放入模具中,再将树脂导入模具;树脂固化后将包埋端连同模具切割得试样,抛光;当试样包埋深度低于1mm时,在抛光后将包埋端与最初的被切割部分利用速干树脂粘结;未包埋端的纸框两侧用明火烧断,上端纸框根据纤维数量平均切割,而后再利用与切后纸框面积相当的硬纸板粘结加强。先将包埋端固定在试验机下夹具上,而后将加强段固定在试验机上夹具上;进行单丝拔出实验;记录试验机给出的每一次拔出力值;观察拔出端形貌,测量单纤维最大拔出长度;计算纤维与树脂的界面结合强度。

标签:
复合材料
福建 - 厦门 来源:北方有色网 2023-03-18
碳酸锰纳米复合材料在磁共振成像中的应用

本发明提供了一种碳酸锰纳米复合材料在磁共振成像(MRI)中的应用。所述的碳酸锰核的粒径为80‑120nm,包覆层聚多巴胺的厚度在10‑30nm。此外,这种高分子聚合物具有生物相容性好等优点。因而,这种具有增强磁共振造影性能的锰基纳米造影剂在医学影像诊断领域具有广阔的应用价值。

标签:
复合材料
福建 - 厦门 来源:北方有色网 2023-03-18
热可塑型复合材料球拍框的制法

本发明公开一种热可塑型复合材料球拍框的制法,它包括整纱、湿润、卷绕、模具预型、冷却成型等步骤,本发明的特点是可 将球拍框纤维主体及补强操作一次完成,因而简化了工艺,节省了工时,提高了产品的质量。

标签:
复合材料
福建 - 厦门 来源:北方有色网 2023-03-18
复合材料的踏板结构
复合材料的踏板结构 887     
 0

一种复合材料的踏板结构,其结构包括踏板本体,踏板本体上端设有踩踏定位槽,踩踏定位槽中部填充有防滑块,踩踏定位槽左右两部均至少设有一个装配孔,踏板本体左右两侧均设有一活动腔,活动腔上螺纹连接有螺栓,螺栓端部设有球型关节头,装配孔内壁活动嵌有装夹结构,装夹结构远离装配孔的一端与球型关节头采用转动的方式相连接,踏板本体夹层内设有加强板,采用内置的装配定位结构,操作简单,且不会对登乘梯的收纳工作造成干扰,减小了收纳后的整体体积。

标签:
复合材料
福建 - 厦门 来源:北方有色网 2023-03-18
复合材料热补仪校准装置

本实用新型公开了一种复合材料热补仪校准装置,包括温度校准仪,所述温度校准仪的两侧均固定连接有卡块,两个卡块相互远离的一侧均开设有螺纹槽,所述温度校准仪的外侧可拆卸设置有移动式高度调整机构,所述移动式高度调整机构包括与温度校准仪底部活动接触的U形底座,且U形底座的底部四角均转动安装有行走轮,U形底座的两侧均固定连接有矩形盒,两个矩形盒相互靠近的一侧均设置为开口。本实用新型设计合理,四个行走轮的设置便于人员对温度校准仪进行移动,便于在使用时进行稳停,便于根据不同身高的人员快速调整温度校准仪的高度,且便于将温度校准仪与移动式高度调整机构拆装,满足使用需求,有利于使用。

标签:
复合材料
福建 - 厦门 来源:北方有色网 2023-03-18
多规格复合材料触点夹扁检测装置

本实用新型公开一种多规格复合材料触点夹扁检测装置,包括基座,基座上平行排布有若干滑块,相邻滑块之间形成夹扁空间,且相邻滑块之间可拆卸地连接有能限制相邻滑块最小间距的限位块,基座上活动地连接有一丝杆,处在后端上的滑块与丝杆相连接,且基座上还设有一气缸,气缸的驱动端伸出时能提供恒定的推力以将各滑块连同丝杆一齐向前推动。本实用新型通过转动丝杆能带动各滑块对预先置入到各夹扁空间中的触头进行预夹紧,而后由气缸的驱动端提供一个恒定的推力,使相邻滑块之间的间距缩小至与对应限位块的厚度相同,从而将各夹扁空间中的触头按预设夹扁程度同步进行夹扁,有效地提高了夹扁效率,并降低操作人员劳作强度。

标签:
复合材料
福建 - 厦门 来源:北方有色网 2023-03-18
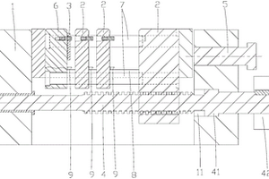
新型复合材料后板簧
新型复合材料后板簧 819     
 0

本实用新型公开了一种新型复合材料后板簧,涉及一种后板簧,包括上下堆叠设置的主板簧和副板簧,主板簧的左右两端均设有上卷耳,其中一上卷耳还装配有保护支架,该保护支架包括U型槽体以及固设于U型槽体开口一端的连接板,并且U型槽体套设于上卷耳,连接板固设于副板簧的下端面。本实用新型克服了现有板簧的缺点,具有自重小,耐磨损,结构稳定,使用寿命长,安全性能高等优点。

标签:
复合材料
福建 - 厦门 来源:北方有色网 2023-03-18
功能化氧化石墨烯-碳毡复合材料的制备方法

本发明提供了一种功能化氧化石墨烯‑碳毡复合材料的制备方法,如下步骤:制备的氧化石墨烯溶液作为浸渍材料;将聚丙烯氰基碳毡用去离子水洗涤烘干之后,将聚丙烯氰基碳毡置于浓硫酸、浓硝酸混合液中经80℃水浴加热3小时,用超纯水洗至pH为7.2后,置于烘箱烘干;按烘干后的聚丙烯氰基碳毡与氧化石墨烯溶液混合,在超声仪器中超声后,再放置室温下进行浸渍、烘干得氧化石墨烯浸渍的聚丙烯氰基碳毡;将氧化石墨烯浸渍的聚丙烯氰基碳毡与乙二胺在90℃水浴碱性条件下进行酰胺化反应,取出用超纯水洗涤至pH为7.2后,置于烘箱烘干。

标签:
复合材料
福建 - 厦门 来源:北方有色网 2023-03-18
石墨烯包覆铜纳米粒子复合材料导电油墨及其制备方法

本发明公开了一种石墨烯包覆铜纳米粒子复合材料导电油墨及其制备方法,其组分按质量比为:导电填料5‑25份,连接料20‑40份,助剂1‑5份,溶剂30‑60份。其导电填料为石墨烯包覆的铜纳米颗粒,通过石墨烯与铜的有效包覆克服了铜纳米颗粒氧化带来的导电性能减弱和难以均匀分散等问题,并相对于金属填料系的导电油墨大大降低了金属颗粒的用量,从而制得的导电油墨具有良好的导电性能和优异的柔韧性能。

标签:
复合材料
福建 - 厦门 来源:北方有色网 2023-03-18
普鲁士蓝纳米复合材料在磁共振成像中的应用

本发明提供了普鲁士蓝纳米复合材料在磁共振成像中的应用。所述的普鲁士蓝核的粒径为170‑200nm,包覆层聚多巴胺的厚度在10‑30nm。此外,这种高分子聚合物具有生物相容性好等优点。因而,这种具有增强磁共振造影性能的普鲁士蓝纳米造影剂在医学影像诊断领域具有广阔的应用价值。

标签:
复合材料
福建 - 厦门 来源:北方有色网 2023-03-18
用于UVC LED的蓝宝石基氮化铝复合材料的制备方法

本发明公开了一种用于UVC LED的蓝宝石基氮化铝复合材料的制备方法,包括如下步骤:(1)衬底预处理;(2)靶材预处理;(3)在射频电源的作用下,设备腔体中的氩气和氮气发生辉光放电,形成等离子体,Ar+离子轰击铝靶材,溅射出铝原子,铝原子与等离子体中的氮原子发生反应,在衬底上形成AlN缓冲层;(4)N2、Ar气氛下,采用磁控溅射沉积,在衬底上形成AlN薄膜;其中,磁控溅射沉积AlN薄膜时N2与Ar体积之比为1:1‑1.5。本发明提供了一种蓝宝石基氮化铝薄膜复合新材料的制备方法,极大地改善了氮化铝薄膜的质量,同时也拓宽了蓝宝石基氮化铝的应用条件,特别是在UVCLED方面的应用。

标签:
复合材料
福建 - 厦门 来源:北方有色网 2023-03-18
含聚磷腈包覆的掺银埃洛石纳米管复合材料的制备方法及其应用

本发明公开了一种含聚磷腈包覆的掺银埃洛石纳米管复合材料的制备方法及其应用,包括如下步骤:(1)将埃洛石纳米管和硝酸银均匀分散于有机混合溶剂中;(2)向上述分散液中缓慢加入十八烯酸和油胺后,进行超声分散;(3)将步骤(2)所得的物料磁力搅拌,然后加入抗坏血酸,继续磁力搅拌反应;(4)用上述有机混合溶剂洗涤以除去自由的纳米银颗粒,真空干燥至恒重,得到载银埃洛石纳米管;(5)将上述载银埃洛石纳米管超声分散于乙腈中,再依次加入双端胺化合物和三乙胺进行搅拌;(6)向其中缓慢加入六氯环三磷腈的乙腈溶液,搅拌进行缩合聚合反应;(7)用无水乙醇洗涤,然后真空干燥至恒重,即得。

标签:
复合材料
福建 - 厦门 来源:北方有色网 2023-03-18
氮掺杂多孔炭包覆中间相炭微球的制备方法和由此法制备的复合材料及其应用

本发明公开了一种氮掺杂多孔炭包覆中间相炭微球的制备方法和复合材料及其应用,包括以下步骤:将中间相炭微球和高锰酸钾按质量比1:0.1~0.5混合于适量去离子水中,加入0.2~1.0ml浓盐酸,在70~90℃密闭搅拌3~6h;将反应产物过滤,去离子水洗涤,干燥,得到MnO2纳米片包覆的中间相炭微球;将所得产物分散到0.5~2M盐酸溶液中,滴加0.1~0.5ml吡咯单体,持续搅拌4~8h后过滤,用去离子水洗涤,干燥,得到聚吡咯包覆的中间相炭微球;在惰性气体保护下,400~900℃炭化1~3h,即可获得。本发明可以显著提高中间相炭微球表面的电负性和导电性,具有较好的倍率性能。

标签:
复合材料
福建 - 厦门 来源:北方有色网 2023-03-18
复合材料型网球拍
复合材料型网球拍 1068     
 0

本实用新型公开一种复合材料型网球拍,包括手柄部,手柄部设有中心轴孔,该轴孔在手柄部后端形成封闭端,手柄部的外周表面为碳纤维外层,手柄主体的中心轴孔周壁为碳纤维内层,碳纤维外层与碳纤维内层之间设有发泡材料层。本实用新型网球拍的手柄部采用碳纤维外层、碳纤维内层和发泡材料层的夹心结构方案,增强球拍强度,同时有效的减轻球拍整体重量,从而提高了整个网球拍的使用寿命。

标签:
复合材料
福建 - 厦门 来源:北方有色网 2023-03-18
板状复合材料成型平板工装及成型工艺

本发明提供一种板状复合材料成型平板工装及成型工艺,包括金属骨架板、塑胶筛板和薄膜层,金属骨架板设置于塑胶筛板的上部,塑胶筛板设置于薄膜层的上部,金属骨架板由可拆卸的多块单元块组成,单元块上设置有多个均匀分布的锥孔,塑胶筛板上也设置多个均匀分布的通孔。本发明便于根据待成型板材的面积调节金属骨架板的大小,适用范围广泛,锥孔能够均匀分散制品表面压力,对于灌注到成型工装内部的树脂流体具有初步均匀导流的功能;塑胶板材具有一定柔软性及延伸性能能够良好的与金属骨架板贴合,通孔用于灌注树脂流体的精细化均布;全通透的薄膜材料能够去除渗透孔引起的成型脱模痕迹,充分保证成型板材表面平整度。

标签:
复合材料
福建 - 厦门 来源:北方有色网 2023-03-18
阻燃抗静电ABS/SMA/PA复合材料及其制备方法

本发明涉及高分子材料技术领域,特别涉及一种阻燃抗静电ABS/SMA/PA复合材料及其制备方法,其包括以下原料组分:ABS树脂、SMA树脂、PA树脂、环保溴系阻燃剂、阻燃协效剂、抗静电剂、增韧剂以及其他助剂;所述ABS树脂、SMA树脂、PA树脂、环保溴系阻燃剂、阻燃协效剂与抗静电剂的重量比为(20~50):(12~25):(5~10):(12~20):(3~5):(10~25);所述SMA树脂的马来酸酐含量为16%~20%;所述抗静电剂为亲水性聚合物,抗静电剂为聚醚酯酰胺类抗静电剂。

标签:
复合材料
福建 - 厦门 来源:北方有色网 2023-03-18
碳纤维复合材料真空干燥设备

本实用新型公开一种碳纤维复合材料真空干燥设备,包括机架、加热装置、抽真空装置、储气罐及控制系统;机架中形成密封的腔室,腔室一侧设置用于密封腔室的开关门;加热装置安装在腔室中;抽真空装置安装在机架上,一端与腔室相连,另一端与储气罐相连;控制系统分别与加热装置及抽真空装置连接。本实用新型所占生产车间的空间较小;能耗较小,节约能源;有毒气体不会污染车间空气。

标签:
复合材料
福建 - 厦门 来源:北方有色网 2023-03-18
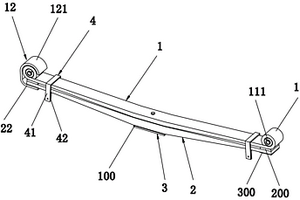
新型复合材料前板簧
新型复合材料前板簧 732     
 0

本实用新型公开了一种新型复合材料前板簧,涉及一种前板簧,包括板簧本体,还包括安装支架,该安装支架包括筒体以及固设于筒体外壁的匚型支架,两安装支架的匚型支架分别对应套设于板簧本体的两端。其中一安装支架还装配有保护支架,该保护支架包括C型槽体以及固设于C型槽体开口一端的连接板,并且C型槽体套设于筒体,连接板固设于匚型支架的底部。本实用新型克服了现有板簧的缺点,具有自重小,耐磨损,结构稳定,使用寿命长,安全性能高等优点。

标签:
复合材料
福建 - 厦门 来源:北方有色网 2023-03-18
银负载于聚合物纳米球表面的抗菌复合材料及其制备方法

本发明涉及一种银负载于单分散聚合物纳米球表面的抗菌复合材料的制备方法,其是通过无皂乳液法聚合的单分散聚(苯乙烯-丙烯酸)纳米球作为聚合物基体,化学还原法在聚合物基体表面沉积银粒子所制得的抗菌剂。可通过调整苯乙烯/丙烯酸质量比,引发剂过硫酸钾用量,反应温度及时间来控制聚(苯乙烯-丙烯酸)纳米球粒径分布;通过调整硝酸银/硼氢化钠用量及摩尔比,反应时间来控制银粒子的负载率。利用本方法制备的抗菌剂,银粒子负载均匀,稳定性及抗菌性能良好。

标签:
复合材料
福建 - 厦门 来源:北方有色网 2023-03-18
增强吹塑聚丙烯复合材料及其制备方法

本发明涉及一种增强吹塑聚丙烯复合材料及其制备方法,属于聚丙烯塑料技术领域,包括以下原料:聚丙烯、相容剂、增强材料和抗氧剂,余下为润滑剂;增强材料包括以下步骤制得:将玻璃纤维在H2O2水溶液处理,得到预处理玻璃纤维;将粉煤灰颗粒研磨,将KH550溶解在乙醇/水混合溶液中再加入研磨后的粉煤灰,搅拌混合均匀,再经过滤干燥,得到改性粉煤灰;然后将预处理玻璃纤维分散在甲苯中,再加入改性粉煤灰,即得增强材料。本发明技术方案中,相容剂能够增加聚丙烯与增塑材料的相容性,从而达到更好的增塑效果,通过硅烷偶联剂在玻璃纤维表面接枝粉煤灰,能够显著增强聚丙烯的机械性能。

标签:
复合材料
福建 - 厦门 来源:北方有色网 2023-03-18
石墨烯负载核壳结构Fe3O4纳米粒子复合材料及其制备方法和应用

本发明公开了一种石墨烯负载核壳结构Fe3O4纳米粒子复合材料,Fe3O4表面包覆一层厚度为2‑3nm的碳膜形成纳米颗粒,纳米颗粒的粒子直径为5‑50nm,其均匀分散镶嵌在石墨烯中,具有梯度多孔结构。本发明还公开了一种以含铁的金属有机框架物C10H10Fe作为铁和碳源,用泡沫镍用作形核和助生长剂的制备方法,制备工艺流程简单。本发明用作污水处理吸附剂,能高效吸附处理污水中的污染物,在光辅助作用下快速降解有机染料,用作润滑油添加剂,具有良好的减磨效果,是一种高效的纳米润滑油添加剂。

标签:
复合材料
福建 - 厦门 来源:北方有色网 2023-03-18
复合材料抗磨软管
复合材料抗磨软管 960     
 0

本发明提供了一种复合材料抗磨软管,包括复合软管,复合软管的两端分别固设接头,接头具体包括螺纹管,螺纹管的外侧套设有外筒,螺纹管与外筒之间具有间隙,螺纹管远离接头的一端固设管道连接件;复合软管具体包括内圈螺旋弹簧,内圈螺旋弹簧的外周包覆有复合层,复合层的外周包覆有外覆层,外覆层的外周绕设有外圈螺旋弹簧,内圈螺旋弹簧由钢丝盘绕设置而成;复合软管的开口端处插接于螺纹管以及外筒之间,螺纹管、外筒以及复合软管之间注设环氧胶,内圈螺旋弹簧与螺纹管的螺纹适配,接头以及复合软管拼接后内壁涂敷设置聚脲涂料涂层。可以有效的延长用于运输含有大量固体颗粒浆体的管道的使用寿命,且不影响管道本身的弯曲、拉伸回弹性能。

标签:
复合材料
福建 - 厦门 来源:北方有色网 2023-03-18
基于近红外光电复合材料检测冈田酸毒素的方法

本发明提出了一种基于近红外光电复合材料检测冈田酸毒素的方法,包括以下步骤:通过简单的高温溶剂热法合成NaYF4:Yb,Tm上转换纳米粒子(UCNP)和半导体材料花状氧化钨(WO3);通过经典的酰胺化反应,将UCNP与冈田酸单克隆抗体偶联,构建一种竞争性的近红外光电化学免疫吸附测定法(cNIR‑PECIA),用于冈田酸毒素的检测。此外,本发明采用网板印刷碳电极(SPE)作为工作电极,仅需少量电解质,这是低成本且免维护的。

标签:
复合材料
福建 - 厦门 来源:北方有色网 2023-03-18
上一页 14 15 16 17 18 ... 32 下一页
共32页    到第

北方有色为您提供最新的福建厦门有色金属复合材料技术理论与应用信息,涵盖发明专利、权利要求、说明书、技术领域、背景技术、实用新型内容及具体实施方式等有色技术内容。打造最具专业性的有色金属技术理论与应用平台!

全国热门有色金属设备推荐
展开更多 +
全国热门有色金属技术推荐
展开更多 +

 

江西省隆恩特环保设备有限公司
宣传

报名参会
更多+

报告下载

有色专家
更多+

中国矿业大学(北京)
教授
中铝检测科技(郑州)有限公司/国家轻金属质量检验检测中心
正高级工程师
长沙矿冶院检测技术有限责任公司
总经理
中南大学、中国工程院
院士
北京航空航天大学、中国工程院
院士
赤泥综合利用研究报告2025
推广

热门技术
更多+

推荐企业
更多+

福建省金龙稀土股份有限公司
宣传

发布

在线客服

公众号

电话

顶部
咨询电话:
010-88793500-807