青岛垚鑫智能科技有限公司
宣传

位置:北方有色 >

有色技术频道 >

> 废水处理技术

分类:
全部
矿山技术
冶金技术
材料制备及加工技术
环境保护技术
分析检测技术
 
全部
废水处理技术
大气治理技术
固/危废处置技术
土壤修复技术
地区:
全部
北京
天津
上海
重庆
河北
山西
辽宁
吉林
黑龙江
江苏
浙江
安徽
福建
江西
山东
河南
湖北
湖南
广东
海南
四川
贵州
云南
陕西
甘肃
青海
内蒙
广西
西藏
宁夏
新疆
其他
其他
展开
 
全部
济南
青岛
淄博
枣庄
东营
烟台
潍坊
济宁
泰安
威海
日照
滨州
德州
聊城
临沂
菏泽

山东济南有色金属废水处理技术理论与应用

免费发布技术信息>>
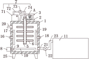
钙、氨双段脱硫工艺及设备

一种钙、氨双段脱硫工艺,石灰石‑石膏湿法脱硫的产物硫酸钙溶液与碳酸铵溶液反应,生成硫酸铵水溶液与固态碳酸钙;所述固态碳酸钙沉淀后得到沉淀物,沉淀物由输送泵打入脱水机中进行脱水,生成石灰石,重复利用;所述石灰石返回脱硫吸收塔系统进一步脱硫,循环往复;所述硫酸铵水溶液进一步澄清、浓缩、结晶,得到硫酸铵化肥和废水,废水中不存在氯离子,继续返回吸收塔中使用,实现零排放。本发明钙、氨双段湿法烟气脱硫工艺没有废水排放,实现了水循环利用,水消耗为所有脱硫工艺中最低的;没有废物排放,废物变成化肥,化肥出售后得到收入,减低整体的运行费用;钙基脱硫剂一次性投入,循环利用;不影响整体脱硫系统的脱硫效率。

标签:
废水处理
山东 - 济南 来源:北方有色网 2023-03-19
空气特殊污染物走航监测车

本实用新型属于环境监测技术领域,具体涉及一种空气特殊污染物走航监测车,包括相互连接的车厢和车头,所述车厢和车头为一体结构,所述车厢尾部安装有两个半开门,所述车厢安装有监测分析仪器、数据记录台和实验台,所述实验台包括整体的操作台,所述操作台设有自来水盛装区和废水收集箱,所述操作台安装有水漏,所述水槽下方设有安装槽,所述安装槽匹配安装有废水收集箱,所述废水收集箱铰接有箱盖,所述箱盖设有第一把手,所述箱盖安装有快速弹簧安装座,所述弹簧安装座安装有弹簧,所述弹簧匹配安装有贯穿弹簧安装座的接头,所述接头设有与水漏匹配的凸台,所述废水收集箱设有出水口,所述出水口安装有与球阀让位槽匹配的阀。

标签:
废水处理
山东 - 济南 来源:北方有色网 2023-03-19
城市污水处理用初次降解过滤装置

本实用新型公开了一种城市污水处理用初次降解过滤装置,包括过滤池体,所述过滤池体的内部设有刻度表,且过滤池体的活动安装有升降过滤网,所述升降过滤网的顶部固定安装有调节杆,且调节杆顶部的正面与背面皆固定安装有调节板,所述过滤池体正面与背面皆设有电动推杆,所述过滤池体内部的一侧固定安装有倾斜过滤网。本实用新型设置有进水管与排水管配合,可以对装置与外部的水管连接,从而便于废水进行装置,同时通过排水管可以对过滤处理完成的废水进行排出,提高了装置的实用性,设置有倾斜过滤网可以对废水进行二次过滤,增加了装置对废水过滤处理的质量,提高了装置的实用性,使过滤装置更加便于使用,扩大了适用范围。

标签:
废水处理
山东 - 济南 来源:北方有色网 2023-03-19
双电解结合MBR水处理装置

本实用新型公开了一种双电解结合MBR水处理装置,包括处理箱,所述处理箱的上部左右两侧均安装有连接杆,两个所述连接杆的顶端安装有同一个平板,所述平板的底部设置有动力机构,所述处理箱的内部转动安装有转动杆,且所述转动杆的顶端贯穿出处理箱,所述转动杆的左右两侧均安装有多个搅拌杆,所述处理箱的上部左侧设置有加药机构,所述处理箱的左侧下端安装有气泵,所述气泵的进气端连通有进气管,所述处理箱的内部底端安装有曝气管。本实用新型在使用时,在对处理箱内添加液态含铁复合试剂时,可以使液态含铁复合试剂与废水进行充分混合,从而提高了对废水的电解效率和对废水的处理效果,进而提高了处理废水的工作效率。

标签:
废水处理
山东 - 济南 来源:北方有色网 2023-03-19
钢包清理装置
钢包清理装置 1095     
 0

本实用新型公开了一种钢包清理装置,包括支板、清理组件和废水收集箱,所述支板的底端的四角处均焊接有支柱,所述支柱的一侧焊接有废水收集箱,所述废水收集箱内活动设置有滤板,所述支板的顶端设置有水箱、水泵和第一伸缩杆,所述第一伸缩杆的伸缩轴的底端焊接有水平的限位板,所述限位板的底端通过螺栓固定有电机,所述电机的转轴的底端焊接有连接块,所述连接块的两侧设置有清理组件,所述清理组件包括第二伸缩杆、连接板、电磁铁、弹簧和活动块。该钢包清理装置,能够对不同高度和内径的钢包进行清理,能够收集钢包内的金属并防止废水堵塞管道。

标签:
废水处理
山东 - 济南 来源:北方有色网 2023-03-19
反渗透滤芯的纯水反冲系统、反渗透系统及净水器

本实用新型公开了一种反渗透滤芯的纯水反冲系统、反渗透系统及净水器,其中反渗透滤芯的纯水反冲洗系统包括反渗透过滤器和纯水储水箱,反渗透过滤器的进水口连接进水管,纯水出水口连接纯水储水装置,浓水出水口连接第一废水排水管;纯水储水箱连通至所述浓水出水口;进水口连接第二废水排水管。本技术纯水储水罐中的纯水由反渗透滤芯的浓水出水口流入该反渗透滤芯以对该反渗透滤芯进行清洗,清洗后得到的废水由进水口流出并经第二废水排水管排出,该技术能够简化结构,并且采用纯水置换冲洗,能够提高反冲洗的置换质量。

标签:
废水处理
山东 - 济南 来源:北方有色网 2023-03-19
多功能绿色生态生物反应器

本实用新型公开了一种多功能绿色生态生物反应器,包括反应器本体,反应器本体内下部设置生物填料层,反应器本体上部设置生物浮岛;反应器本体内对应于生物填料层下部设置有进水管和布气组件,反应器本体上部与出水管连通;生物浮岛包括多个漂浮载体,所述漂浮载体上设置漂浮植物;所述反应器本体内在生物填料层和生物浮岛之间设置托板,所述托板上放置有田螺和河蚌中的一种或两种。在反应器内设置生物填料层,反应器上部设置生物浮岛,流化床产生的废气由生物浮岛吸收,且生物浮岛也可以对废水进行净化,由此可对废水实现二级净化。放置田螺和河蚌,可对废水进一步净化,同时还能解决流化床出水浑浊的问题,强化废水处理效果,使出水更为干净。

标签:
废水处理
山东 - 济南 来源:北方有色网 2023-03-19
热轧窄带钢快速冷却装置

本实用新型公开了一种热轧窄带钢快速冷却装置,包括柜体、冷却腔和废水收集箱,柜体的内部靠近顶部的位置水平设有隔板,隔板的底部为冷却腔,冷却腔的底部设有废水收集箱,冷却腔的顶部通过吊件安装有导水管,导水管上从左到右等距离设有喷头,废水收集箱的底部设有蓄水槽。本实用新型通过在导水管上等距离设置的喷头,使得冷却水在从喷头内喷出时形成小颗粒状的水珠,使得冷却水能够完全覆盖到轧钢带上,极大的提高了轧钢带冷却的效果,冷却腔底部的废水收集箱内设置蓄水槽,使得该装置能够对使用过后的水进行收集,配合集水槽内部设置的小型水泵,使得冷却水能够进行循环使用,极大的提高了水资源的利用效率,具有良好的节能效果。

标签:
废水处理
山东 - 济南 来源:北方有色网 2023-03-19
废油回收装置
废油回收装置 888     
 0

本实用新型提供了一种废油回收装置,包括U形结构的废油回收管,废油回收管包括左侧的进油管和右侧的进水管,进油管入口端连接有输入废水的废水进管和输入高粘度油的粘油进管;进水管入口端连接有输入过滤水的滤水进管;进油管自其入口端顺序设有废水层、高粘度油层和过滤水层,废水层和高粘度油层接触位置为废油析出层,进油管上设置有对废油析出层的油水比例进行检查的第一油水检测器和在废油析出层的油水比例达到预定要求时排出析出废油的出油管。本实用新型提供的废油回收装置提高了废油回收的效率,降低了废油回收的成本。

标签:
废水处理
山东 - 济南 来源:北方有色网 2023-03-19
净化效果好的环保设备

本实用新型公开了一种净化效果好的环保设备,包括净化箱,所述净化箱的一侧固定安装有沉淀箱,所述净化箱的内底壁固定安装有搅拌机,所述搅拌机的下方固定安装有电机,所述沉淀箱的内部固定安装有过滤板,所述净化箱的内部一侧依次滑动连接有离子交换树脂过滤板和铁屑过滤板,所述净化箱的内部固定安装有可转动的连接轴,所述连接轴的一侧固定安装有分流板。本实用新型通过沉淀箱内部的活性污泥,净化箱内部的离子交换树脂过滤板和铁屑过滤板,能够对待净化的废水进行多次过滤反应,有效降低废水中有害元素的数量,且活性污泥、离子交换树脂过滤板和铁屑过滤板能够分别针对不同的废水中的有害物质进行处理,增大装置的可净化废水种类。

标签:
废水处理
山东 - 济南 来源:北方有色网 2023-03-19
利用废气处理废液的燃烧器

本实用新型涉及一种利用废气处理废液的燃烧器,包括顶部开设有通气孔的外罩,以及位于所述外罩内的喷头,所述外罩顶部与所述喷头之间的燃烧腔内设有与外罩固接的点火装置,所述喷头上开设有与所述燃烧腔连通的雾化孔,所述雾化孔与安装有加压泵的废水管道连通,所述废水管道与外罩侧壁之间形成可燃气通道,所述可燃气通道通过所述喷头上开设的若干燃烧孔与所述燃烧腔连通。本实用新型采用可燃的废气作为原料,属于废气利用,运行成本低,节约能耗;废液雾化后直接与火焰接触,直接将废水中有机物燃烧,处理效率高,处理能力大,处理更彻底;可处理废水弹性大,解决了传统水处理方法只适用于处理单一介质的问题。

标签:
废水处理
山东 - 济南 来源:北方有色网 2023-03-19
利用焦炉烟道气余热蒸氨的方法及设备

本发明公开了一种利用焦炉烟道气余热蒸氨的方法及设备属于炼焦化工产品回收技术,特别是采用焦炉烟道气余热进行蒸氨的技术及设备。该利用焦炉烟道气余热蒸氨的方法使用的设备,包括依次相连的烟气余热回收设备,蒸氨塔,氨回收冷凝设备,所述的烟气余热回收设备包括热烟气引出及低温烟气回收排放装置,气液换热器,塔釜废水循环装置。本发明的有益效果是提供了一种利用炼焦炉烟气余热通过余热换热器回收产出高温水用于蒸氨,回收焦化废水中的氨水,可以节约原来用于蒸氨的蒸汽,较现有技术中常用的蒸氨工艺,减少蒸氨能耗,降低生产过程成本,具有良好的经济效益和环境效益。

标签:
废水处理
山东 - 济南 来源:北方有色网 2023-03-19
硝基酚降解好氧污泥颗粒化方法

本发明提供了一种硝基酚降解好氧污泥颗粒化方法,包括以下步骤:1.选取污水处理厂曝气池中的活性污泥,接种到序批式生物反应器中;2.配制含有硝基酚的模拟有机废水;3.从序批式生物反应器的底部泵入所配制的含有硝基酚的模拟有机废水;4.按照序批式生物反应器的运行模式,缺氧进行10~50min后,由曝气机在反应器底部供气;5.保持序批式生物反应器内的温度、pH值、水力停留时间、有机负荷及沉降时间,运行一段时间以后,在反应器内获得硝基酚降解好氧颗粒污泥。按照本发明所述方法培养出的好氧颗粒污泥具有更强的活性和沉降性能,便于储存和运输,硝基酚去除率可达90%以上。

标签:
废水处理
山东 - 济南 来源:北方有色网 2023-03-19
造纸污水处理的方法
造纸污水处理的方法 991     
 0

本发明涉及一种造纸污水处理的方法,将经过生化处理后的废水加入废硫酸水和双氧水后,使硫酸亚铁变成三价铁,同时对水中的有机物进行氧化和沉淀,用空气曝气后进行沉淀,污泥用抽泥机抽出过滤压泥处理,清液加入无机絮凝剂和石灰搅拌均匀,二次沉淀后,清液回用或者排放。经以上处理,处理后废水中的CODCR小于100MG/L,达到国家及地方的排放标准,利用钛白废酸或其它废酸酸化,利用造纸碱回收白泥进行中和处理,达到了以废治废,资源利用最大化的效果。

标签:
废水处理
山东 - 济南 来源:北方有色网 2023-03-19
用改进的粉体法生产高纯度阻燃润滑剂的方法

本发明公开了一种用改进的粉体法生产高纯度阻燃润滑剂的方法。它是将氰尿酸、三聚氰胺、尿素及少量水,经加热混合或捏合,保持在粉体状态进行中和加合及纯化过程,即得到由原料粒子团聚成的非圆柱状颗粒,最后经打散解聚机细化处理,得到平均粒径小于4μm,纯度大于99.5%的氰尿酸三聚氰胺产品。该方法生产设备简单、投资少、节省能耗、生产成本低、无废水排放,既克服了湿法合成,有废水需要处理,工艺时间长等缺点,又克服了以往的粉体法难以制得高纯度(含量大于99.5%)氰尿酸三聚氰胺的缺点,使粉体法生产工艺进一步完善,成为最佳的绿色低碳生产工艺。

标签:
废水处理
山东 - 济南 来源:北方有色网 2023-03-19
复合无机吸附剂及其制备方法

一种废水处理用复合无机吸附剂,其以粘土矿、 活性炭和粘合剂为原料,经粉碎、调合、挤压成型、烘 干、焙烧固化而成,其中粘土矿与活性炭的重量比例 为(1~2)∶1。本吸附剂的吸附性能相当于或高于 活性炭,成本仅为活性炭的二分之一到三分之二,因 而有利于在确保达到规定环境效益的同时,降低废水 处理成本,提高企业经济效益,便于推广应用。

标签:
废水处理
山东 - 济南 来源:北方有色网 2023-03-19
生化陶瓷及其制备方法与应用

本发明涉及一种生化陶瓷及其制备方法与应用。生化陶瓷是以废水污泥为主料,配加碳酸钙或石膏、粘土、二水氢氧化钙、液体蜡、铁粉或氧化铁粉等辅料缺氧烧制而成。该生化陶瓷用作生物滤池、滴滤池或厌氧处理中的颗粒污泥床的生物介质,还可在湖泊中用于减少水体富营养化或建造过滤坝以减少废水的污染。本发明可收缩生化陶瓷可自动固定细菌,避免生物质被冲走;因而无需人工固定;将污泥中重金属元素固定化,在应用过程中不会释放。可选择的不同形状和尺寸成坯使本发明的生化陶瓷拥有更加广泛的应用前景。

标签:
废水处理
山东 - 济南 来源:北方有色网 2023-03-19
厌氧氨氧化污水处理系统

本发明公开了一种厌氧氨氧化污水处理系统,包括筛除系统、预制系统、联动反应系统;筛除系统包括一级筛除机构、二级筛除机构、三级筛除机构;本发明装置的启动周期短、性价比高、实用性强。本发明先是通过筛除系统将废水中的大部分杂质筛选剔除,再通过预制系统,依次依序对废水进行PH调控、温度调节和厌氧环境营造,且后续反应作业均在密闭空间实现,使得设备处理稳定性高,且保证菌群的高生物作用性和可持续自生长条件。本发明的预制系统中,先后通过物理吸附和电化学沉积原理,将高碳氮比废水中的碳源大幅剔除,为采用厌氧氨氧化工艺处理高碳源的工农废水成提供可行性。

标签:
废水处理
山东 - 济南 来源:北方有色网 2023-03-19
三维电催化原位吸附净水方法

本发明公开了一种三维电催化原位吸附净水方法,其处理过程为:本发明提供了一种三维电催化原位吸附净水方法,将废水和空气同时通入反应器,进入原位吸附催化反应区,然后向反应器中添加颗粒电极,通过连接直流电源的电极板对废水施加电压,形成1~20mA/cm2的电流,原位吸附催化反应区内的废水与空气将在电流的作用下发生反应,最终实现废水中有机污染物的去除。本发明通过电催化氧化技术与吸附技术相结合,极大地增强了污染物的传质,提高了电催化效率,在催化氧化有机物、去除嗅味的同时实现吸附剂的原位吸附和再生,实现了吸附剂的重复利用,具有操作方便易于管理,带来二次污染的可能性小,可以满足日益严格的水质标准的优点。

标签:
废水处理
山东 - 济南 来源:北方有色网 2023-03-19
废油回收装置及方法
废油回收装置及方法 847     
 0

本发明提供了一种废油回收装置,包括U形结构的废油回收管,废油回收管包括左侧的进油管和右侧的进水管,进油管入口端连接有输入废水的废水进管和输入高粘度油的粘油进管;进水管入口端连接有输入过滤水的滤水进管;进油管自其入口端顺序设有废水层、高粘度油层和过滤水层,废水层和高粘度油层接触位置为废油析出层,进油管上设置有对废油析出层的油水比例进行检查的第一油水检测器和在废油析出层的油水比例达到预定要求时排出析出废油的出油管。本发明提供的废油回收装置提高了废油回收的效率,降低了废油回收的成本。本发明还提供了一种通过上述废油回收装置回收废油的废油回收方法。

标签:
废水处理
山东 - 济南 来源:北方有色网 2023-03-19
一株兼性厌氧反硝化细菌及其在水体生物脱氮中的应用

本发明公开了一株兼性厌氧反硝化细菌,该菌株命名为Pseudomonas?stutzeri?LZ-14,属于假单胞菌属的施氏假单胞菌,已于2011年4月10日保藏于中国典型培养物保藏中心,其保藏编号为:CCTCC?NO:M2011119。该菌株能够有效脱除水体中的氨氮、硝酸氮、亚硝酸氮及其混合物,降低总氮浓度,还可同时去除有机废水中的CODCr,适用于较低浓度有机废水、较高浓度亚硝酸盐或硝酸盐废水的处理,具有更加广泛的适应性。脱氮过程中,不产生硝酸盐积累,有一定量亚硝酸盐累积,但随后24h内亚硝酸盐可被完全降解。使用该菌株处理废水工艺简单,脱氮效果稳定。利用该菌生物强化去除水中污染物时,在停留时间为8d时,投加LZ-14菌液强化使实际受污染河水中CODCr从33.9mg/L降到了15.9mg/L,去除率为53.1%;TN从4.07mg/L降低到了0.98mg/L,去除率为75.9%。

标签:
废水处理
山东 - 济南 来源:北方有色网 2023-03-19
循环利用活性焦净水的系统和方法

本公开涉及一种循环利用活性焦净水的系统和方法,属于环境保护及水处理技术领域,废水和活性焦在混合反应器内混合均匀,活性焦充分吸附废水中的有机物成分,然后将饱和活性焦和废水通过分离装置进行分离,清水回用,饱和活性焦进入微波回转窑中经过微波的辐照,饱和活性焦中吸附的有机物脱附并分解为可燃气,可燃气和焦油经过冷却后焦油与可燃气分离,再生的活性焦由于收到微波辐照的作用,改善了微孔的结构,提高了活性焦的对有机物的吸附能力,活性焦再生之前COD的去除率可达96.6%~98.6%,经微波处理后的活性焦对废水中COD去除率可达96.9%~98.9%。同时系统实现了余热的回收。

标签:
废水处理
山东 - 济南 来源:北方有色网 2023-03-19
基于超滤膜组件的水处理设备

本发明公开了一种基于超滤膜组件的水处理设备,包括筛分系统、反应系统、分流系统、一级超滤系统、二级超滤系统;本发明通过筛分系统、反应系统、分流系统的前置设置,可先对废水进行大颗粒杂质去除,再对废水进行稳定离子或纤维等杂质的还原除杂,经过上述前置除杂处理后的废水再径两级超滤系统进行超滤膜除杂,不仅可以有效提高除杂效果,而且可以增加超滤膜的使用寿命,减少超滤膜更换频率,降低设备维护运营成本。本发明的一级超滤系统在进行超滤膜除杂时还配套了搅拌和通气操作,二级超滤系统在进行超滤膜除杂时还配套了加热和吸热操作使得废水中的杂质分子、离子更加活跃,可有效提高超滤膜的过滤效果,提高过滤效率。

标签:
废水处理
山东 - 济南 来源:北方有色网 2023-03-19
利用废气处理废液的燃烧器及使用方法

本发明涉及一种利用废气处理废液的燃烧器,包括顶部开设有通气孔的外罩,以及位于所述外罩内的喷头,所述外罩顶部与所述喷头之间的燃烧腔内设有与外罩固接的点火装置,所述喷头上开设有与所述燃烧腔连通的雾化孔,所述雾化孔与安装有加压泵的废水管道连通,所述废水管道与外罩侧壁之间形成可燃气通道,所述可燃气通道通过所述喷头上开设的若干燃烧孔与所述燃烧腔连通。本发明采用可燃的废气作为原料,属于废气利用,运行成本低,节约能耗;废液雾化后直接与火焰接触,直接将废水中有机物燃烧,处理效率高,处理能力大,处理更彻底;可处理废水弹性大,解决了传统水处理方法只适用于处理单一介质的问题。

标签:
废水处理
山东 - 济南 来源:北方有色网 2023-03-19
卡那霉素提取工艺
卡那霉素提取工艺 931     
 0

本发明涉及一种卡那霉素提取工艺,将卡那霉素结晶母液回收乙醇后的废水按0.05-0.07亿卡那霉素单位/升树脂量·小时的速度通入装有CD180树脂的树脂柱动态吸附,进行组分收集,然后再进行解析,在不同时段收集不同的解析液达到分离废水中不同组分的目的,然后再将不同解析液进行浓缩结晶,从而得到不同组分的成品。

标签:
废水处理
山东 - 济南 来源:北方有色网 2023-03-19
MICA活性酯环保生产方法

一种MICA活性酯环保生产方法,包括如下步骤:肟化、烷基化、氯化、关环、制备中间体。本发明实现了物料的循环套用,从而降低成本,减少了废物和废水产生量;将S1中的副产物醋酸钠经重结晶,用于S4中的关环,减少废水量及其含盐量;在S2中,现在的工艺一般利用碳酸钾提供碱性环境,用量一般在2个当量以上,缺点如下:一、在反应过程中盐量太大搅拌吃力,二、后处理时需要大量水溶解无机盐,形成大量的高盐废水,改为有机碱后反应过程中固体盐大大减少,后处理时有机碱回收利用,降低成本和废水量;S3使用分批加料方式,能够降低同等转化率下,磺酰氯的用量;S5回收反应产生的副产物2‑巯基苯并噻唑,重新回收利用于合成二硫化二苯基噻唑。

标签:
废水处理
山东 - 济南 来源:北方有色网 2023-03-19
快速处理六价铬的方法

一种处理六价铬废水的方法,包括以下步骤:(1)以硝酸铝、硝酸镁、乳酸溶液和氢氧化钠溶液为合成原料制备乳酸跟阴离子插层的层状双氢氧化物;(2)使乳酸跟阴离子插层的层状双氢氧化物被剥离;(3)调节六价铬废水的pH值;然后向六价铬废水中加入被剥离的乳酸跟阴离子插层的层状双氢氧化物,再次调节pH值;(4)对六价铬废水进行震荡,然后离心沉降处理剂;(5)达标后排放,否则返回步骤(2)进行循环处理,直至达标。该方法利用剥离的层状双氢氧化物快速处理六价铬,剥离后的层状双氢氧化物能够增大其片层与水体中六价铬的接触面积,快速实现离子交换过程,达到快速吸附的目的,工艺简单,操作方便,处理成本低、效率高。

标签:
废水处理
山东 - 济南 来源:北方有色网 2023-03-19
嗜盐菌菌剂及其制备方法和固定有菌剂的生物处理系统及其应用

本发明公开了一种嗜盐菌菌剂及其制备方法和固定有菌剂的生物处理系统及其应用,本发明从污水、污泥、土壤中筛选得到菌种配成菌剂,菌剂中包括四种菌种,为普罗威登斯菌(Providenciasp.)CJ-4、Oceanobacillussp.CJ-10、表皮短杆菌(Brevibacterium?epidermidis)CJ-12和盐单胞菌(Halomonassp.)CJ-13。本发明还提供了固定有该菌剂的生物处理系统及采用该系统处理废水的方法。本发明的菌剂对含酚废水有较强降解能力且能适应高盐环境,在含盐量2%-25%、酚浓度2500mg/l以下都有非常好的降解效果,降解酚类物质的性能相比传统的活性污泥法具有明显优势,对水中酚类物质降解效果可达到99.9%以上。

标签:
废水处理
山东 - 济南 来源:北方有色网 2023-03-19
基于MoS2/BiVO4光催化剂活化过氧单硫酸盐的光芬顿体系降解污染物的方法

本发明涉及一种基于MoS2/BiVO4光催化剂活化过氧单硫酸盐的光芬顿体系降解污染物的方法,该方法基于MoS2/BiVO4光催化剂活化过氧单硫酸盐的光芬顿体系进行,在可见光照射下能够产生大量的活性氧化物质(SO4·‑、·OH、1O2和h+),大大提高了降解双酚类废水的效率。同时方法抗干扰性更强,能够适应复杂的水体环境,更适应实际废水中高浓度污染物的降解,能够抵御水体中无机阴离子和天然有机物的影响。在废水中阴离子浓度为10mM,有机物(腐殖酸)浓度为5‑20mg/L的情况下,依然对污染物有高效的降解率,抵抗实际废水中无机阴离子和有机物具有优异性能,适用性广。

标签:
废水处理
山东 - 济南 来源:北方有色网 2023-03-19
用于空气制水机的滤芯结构

本发明涉及一种用于空气制水机的滤芯结构,包括滤瓶、RO膜和开关组件,滤瓶一端开口、内部中空,滤瓶的开口处具有进水口、纯水出水口和废水出水口,RO膜安装在滤瓶内部,RO膜与滤瓶之间具有水流流动空间,RO膜内部中空,纯水出水口与RO膜的内部连通,纯水出水口与水流流动空间连通;滤瓶的内部位于纯水出水口处密封连接有膜上端盖,RO膜连接在膜上端盖上,RO膜与膜上端盖之间具有废水流动空间,废水出水口与废水流动空间连通;开关组件安装在滤瓶的开口处。本发明的旋转盘中通过三个通水柱及密封圈完成与滤瓶、阀芯限位板、阀芯的密封功能、通水功能、锁水功能。在更换滤芯时,滤芯里面的水不会从滤芯的进出水口处流出。

标签:
废水处理
山东 - 济南 来源:北方有色网 2023-03-19
上一页 13 14 15 16 17 ... 57 下一页
共57页    到第

北方有色为您提供最新的山东济南有色金属废水处理技术理论与应用信息,涵盖发明专利、权利要求、说明书、技术领域、背景技术、实用新型内容及具体实施方式等有色技术内容。打造最具专业性的有色金属技术理论与应用平台!

全国热门有色金属设备推荐
展开更多 +
全国热门有色金属技术推荐
展开更多 +

 

江西省隆恩特环保设备有限公司
宣传

报名参会
更多+

报告下载

有色专家
更多+

中南大学
副校长
中南大学
中国工程院院士
武汉科技大学
校学术委员会主任 / 教授
中国矿业大学(北京)
院长/教授
中国瑞林工程技术有限公司
中国工程院院士
赤泥综合利用研究报告2025
推广

热门技术
更多+

推荐企业
更多+

福建省金龙稀土股份有限公司
宣传

发布

在线客服

公众号

电话

顶部
咨询电话:
010-88793500-807