青岛垚鑫智能科技有限公司
宣传

位置:中冶有色 >

有色技术频道 >

> 加工技术

分类:
全部
矿山技术
冶金技术
材料制备及加工技术
环境保护技术
分析检测技术
 
全部
功能材料技术
复合材料技术
新能源材料技术
合金材料技术
加工技术
地区:
全部
北京
天津
上海
重庆
河北
山西
辽宁
吉林
黑龙江
江苏
浙江
安徽
福建
江西
山东
河南
湖北
湖南
广东
海南
四川
贵州
云南
陕西
甘肃
青海
内蒙
广西
西藏
宁夏
新疆
其他
其他
展开
 
全部
济南
青岛
淄博
枣庄
东营
烟台
潍坊
济宁
泰安
威海
日照
滨州
德州
聊城
临沂
菏泽

山东潍坊有色金属加工技术理论与应用

免费发布技术信息>>
锂电池模组的钣金端板

本实用新型公开了一种锂电池模组的钣金端板,包括第一钣金和第二钣金,第一钣金的底面中部固接有第一转盘,第一转盘上的第一圆柱孔内通过弧形滑块转动连接有第二转盘,第二转盘镶嵌设在第二钣金的中部,第一钣金上的圆柱内设有限位机构,第二转盘的顶面边缘处开设有若干个第一限位孔,第一钣金和第二钣金的顶面中部两端均开设有第一条形槽,第一钣金和第二钣金一端的第一条形槽的一侧面开设有第二条形槽,第二条形槽内滑动连接有连接柱,连接柱的内部设有固定组件,连接柱的一端侧面固定安装有铜排和铝排;本实用新型可以调节钣金的角度和调节铜排和铝排的位置,从而便于钣金与锂电池模组配合,便于锂电池模组的使用。

标签:
加工技术
山东 - 潍坊 来源:中冶有色网 2023-03-18
锂电池隔离膜质量检测仪器

本发明涉及质量检测技术领域,且公开了一种锂电池隔离膜质量检测仪器,包括检测台,检测台为侧面截面呈凹字形的台体,检测台前后两侧对称开设有槽组,槽组包括主槽,主槽内均设置有固定装置,固定装置包括固定块,两个固定块之间活动安装有用于连接两个固定块的连接杆,检测台内位于固定装置右侧的位置设置有抗热检测装置,固定块与主槽之间设置有复位装置,检测台凹陷部分内位于连接杆下方的位置设置有穿刺强度检测装置,抗热检测装置包括箱体,该锂电池隔离膜质量检测仪器,通过设置槽组、固定装置、抗热检测装置和穿刺强度检测装置来进行配合使用,这样就能够对隔离膜的三种强度单独进行快速检测,增加了装置的实用性。

标签:
加工技术
山东 - 潍坊 来源:中冶有色网 2023-03-18
散热锂电池包
散热锂电池包 1015     
 0

一种散热锂电池包,涉及新能源锂电池技术领域,包括电池箱体,电池箱体内安装有若干风冷板,风冷板的两端与电池箱体内壁密封固定,风冷板的内部为风道,风冷板的一端设置有进风口,另一端设置有出风口,进风口和出风口连通风道与电池箱体外部,进风口位置设置有供风装置,电池箱体内部紧靠风冷板固定安装有电池模块。通过设置风冷板,供风装置持续向风冷板的风道送风,从而通过风道形成风循环,不断将热量带走;电池模块紧贴风冷板安装,将电池模块的热量传递到风冷板,通过风循环将热量带走,从而有效避免了空气进入到电池箱体内,与电池模块接触,从而保证了电池包内的绝对密封,从而提高了电池包的防水级别。

标签:
加工技术
山东 - 潍坊 来源:中冶有色网 2023-03-18
锂离子电池用电压、内阻检测辅助工装

本实用新型公开了一种锂离子电池用电压、内阻检测辅助工装,其特征在于:包括主体框架,主体框架的前侧设置有多个用于夹持正负表笔的夹笔组件,夹笔组件由夹持装置活动安装在主体框架上,夹持装置用于固定夹笔组件的位置和活动调节两相邻的夹笔组件之间的间距,本实用新型构思巧妙,结构合理,使用简单快捷,适用于方形金属壳锂离子电池,且检测工作效率高,能够实现单手操作,减少操作员工的疲劳度。

标签:
加工技术
山东 - 潍坊 来源:中冶有色网 2023-03-18
从盐湖中提取锂的离子液体萃取的方法

本发明公开了一种从盐湖中提取锂的离子液体萃取的方法,萃取方法为:(1)浓缩、除硼:将盐湖卤水蒸发浓缩引入酸化池,调节PH后加入二壬基二苯胺与煤油混合物,得到脱硼卤水;(2)分级萃取:将有机相与脱硼卤水混合分级萃取;(3)陶瓷膜分离:将负载有机相通过陶瓷膜进行分离;(4)除镁:加入浓氨水除掉锂离子水溶液中的镁离子,本发明根据不同萃取浓度需求将萃取过程分为初级萃取、高级萃取、精萃取,可以满足不同工业需求。总之,本发明工艺合理、萃取率较高、萃取纯度高、绿色环保,适合不同工业生产用制锂。

标签:
加工技术
山东 - 潍坊 来源:中冶有色网 2023-03-18
极压锂基润滑脂及其制备方法

本发明提供一种极压锂基润滑脂,各原料组分的质量比例为:基础油85-90份、中间油25-30份、氢氧化锂2.0-2.4份、皂化用酸9-12份、抗氧化剂0.8-1.2份、极压耐磨剂1.4-1.8份、酚醛树脂基玻璃碳微球0.1-0.3份、γ-氧化铝0.3-0.5份、石油磺酸钠0.1-0.5份、防锈剂0.9-1.3份、水11-13份;本发明提供上述润滑脂的制备方法。本发明制备的极压锂基润滑脂,NLGI稠度为2号;对金属无腐蚀性;防腐蚀性为1级;相似粘度(-10℃,10s-1)为818-822pa.s,极压性能(四球机法)PB值为700-720N,摩斑直径WSD为0.689-0.690mm。

标签:
加工技术
山东 - 潍坊 来源:中冶有色网 2023-03-18
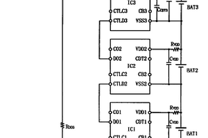
动力锂离子电池的充电状态均衡电路

本实用新型公开了一种动力锂离子电池的充电状态均衡电路,包括电池保护IC单元,所述电池保护IC单元包括设置在串联电池组的各单节电池正负极两端的电池保护IC芯片;设置于所述串联电池组的各单节电池正负极两端的自放电支路,所述自放电支路包括一个自放电控制开关和一个分流电阻,对应于同一节单节电池,所述电池保护IC芯片的电量均衡控制用输出端子与所述自放电控制开关的控制端连接。本实用新型提供一种动力锂离子电池的充电状态均衡电路,以解决在多节锂离子电池串联充电时,由于各电池单体间的性能差异而影响电池组的荷电保持能力,降低电池组整体性能的问题。

标签:
加工技术
山东 - 潍坊 来源:中冶有色网 2023-03-18
锂电池电芯清洗机
锂电池电芯清洗机 732     
 0

本实用新型公开一种锂电池电芯清洗机,包括矩形架,所述矩形架上装配连接有若干个前后间隔设置的清洗组件;清洗组件包括电芯清洗筒管,所述电芯清洗筒管上开设有若干个条形通孔;电芯清洗筒管的左、右两端可拆卸装配连接有管盖体,管盖体转动连接在矩形架上;电芯清洗筒管的左右两端均设有环形装配凸缘;管盖体上设有与环形装配凸缘适配的安装凸缘,所述环形装配凸缘与安装凸缘之间通过若干个装配螺栓固定装配连接。采用上述装置部件设计不仅实现将在动态旋转方式将大量的锂电池电芯进行清洗,且上述装置部件设计清洗效率高,清洗充分,有效提高了锂电池的回收效率。

标签:
加工技术
山东 - 潍坊 来源:中冶有色网 2023-03-18
锂离子动力电池系统模组侧缝焊接工具

本实用新型属于侧缝焊接技术领域,公开了一种锂离子动力电池系统模组侧缝焊接工具,包括底座、侧挡板、螺杆和推块,所述底座两侧对称设置有两组侧挡板,所述底座的一端螺纹连接有螺杆,且螺杆的一端通过轴承转动安装有推块,两组所述侧挡板的内部皆开设有收纳槽,两组所述收纳槽内部皆开设有螺纹孔,且螺纹孔的内部皆套设有丝杆,两组所述丝杆朝向收纳槽的一端皆通过轴承转动安装有限位块;该锂离子动力电池系统模组侧缝焊接工具通过收纳槽、丝杆、弹簧、限位块和橡胶片的相互配合,提高了装置对不同板材的固定适应性,该锂离子动力电池系统模组侧缝焊接工具通过限位滑道、限位杆、螺孔和固定杆的相互配合,提高了装置固定稳定性。

标签:
加工技术
山东 - 潍坊 来源:中冶有色网 2023-03-18
动力锂离子电池的温度保护电路

本实用新型公开了一种动力锂离子电池的温度保护电路,包括温度检测电路,所述温度检测电路的输入端与热电阻连接;运算控制单元,所述运算控制单元与所述温度检测电路的输出端连接;对电池参数进行设定和读取的通讯单元,所述通讯单元与所述运算控制单元双向连接;串接于电池组主电路中的温度控制开关;连接于所述运算控制单元与所述温度控制开关之间的开关驱动电路,所述温度检测电路、所述运算控制单元、所述通讯单元和所述开关驱动电路集成在一个IC微处理器的内部。本实用新型动力锂离子电池的温度保护电路,解决了多节锂离子电池串联使用时,单体电池因温度过高而损坏的问题,且大大降低了生产成本,提高了生产效率。

标签:
加工技术
山东 - 潍坊 来源:中冶有色网 2023-03-18
动力锂离子电池的过放电保护电路

本实用新型公开了一种动力锂离子电池的过放电保护电路,其特征在于:包括电池保护IC单元,所述电池保护IC单元包括设置在串联电池组的各单节电池正负极两端的电池保护IC芯片,所述各电池保护IC芯片串接;用于控制所述串联电池组的放电电路通断的过放电控制开关,所述电池保护IC单元的放电控制用输出端子与所述过放电控制开关的控制端连接。本实用新型动力锂离子电池的过放电保护电路,解决了多节锂离子电池串联使用时,容易造成过放电损坏的问题。

标签:
加工技术
山东 - 潍坊 来源:中冶有色网 2023-03-18
气力流态化包覆装置及锂离子电池负极材料包覆工艺

本发明公开了一种气力流态化包覆装置,包括混合仓,混合仓上设有两个物料进口,两个物料进口分别连接的进料管道上均设置有进料阀;混合仓上分别设置有气流进口和气流出口,气流出口和气流进口之间设置有引风机,气流出口通过管道连接至引风机的进口,气流进口通过管道连接至引风机的出口;引风机的出口与气流进口之间的管道上连接有出料管,出料管上设置有出料阀;出料管与气流进口之间的管道上安装有控制阀,控制阀与气流进口之间的管道上连接有旁通管路,旁通管路上设置有旁通阀。本发明还公开了一种锂离子电池负极材料包覆工艺。本发明的气力流态化包覆装置及锂离子电池负极材料包覆工艺,包覆效果好、且对环境不会造成污染。

标签:
加工技术
山东 - 潍坊 来源:中冶有色网 2023-03-18
锂电池电芯干燥箱
锂电池电芯干燥箱 843     
 0

本实用新型公开了一种锂电池电芯干燥箱,属于锂电池生产设备技术领域,包括干燥箱体,所述干燥箱体内部设置有干燥筒和加热装置,所述干燥箱体外部的一侧通过氮气进气管道连通有氮气发生器,所述干燥箱体外部的另一侧通过氮气出气管道与大气连通;所述干燥箱体上设置有仪表盘,所述仪表盘上设置有电源开关、连通所述加热装置的加热控制器及计时控制器;所述氮气进气管道上设置有变色硅胶。本实用新型解决了现有电芯干燥箱因不断进行抽真空和充氮气置换造成加热时间长、能耗高、设备投资成本高的缺陷,具有极片含水量低、加热时间短且能耗低的优点。

标签:
加工技术
山东 - 潍坊 来源:中冶有色网 2023-03-18
用于低速电动车用锂电池加工工装

本实用新型公开了一种用于低速电动车用锂电池加工工装,包括侧方开口的箱体和夹持机构,所述箱体的两侧内壁靠近顶部的位置焊接有连接板,且两个连接板相对的一侧外壁上通过螺栓固定有同一个电动滑轨,所述电动滑轨的一侧外壁上滑动连接有滑块,且滑块的底部外壁上通过螺栓固定有液压油缸,所述液压油缸延长杆的一端焊接有挤压板,所述挤压板顶部外壁的一侧焊接有固定块,且固定块的一侧外壁上开有滑槽。本实用新型电动滑轨可以带动挤压板进行横向移动,液压油缸可以带动挤压板进行挤压操作,且滑动件可以在滑槽内移动,带动切割机进行切割工作,在对锂电池外壳压边完成后即可以开始切边,方便快捷。

标签:
加工技术
山东 - 潍坊 来源:中冶有色网 2023-03-18
治疗锂盐所致肾损伤的药物及其用途

本发明属于医药领域,具体涉及一种治疗锂盐所致肾损伤的药物及其用途。所述治疗锂盐所致肾损伤的药物的活性成分为它波宁和一种巯基抗氧化剂,其中巯基抗氧化剂优选为N‑乙酰半胱氨酸。所述药物优选为口服片剂,药用辅料优选为乳糖、微晶纤维素、羟丙纤维素、羧甲淀粉钠、硬脂酸镁、聚乙二醇6000、聚维酮。上述药物对锂盐所致肾损伤的肾脏病理改变及具体症状均具有改善作用。

标签:
加工技术
山东 - 潍坊 来源:中冶有色网 2023-03-18
含钽铌、锡石、长石、锂辉石的伟晶岩综合利用方法

本发明涉及选矿技术领域,具体涉及一种含钽铌、锡石、长石、锂辉石的伟晶岩综合利用方法。伟晶岩综合利用方法的步骤为原矿石进行破碎磨矿后,进行浮选、磁选、重选、浓缩、脱水、沉淀、澄清联合选矿工艺,可回收伟晶岩中所含的云母、钽铌矿、锡石、长石、锂辉石、建材砂等有价矿物资源,且可实现对锂辉石精矿和长石精矿产品等的高品质回收,综合回收利用率高,而且可实现尾矿与尾水接近零排放,还适合于大规模生产应用,可以保持较为稳定的选矿指标。

标签:
加工技术
山东 - 潍坊 来源:中冶有色网 2023-03-18
铁基锂离子提取材料的制备方法

本发明公开了一种铁基锂离子提取材料的制备方法,将分析纯氢氧化铝、氢氧化铁和磷酸二氢铵按比例混合后,常温下充分研磨形成研磨物;将制得的研磨物转入高温炉内烧结,冷却后得到的固体为铝的铁基化合物;将制得的铁基化合物粉碎成颗粒状,置于硝酸水溶液中,在恒温下震荡,分离出上清液后形成颗粒物;将制得的颗粒物过滤干燥,得到铁基锂离子提取材料。经过该方法制得的铁基锂离子提取材料具有高稳定性、合成简单和选择性好的特点。

标签:
加工技术
山东 - 潍坊 来源:中冶有色网 2023-03-18
防撞锂电池箱
防撞锂电池箱 1030     
 0

本发明公开了一种防撞锂电池箱,包括箱体,箱体外侧固设有缓冲箱,缓冲箱内盛装有依靠自身弹力缓冲外力作用的缓冲体。缓冲体为具有弹性的弹性球。缓冲箱为长度方向与箱体对应边侧延伸方向一致的空心外椭圆球。弹性球为长度方向与外椭圆球长度方向垂直设置的内椭圆球,相邻内椭圆球端部之间的间隙中设置有长度方向与内椭圆球长度方向一致的辅助椭圆球。内椭圆球为实体球或内充压缩气体的空心球。采用这种结构的防撞锂电池箱,结构合理,能够有效缓冲撞击力、为锂电池提供可靠保护,且成本较低。

标签:
加工技术
山东 - 潍坊 来源:中冶有色网 2023-03-18
双控式锂电池灭火装置
双控式锂电池灭火装置 1050     
 0

本实用新型公开了一种双控式锂电池灭火装置,包括电池箱,所述电池箱内设有电池管理系统、火情监测模块和灭火剂储盒,所述火情监测模块包括温度检测传感器、烟雾检测传感器和火焰检测传感器,所述电池管理系统和火情监测模块连接,所述电池管理系统设有电芯温度、模组温度、电流和电压设定值,所述电池管理系统和灭火剂储盒控制连接,所述灭火剂储盒内设有灭火剂喷射装置;本实用新型属于锂电池灭火装置领域,具体是一种改善传统灭火装置单一控制、存在电气元器件及电路损坏无法及时传输电池内部信号的问题。通过电池管理系统控制与自喷式两种形式激发粉盒中灭火剂喷射,可有效提高灭火系统的可靠性的双控式锂电池灭火装置。

标签:
加工技术
山东 - 潍坊 来源:中冶有色网 2023-03-18
提高电池一致性的锂离子动力电池的生产方法

本发明公开了一种提高电池一致性的锂离子动力电池的生产方法,将经过涂布、分切工艺后获得的正极片和负极片,按照每片的重量进行分档,然后对单节电池内正极片进行总重量控制:选取单节电池总数量值的一组正极片进行称量,可以全部是重量中间档的正极片,也可以是任意的至少两个档次的正极片的结合,根据测得的重量,选择将其中重量偏大的档次中的正极片用其它重量偏小的档次中的正极片替换,或选择将其中重量偏小的档次中的正极片用其它重量偏大的档次中的正极片替换,最终使该组正极片的总重量控制在规定的总重量范围值内。本发明通过对生产工艺的改进,极大的提高了锂离子动力电池的一致性,延长了电池使用寿命,保证了电池的安全使用。

标签:
加工技术
山东 - 潍坊 来源:中冶有色网 2023-03-18
锂离子电池断路器用焊接夹具

本发明提出了一种锂离子电池断路器用焊接夹具。本发明包括底座和夹持板,底座上设有多数个操作平台;夹持板设置于底座的顶部,夹持板上设有用于夹持复合带的夹持部,夹持部的两侧分别设有用于放置镍片的放置槽,夹持板上还设有与操作平台相适配通孔,待焊接的复合带与待焊接的镍片的连接处位于通孔内。本发明通过夹持部上的通孔在操作平台上完成了锂离子电池断路器的间接焊接,所得锂离子电池断路器的表面平整,保证了焊接产品的外观,焊接强度得到了大大提升;复合带和镍片放置稳固,镍片与复合带配合紧密,焊接时无缝隙和偏斜,焊接良品率高,使产品尺寸得到了保证;另外,可自由设置夹持部、放置槽和通孔的数量,从而实现批量作业。

标签:
加工技术
山东 - 潍坊 来源:中冶有色网 2023-03-18
氯化锂溶液再生装置
氯化锂溶液再生装置 736     
 0

一种氯化锂溶液再生装置,包括缓冲罐、气水分离器、真空泵、板式换热器、溶液浓缩罐、浓缩液输出水泵和高温溶液输入水泵,溶液浓缩罐中间的接口与高温溶液输入水泵的出口连接,溶液浓缩罐的底部出口与浓缩液输出水泵的入口连接;溶液浓缩罐顶端的出口串联板式换热器的初级通道后,与气水分离器入口连接;气水分离器的气体出口与真空泵的入口连接,在真空泵的出口装有止回阀;气水分离器的水出口通过一个阀门与缓冲罐的入口连接,缓冲罐的出口与一水泵的入口连接;板式换热器的次级通道与外循环回路连接。优点是:利用真空泵在浓缩罐、缓冲罐内形成负压,对经氯化锂溶液中的水分气化,实现氯化锂溶液的浓缩,降低了能耗,节约了能源。

标签:
加工技术
山东 - 潍坊 来源:中冶有色网 2023-03-18
动力锂离子电池的过充电保护电路

本实用新型公开了一种动力锂离子电池的过充电保护电路,其特征在于:其包括电池保护IC单元,所述电池保护IC单元包括设置在串联电池组的各单节电池正负极两端的电池保护IC,所述各电池保护IC串接;用于控制所述串联电池组的充电电路通断的过充电控制开关,所述电池保护IC单元的充电控制用输出端子与所述过充电控制开关的控制端连接。本实用新型动力锂离子电池的过充电保护电路,解决了多节锂离子电池串联使用时,容易造成过充电损坏的问题。

标签:
加工技术
山东 - 潍坊 来源:中冶有色网 2023-03-18
锂离子电池电极用水性粘合剂及其制备方法

一种锂离子电池电极用水性粘合剂及其制备方法,所述水性粘合剂具体配方,以重量份计包括:10~60份水溶性酰胺类聚合物水溶液、0.01~12份含氨基水溶性聚合物、0~60份树脂乳液、0.1~6份分散剂、0.1~5份流平剂、0~4份增粘剂、0.1~2份抗氧化剂、50~95份去离子水。采用本发明得到的锂离子电池电极用水性粘合剂,制备出的电极极片,剥离强力4.6~5.1mN/mm,由电极极片组装出的锂离子电池,首次放电容量480mAh,首次库存效率90~93%,充放电循环50周后,容量保持率90.8~92.7%,极片膨胀率38.4~41.3%。

标签:
加工技术
山东 - 潍坊 来源:中冶有色网 2023-03-18
动力锂离子电池
动力锂离子电池 1109     
 0

本发明公开了一种动力锂离子电池,其主要技术 要点是,按重量百分比该动力锂离子电池中的正极活性材料由 以下组份组成: LiMn2O420%~90%;LiCoO210 %~80%,优选为: LiMn2O460%~80%;LiCoO220 %~40%。该动力锂离子电池不仅能够兼顾高温循环性能和安 全性能,而且也具备相当的价格优势。多片同等数量的正负极 片按照异性极片相邻且每两片相邻的异性极片之间均以隔膜 相隔的顺序叠放并卷绕成筒状,相同极性的极片之间电并联, 从而在同等电池容量的情况下,降低了单片极片的制备难度, 提高了在卷绕过程中的整齐性,减小了电池的内阻,提高了电 池的功率。

标签:
加工技术
山东 - 潍坊 来源:中冶有色网 2023-03-18
锂离子电池化成产气检测装置

本实用新型公开了一种锂离子电池化成产气检测装置,包括底座,底座上方一侧设置有玻璃瓶,另一侧设置有产气量检测装置,玻璃瓶与产气量检测装置之间设置有第二橡皮管,玻璃瓶与产气量检测装置通过第二橡皮管相连通,玻璃瓶上设置有检测连接组件,玻璃瓶通过检测连接组件与待检测锂离子电池连接,本实用新型结构简单,操作容易,成本低,同时能够准确检测锂离子电池化成产气量及产气时间。

标签:
加工技术
山东 - 潍坊 来源:中冶有色网 2023-03-18
耐热阻燃锂离子电池用复合隔膜

本发明适用于锂离子电池技术领域,提供了一种耐热阻燃锂离子电池用复合隔膜,包括如下重量份数的原料:有机隔膜基材55~89份,桥联剂1~15份,无机填料10~40份;所述有机隔膜基材的分子中含有氢键官能团,所述桥联剂的分子中含有可与氢键结合的官能团,所述无机填料的分子可与有机隔膜基材、桥联剂的混合溶液形成氢键。借此,本发明的复合隔膜为无机/有机杂化材料,具有优良的阻燃性能、耐高温性能、电解液吸液率和保持率,还具有较高的孔隙率,有利于提高锂离子电池的安全性和电化学性能。

标签:
加工技术
山东 - 潍坊 来源:中冶有色网 2023-03-18
金属外壳胶体锂离子电池的原位聚合制备方法

本发明公开了一种金属外壳胶体锂离子电池的原位聚合制备方法,包括以下步骤:1.制备外壳:用金属材料分别制作电池壳和电池帽,在电池帽上开设注液孔;2.制备电池芯;3.封装:将电池芯装入电池壳中,将电池帽焊接或粘接到电池壳上;4.聚合物单体、自由基引发剂和电解液的混合溶液配制;5.注液:将混合溶液由电池帽上的注液孔真空注入到电池壳内,然后密封注液孔;6.原位热聚合胶化处理:在30℃-100℃温度下加热1小时-72小时,形成胶体聚合物电解质。本发明满足动力电池对锂离子电池耐热性、散热性、安全性、可靠性以及服役期等方面的较高要求,同时又适应原常规液态金属外壳锂离子电池生产工艺,以降低成本,提高生产效率。

标签:
加工技术
山东 - 潍坊 来源:中冶有色网 2023-03-18
具有自保功能的锂电池模组

本实用新型公开了一种具有自保功能的锂电池模组,包括锂电池模组的外壳,所述外壳的一端滑动连接有端盖,所述端盖上通过螺栓固定于外壳的一端,所述外壳内部靠近端盖的一端设置有散热装置,所述外壳内部中间位置设置有锂电池电芯,所述锂电池电芯外壁包裹有固定架,所述固定架与外壳之间设置有减震装置。该具有自保功能的锂电池模组设置散热装置,通过散热装置将固定架内间隙中的热量吹出,从而可较好的对锂电池模组内部进行散热,通过减震装置对锂电池电芯进行减震,从而减少了在振动的环境中,松散的组装结构会导致组合式锂电池中的锂电池彼此碰撞。

标签:
加工技术
山东 - 潍坊 来源:中冶有色网 2023-03-18
固定锂离子动力电池系统电器元件的固定装置

本实用新型公开了一种固定锂离子动力电池系统电器元件的固定装置,涉及新能源技术领域,第一凹槽内部设置有第一弹力装置,第一凹槽远离第一弹力装置的一端设置有解锁按钮;支撑段位于第一弹力装置与解锁按钮之间,固定段的一端与支撑段连接,固定段沿着限位通道延伸;固定槽由固定段靠近固定壳外壁的一面向固定段靠近固定壳内壁的一面凹陷;限位凹槽内部设置有限位块,限位块与限位凹槽的底部之间设置有第二弹力装置。集成固定装置用于固定辅助锂离子电池充放电的各种辅助元件和电路板,使得各个辅助元件可以统一固定与集成,进而使得锂离子动力电池内部的空间可以的到充分利用,也方便了各组件的更换,使得电池维修效率大大增加。

标签:
加工技术
山东 - 潍坊 来源:中冶有色网 2023-03-18
上一页 12 13 14 15 16 ... 18 下一页
共18页    到第

中冶有色为您提供最新的山东潍坊有色金属加工技术理论与应用信息,涵盖发明专利、权利要求、说明书、技术领域、背景技术、实用新型内容及具体实施方式等有色技术内容。打造最具专业性的有色金属技术理论与应用平台!

全国热门有色金属设备推荐
展开更多 +
全国热门有色金属技术推荐
展开更多 +

 

江西省隆恩特环保设备有限公司
宣传

报名参会
更多+

报告下载

有色专家
更多+

长沙矿冶研究院有限责任公司
中国工程院院士
广西大学
处长/教授
矿冶科技集团有限公司工程公司
副总经理
矿冶科技集团
副所长/研究员
任灵宝金源矿业股份有限公司
技术发展部经理
赤泥综合利用研究报告2025
推广

热门技术
更多+

推荐企业
更多+

福建省金龙稀土股份有限公司
宣传

发布

在线客服

公众号

电话

顶部
咨询电话:
010-88793500-807