青岛垚鑫智能科技有限公司
宣传

位置:中冶有色 >

有色技术频道 >

> 新能源材料技术

分类:
全部
矿山技术
冶金技术
材料制备及加工技术
环境保护技术
分析检测技术
 
全部
功能材料技术
复合材料技术
新能源材料技术
合金材料技术
加工技术
地区:
全部
北京
天津
上海
重庆
河北
山西
辽宁
吉林
黑龙江
江苏
浙江
安徽
福建
江西
山东
河南
湖北
湖南
广东
海南
四川
贵州
云南
陕西
甘肃
青海
内蒙
广西
西藏
宁夏
新疆
其他
其他
展开
 
全部
杭州
宁波
温州
绍兴
湖州
嘉兴
金华
衢州
台州
丽水
舟山

浙江杭州有色金属新能源材料技术理论与应用

免费发布技术信息>>
同步坐标系下无锁相环的DFIG控制方法

本发明公开了一种同步坐标系下无锁相环的DFIG控制方法,其通过对DFIG输出有功及无功功率进行误差调节以及解耦补偿后,生成转子电压指令以对DFIG转子变流器进行控制;该方法去除了以跟踪电压相位角、提取正序电压幅值的锁相环环节,简化了控制系统设计的流程,并有效降低计算机控制系统的计算负担;同时,本发明DFIG控制方法对频率偏差、电机参数不准确具有良好的适应性,并仍能提供良好的功率跟踪能力;且亦可应用于太阳能、生物质能等新能源并网发电、交流传动等PWM变换器。

标签:
新能源
浙江 - 杭州 来源:中冶有色网 2023-03-18
带有弹性放大机构的高效宽频带振动能量采集器

本发明公开一种带有弹性放大机构的高效宽频带振动能量采集器,属于新能源和发电技术领域。振动能量采集器由壳体、弹性放大机构、悬臂梁压电振子和弹簧-质量系统组成;所述的壳体由4块轻质金属板用螺钉固定在上端盖、下端盖之间形成一个四面体,所述的轻质金属板设有用于固定悬臂梁压电振子的U型连接座;所述的弹性放大机构由弹簧元件和阻尼元件组成,弹性放大机构通过螺钉固定在基座与壳体之间;所述的悬臂梁压电振子是由上压电陶瓷晶片、下压电陶瓷晶片、金属基板和磁铁组成,金属基板的顶部粘接有上压电陶瓷晶片、底部粘接有下压电陶瓷晶片,金属基板的一端用螺钉固定在U型连接座上,另一端安装有磁铁;所述的弹簧-质量系统由拉簧、压簧和质量块构成,所述的拉簧的一端与上端盖底面连接,所述的压簧的一端与下端盖顶面连接,所述的拉簧和压簧的另一端分别与质量块连接,所述质量块的四周镶嵌磁铁;所述压电振子端部的磁铁与镶嵌在质量块四周的磁铁的反性磁极相对安装。优点在于:可以放大基座的微弱振动位移的幅度,提高压电振子的发电能量和转换效率,可以实现高效、宽频带的能量采集与转换。

标签:
新能源
浙江 - 杭州 来源:中冶有色网 2023-03-18
追踪式太阳能发电系统

本发明涉及新能源技术,尤其涉及太阳能光伏发电领域。一种追踪式太阳能发电系统,该发电系统包括收集器、蓄电池和追踪控制系统;所述的收集器包括太阳能电池板、固定横杆、X型固定支架、第一调节杆、第二调节杆、第一调节气缸和第二调节气缸,所述的太阳能电池板通过固定横杆固定设置在X型固定支架上;蓄电池连接所述的太阳能电池板,追踪控制系统控制第一调节气缸和第二调节气缸工作;该太阳能发电系统可随着太阳能直射方向改变而随动的,提升太阳能利用效率。

标签:
新能源
浙江 - 杭州 来源:中冶有色网 2023-03-18
利用热网储能提高供暖期电网调峰调频性能的系统

本发明公开了一种利用热网储能提高供暖期电网调峰调频性能的系统,包括机组负荷检测模块、快关阀开度模块、机组负荷分析控制模块、机前压力检测模块、燃料供给模块、供热机组、热网蓄能装置、供热模块、快变控制模块和慢变控制模块。本发明能够通过对机组AGC、协调控制系统进行优化、调试,使机组负荷升/降速率和一次调频性能得到显著提升,整个控制系统协同动作,燃料、一次风、给水、减温水、凝结水优势互补协同动作,增强适应负荷指令、燃料量、运行方式变化的能力,在提高电网调度容量可以接纳更多可再生能源接入电网,同时在大量接受新能源电量时,系统仍然有可靠的调峰调频能力。

标签:
新能源
浙江 - 杭州 来源:中冶有色网 2023-03-18
源-网-荷-储交直流系统综合优化调控方法和装置

本发明公开了一种源‑网‑荷‑储交直流系统综合优化调控方法和装置。本发明的综合优化调控方法包括:建立源‑网‑荷‑储交直流系统典型运行场景,并确定各典型场景的概率;建立源‑网‑荷‑储交直流系统综合优化目标函数;确立源‑网‑荷‑储交直流系统的约束条件;基于粒子群算法建立源‑网‑荷‑储交直流系统优化调控模型,获取每个典型场景下的优化计算结果;根据每个典型场景的优化计算结果确定源‑网‑荷‑储交直流系统的最终运行参数。本发明根据风电、光伏实时波动的特性,实现了对含有新能源、储能、燃气机组、交流负荷和直流负荷的交直流系统的优化运行,提升了整体交直流系统运行的经济性或减少碳排。

标签:
新能源
浙江 - 杭州 来源:中冶有色网 2023-03-18
追踪式柔性光伏支架结构的气弹试验装置

本发明涉及新能源光伏发电工程的抗风设计领域,特别是涉及一种追踪式柔性光伏支架结构的气弹试验装置。本发明所提供的追踪式柔性光伏支架结构的气弹试验装置通过设置预应力施加装置能够保证柔性光伏支架结构气弹试验中不同水平拉索预应力的有效施加,通过设置升降装置可以实现组件布置倾角的连续无极调节,可以同时满足单排光伏组件和多排光伏阵列结构气弹试验的需要,为不同结构规格参数下的追踪式柔性光伏支架结构的抗风设计提供气弹试验技术支撑。此外,本发明所提供的追踪式柔性光伏支架结构的气弹试验装置在其底部设置滑轮,能够满足不同入射方位角的太阳光,从而实现对各个季节下太阳光的入射追踪。

标签:
新能源
浙江 - 杭州 来源:中冶有色网 2023-03-18
电动车平台化的前舱结构

本发明公开了一种电动车平台化的前舱结构,涉及新能源汽车技术领域;包括两个门槛,所述门槛一端均设有A柱,所述A柱的下端和门槛固接,所述门槛靠近A柱的一端均设有前纵梁,所述前纵梁靠近门槛的一端同时和门槛和A柱固接,所述前纵梁之间设有前舱横梁,所述前舱横梁两端和对应前纵梁固接;上述前舱结构还包括呈四边形的前副车架;所述前副车架靠近门槛一侧的两端均固接有一个长支脚和一个短支脚;所述长支脚远离前副车架的一端和门槛固接,所述短支脚远离前副车架的一端和前舱横梁固接;所述前副车架远离门槛一侧的两端分别和对应的前纵梁固接。本发明安全性好,可快速开发多平台。

标签:
新能源
浙江 - 杭州 来源:中冶有色网 2023-03-18
电动汽车运动-传动-能源系统一体化控制方法

本发明公开了电动汽车运动‑传动‑能源系统一体化控制方法,属于新能源汽车的智能控制领域。现有技术缺乏既能考虑车辆一体化动力学模型,又能综合处理系统约束条件、满足车辆实时性决策需求的策略;本发明将现有技术中通常分开独立考虑的两个问题集成,更符合车辆运动过程中机械能、电能等能量转化过程中的能量守恒定律,还原了车辆物理系统作为一个整体的内在耦合性。通过预测控制涉及的一体化控制器,既能实现一定程度的性能优化,又可以对系统约束条件统一考虑。

标签:
新能源
浙江 - 杭州 来源:中冶有色网 2023-03-18
提高电解液分布均匀性的液流电池及电极结构和方法

本发明公开了一种提高电解液分布均匀性的液流电池及电极结构和方法,属于新能源储能领域。本发明中的液流电池电极结构是通过对电极的布置结构进行创造性地改进,并根据电极的布置设计中间进液、四周出液的供液方式。该电极结构及基于其设计的液流电池能有效提高电解液的分布均匀性,提高电极的反应活性面积及电解液渗透性,从而提高电解液利用率和功率密度。

标签:
新能源
浙江 - 杭州 来源:中冶有色网 2023-03-18
考虑互动响应的多微网互联运行协调调度优化方法

一种考虑互动响应的多微网互联运行协调调度优化方法,包括如下步骤:在日前优化过程,对系统进行初始化并获取相关参数,各微电网根据初始信息独立求解各自的优化策略。然后微电网群内进行信息交互,共享各自获得的最优策略,并对系统状态信息进行更新,由系统控制中心判断是否达到纳什均衡。进入日内优化阶段,对风光出力及负荷需求进行短时预测。在单个微电网内,输入短时预测数据建立优化模型,对系统进行滚动优化并且求解。求解完成后,选取控制时域内的所有控制变量作为实际调度方案,等待下一优化周期的到来,并重复上述优化过程。该发明可以有效提高微网对新能源的消纳能力以及故障时的系统可靠性,并在一定程度上增加微电网的经济利益。

标签:
新能源
浙江 - 杭州 来源:中冶有色网 2023-03-18
基于交替梯度算法的电网概率潮流计算方法

本发明公开了一种基于交替梯度算法的电网概率潮流计算方法,随着我国智能电网发展迅速,分布式新能源等不确定性因素增多且互相具有一定相关性,这些随机变量之间的相关矩阵可能是非正定的,此情况导致对电网潮流计算更为困难。本发明针对此情况,采用交替梯度算法将非正定矩阵转化为正定矩阵,并与基于Cholesky分解的相关性处理方法秩变换法衔接,解决了由于随机变量相关矩阵非正定而导致的Cholesky分解无效的问题,使得用于概率潮流中的基于Cholesky分解处理的相关性方法更加完善。此外改进的交替梯度算法具有较快的收敛速度和良好的精确度,本发明为电网的不确定波动性概率潮流计算提供了一种行之有效的方法。

标签:
新能源
浙江 - 杭州 来源:中冶有色网 2023-03-18
方形电池模组嵌入式的热管理装置

本发明涉及新能源技术领域,尤其是涉及一种方形电池模组嵌入式的热管理装置。一种方形电池模组嵌入式的热管理装置,包括模组壳体和设置在模组壳体上的隔板,模组壳体内设置有主流道,隔板内设置有与主流道连通的侧流道,隔板与模组壳体之间形成用于放置电池单体的水冷腔,所述的模组壳体的一侧设置有与主流道连通的进液管,所述的模组壳体的另一侧设置有与主流道连通的出液管,主流道的底面上对应侧流道处设置有缓冲导流装置,所述的缓冲导流装置包括导流板,所述的导流板上远离进液管的一侧设置有复位弹簧,所述的导流板的底端转动连接在模组壳体上。本发明能够增大电池散热面积,提升电池散热效率,提升模组组装的集成度。

标签:
新能源
浙江 - 杭州 来源:中冶有色网 2023-03-18
基于电流优化策略的液流电池系统控制方法

本发明公开了一种基于电流优化策略的液流电池系统控制方法,属于新能源储能领域。本发明根据预设的液流电池系统中电解液流速及传质放大倍数,通过与集流体外接的充放电设备对液流电池系统进行充电或放电;在充电或放电过程中,实时检测电堆内部的荷电状态变化,并实时反馈控制液流电池系统的工作电流。本发明中所述的液流电池系统电流优化策略及控制方法是通过保持流量处于较低水平而在充放电末期采用较小的电流密度的方式,对于系统优化策略进行创造性地改进,除了能有效降低充放电末期的欧姆电阻以达到更理想的电解液利用率之外,还能有效降低电堆与储液罐之间电解液荷电状态的差异,具有流量优化所不具有的优势。

标签:
新能源
浙江 - 杭州 来源:中冶有色网 2023-03-18
风光热电力互补系统
风光热电力互补系统 1146     
 0

本发明公开了一种风光热电力互补系统,该系统包括光热发电单元、光伏发电单元、风力发电单元;光热发电单元是整个系统的发电主体,布置在整个系统所处站址的中央区域,包括镜场、吸热塔、吸热器、冷熔盐储罐、热熔盐储罐以及附属装置;光伏发电单元包括光伏阵列、聚光光伏板、第一能量单元,光伏发电单元的电能直接用于光热发电单元的在线厂用电;风力发电单元包括第二能量单元、风力发电机群,风力发电机群设置在整个系统的外围周侧,风力发电单元的电能直接用于光热发电单元的离线厂用电。本发明实现对多种新能源的互补利用,将光伏及风电等间歇性、不稳定的电力转换为稳定的光热电力,实现了电力品质的优化。

标签:
新能源
浙江 - 杭州 来源:中冶有色网 2023-03-18
无人驾驶接送车及其智能网联服务系统

本发明公开了一种无人驾驶接送车和一种无人驾驶接送车智能网联服务系统。所述无人驾驶接送车包括车体、自动驾驶系统、新能源供电系统、智能车载终端和无线通信端,还包括视频通话系统和乘客身份识别模块;所述无人驾驶接送车智能网联服务系统包括客户移动终端应用程序APP、无人驾驶接送车智能车载终端、无人驾驶接送车固定接送站及终端、云服务器和乘务中心,还包括所述服务系统的无线通信网络;本技术方案的实施,能够最大限度地发挥城市道路空间的容量,显著改善城市的交通拥堵;可以创建更丰富的乘客出行服务场景,为乘客提供各种高效便捷、个性化、场景化的全新的乘车体验。

标签:
新能源
浙江 - 杭州 来源:中冶有色网 2023-03-18
储能模块的自动接收、传送和自动充电装置

本发明公开了一种储能模块的自动接收、传送和自动充电装置,包括:固定模块、移动模块、储能模块放置模块和充电模块,所述移动模块和充电模块安装在固定模块上,所述储能模块放置模块安装在移动模块上,所述储能模块放置模块随着移动模块进行前后、左右和上下的移动,完成储能模块的接收和传送;当储能模块放置模块接收到储能模块后,通过移动模块将储能模块放置到充电模块上,对储能模块进行充电,当充电完成后,通过移动模块将储能模块传送给其他装置。本发明储能模块自动充电装置结构设计合理、安装维护方便、信号响应速度快、可直接应用于新能源汽车智能充电系统中储能模块的接收、传送以及其自动充电。

标签:
新能源
浙江 - 杭州 来源:中冶有色网 2023-03-18
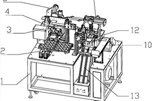
锂电池加工设备
锂电池加工设备 780     
 0

本发明涉及新能源生产技术领域。锂电池加工设备,包括机架及其上的升降送料装置、进料输送带装置、上料搬运机械手装置、空料盘平移装置、移料装置、定位夹紧台、检验和操作机构、下料搬运机械手装置和成品出料装置。该锂电池加工设备的优点是自动完成电池上料、电池检验和电池装回料盘操作,操作简单,加工效率高。

标签:
新能源
浙江 - 杭州 来源:中冶有色网 2023-03-18
贵金属@Pd外延异质结构电催化剂及其制备方法和应用

本发明涉及新能源材料技术领域,具体为一种贵金属@Pd外延异质结构电催化剂及其制备方法和应用,所述贵金属@Pd外延异质结构电催化剂的贵金属纳米团簇被纳米限域在Pd纳米片上。通过外延生长方法制备了一种异质结构贵金属@Pd电催化剂,在Pd纳米片上形成了纳米限域的贵金属纳米团簇,表现出优异的HOR性能。

标签:
新能源
浙江 - 杭州 来源:中冶有色网 2023-03-18
综合能源系统电热储能容量配置方法及终端

本发明涉及新能源技术领域,尤其涉及一种综合能源系统电热储能容量配置方法及终端,本发明方法首先获取多个目标模型;然后,基于所述综合能源系统的架构,建立以最小消耗为目标的目标函数;接着,根据所述多个目标模型,建立表征所述综合能源系统功率平衡运行状态的约束;最后,根据改进粒子群算法对所述约束进行求解,确定与所述电源集线器、热源集线器连接的设备的容量。本发明方法可以提升系统整体的运行稳定性与经济性,在风电出力高峰期且电负荷需求较小时,能够减少弃风现象的发生,此时通过热电联产机组降低发电功率,同时电锅炉增大用电量,蓄热罐将电锅炉多产生的热量存储起来,共同促进风电消纳。电储能方面,在用电负荷较少的时段,电储能可以通过充电存储冗余风电,在用电高峰期释放电能,缓解供电压力。

标签:
新能源
浙江 - 杭州 来源:中冶有色网 2023-03-18
重卡侧换电的电池框架双锁付装置

本发明涉及一种重卡侧换电的电池框架双锁付装置,包括:支座组、左双锁付机构、右双锁付机构,所述的支座组包括左支座与右支座;所述的左双锁付机构固定在左支座上;所述的右双锁付机构固定在右支座上。本发明主要用于新能源重卡电池组框架放置锁止固定,可防止重卡在行驶过程中造成电池组框架的松动或掉落,从而提高了电池组框架的稳定性和安全性。

标签:
新能源
浙江 - 杭州 来源:中冶有色网 2023-03-18
两用燃料汽车的故障处理方法、汽车、终端和存储介质

本发明属于新能源汽车技术技术领域,涉及一种两用燃料汽车的故障处理方法、汽车、车载终端和计算机可读存储介质。其中,两用汽车的故障处理方法,包括:获取燃料泵信息,燃料泵信息包括电流信息、信号反馈延迟时长和燃料压力信息中的至少一项,在燃料泵信息符合故障条件时,获取与燃料泵信息对应的故障信息,根据故障信息进行展示控制和/或燃料模式切换控制。因此,本发明能够实时监控两用汽车的工作状况,当燃料泵出现故障时,够准确诊断具体问题所在并执行应对操作,如切换车辆的燃料模式,使得在保证车辆正常行驶的同时,将诊断出的故障模式进行显示,方便用户直观认识故障所在,同时方便维修人员故障进行排查和维修。

标签:
新能源
浙江 - 杭州 来源:中冶有色网 2023-03-18
自动转动的太阳能光伏板追日装置

本发明涉及新能源技术领域,且公开了一种自动转动的太阳能光伏板追日装置,包括支架,所述支架的顶部转动安装有第一转轴,所述第一转轴的的顶部固定安装有壳体,所述壳体的顶部开设有第一空腔,所述第一空腔的底部开设有第二空腔,所述第二空腔的底部固定安装有固定光伏板,所述第一空腔的底部开设有第三空腔,所述第三空腔的底部固定安装有海绵;通过杠杆原理、早上水汽凝结与海绵吸水的特性,实现了装置自动带动光伏板转动进行追日,达到了提高光伏组件对太阳光的吸收效率,提高发电效率,同时使用纯机械结构,无需外接电源,无需传感器和控制程序作为启动装置,能够节省电能,结构简单,维护成本较低的效果。

标签:
新能源
浙江 - 杭州 来源:中冶有色网 2023-03-18
表面修饰层状双金属氢氧化物电极材料的制备方法及应用

本发明涉及新能源材料技术领域,尤其涉及一种表面修饰层状双金属氢氧化物电极材料的制备方法及应用,包括以下步骤:(1)将碳布亲水化处理;(2)在金属盐溶液中加入尿素和亲水化的碳布,密闭条件下加热反应,得到LDH/CC复合材料;所述金属盐溶液中所含金属离子选自Ni2+、Co2+、Fe2+和Zn2+的一种或两种组合;(3)在TCPP(Fe)溶液中加入LDH/CC复合材料,密闭条件下加热反应,得到LDH/CC‑TCPP(Fe),即为表面修饰层状双金属氢氧化物电极材料。本发明制备的LDH/CC‑TCPP(Fe)电极材料具有高比表面积,高活性位点暴露,高稳定性,在柔性器件领域具有广阔的应用前景。

标签:
新能源
浙江 - 杭州 来源:中冶有色网 2023-03-18
电梯能源分配系统
电梯能源分配系统 995     
 0

本发明公开了一种电梯能源分配系统,包括若干电梯控电模块,所述电梯控电模块的交流端与电网相连,所述电梯控电模块的直流端与总储电模块相连;所述电网和总储电模块之间通过双向整流器连接;所述双向整流器靠近电网的一端连接有客户侧用电设备,所述双向整流器靠近总储能模块的一端接入有新能源。本发明通过整合电网电能和再生电能,在直接为电梯动力系统供电之外,还能给电梯的控制系统、井道照明和轿厢照明供电,在再生电能富余时还能给电梯所在的建筑的用电设备进行供电,能够有效提高电梯的能源利用率,降低电网电能消耗。

标签:
新能源
浙江 - 杭州 来源:中冶有色网 2023-03-18
动力锂电池电芯封装铝壳装置

本发明涉及新能源锂电池生产领域,尤其涉及一种动力锂电池电芯封装铝壳装置。一种动力锂电池电芯封装铝壳装置,该装置包括机架组件、第二工作台、铝壳送料装置和铝壳搬运装置;第二工作台固定设置在机架组件上,在第二工作台中完成将电芯与铝壳压紧的工序,铝壳送料装置固定设置在机架组件上,设置在第二工作台旁,输送用于加工的铝壳,铝壳搬运装置固定设置在第二工作台上,能左右移动,将铝壳送料装置上的铝壳搬运到第二工作台上加工;该装置完成电芯装入铝壳内,提高了自动化水平,使方形锂电池的生产更加智能化。

标签:
新能源
浙江 - 杭州 来源:中冶有色网 2023-03-18
自净化的燃料电池系统及自净化方法

本发明涉及一种自净化的燃料电池系统及自净化方法,属于新能源利用技术领域,具体用于燃料电池系统内部的自我净化。本发明包括阳极和阴极,阳极和阴极之间形成一个用于存放电解质的容纳空间,其结构特点在于:还包括电力负荷控制装置、超声波发生器、臭氧发生器、超声波传输管道、臭氧传输管道、燃料传输管道和空气传输管道,阳极和阴极均与电力负荷控制装置连接,超声波发生器通过超声波传输管道与阳极连接,臭氧发生器通过臭氧传输管道与阳极连接,燃料传输管道与阳极连接,空气传输管道与阴极连接。延长了燃料电池系统的生命周期,提高了系统运行效率。

标签:
新能源
浙江 - 杭州 来源:中冶有色网 2023-03-18
基于三角综合评估的新型能源供给系统优化配置方法

本发明提供了一种基于三角综合评估的新型能源供给系统优化配置方法,其首先选取负荷失电率、负荷失热率、系统年化成本和能量过剩率作为新型能源供给系统电热供应稳定性、经济性和新能源利用情况三方面的评估指标,建立三角综合评估模型,并设定三角综合评估模型的面积为优化配置方法的目标函数;然后以三角综合评估模型的面积最大为目标,服从约束条件,建立新型能源供给系统的优化数学模型;最后采用分层迭代算法,求解出新型能源供给系统的最优配置方案,并通过实际算例验证了该优化方法的正确性和可行性,优化配置方案可以满足偏远地区电力热力的刚性需求,并有利于能源供给系统自身的经济运行和可再生能源的高效利用。

标签:
新能源
浙江 - 杭州 来源:中冶有色网 2023-03-18
基于物联网的生物质燃料制备方法

本发明属于新能源领域,具体涉及一种基于物联网的生物质燃料制备方法,其包括步骤干燥及粉碎处理A类生物质原料和B类生物质原料,将上述生物质原料投入压制设备成型得到半成品的生物质压块,将上述生物质压块装箱并搬运至运载车辆上,在将半成品运送至客户目的地的途中,在所述运载车辆上进行生物质压块的风干作业,并且根据物联数据和信息调整压制成型时用的A类生物质原料和/或B类生物质原料的量,本发明所述方法优化了制造流程,且利用本发明所述方法制造出来的生物质燃料结构紧实,不易破碎,易于运输和保存。

标签:
新能源
浙江 - 杭州 来源:中冶有色网 2023-03-18
动力锂电池电芯封装计数装置

本发明涉及新能源锂电池生产领域,尤其涉及一种动力锂电池电芯封装计数装置。一种动力锂电池电芯封装计数装置,该装置包括机架组件、第二工作台、铝壳送料装置、铝壳搬运装置、电池运出装置、成品落料装置和控制组件;铝壳送料装置固定设置在机架组件上,设置在第二工作台旁,能左右移动;电池运出装置能将加工完的成品从第二工作台中移出,送到成品落料装置中,成品落料装置固定设置在机架组件上,用于承接电池运出装置的成品,完成出料;该装置完成电芯装入铝壳内,并计数出料,提高了自动化水平,使方形锂电池的生产更加智能化。

标签:
新能源
浙江 - 杭州 来源:中冶有色网 2023-03-18
电动汽车电池箱对中更换装置

本发明属于新能源汽车电池更换装置应用技术领域,尤其涉及一种电动汽车电池箱对中更换装置。一种电动汽车电池箱对中更换装置,该更换装置包括对中装置和更换推送装置,更换推送装置设置在对中装置上,对中装置包括载物台、对中安装杆、延伸安装杆和对中摄像头;本发明对中更换装置能够方便快速的实现对中,完成电动汽车电池箱的更换,使得电动汽车不需要等待充电,节约了时间,提高了工作效率。

标签:
新能源
浙江 - 杭州 来源:中冶有色网 2023-03-18
上一页 12 13 14 15 16 ... 71 下一页
共71页    到第

中冶有色为您提供最新的浙江杭州有色金属新能源材料技术理论与应用信息,涵盖发明专利、权利要求、说明书、技术领域、背景技术、实用新型内容及具体实施方式等有色技术内容。打造最具专业性的有色金属技术理论与应用平台!

全国热门有色金属设备推荐
展开更多 +
全国热门有色金属技术推荐
展开更多 +

 

江西省隆恩特环保设备有限公司
宣传

报名参会
更多+

报告下载

有色专家
更多+

郑州大学
中国工程院 院士
矿冶科技集团江苏北矿金属循环利用科技有限公司
书记 / 总经理
江西理工大学
副校长/教授
长沙矿冶研究院
总经理
矿冶科技集团
中国工程院院士
赤泥综合利用研究报告2025
推广

热门技术
更多+

推荐企业
更多+

福建省金龙稀土股份有限公司
宣传

发布

在线客服

公众号

电话

顶部
咨询电话:
010-88793500-807