青岛垚鑫智能科技有限公司
宣传

位置:中冶有色 >

有色技术频道 >

> 复合材料技术

分类:
全部
矿山技术
冶金技术
材料制备及加工技术
环境保护技术
分析检测技术
 
全部
功能材料技术
复合材料技术
新能源材料技术
合金材料技术
加工技术
地区:
全部
北京
天津
上海
重庆
河北
山西
辽宁
吉林
黑龙江
江苏
浙江
安徽
福建
江西
山东
河南
湖北
湖南
广东
海南
四川
贵州
云南
陕西
甘肃
青海
内蒙
广西
西藏
宁夏
新疆
其他
其他
展开
 
全部
南昌
九江
上饶
抚州
宜春
吉安
赣州
景德镇
萍乡
新余
鹰潭

江西南昌有色金属复合材料技术理论与应用

免费发布技术信息>>
基于多壁碳纳米管的水泥基复合材料及其制备方法

本发明提供了一种基于多壁碳纳米管的水泥基复合材料及其制备方法,涉及水泥材料技术领域,包括以下组分:水泥850~950份;细砂750~800份;硅粉350~400份;丁苯橡胶乳液220~250份;多壁碳纳米管5~10份;碳纤维40~50份;减水剂10~15份;消泡剂5~8份;石墨20~30份。本发明的有益效果是石墨、碳纤维能够提供良好的导电能力,丁苯橡胶乳液和多壁碳纳米管作为一个复合基体能够改善水泥的水化过程,且丁苯橡胶乳液与水泥反应后,水泥水化产物能够包裹住多壁碳纳米管,而多壁碳纳米管由于具有较大的长径比,有利于增强界面粘结强度,增强水泥的力学强度,使该材料具有较好的导电性能和抗压强度。

标签:
复合材料
江西 - 南昌 来源:中冶有色网 2023-03-18
改善镁基复合材料半固态组织的制备方法

本发明提供了一种改善镁基复合材料半固态组织的制备方法:在熔铸条件下,将镁钐中间合金分批加入熔体,保温一段时间后,接着利用高能超声将镁石墨烯中间预制块分批加入熔体中,之后迅速将温度降至半固态区间附近,继续超声,随后迅速水淬,最终在合适的工艺参数条件下得到球化均匀的半固态组织。本发明工艺稳定,环保安全,制备的半固态浆料组织明显细化,石墨烯与基体界面结合良好,二次相的分布也较为均匀。

标签:
复合材料
江西 - 南昌 来源:中冶有色网 2023-03-18
负载硒化铜/二氧化钛可见光光催化剂复合材料的制备方法

本发明公开了一种负载硒化铜/二氧化钛可见光光催化剂复合材料的制备方法,所述方法包括以下步骤:(1)、以钛网为基底,利用阳极氧化法在有机体系中制备TiO2纳米管阵列;(2)、利用高温煅烧可以使阳极氧化得到的TiO2纳米管阵列由无定形态转变为晶相;(3)、采用电沉积法负载Cu2O和光还原法负载Se2‑进而制备出CuSe/TiO2 NTs催化剂。本发明具备光响应强、化学性质稳定,可以回收利用,具有较好的可见光催化活性,并在可见光下可高效降解氯霉素特性;制备该材料所用的原料均为常见的试剂,来源广、制作成本低、反应过程容易控制,在降解氯霉素一类的的抗生素中有广泛的应用前景。

标签:
复合材料
江西 - 南昌 来源:中冶有色网 2023-03-18
自组装氮化碳-TiO<sub>2</sub>/中空结构生物质炭降解氨氮复合材料及其制备方法

本发明属于复合光催化剂技术领域,涉及生物质炭降解氨氮,尤其涉及一种自组装氮化碳‑TiO2/中空结构生物质炭降解氨氮复合材料,由中空结构生物质炭(HSBC)、片状氮化碳和分级结构TiO2微球构成,其中,所述中空结构生物质炭是以生物质为原料经粉碎、炭化后形成,其中空孔径为10~50µm;所述片状氮化碳通过自组装形成,厚度为100~200nm;所述分级结构TiO2微球通过水热原位生长所得,微球直径1~2µm,由致密的纳米棒组成。本发明还公开了所述材料的制备方法。本发明制备条件简单,将中空结构生物质炭的高比表面积与TiO2、氮化碳的光催化性能相结合,可快速去除氨氮。成本低廉、稳定、无二次污染以及绿色环保;经实验模拟去除氨氮废水,在紫外线的照射下去除率高达90.3%。

标签:
复合材料
江西 - 南昌 来源:中冶有色网 2023-03-18
实心壁复合材料雷达罩的制造方法

本发明涉及一种实心壁复合材料雷达罩的制造方法,其步骤如下:1)制造阴模和阳模,在阴模上铺叠玻璃布预浸料;2)将阴模密封;3)进行保温保压固化,最后降温卸压启模;4)切割余量,用丙酮擦洗半成品内表面,将半成品放入阴模;5)在雷达罩半成品内表面涂刷一层制作玻璃布预浸料所用的胶粘剂,在雷达罩半成品内表面铺叠两层玻璃布预浸料;6)即阴阳合模;7)将阴阳合模密封;8)加温加压固化成型,卸压启模。采用阴阳合模热压罐加温加压固化,阴阳合模形式使得雷达罩的厚度得到精确的控制,热压罐固化工艺使雷达罩内部结构均一度也得到了保证,保证了雷达罩的电性能要求,一次达到雷达罩的最终状态要求,缩短了生产周期,降低了成本。

标签:
复合材料
江西 - 南昌 来源:中冶有色网 2023-03-18
单质铜包覆多壁碳纳米管/铝基复合材料半固态坯料的制备方法

一种单质铜包覆多壁碳纳米管/铝基复合材料半固态坯料的制备方法,先制备包覆单质铜的多壁碳纳米管,然后将铝合金粉以及单质铜包覆多壁碳纳米管导入球磨坩埚中,氩气保护下球磨处理。后将混合粉末放入坩埚中,用马沸炉加热至固相线以下20~40℃后,转入超声磁力搅拌炉继续加热并控制其固相率于一定范围,低速震荡搅拌并通入氩气保护并对搅拌时间进行控制。将所得浆料倒入对应模具冷却,得到半固态坯料。本发明所公开的制备技术具有简单、安全、低成本易于操作和可控等优点。

标签:
复合材料
江西 - 南昌 来源:中冶有色网 2023-03-18
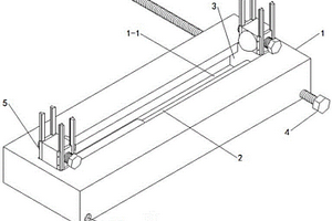
复合材料缺口平板高温剪切测试夹具

本实用新型涉及一种复合材料缺口平板高温剪切测试夹具,包括左夹持块、右夹持块、基座、导轨、安装垫块,所述左夹持块固定在所述基座上的左侧,所述导轨设置在基座上的右侧,所述右夹持块通过导轨安装在基座上,所述安装垫块垫在所述右夹持块下方,使得所述左夹持块和右夹持块的夹持口的底部平齐,便于安装待测试的缺口平板试样。本实用新型通过采用楔形顶块定位、约束平板试样的方式,能够对缺口平板试样进行完全固定,解决了试样装夹不稳、试验过程容易失稳侧滑的问题,保证缺口平板试样受到纯剪切载荷,从而确保剪切试验的成功和试验结果的准确性。并且测试夹具型式简单,夹具尺寸小,能够应用于高温环境下缺口平板的剪切测试。

标签:
复合材料
江西 - 南昌 来源:中冶有色网 2023-03-18
复合材料三点弯试验夹具

本实用新型提供了一种复合材料三点弯试验夹具,包括底板,底板呈T型,底板上设置有横向矩形凸起块,横向矩形凸起块上对称安装有两块下支座块,下支座块底部设有矩形槽,与横向矩形凸起块外表面滑动配合,底板开设有用于安装导轨的纵向矩形槽,导轨安装方向与所述矩形横向凸起块相垂直,滑动调节块安装在导轨上,两块所述下支座块朝向导轨一侧通过安装凸块转动连接有连接杆,连接杆远离下支座块的一端转动连接滑动调节块,使得滑动调节块通过在导轨上滑动来调节两个下支座块的间距,本实用新型能够实现对跨距的精确调节并保证两侧下支座块对称,实现试件左右受力均匀。

标签:
复合材料
江西 - 南昌 来源:中冶有色网 2023-03-18
航空复合材料金属胶接工装开孔模具

本实用新型提供了一种航空复合材料金属胶接工装开孔模具,包括底箱,所述底箱内设有升降组件,在底箱的外顶部设有支架,在支架上端设有顶箱,在顶箱上设有与模具相适应的旋转开孔组件,在底箱上设有与升降组件和旋转开孔组件联动连接的联动驱动机构;所述联动驱动机构包括设置在底箱和顶箱一侧的防护罩,在防护罩内沿竖直方向设有通过轴承和轴座配合转动连接的联动轴,在顶箱内沿水平方向转动连接有连接轴,所述连接轴的两端通过锥齿轮的配合与联动轴和旋转开孔组件啮合联动;所述联动轴的下端通过锥齿轮的配合与升降组件啮合联动;本实用新型结构简单、紧凑,只需一个动力源即可完成开孔操作,使用效果较好。

标签:
复合材料
江西 - 南昌 来源:中冶有色网 2023-03-18
C/C复合材料的高温防护涂层及制备方法

本发明属于材料领域,公开一种C/C复合材料的高温防护涂层及制备方法。本发明的特点是通过对粒径3~5μm的ZrB2粉体预处理,在其表面诱导组装一层200~500nm的稀土氧化物。等离子喷涂过程中,该层优先熔融,阻隔ZrB2颗粒的氧化分解,沉积到基体后;优先熔融的稀土氧化物填充到ZrB2颗粒扁平化堆积的间隙中,提高涂层的致密性;高温防护过程中,该稀土氧化物层能稳定氧化产物ZrO2,避免晶型转变带来大量孔隙或裂纹,从而延长涂层的高温防护时间。本发明所获得的高温防护涂层成分均匀,结构致密,可抵御1600℃的高速气流不低于800s的烧蚀,且其质量损失率低于‑2.0×10‑4g/s。

标签:
复合材料
江西 - 南昌 来源:中冶有色网 2023-03-18
菱镁复合材料大棚支架快速成型模具

一种菱镁复合材料大棚支架快速成型模具,由内缘模板、外缘模板和拧紧卡组成,内缘模板和外缘模板分别各带一个端板,内缘模板和外缘模板通过端板对齐定位,由3~7个拧紧卡固定,多根竹筋由不锈钢丝网穿插组装后一次性安装在模具内,该成型模具装拆方便,成型效率高,成型质量明显改善。

标签:
复合材料
江西 - 南昌 来源:中冶有色网 2023-03-18
颗粒增强铝基复合材料搅拌制备实验装置及使用方法

本发明公开了一种颗粒增强铝基复合材料搅拌制备实验装置及使用方法,其特征在于:该装置包括减震轴承、搅拌杆、纯石墨搅拌叶片、支架、升降轮、绳索、电动机、调节旋钮、支撑杆、钻夹头、隔热板;所述的电动机固定在支撑杆上,支撑杆上设有调节旋钮并与支架相连接,所述的电动机通过绳索与升降轮相连,升降轮固定在支架上,所述的电动机上安装有钻夹头,所述搅拌杆设置在钻夹头上,隔热板通过调节旋钮固定在支架上,减震轴承固定在隔热板上,搅拌杆穿过减震轴承进入坩埚内,纯石墨搅拌叶片固定于搅拌杆上。

标签:
复合材料
江西 - 南昌 来源:中冶有色网 2023-03-18
稀土氧化物/石墨烯纳米复合材料的制备方法

一种稀土氧化物/石墨烯纳米复合材料的制备方法,包括以下步骤:(1)根据稀土氧化物在石墨烯上的负载量以及目标产物的制备量,配制含有所需量稀土硝酸盐的水溶液,加入一定体积的浓度为0.5~5g/L的氧化石墨烯分散液中;(2)在步骤(1)的分散液中加入适量有机燃料,搅拌并超声,得均匀分散液;(3)将步骤(1)的分散液加热浓缩至粘稠,放入温度为300~900℃的加热炉内引燃,燃烧后,冷却至室温。本发明合成温度低、时间短,实施简单且成本低廉,无需额外添加还原剂,氧化石墨烯自还原为石墨烯,同时稀土氧化物粒径小,大小均匀,在石墨烯上均匀分散性。快速高效、高产率、绿色环保、适于工业化生产。

标签:
复合材料
江西 - 南昌 来源:中冶有色网 2023-03-18
制备变厚度闭角度细长工字型复合材料制件的成型模

一种制备变厚度闭角度细长工字型复合材料制件的成型模,其中,下模底框固定在底框上,点焊有均压板垫块的下模体安装在下模底框上;均压板安装在均压板垫块上;上模体安装在下模体上,上模体包括用于先取出上模底板的上模模芯与用于后取出上模底板的上模模芯,用于先取出上模底板的上模模芯为由两块楔形分块通过分模面形成的整块模芯,整块模芯上设置有工作型面及连接挂耳,连接挂耳顶部开有用于进行定位的小平面,工作型面与上模底板上设置的凸台配合,小平面与上模底板表面配合,同时在上模底板上开设有与连接挂耳配合的凹槽,用于后取出上模底板的上模模芯上设置有用于安装挂耳的安装孔;本发明能避免模体变形,产品质量高。

标签:
复合材料
江西 - 南昌 来源:中冶有色网 2023-03-18
碳纤维复合材料陀螺式铣削钻孔工艺

本发明是一种碳纤维复合材料陀螺式铣削钻孔工艺,本发明提出的是一种特殊的刀具运动方式,即“陀螺式”运动,铣刀在绕自身轴线旋转的同时,又绕公转轴公转。自转轴与共转轴成一夹角?,夹角可以根据被加工孔的形状进行调整。在铣刀进行“陀螺式”运动的同时,沿着公转轴向工件表面进给,从而利用铣削的方式加工出“孔”来。这一运动方式的最大优势在于可以大大降低碳纤维工件在“孔”的出口处受到的拉力,从而减少出口分层现象。

标签:
复合材料
江西 - 南昌 来源:中冶有色网 2023-03-18
变质剂和碳纳米材料协同制备铝基复合材料的方法

一种变质剂和碳纳米材料协同制备铝基复合材料的方法,将基体合金放入坩埚中升温至740‑750℃,熔化后分批加入Al‑Sr中间块,Sr添加量占熔体总重量0.04‑0.06wt.%,并同时施加超声,超声探头伸入熔体约3‑5mm,超声功率为1.4‑2.8kW,频率为20kHZ,时间为5‑10min。超声完后,将熔体升温至770‑780℃保温30‑40min。然后氩气保护下,按不同角度向熔体中分批加入Al‑C中间块,碳加入量占熔体总重量0.5‑1.0wt.%,并同时施加超声10‑15min,超声完后,待熔体温度降至700℃时浇注即可。本发明工艺稳定,安全可靠,制备的材料组织细化均匀,性能得到较大提高。

标签:
复合材料
江西 - 南昌 来源:中冶有色网 2023-03-18
高抗水菱镁复合材料大棚支架

一种高抗水菱镁复合材料大棚支架,其组分(质量百分比)为:工业氧化镁38-48%,工业六水氯化镁22-25%,粉煤灰6-12%,竹屑4-6%,木屑3.5-4.5%,外加剂3-5%,水10-14%,增强用的竹筋4-6根。产品抗水性好,不返卤泛霜,强度高,成本低。

标签:
复合材料
江西 - 南昌 来源:中冶有色网 2023-03-18
飞机复合材料用夹具
飞机复合材料用夹具 872     
 0

一种飞机复合材料用夹具,属于飞机加工设备技术领域。基座的上端面设置有滑槽,滑槽内滑动连接有两个滑块,两个滑块之间固定有液压缸,每个滑块的上端面均设置有夹紧机构,两个夹紧机构相对设置,基座的侧壁上设置有多个螺纹通孔,螺纹通孔轴向垂直于液压缸的轴向,每个螺纹通孔内均螺纹连接有螺纹杆;本实用新型可以夹紧不规则形状且适应多种不同型号的飞机零件,节省大量夹具占用的空间;同时,它结构简单,使用方便。

标签:
复合材料
江西 - 南昌 来源:中冶有色网 2023-03-18
光催化分解水纳米复合材料的制备方法及其应用

本发明公开了一种光催化分解水纳米复合材料的制备方法及其应用,其制备方法为:将四水合三氯化铟(InCl34H2O)超声溶于乙二醇溶液中,设定为溶液A;将g‑C3N4分散于乙二醇溶液中,再加入AgNO3,设定为溶液B;将溶液B缓慢倒入溶液A中,再加入硫代乙酰胺,反应后即得最终产品。本发明的优点在于:1.所制备的材料形貌规整;2.所制备的材料用于光催化分解水效率高;3.所制备的材料用于光催化全分解水可实现分步产H2和产O2,避免H2和O2分离;4.材料制备简单,成本低,适用大面积推广应用。

标签:
复合材料
江西 - 南昌 来源:中冶有色网 2023-03-18
以SMC工艺制备环氧树脂复合材料的方法

一种SMC工艺制备环氧树脂复合材料的方法,它包括以下原料:环氧树脂作基体,包括E-51、E-44、E-42、E-20、E-12等牌号,玻璃纤维作增强体,细微粉化双氰胺作固化剂,硅烷偶联剂KH-550作偶联剂,白炭黑作填料。制备过程包括糊树脂的配制、片材压制、固化成型三个主要步骤。本发明的优点是:(1)收缩性低,可有效地解决不饱和聚酯树脂在SMC中的众多不足;(2)制品不能长期存贮的不足的问题;另一方面将双氰胺粉做到微粉级(D50=2.5μm),增加了与环氧树脂的相溶性,降低了该固化体系的固化温度,在一定程度上提高了固化反应速率。(3)可实现不同尺寸、不同厚度的批量生产,用途广泛。

标签:
复合材料
江西 - 南昌 来源:中冶有色网 2023-03-18
小型复合材料整体油箱加油口盖

一种小型复合材料整体油箱加油口盖,其中,口框上设置有用于与口盖盖板外圆周上设置的外螺纹咬合的螺纹槽,口框通过胶接预埋嵌入设置有复合材料泡沫夹芯结构的油箱骨架上;口盖盖板上设置有用于将螺钉拧入垫圈中的螺钉孔,同时在口盖盖板的外表面有用于通过工具开启和闭合口盖盖板的小盲孔,通过将工具放入小盲孔中旋转口盖盖板以实现口盖盖板的开启、闭合;密封垫圈嵌入至垫圈内,垫圈安装在口框内;通过采用口盖盖板与口框螺纹连接和将嵌入橡胶密封垫圈的金属结构垫圈与口框紧密贴合的双重密封形式,有效减少口盖四周缝隙少量积水和油箱上方的水珠进入油箱内部,不仅满足飞机油箱的密封性要求,又在结构上减少飞机油箱内加油口上方的空间。 1

标签:
复合材料
江西 - 南昌 来源:中冶有色网 2023-03-18
集成超薄复合材料气囊
集成超薄复合材料气囊 1037     
 0

本实用新型涉及一种集成超薄复合材料气囊,属于空气弹簧技术领域,包括保护层;气密层,套设在所述保护层内部,用于降低隔振系统的固有频率;增强层,设置在所述气密层与保护层之间,所述增强层包括多个帘线,多个帘线均匀分布在气密层和保护层之间。本实用新型采用复合材料,内层为丁基橡胶密封层,中间为高强度帘线层,外层为防老化天然橡胶保护层,制成的气囊更柔软,刚度更低,降低了隔振系统的固有频率,提高了隔振效率。

标签:
复合材料
江西 - 南昌 来源:中冶有色网 2023-03-18
具有损伤原位监测功能的复合材料螺栓连接接头

一种具有损伤原位监测功能的复合材料螺栓连接接头,一种具有损伤原位监测功能的复合材料螺栓连接接头,所述接头包括环氧树脂(1)、玻璃纤维和多壁碳纳米管的传感器(2);所述多壁碳纳米管沉积在玻璃纤维上,附有多壁碳纳米管的玻璃纤维安放在接头层间的长度方向上,由环氧树脂包覆;所述连接接头为长方体,横截面为长方形;所述连接接头预置了螺栓孔(3)。本实用新型的接头轻质高强,耐久性及耐腐蚀性较好,基于MWCNT的传感器的植入使其具有了损伤原位监测的功能;且材料成本较低,制备工艺简单,具有一定的实际应用和推广价值。

标签:
复合材料
江西 - 南昌 来源:中冶有色网 2023-03-18
复合材料增强颗粒超声振动加料漏斗装置及其加料方法

本发明涉及复合材料增强颗粒超声振动加料漏斗装置及其加料方法,包括加料漏斗,漏斗盖,32目分料筛,90目分料筛,振动弹簧,支架,调节阀门,下料导管,耐变温软管,固定板,超声波发生器。本发明的一种超声振动增强颗粒加料漏斗装置,结构简单,易操作,加料效率高,稳定性好。通过加装漏斗盖,减少了颗粒飞出,避免了粉尘污染对操作人员呼吸道的伤害,设置超声波发生器和调节阀门,实现了定量输送和添加增强颗粒及对下料速度的控制,有利于提高复合材料的性能,减少工作时间,降低操作人员工作强度。

标签:
复合材料
江西 - 南昌 来源:中冶有色网 2023-03-18
具有高光催化性能的h-BN/TiO<sub>2</sub>复合材料的制备方法

本发明公开了一种具有高光催化性能的h‑BN/TiO2复合材料的制备方法,包括以下步骤:步骤1)、以H3BO3和CO(NH2)2为原料,合成类石墨烯结构的h‑BN;步骤2)、对步骤1)中获得的粉末h‑BN样品进行预处理;步骤3)、以TiCl4和TBOT作为钛源来合成h‑BN/TiO2复合材料。本发明通过在TiO2与非金属半导体h‑BN之间构建共价键,以便通过促进光生电子在界面之间的迁移,提高材料的光催化效率;并通过向TiO2中同时掺杂N、F两种非金属元素,改变TiO2的禁带宽度和光生电子在界面的迁移速率,从而改善TiO2的光催化活性。

标签:
复合材料
江西 - 南昌 来源:中冶有色网 2023-03-18
氧化石墨烯-银纳米复合材料及其应用

本发明公开了一种氧化石墨烯‑银纳米复合材料,属于纳米复合材料领域,采用相转移辅助两步法制备c‑Ag/GO纳米复合物,半胱氨酸包裹银纳米颗粒固载在氧化石墨烯上,具有AgNP尺寸小,分布窄,负载效率高,与基底结合紧密,制备的c‑Ag/GO复合物在水中有良好分散性的优点,同时有较强的抗菌应用。

标签:
复合材料
江西 - 南昌 来源:中冶有色网 2023-03-18
复合材料整体成型回转体加筋承力结构

本发明属于一种复合材料承力结构设计技术,涉及一种复合材料整体成型回转体加筋承力结构。本发明包括前端框(2)、若干个T形件(3)、后端框(4)、外蒙皮(5);T形件(3)分别与前端框(2)、后端框(4)贴合;外蒙皮(5)铺覆在前端框(2)、T形件(3)、后端框(4)的外表面。本发明实现了结构整体成型,提高结构整体化的基础上,有效降低结构重量,提高结构承力可靠性,同时可以获得较好的结构表面质量。

标签:
复合材料
江西 - 南昌 来源:中冶有色网 2023-03-18
基于分子组装的聚吡咙/尼龙纤维复合材料的制备方法

本发明公开了一种基于分子组装的聚吡咙/尼龙纤维复合材料的制备方法,其包含以下步骤:(1)配置用于静电纺丝的混合溶液,混合溶液包含以下重量百分数的组分:四胺和四酸5~20%,其中,四胺与四酸的物质的量比为1.0~2.0∶1.0~3.0;聚酰胺共聚物5~20%,溶剂60%~90%;(2)将(1)所得混合溶液进行静电纺丝,制得前驱体纳米纤维;(3)将(2)所得前驱体纳米纤维进行热处理,制成聚吡咙/尼龙纤维复合材料。

标签:
复合材料
江西 - 南昌 来源:中冶有色网 2023-03-18
可吸附、检测镉离子并同时强化光催化降解四环素纳米复合材料的制备方法

本发明公开了一种可吸附、检测镉离子并同时强化光催化降解四环素纳米复合材料的制备方法,该制备方法为:将TO2和1,5‑二苯羧基‑3‑硫代卡巴腙在丙醇和水的混合溶液中搅拌反应,最后清洗干燥后即得最终产品;本发明所制备的纳米复合材料可检测和吸附去除镉离子,同时可通过光催化降解四环素,且材料制备简单,成本低,适用大面积推广应用。

标签:
复合材料
江西 - 南昌 来源:中冶有色网 2023-03-18
短切纤维增强雷达天线窗/天线罩透波陶瓷基复合材料及其制备方法

本发明涉及一种短切纤维增强雷达天线窗/天线罩透波陶瓷基复合材料及其制备方法,包括步骤:将连续氧化铝纤维浸渍在二氧化硅溶胶中,加压后保压;干燥后剪成短切氧化铝纤维;将PVA纤维置于水中,加热搅拌为澄清透明溶液;加入氧化铝纤维、氧化铝、氧化钇、氧化锆粉和SiO2粉,加热至液体挥发,烘干球磨得粉末产物;将短切氧化铝纤维和粉末产物混合后置于模具中,加压、保压、降压并保压获得冷等静压成型件;将其加压后进行升温和保温处理,再冷却。该雷达天线窗/天线罩拉伸强度>200MPa,弯曲强度>130Mpa,介电常数约3.2‑4.8,介电损耗0.005‑0.025,能满足中高马赫飞行器对雷达天线窗/天线罩的使用需求。

标签:
复合材料
江西 - 南昌 来源:中冶有色网 2023-03-18
上一页 12 13 14 15 16 ... 32 下一页
共32页    到第

中冶有色为您提供最新的江西南昌有色金属复合材料技术理论与应用信息,涵盖发明专利、权利要求、说明书、技术领域、背景技术、实用新型内容及具体实施方式等有色技术内容。打造最具专业性的有色金属技术理论与应用平台!

全国热门有色金属设备推荐
展开更多 +
全国热门有色金属技术推荐
展开更多 +

 

江西省隆恩特环保设备有限公司
宣传

报名参会
更多+

报告下载

有色专家
更多+

中南大学
中国工程院院士
中国矿业大学(北京)
教授
矿冶科技集团
中国工程院院士
广东省科学院工业分析检测中心
副主任
中南大学、中国工程院
院士
赤泥综合利用研究报告2025
推广

热门技术
更多+

推荐企业
更多+

福建省金龙稀土股份有限公司
宣传

发布

在线客服

公众号

电话

顶部
咨询电话:
010-88793500-807