青岛垚鑫智能科技有限公司
宣传

位置:中冶有色 >

有色技术频道 >

> 复合材料技术

分类:
全部
矿山技术
冶金技术
材料制备及加工技术
环境保护技术
分析检测技术
 
全部
功能材料技术
复合材料技术
新能源材料技术
合金材料技术
加工技术
地区:
全部
北京
天津
上海
重庆
河北
山西
辽宁
吉林
黑龙江
江苏
浙江
安徽
福建
江西
山东
河南
湖北
湖南
广东
海南
四川
贵州
云南
陕西
甘肃
青海
内蒙
广西
西藏
宁夏
新疆
其他
其他
展开
 
全部
济南
青岛
淄博
枣庄
东营
烟台
潍坊
济宁
泰安
威海
日照
滨州
德州
聊城
临沂
菏泽

山东济南有色金属复合材料技术理论与应用

免费发布技术信息>>
纸基自供能生物传感器的制备方法及应用

一种纸基自供能生物传感器的制备方法及应用。本发明公开了一种操作简单、低成本、自供能的三维中空通道微流控纸芯片适配体传感器并成功用于现场检测。该传感器成功将生物燃料电池引入到三维中空通道微流控纸芯片上,利用生物燃料电池阴阳极对底物的催化效果自行产生电信号,摆脱对外部供能设备的限制。通过长金制备生物燃料电池的阳极改善电极导电性,将葡萄糖脱氢酶固定在阳极上;生物燃料电池阴极采用碳纳米管-铂纳米复合材料催化氧气还原,利用葡萄糖作为燃料;在金-阳极上发生适配体与重金属离子之间相互识别;通过电化学工作站检测电流强度,实现对水中重金属离子进行检测。

标签:
复合材料
山东 - 济南 来源:中冶有色网 2023-03-18
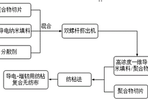
导电‑增韧用纺粘复合无纺布的制备方法

本发明提供一种导电‑增韧用纺粘复合无纺布的制备方法,该无纺布由聚合物切片、一维导电纳米填料、分散剂三种原料所制得。其具体过程包括:(1)导电母粒的制备;(2)导电‑增韧用纺粘复合无纺布的制备。其特点在于利用高速混合时的剪切和碰撞与分散剂的协同作用,经双螺杆挤出机挤出可以实现一维导电纳米填料在聚合物中均匀分散;利用纺粘法中的管式气流牵伸作用可以实现一维导电纳米填料在纤维内部及表面沿纤维轴向取向,在保证导电网络构建的同时显著降低了这种复合材料的导电逾渗阈值。这种导电‑增韧用纺粘复合无纺布能有效实现复合材料的结构‑功能改性一体化设计的效果。步骤简单、操作方便、实用性强。

标签:
复合材料
山东 - 济南 来源:中冶有色网 2023-03-18
海洋结构物的一体化设计方法

本发明涉及一种海洋结构物的一体化设计方法,属于海洋结构物领域,综合了优化设计、计算流体力学、耐波学、流固耦合、材料力学、动力学、复合材料力学、疲劳可靠性、制造工艺学等学科知识,以钢铁、纤维增强复合材料为主要材料,进行多学科多目标的材料、结构、性能、制造一体化设计。相比于传统的串联式设计流程,本发明可以实现多部门的并行设计和模块化设计,降低设计成本,提高工作效率。

标签:
复合材料
山东 - 济南 来源:中冶有色网 2023-03-18
有颜色的高强聚乙烯纤维及其制造方法

本发明公开了一种有颜色的高强聚乙烯纤维及其制造方法,该有颜色的高强聚乙烯纤维,其特征在于在超高分子量聚乙烯内混入无机颜料添加剂,无机颜料添加剂的添加比例为超高分子量聚乙烯重量的0.5-3%,其强度为15-30G/D,。其制造方法由以下步骤完成:(1)原料的溶胀、溶解,制成纺丝原液;(2)制备冻胶丝;(3)对冻胶丝进行萃取;(4)纺丝干燥;(5)后牵伸及卷绕制成有颜色的高强聚乙烯纤维。该种有颜色的高强聚乙烯纤维及其制造方法,与目前生产的超高分子量聚乙烯纤维相比,既具有所需要的颜色,而且制造流程简单、生产效率高、成本低,生产出的纤维性能优良,并且降低了使用成本,可广泛用于绳索、渔网、复合材料等领域。

标签:
复合材料
山东 - 济南 来源:中冶有色网 2023-03-18
基于镍基三维金属有机框架物催化剂制备方法和应用

本发明公开了一种基于镍基三维金属有机框架物催化剂的制备方法以及基于该催化剂电解水析氧的应用,属于纳米材料、纳米催化、金属有机框架物材料技术领域。其主要步骤是将泡沫镍电沉积聚苯胺,制得Ni@PANI复合材料;将配体H3TATAB与硝酸钴制得的凝胶涂覆在Ni@PANI复合材料上,于空气氛中加热,制得Ni@Co2O3/CN复合催化剂,即基于镍基三维金属有机框架物催化剂。该催化剂制备所用原料成本低,制备工艺简单,反应能耗低,具有工业应用前景。该催化剂用于高效催化电解水析氧,具有良好的析氧电催化活性与电化学稳定性。

标签:
复合材料
山东 - 济南 来源:中冶有色网 2023-03-18
柔性传感器制造方法
柔性传感器制造方法 1008     
 0

本公开提供了一种柔性传感器制造方法,包括:将石墨烯分散在高分子聚合材料中;向高分子聚合材料中加入碳纳米管;向加入碳纳米管的高分子聚合材料施加交流电场,得到复合材料;在得到的复合材料上贴附高分子聚合材料薄膜;预埋碳纤维;加热固化,得到传感器;本公开在石墨烯‑PDMS或PMMA等高分子聚合材料的合适比例下引入了CNT桥接效应和电场诱导排列,以改进干混方法;通过改进的干混方法制造的柔性传感器提高了CNT‑石墨烯‑PDMS或PMMA等高分子聚合材料的导电性、压阻性能和机械性能。

标签:
复合材料
山东 - 济南 来源:中冶有色网 2023-03-18
聚苯胺复合硬质导电石墨烯材料的制备方法

本发明公开了一种聚苯胺复合硬质导电石墨烯材料的制备方法,本发明复合材料中含有的石墨烯具有很好的硬度和强度,以正硅酸乙酯为前驱体得到的二氧化硅也进一步提高了成品的力学性能,将苯胺单体在酸掺杂的溶液中进行聚合,得到的聚合物具有很好的导电性能,且可以改善石墨烯在聚合物间的分散性,改善成品的稳定性,本发明复合材料的电导率、断裂伸长率都具有明显的提高。

标签:
复合材料
山东 - 济南 来源:中冶有色网 2023-03-18
锂离子电池Li2MnSiO4/C介孔纳米复合正极材料的制备方法

本发明涉及一种锂离子电池Li2MnSiO4/C介孔纳米复合正极材料的制备方法,采用微生物作介孔纳米结构模板和碳源,利用微生物其代谢网络介孔精细结构和生物蛋白等,通过无机物复制形成介孔纳米复合结构;同时结合生物活性碳包覆颗粒表面改性等关键技术,制备得到具有良好导电性和电化学性能的硅酸锰锂/碳复合材料;用于锂离子电池正极材料,表现出良好的电化学性能。

标签:
复合材料
山东 - 济南 来源:中冶有色网 2023-03-18
手性向列结构宽带反射薄膜的制备方法

本发明涉及一种手性向列结构宽带反射薄膜的制备方法,本发明基于纳米纤维素与聚合物在水以及有机溶剂的蒸发诱导的自组装下,制得复合薄膜材料,复合材料中呈现聚合物与手性向列相的交联网络结构。其中,手性向列相结构的螺旋轴呈现不同角度的变化是产生宽带反射的主要因素。本发明制备的具有特殊结构的宽带反射复合材料可应用于滤波器、圆偏振器、圆偏振光检测器、传感器、太阳能等光学领域。

标签:
复合材料
山东 - 济南 来源:中冶有色网 2023-03-18
拟酶催化剂的制备方法及其应用

本发明公开了一种二硫化钼/石墨烯复合材料拟酶催化剂及其制备方法。该催化剂通过微波水热的方法制备,在石墨烯表面垂直生长二硫化钼纳米片,形成二硫化钼/石墨烯垂直异质结构。本发明通过在石墨烯纳米片上垂直生长二硫化钼纳米片,能够暴露更多的活性位点,并且微波法合成的二硫化钼具有更多的缺陷,具有更强的拟酶活性,具有类过氧化氢酶活性、类过氧化物酶活性和类氧化酶活性,可用于抗菌材料、抗菌制剂等。本发明提供的制备方法简便,制备时间短,且制备的复合材料具有更多的缺陷,暴露了更多的活性位点,具有更高的拟酶催化活性,提高了其杀菌效率。

标签:
复合材料
山东 - 济南 来源:中冶有色网 2023-03-18
上转换材料NaYF<sub>4</sub>:Yb,Er@M的制备及应用

本发明属于上转换纳米复合材料技术领域,尤其涉及上转换材料NaYF4:Yb,Er@M的制备及应用,包括:(1)将纳米上转换材料NaYF4:Yb,Er分散于含有金属M离子的溶液中,陈化1‑24h,当上转换材料NaYF4:Yb,Er表面充分吸附金属M离子后,离心分离,得到前驱体;(2)将步骤(1)得到的前驱体置于还原剂中,将金属M离子还原成金属M,完成后分离出NaYF4:Yb,Er@M上转换材料,即得。本发明制备的这种上转换材料中,金属颗粒原位附着在NaYF4:Yb,Er表面,分布非常均匀,形成了理想的上转换复合材料,从而使得上转换材料的荧光性能得到了显著增强。

标签:
复合材料
山东 - 济南 来源:中冶有色网 2023-03-18
隐形加固复合砌块
隐形加固复合砌块 1050     
 0

本发明的一种隐形加固复合砌块,包括砌块体,砌块体包括从上往下依次复合在一起的上外面层、芯板层和下外面层,砌块体内设置有拉结件,拉结件包括横向嵌在上外面层内的横拉臂,横拉臂两端或/和中部竖直向下延伸有依次穿过上外面层、芯板层和下外面层的竖拉臂,竖拉臂末端弯折有嵌在下外面层内的横向弯折部。本发明的有益效果是:本发明加工简易、投入少、能耗低;生产成本低;复合材料受力均匀,应力能够得到合理均匀地释放,从而降低了变形系数;提升了复合材料连接强度。

标签:
复合材料
山东 - 济南 来源:中冶有色网 2023-03-18
异氰酸酯的制备方法和应用

本发明涉及一种异氰酸酯的制备方法和应用,具体涉及一种以尼龙酸为原料制备的C4-C6脂肪族酰胺异氰酸酯的制备方法和应用,属于有机合成、胶黏剂化学和复合材料技术领域。该异氰酸酯是由尿素和尼龙酸为原料先制得C4-6脂肪族酰胺,C4-6脂肪族酰胺再和草酰氯反应制得C4-C6脂肪族酰胺异氰酸酯。该异氰酸酯用于制备聚氨酯泡沫塑料、橡胶、弹力纤维、涂料、粘接木基复合材料。

标签:
复合材料
山东 - 济南 来源:中冶有色网 2023-03-18
磁性高岭土的制备方法

本发明涉及一种磁性高岭土的制备方法,属于水处理技术、无机复合材料与技术领域。本发明的方法是将FeCl3?6H2O、NaAc?3H2O、乙二醇、乙二胺形和高岭土混合后的黄褐色悬浊液封装于聚四氟乙烯反应釜中,在180-200℃条件下反应8h以上,取黑色固体洗涤、磁分离、烘干、研磨、过筛,得到磁性高岭土。本发明通过水热合成技术直接对高岭土进行加磁改性,方法简单易控,制备成本低,工业化生产门槛低,易于工业化推广;且该方法温度低,不会破坏高岭土的结构,确保了其吸附性能;对水中的磷酸盐具有较好的去除效果,并且在吸附完成后可实现固液的快速分离,使吸附剂从吸附溶液中分离,得以循环利用。

标签:
复合材料
山东 - 济南 来源:中冶有色网 2023-03-18
AgX@MIL(Fe)复合光催化剂的制备方法

本发明公开了一种AgX@MIL(Fe)光催化剂的制备方法。首先,将磷钨酸分散于溶剂中,通过溶剂热法制备MIL(Fe),从而得到磷钨酸@MIL(Fe)复合材料,然后采用双溶剂法在磷钨酸@MIL(Fe)复合材料的孔中合成AgX(X=Cl、Br、I),以得到AgX@MIL(Fe)复合光催化剂。该复合光催化剂可见光催化活性高,环境友好,易于回收,可重复利用,并且该方法设备简单,操作方便,具有很大应用前景。

标签:
复合材料
山东 - 济南 来源:中冶有色网 2023-03-18
离子液体掺杂聚合物导电石墨烯材料的制备方法

本发明公开了一种离子液体掺杂聚合物导电石墨烯材料的制备方法,本发明采用导电改性的苯胺为单体,通过4‑甲基苯磺酸、1‑丁基‑3‑甲基咪唑甲烷磺酸盐离子液体混合掺杂,得到了高导电性能的聚苯胺,本发明的复合材料将改性的石墨烯参与到聚苯胺的成型过程中,得到的石墨烯可以均匀的分散到聚苯胺基体中,从而提高了成品的稳定性,本发明复合材料的电导率、断裂伸长率都具有明显的提高。

标签:
复合材料
山东 - 济南 来源:中冶有色网 2023-03-18
含钛层状双金属氢氧化物的制备方法

本发明提供了一种含钛层状双金属氢氧化物的制备方法,包括步骤:将二价金属离子氢氧化物和三价金属离子氢氧化物混合,进行球磨,得到氢氧化物混合物;之后将所得氢氧化物混合物分散于溶剂中,得到氢氧化物混合物分散液;向氢氧化物混合物分散液中加入TiCl4,充分搅拌,得到悬浮液,之后静置老化;反应完成后,经过滤、洗涤、干燥得到含钛层状双金属氢氧化物粉末。本发明的方法实验条件温和、操作简单、耗能低、污水排放少、产率高及易于产业化等。所制备产品具有高比表面积和结晶性,在催化、储能、阻燃剂、复合材料等领域具有较大的应用价值。

标签:
复合材料
山东 - 济南 来源:中冶有色网 2023-03-18
湿法缠绕用苯并噁嗪树脂体系

本发明属于复合材料技术领域。利用液体环氧树脂提高苯并噁嗪树脂的固化交联密度,进一步提高耐热性,增加体系各组分的相容性;匹配活性稀释剂、液体固化剂和增韧剂赋予良好的韧性和工艺性能。本发明涉及的湿法缠绕用苯并噁嗪树脂体系,物料质量组成至少包括:苯并噁嗪树脂100份,环氧树脂5‑20份,稀释剂5‑20份,固化剂0‑20份,咪唑修饰氧化石墨烯0.01‑0.05份。本发明涉及的湿法缠绕用苯并噁嗪树脂体系,粘度适中,适用期长,满足湿法缠绕工艺要求,制备的复合材料制品具有更好的耐热性,优良的力学性能,制备工艺简单,生产成本低。适用于湿法缠绕工艺。

标签:
复合材料
山东 - 济南 来源:中冶有色网 2023-03-18
用于骨缺损修复的MSCs支架及其制备

本发明提供了一种用于骨缺损修复的MSCs支架及其制备。用带标签基因的siPDCD4质粒包装制备慢病毒,然后感染MSCs细胞,抗性筛选后获得稳转细胞系siPDCD4‑MSCs;将支架材料与siPDCD4‑MSCs细胞系混合培养获得PDCD4基因缺失的MSCs支架材料。本发明提出一种PDCD4敲减的MSCs支架的复合材料的制备方法,用于骨缺损的治疗和修复,并给出了本发明方法在骨缺损治疗和修复中的应用。本发明提出的细胞‑支架复合材料的制备方法简单,具有较好的组织相容性和骨修复功能,在骨组织工程和再生医学领域具有广阔的应用前景。

标签:
复合材料
山东 - 济南 来源:中冶有色网 2023-03-18
高压储氢瓶的内胆及制备方法

本发明公开了一种高压储氢瓶的内胆及制备方法,内胆包括瓶体和封头,所述瓶体一端连接封头,瓶体的另一端封闭,瓶体由内至外依次由金属镀层和热塑性树脂层组合形成,所述封头由金属纤维增强热塑性复合材料成型,内胆瓶口设置在封头上,所述金属镀层的厚度不大于0.5mm。其制备方法为:采用封头成型模具将金属纤维和热塑性树脂制成封头,将热塑性树脂制成瓶体,将封头与瓶体热熔焊接为一体,在瓶体内壁镀一层金属镀层。本发明解决了塑料内胆的瓶口和金属件密封性差及内胆充装易局部过热的技术问题,并且能够很好的解决高压复合材料气瓶疲劳和轻量化问题。

标签:
复合材料
山东 - 济南 来源:中冶有色网 2023-03-18
四氧化三铁-碳纳米管锂电池负极材料的制备方法

本发明公开了一种四氧化三铁‑碳纳米管锂电池负极材料的制备方法,包括以下步骤:步骤一:将购买的碳纳米管分散在浓硝酸(质量分数65%‑68%)中,进行高温酸处理之后清洗干燥备用;步骤二:将酸处理过的碳纳米管分散到去离子水中;步骤三:将六水三氯化铁、尿素、聚乙烯吡咯烷酮加入步骤二所得混合液中,然后加入作为还原剂的酒石酸钠钾,充分搅拌溶解;步骤四:然后将步骤三所得的混合液倒入聚四氟乙烯内衬的不锈钢反应釜中,密封加热后,洗涤干燥得到纳米复合材料。金属氧化物纳米材料连接在大比表面积碳材料的表面,碳材料结构稳定性能够承受体积变化带来的应力,克服纳米金属氧化物活性物质的导电性差的缺点,使复合材料获得优良的锂电性能。

标签:
复合材料
山东 - 济南 来源:中冶有色网 2023-03-18
防弹衣插板及使用方法

本发明涉及一种防弹衣插板,包括胸板、背板和腹板,并具有与人体胸、背或腹部相适应的曲率,并依次由纤维增强热塑性树脂基复合材料面层、防弹层及纤维增强热塑性树脂基复合材料背层复合而成。该插板可实现NIJ(美国标准)II~IV级防护,弹头滞留在插板内,不跳弹。同时该插板具有防水、防辐射、更换方便的特点。该防弹衣插板可与软质衬层配合使用,具有更高的防护性能,并且穿着更舒适。该插板置于防弹衣上设置的位于胸、背或腹部的插板袋内,并可选择使用。

标签:
复合材料
山东 - 济南 来源:中冶有色网 2023-03-18
中空多孔的硅碳@木质素碳纳米球的制备方法及其应用

本发明涉及一种中空多孔的硅碳@木质素碳纳米球的制备方法及其应用,属于碳复合材料制备领域。所述制备方法包括S1.制备季铵化木质素;S2.利用季铵化木质素和由硅源不断水解生成的二氧化硅之间的静电作用经过水热反应结合形成木质素‑二氧化硅纳米球;S3.木质素‑二氧化硅纳米球经碳化、镁热还原、酸洗后得到形状规则、内部中空的球形硅碳@木质素碳纳米球。和现有技术相比,本发明方法制备的硅碳@木质素碳纳米球复合材料力学性能好、性能更加稳定,应用于锂离子电池负极材料中,可以有效提高锂离子电池的比容量、循环性能和倍率性能等。

标签:
复合材料
山东 - 济南 来源:中冶有色网 2023-03-18
基于Pd NCs功能化CuInOS检测降钙素原的电化学免疫传感器的制备方法

本发明涉及一种基于钯纳米立方体(Pd NCs)功能化氧硫铟化铜(CuInOS)纳米复合材料(Pd NCs@CuInOS)检测降钙素原的无标记电化学免疫传感器的制备方法,属于电化学传感器领域。本发明合成了Pd NCs@CuInOS为基底材料,进行传感器的层层修饰。利用Pd NCs功能化CuInOS对过氧化氢良好的催化性能,实现了对标记物的高灵敏检测,同时CuInOS大的比表面积增加了Pd NCs的负载量,进一步增强了电化学信号。本发明对降钙素原检测的线性范围为0.0001~50 ng/mL,检测限为25.8 fg/mL。

标签:
复合材料
山东 - 济南 来源:中冶有色网 2023-03-18
金属中镶嵌陶瓷的耐磨材料及其制备方法

本发明公开了一种金属中镶嵌陶瓷的耐磨材料,它包括耐磨陶瓷块、底板、带通孔的基板,耐磨陶瓷块镶嵌在基板的通孔内,基板安装在底板上,耐磨陶瓷块包括工作段和定位段,两段的横截面形状相同,定位段的横截面积大于工作段的横截面积,耐磨陶瓷块通过定位段与底板连接,基板的通孔与耐磨陶瓷块的工作段和定位段相匹配,或者基板的通孔仅与耐磨陶瓷块的工作段匹配。该种材料采用变截面结构设计的耐磨陶瓷块,克服了原有金属陶瓷耐磨复合材料只采用粘接剂固定,容易脱落的弊端;同时采用热装方法在金属的通孔中镶嵌耐磨陶瓷块,克服了使用粘接剂,粘接剂容易老化,耐磨陶瓷块易脱落的问题。

标签:
复合材料
山东 - 济南 来源:中冶有色网 2023-03-18
基于磁性二硫化钼催化和光热效应的鼠伤寒沙门氏菌多模试纸条及其检测方法和应用

本发明提供一种基于磁性二硫化钼催化和光热效应的鼠伤寒沙门氏菌多模试纸条及其检测方法和应用,属于生物检测技术领域。本发明利用磁性二硫化钼复合材料的磁性实现目标物的分离富集,提高检测灵敏度;利用磁性二硫化钼复合材料作为标记材料,通过裸眼实现对目标待测物的定性检测;通过MoS2的催化和光热性能提高检测信号实现目标待测物的高灵敏检测。因此基于MoS2纳米材料自身优异的催化和光热转换性能构建检测探针,实现目标待测物的快速、灵敏、准确检测是提高试纸条检测性能的有效途径,因此具有良好的实际应用价值。

标签:
复合材料
山东 - 济南 来源:中冶有色网 2023-03-18
多信息的周界安防网及其制作方法

本发明公开了一种多信息的周界安防网及其制作方法,周界安防网由一片或多片的经线层和纬线层叠加后经层间绝缘节连接成型,经线层、纬线层实质是一根或几根可传递信息的金属导体,既能实现隔离安防,又满足了监测报警的需求,且层数可调及层间绝缘叠加的结构,满足了多类信息传递的需求;产品配置定位模块时可定位报警,与信息收发模块构成回路时实现监测报警功能及其他信息的传递。周界安防网的制作方法中,单层采用一根或几根导体连续不断的折弯方式,以及利用复合材料进行层间连接,使各层保持绝缘隔离,满足了产品传递多类信息的条件,同时复合材料的应用避免了压接方式带来的经、纬线损伤,消减了产品的质量隐患,提高了产品的使用寿命。

标签:
复合材料
山东 - 济南 来源:中冶有色网 2023-03-18
十二水硫酸铝铵/羟基化石墨烯复合储热材料及制备方法

本发明公开了一种十二水硫酸铝铵/羟基化石墨烯复合储热材料及制备方法。本发明是将十二水硫酸铝铵、石墨烯的混合粉末球磨后分散在双氧水溶液中,水热处理后干燥,得到十二水硫酸铝铵/石墨烯复合材料。所得复合材料可以有效减小十二水硫酸铝铵的过冷度,并提高材料导热性能。该制备方法反应条件可控,设备要求简单,易于实现批量生产,有利于环境保护。

标签:
复合材料
山东 - 济南 来源:中冶有色网 2023-03-18
纳米半导体异质结SnO<sub>2</sub>@M(M=Ag、Au、Pt)及其制备方法、应用

本发明涉及一种纳米半导体异质结SnO2@M(M=Ag、Au、Pt)及其制备方法、应用,包括:将纳米材料SnO2分散于含有M(M=Ag、Au、Pt)离子或化合物的盐的溶液中,当SnO2表面充分吸附M(M=Ag、Au、Pt)离子或化合物后,离心分离,将离心后的化合物用去离子水漂洗2‑3次;将漂洗后的化合物分散于一定浓度的还原性溶液(NaBH4、VC)中,充分反应然后再离心分离;将所得产物用去离子水漂洗数次,烘干,即得SnO2@M(M=Ag、Au、Pt)纳米半导体复合材料。该方法制备成本低、操作简单容易、耗时少、效率高、稳定性好、环境友好,重复性好、易于普适性和规模化生产。本发明制备的半导体复合材料SnO2@M(M=Ag、Au、Pt)在太阳能电池、透明电极材料、光催化、气敏传感器等领域中有很好的应用前景。

标签:
复合材料
山东 - 济南 来源:中冶有色网 2023-03-18
石墨烯多孔材料构建三联吡啶钌电化学发光传感器的方法

本发明公开了一种石墨烯多孔材料构建三联吡啶钌电化学发光传感器的方法,首先,通过高温还原冷冻干燥后的氧化石墨烯复合材料制得石墨烯三维多孔材料(porous?graphene, PGR),利用Nafion的离子交换作用将三联吡啶钌(Ru(bpy)32+)固定在PGR修饰的玻碳电极上,并成功的用于对三丙胺的检测,线性范围是1×10-6到1×10-4M,检测线为1×10-9M,该传感器具有良好的稳定性和重复性。

标签:
复合材料
山东 - 济南 来源:中冶有色网 2023-03-18
上一页 11 12 13 14 15 ... 72 下一页
共72页    到第

中冶有色为您提供最新的山东济南有色金属复合材料技术理论与应用信息,涵盖发明专利、权利要求、说明书、技术领域、背景技术、实用新型内容及具体实施方式等有色技术内容。打造最具专业性的有色金属技术理论与应用平台!

全国热门有色金属设备推荐
展开更多 +
全国热门有色金属技术推荐
展开更多 +

 

江西省隆恩特环保设备有限公司
宣传

报名参会
更多+

报告下载

有色专家
更多+

中南大学
中国工程院院士
江西理工大学
副校长/教授
赣州江钨钨合金有限公司
副总经理
湖南科技大学
所长/教授
中冶沈勘秦皇岛工程技术有限公司
原矿山院院长/教授级高工
赤泥综合利用研究报告2025
推广

热门技术
更多+

推荐企业
更多+

福建省金龙稀土股份有限公司
宣传

发布

在线客服

公众号

电话

顶部
咨询电话:
010-88793500-807