青岛垚鑫智能科技有限公司
宣传

位置:中冶有色 >

有色技术频道 >

> 复合材料技术

分类:
全部
矿山技术
冶金技术
材料制备及加工技术
环境保护技术
分析检测技术
 
全部
功能材料技术
复合材料技术
新能源材料技术
合金材料技术
加工技术
地区:
全部
北京
天津
上海
重庆
河北
山西
辽宁
吉林
黑龙江
江苏
浙江
安徽
福建
江西
山东
河南
湖北
湖南
广东
海南
四川
贵州
云南
陕西
甘肃
青海
内蒙
广西
西藏
宁夏
新疆
其他
其他
展开
 
全部
济南
青岛
淄博
枣庄
东营
烟台
潍坊
济宁
泰安
威海
日照
滨州
德州
聊城
临沂
菏泽

山东淄博有色金属复合材料技术理论与应用

免费发布技术信息>>
耐高温陶瓷基复合材料界面复合涂层及制备方法

本发明公开了一种耐高温陶瓷基复合材料界面复合涂层及制备方法,所述界面复合涂层包括碳纤维、热解碳层和SiC层,所述热解碳层包覆于碳纤维上,所述SiC层包覆于热解碳层上。本申请所述的热解碳/碳化硅复合界面涂层,一方面可以缓解碳纤维与陶瓷基体的热膨胀系数不匹配,另一方面复合界面层能够在氧化或高温烧蚀环境中生成SiO2玻璃相保护层,保护碳纤维不受氧化侵蚀,从而提高复合材料的耐高温抗氧化性能。

标签:
复合材料
山东 - 淄博 来源:中冶有色网 2023-03-18
石英纤维增强石英复合材料用中间层及其制备方法

本发明涉及陶瓷透波材料领域,具体涉及一种石英纤维增强石英复合材料用中间层及其制备方法。由粉体和粘结液,按照质量比100:(50‑150)球磨混合研磨后,喷涂或刷涂于基体表面,然后固化处理,即得中间层。本发明制备方法科学合理,简单易行,便于实施,低的热膨胀系数、抗热震、耐腐蚀的单一组分或复相陶瓷作为防潮涂层与基体的中间层,采用该方法制备的石英纤维增强石英复合材料用中间层与基体匹配性好,结合强度高,防腐性好。

标签:
复合材料
山东 - 淄博 来源:中冶有色网 2023-03-18
利用造纸固体废弃物制备木塑复合材料的配方及其方法

本发明属于复合材料技术领域,具体是一种利用造纸固体废弃物制备木塑复合材料的配方,其特征是,由如下重量份数的原料组成:造纸固体废弃物40-70,回收塑料30-60,偶联剂0.8-3,钙锌复合稳定剂3-5,润滑剂0.6-6。本发明以造纸固体废弃物和回收塑料为主要原料,价格低廉,且有利于保护环境,节约木材资源。

标签:
复合材料
山东 - 淄博 来源:中冶有色网 2023-03-18
复合材料马桶及其制造方法

一种复合材料马桶及其制造方法,包括以下组分制造得到:天然石英砂44‑58重量份;碳酸钙或氢氧化铝26‑80重量份;不饱和聚酯树脂12‑30重量份;低收缩添加剂0‑18重量份;硬脂酸锌0.54‑1重量份;氢氧化钙0.1‑1重量份;过氧化苯甲酸叔丁酯0.2‑1重量份;颜料0‑3重量份;纤维材料3‑25重量份。本发明的复合材料马桶及其制造方法,表面光滑、不易碎、且表面强度高,成型周期短,适合大批量生产,易实现自动化,节省劳动力,作业环境好。

标签:
复合材料
山东 - 淄博 来源:中冶有色网 2023-03-18
氮化硅/氮化硼复合材料及其制造方法

本发明属无机非金属材料科学、高温工程陶瓷领 域。 本发明在氮化硅基体中加入适量弥散相氮化硅 粉末,经高温热压而制成氮化硅/氮化硼复合材料, 大大改善了氮化硅材料的抗热震性(△T>1200℃) 耐熔钢侵蚀性和可机加工性,并可避免氮化硼烧结体 的潮解作用。用该材料制备出的水平连铸分离环,可 用1500℃~1600℃高温下的不同钢种的水平连铸。

标签:
复合材料
山东 - 淄博 来源:中冶有色网 2023-03-18
修补涂料以及复合材料表面修补方法

本发明公开了一种修补涂料以及复合材料表面修补方法,其中,所述修补涂料包括粘结剂、填料,所述粘结剂为硅溶胶;所述填料包括硼硅玻璃、磷酸锆盐;所述填料与粘结剂的质量比为1:(1~5)。所述复合材料表面修补方法,包括以下步骤:将上述修补涂料涂覆于基体表面的目标位置,对修补涂料进行常温固化;将常温固化后的所述修补涂料进行高温处理,所述高温处理的温度不小于800℃。

标签:
复合材料
山东 - 淄博 来源:中冶有色网 2023-03-18
泡沫填缝剂用富勒烯型纳米二硫化钨/聚醚多元醇复合材料的制备方法

本发明属于化工合成技术领域,具体涉及一种泡沫填缝剂用富勒烯型纳米二硫化钨/聚醚多元醇复合材料的制备方法。(1)将富勒烯型纳米二硫化钨颗粒用硅烷偶联剂改性处理后,分散在多元醇类化合物起始剂中,以碱金属作为催化剂,在0~0.5MPa,80~150℃下,与氧化烯烃进行聚合反应及内压反应,制得富勒烯型纳米二硫化钨/聚醚多元醇粗聚物;(2)将步骤(1)制得的富勒烯型纳米二硫化钨/聚醚多元醇粗聚物进行精制处理,并加入无机酸,即得。采用该方法制备的富勒烯型纳米二硫化钨/聚醚多元醇复合材料进行泡沫填缝剂的制备时,能够有效提升产品的力学性能和阻燃性能,提高产品的反应活性,缩短固化时间,降低生产成本。

标签:
复合材料
山东 - 淄博 来源:中冶有色网 2023-03-18
氮化硼纤维增强氮化物陶瓷基复合材料的制备方法

本发明公开了一种氮化硼纤维增强氮化物陶瓷基复合材料的制备方法,其特征是 : 将氮化硼短纤维、氮化物粉体、烧结助剂粉体进行混合球磨,热压烧结即可,其中所述氮化硼短纤维的长径比为15‑35 : 1,所述氮化硼纤维加入量为所有粉体总质量的3‑20%。本发明的制备方法工艺简单,适于工业化操作,对操作人员的技术水平要求低,由本发明的方法制备得到的复合材料密度达到1.9‑2.95g/cm3,拉伸强度>50MPa,弯曲强度>90MPa,线膨胀系数<3.5×10‑6(室温~1200℃);介电常数(Ku波段)<5.5,介电损耗(Ku波段)<8×10‑3。

标签:
复合材料
山东 - 淄博 来源:中冶有色网 2023-03-18
用于树脂基复合材料替代纸的纳米涂布设备

一种用于树脂基复合材料替代纸的纳米涂布设备,属于树脂基复合材料技术领域,其特征是,包括依次连接的放卷装置、涂胶装置、烘箱和收卷装置,在所述烘箱的前端还设有排气装置。本实用新型结构简单,工作稳定,能够在替代纸上涂布纳米可印刷层;同时,设置排气装置,清洁环保。

标签:
复合材料
山东 - 淄博 来源:中冶有色网 2023-03-18
超临界微发泡塑料、塑料基超疏液表面复合材料及制备方法

本发明公开一种超临界微发泡塑料、塑料基超疏液表面复合材料及制备方法,制备方法包括预制气熔体:先制备塑料熔体,并向塑料熔体内注入超临界发泡气体,得到温度为220‑280℃,压力为80‑140MPa的气熔体;注塑成型:将气熔体注入模具内并保持气溶体的温度与压力,然后瞬间降低气熔体的压力至50MPa以下,同时降低模具的温度至20‑70℃;冷却成型:采用冷凝剂对模具进行降温,即得表面具有火山口凹坑的超临界微发泡塑料。超临界微发泡塑料和塑料基超疏液表面复合材料均由上述制备方法制备而成,本发明的制备方法节能环保、工艺控制简单、重复性高,所得产品耐久性高,可以经受气流和水流的冲击,较长期地保持超疏液性。

标签:
复合材料
山东 - 淄博 来源:中冶有色网 2023-03-18
能降低污水中COD的复合材料的制备方法

本发明公开了一种能降低污水中COD的复合材料的制备方法,涉及污水处理技术领域,该复合材料以硅酸钠、黏土和氧化铝为原料,所得四氧化三铁‑活性炭复合微球含有纳米四氧化三铁的磁流体性质,且纳米四氧化三铁充分附着在活性炭和硅铝基复合黏土上,可有效防止纳米四氧化三铁的团聚,提高其稳定性,该材料中还添加了石墨烯改性壳聚糖,充分吸附废水中的有机杂环化合物,并防止杂环化合物解吸,且石墨烯改性壳聚糖均匀的分散在四氧化三铁‑活性炭复合微球的表面,进一步提高了吸附性能,能够有效降低废水COD值;另外,海藻酸钠海藻酸钠的羧基负离子和壳聚糖的氨基可以吸附废水中的有机酸类和碱类杂质,降低COD值。

标签:
复合材料
山东 - 淄博 来源:中冶有色网 2023-03-18
连续/长纤维增强热塑性复合材料的浸渍模具及其使用方法

本发明涉及一种连续/长纤维增强热塑性的浸渍模具及其使用方法,属于连续/长纤维增强热塑性复合材料制备的技术领域,本发明的模具包括机体,其技术要点在于机体内设置有纤维浸渍流道,纤维浸渍流道的上部连接导丝块,导丝块上设置有分丝孔,分丝孔与纤维浸渍流道相连通,机体侧部设有浸渍熔体进料口,浸渍熔体进料口与纤维浸渍流道相通。连续纤维经导丝块上的分丝孔进入到浸渍模具与熔融的热塑性树脂接触,经环状波纹回转体芯轴及与之外表面形状相同的机体腔体内壁之间的环形、波纹状浸渍流道,纤维束被强制展开、分散,实现树脂对纤维的浸渍。本发明浸渍效率高,浸渍过程中较好地实现了纤维的分散。

标签:
复合材料
山东 - 淄博 来源:中冶有色网 2023-03-18
用于制造玻璃纤维复合材料的组合聚醚及其制备方法和应用

本发明属于高分子材料技术领域,具体涉及一种用于制造玻璃纤维复合材料的组合聚醚及其制备方法和应用。所述的用于制造玻璃纤维复合材料的组合聚醚由聚醚多元醇A、聚醚多元醇B、聚酯多元醇C、泡沫稳定剂、发泡剂、催化剂、阻燃剂和染色剂制成;本发明通过优化聚醚产品的配方结构和性能,仅使用标准化的异氰酸酯产品,即可生产出品质优良的聚氨酯材料,可与多种尺寸、结构的玻璃纤维材料复合,使最终制品具有良好的绝热性能和比强度。

标签:
复合材料
山东 - 淄博 来源:中冶有色网 2023-03-18
电缆绝缘层用改性天然橡胶复合材料

本发明公开了一种电缆绝缘层用改性天然橡胶复合材料,其原料按重量份包括:天然橡胶30-40份,甲基丙烯酸甲酯天然橡胶40-60份,三元乙丙橡胶50-60份,纳米二氧化硅50-55份,硅藻土16-20份,尼龙PA-66?7-12份,煅烧陶土12-16份,白炭黑33-37份,炭黑15-25份,凹凸棒土30-45份,氧化锌2-3份,硫磺1.8-2.5份,N-环己基-2-苯并噻唑次磺酰胺2-4份,双(3-三乙氧基硅烷基丙基)四硫化物1-2份,硬脂酸镁2.5-3份,马来酸酐5-10份,羧基液体丁腈橡胶2-5份;本发明中,上述电缆绝缘层用改性天然橡胶复合材料,耐热氧性能好,耐老化性能优异,力学性能好,使用寿命长。

标签:
复合材料
山东 - 淄博 来源:中冶有色网 2023-03-18
抗菌除螨聚烯烃弹性体复合材料及其制备方法和应用

本发明公开了一种聚烯烃弹性体复合材料,其特征在于:它包括如下重量份数的组分:聚烯烃弹性体86份~95份、润滑油10份~12份、抗氧剂1份~2份、纳米银4份~8份、除螨防霉整理剂4份~8份。本发明的聚烯烃弹性体复合材料,在特定的组成和配比条件下,同时具有优异的除螨和抗菌功能,且除螨的趋避率高达85%以上、抗菌率高达74%以上,非常适合制造或制作家居生活用品。

标签:
复合材料
山东 - 淄博 来源:中冶有色网 2023-03-18
宽温域高阻尼纳米橡胶复合材料及其制备方法

一种宽温域高阻尼纳米橡胶复合材料及其制备方法,属橡胶制备技术领域。方法,其特征在于,先利用碳纳米管水溶液和苯乙烯、异戊二烯、丁二烯的三元集成橡胶胶乳共同凝聚得到含碳纳米管的三元集成橡胶;在将丁腈橡胶与含碳纳米管的三元集成橡胶共混、共硫化制得。复合材料的tanδ>0.3的阻尼温域为‑55.0℃~79.5℃。不仅得到了不同模量和tanδ的橡胶,而且在两个玻璃化转变温度间获得较宽的阻尼峰,填充材料碳纳米管的加入增强了聚合物粒子之间的界面作用,从而在提高橡胶材料阻尼值的同时,拓宽了橡胶的玻璃化转变温度范围。

标签:
复合材料
山东 - 淄博 来源:中冶有色网 2023-03-18
泡沫复合材料及其制备方法

本发明属于塑料加工技术领域,具体涉及一种泡沫复合材料及其制备方法。本发明由如下重量份数的原料组成:聚丙烯70-95份、聚乙烯3-20份、乙烯-醋酸乙烯酯共聚物2-10份、化学发泡剂1-3份、无机填料1-5份。本发明中采用通用的聚丙烯和聚乙烯树脂,加入乙烯-醋酸乙烯酯共聚物以及无机填料后,在普通单螺杆挤出机中即可获得孔径50-300μm、表观密度82-460kg/m3的泡沫复合材料。本发明的制备方法简单,操作便利,成本低。

标签:
复合材料
山东 - 淄博 来源:中冶有色网 2023-03-18
陶瓷基复合材料的制备方法

本发明属于复合材料技术领域,公开了一种陶瓷基复合材料的制备方法,主要解决了现有技术中在浸渍裂解工艺中,有机前驱体分子在向无机陶瓷热解转化时,由于裂解前后基体密度变化大,体积收缩大,同时还有大量小分子气体放出,从而导致材料的致密化周期延长等技术问题,本发明主要包括以下:料浆制备、料浆浸渍、真空固化、高温裂解等步骤,本发明提高了材料致密度,缩短了生产周期。

标签:
复合材料
山东 - 淄博 来源:中冶有色网 2023-03-18
高强高韧陶瓷复合材料及其应用

本发明公开了一种高强高韧陶瓷复合材料及其应用,由陶瓷基体、纤维、助剂复合而成,陶瓷基体、纤维、助剂的重量比为100 : (35‑45) : (5‑15);所述陶瓷基体按照重量份由30‑50份氮化硅和25‑35份碳化硅组成;所述纤维为改性复合纤维,由玄武岩纤维和水镁石纤维按重量比(2‑4) : 1混合后改性制得,改性方法为:先将复合纤维用质量分数为10‑20%的三乙胺溶液超声浸泡2‑4小时,清水冲洗至中性,烘干,再于450‑550℃煅烧1‑2小时,冷却后加入复合纤维重量7‑9%的二异辛基二苯胺、4‑6%的曲酸和2‑4%的乙二胺四乙酸二盐,研磨混合均匀后于50‑70℃烘干,过200‑300目筛;所述助剂按重量份包括纳米氧化锆20‑30份、纳米氧化铝5‑15份、纳米蒙脱石粉4‑8份和纳米萤石粉3‑5份。本发明提供的陶瓷复合材料不仅强度和硬度高,而且韧性优异。

标签:
复合材料
山东 - 淄博 来源:中冶有色网 2023-03-18
基于聚吡咯纳米片复合材料的电流型免疫传感器的制备方法及应用

本发明属于新型纳米材料、免疫分析和生物传感技术领域,提供了一种基于聚吡咯纳米片复合材料的电流型免疫传感器的制备方法及应用。具体是以负载空心核壳状银铂@铂的聚吡咯纳米片复合材料为基底放大平台构建的电化学免疫传感器。所构建的免疫传感器实现了对前列腺特异性抗原的定量检测,并且选择性、稳定性、重现性良好,为前列腺癌的早期诊断提供了一种可靠的检测手段。

标签:
复合材料
山东 - 淄博 来源:中冶有色网 2023-03-18
远红外聚烯烃弹性体复合材料及其制备方法和应用

本发明公开了一种聚烯烃弹性体复合材料,它包括如下重量份数的组分:聚烯烃弹性体68份~75份、润滑油8份~10份、偶联剂8份~10份、抗氧剂1份~5份、远红外功能粉6份~25份。本发明的聚烯烃弹性体复合材料,在特定的组成和配比条件下,具有良好的远红外功能,且法向全发射率高达75%以上、非常适合制造或制作家居生活用品,有利于提高生活家具用品的舒适度和健康度,有利于改善人们的健康情况。

标签:
复合材料
山东 - 淄博 来源:中冶有色网 2023-03-18
镭射复合材料及其制作工艺

本发明为一种以多种材质为基础形成具有镭射全息图案的复合材料及其制作工艺,该复合材料是通过粘附作用,使镭射膜的图案转印到基材上,再在镭射图案上加不同性能的防护层。基材可以是金属、陶瓷、木材、石材、塑料、玻璃钢、玻璃、纸质等,因而本发明具有广泛的应用范围,开辟了装饰行业中新一代的装饰材料。

标签:
复合材料
山东 - 淄博 来源:中冶有色网 2023-03-18
基于Rh@Pt纳米枝晶复合材料免疫传感器的制备方法及应用

本发明属于新型功能材料与生物传感检测技术领域,提供了一种基于Rh@Pt纳米枝晶复合材料免疫传感器的制备方法及应用。具体是采用Rh@Pt纳米枝晶复合材料作为标记物,聚吡咯‑金纳米粒子作为基底,制备了一种电化学免疫传感器并应用于肿瘤标志物抗原的检测。

标签:
复合材料
山东 - 淄博 来源:中冶有色网 2023-03-18
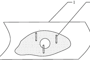
复合材料除渣器
复合材料除渣器 877     
 0

复合材料除渣器,属于浆液除渣设备领域。包括陶瓷材质的内胆(1),内胆(1)由上至下依次设有良浆出口(3)、纸浆入口(6)和出渣口(9),其特征在于:所述内胆(1)外侧包覆有一层高分子弹性材料(2),内胆(1)与高分子弹性材料(2)复合为一体结构,利用陶瓷内胆可以有效降低摩擦系数,提高纸浆回收率,但是陶瓷材质的内胆(1)具有易碎、笨重等缺点,本实用新型利用高分子弹性材料(2)可以有效保护内胆(1),克服陶瓷材质的内胆(1)易碎的问题,在保证复合材料除渣器强度的同时,可以降低内胆(1)的壁厚,降低生产成本,便于安装和拆卸。

标签:
复合材料
山东 - 淄博 来源:中冶有色网 2023-03-18
石英基复合材料、制备方法及其制备而成的天线罩

本发明公开了一种石英基复合材料制备方法,包括以下步骤:步骤1、制备石英纤维增强的发泡材料;步骤2、在所述发泡材料的表面编织石英纤维预制体,得到织物A;步骤3、将所述织物A循环采用硅溶胶浸渍、干燥的方式,循环操作至恒重后,在氧化气氛下加热去除发泡材料并烧制毛坯;步骤4、向所述毛坯内填充气凝胶得石英纤维增强的石英基复合材料。利用非单层罩壁结构较为理想的实现了天线罩宽频带透过电磁波的目的。

标签:
复合材料
山东 - 淄博 来源:中冶有色网 2023-03-18
过渡金属元素调控碳纤维增强陶瓷基复合材料界面的方法

本发明公开了一种过渡金属元素调控碳纤维增强陶瓷基复合材料界面的方法,包括以下步骤:将过渡金属元素盐溶液与陶瓷基体混合,球磨后得到混合均匀的浆料待用,制备纤维预制片,烧结。本发明实施例示例的过渡金属元素调控碳纤维增强陶瓷基复合材料界面的方法,极大的降低了调控界面的难度、成本和时间,同时也能保证了界面调控的有效性。

标签:
复合材料
山东 - 淄博 来源:中冶有色网 2023-03-18
细长轴碳纤维复合材料动平衡中间配重方法

本发明涉及一种细长轴碳纤维复合材料动平衡中间配重方法,属于机械加工工装技术领域,其特征是,包括如下步骤:1)通过动平衡机找到细长轴的机械重心,并且测出配重;2)在重心位置用2mm钻头钻轴打孔,然后将适量的树脂和铁粉灌入其中进行配重;3)将配重好的细长轴水平静置,孔洞朝下,待树脂固化。本发明的方法解决了碳纤维复合材料在工作中由于具有一定的弹性模量而引发的变形问题,使其转动更加稳定。

标签:
复合材料
山东 - 淄博 来源:中冶有色网 2023-03-18
添加石墨烯复合材料的聚氨酯鞋底及其制备方法

本发明涉及一种添加石墨烯复合材料的聚氨酯鞋底及其制备方法,该聚氨酯鞋底分为上下两层,上层为石墨烯导电层,下层为聚氨酯支撑层;聚氨酯支撑层以质量份数计,原料组成如下:A组份:二官能度聚醚多元醇70‑75份;四官能度多元醇2‑4份;三官能度聚合物多元醇10‑12份;水0.4‑0.5份;丙三醇6份;2‑羟基‑4‑正辛氧基二苯甲酮2份;抗静电剂3‑5份;B组份:MDI‑聚酯预聚体110份。本发明制备的添加石墨烯复合材料的聚氨酯鞋底,具有无毒、环保、轻便、耐磨的特性,此外,该鞋底还具有防静电、接地气和双向导通的作用,能将人体产生静电导入大地,将大地负电子导入身体,起到中医讲的阴阳平衡的作用。

标签:
复合材料
山东 - 淄博 来源:中冶有色网 2023-03-18
用于树脂基复合材料替代纸的流延设备

一种用于树脂基复合材料替代纸的流延设备,属于树脂基复合材料技术领域,其特征是,包括依次连接的混料装置、挤出装置、T型模、厚片成型装置和测厚装置。本实用新型结构简单,工作稳定,能将树脂基复合材料造粒并加工为片状。

标签:
复合材料
山东 - 淄博 来源:中冶有色网 2023-03-18
莫来石纤维增强石英陶瓷复合材料以及制备方法

一种莫来石纤维增强石英陶瓷复合材料,其特征在于,包括长度为L1、L2、L3的莫来石纤维;所述莫来石纤维上附着氧化硅;所述莫来石纤维周围分布有熔融石英;所述L1、L2、L3的长度取值范围为,3≤L1<5mm,5≤L2<7mm,7≤L3<10mm;所述莫来石纤维中长度为L1、L2、L3的纤维重量比例为(0.7‑1.3):3:(0.7‑1.3);所述莫来石纤维总重量与所述熔融石英重量为比为(10‑15):(40‑45);以及此所述材料的制备方法。所述莫来石纤维增强石英陶瓷复合材料达到的所述性能指标,能够满足高马赫数飞行器制作材料的性能需求。

标签:
复合材料
山东 - 淄博 来源:中冶有色网 2023-03-18
上一页 10 11 12 13 14 ... 18 下一页
共18页    到第

中冶有色为您提供最新的山东淄博有色金属复合材料技术理论与应用信息,涵盖发明专利、权利要求、说明书、技术领域、背景技术、实用新型内容及具体实施方式等有色技术内容。打造最具专业性的有色金属技术理论与应用平台!

全国热门有色金属设备推荐
展开更多 +
全国热门有色金属技术推荐
展开更多 +

 

江西省隆恩特环保设备有限公司
宣传

报名参会
更多+

报告下载

有色专家
更多+

江西铜业集团有限公司
党委书记、董事长
石家庄铁道大学
团委书记/副教授
中国矿业大学
副院长/教授
江西省科学院应用化学研究所
副主任/副研究员
西安建筑科技大学
院长/教授
赤泥综合利用研究报告2025
推广

热门技术
更多+

推荐企业
更多+

福建省金龙稀土股份有限公司
宣传

发布

在线客服

公众号

电话

顶部
咨询电话:
010-88793500-807